Более поздняя версия Audi A4 от 2000 г.в. и выше. Все двигатели с водяным охлаждением и расположением в двигательном отсеке вдоль автомобиля. Выпускаются модели с передним или полным приводом «Quattro». На полноприводных моделях установлен межосевой дифференциал «Torsen» с автоматической блокировкой. В зависимости от комплектации устанавливается полностью синхронизированная 5- или 6-ступенчатая РКПП, либо АТ Tiptronic с динамической программой переключения DSP или Multitronic с динамической программой регулирования DPR. Передняя подвеска – независимая, четырёхрычажная McPherson с винтовыми пружинами, телескопическими газонаполненными амортизаторами и трубчатой штангой стабилизатора. Балка моста крепится к кузову на резино-металлических опорах.
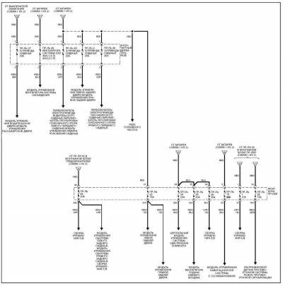
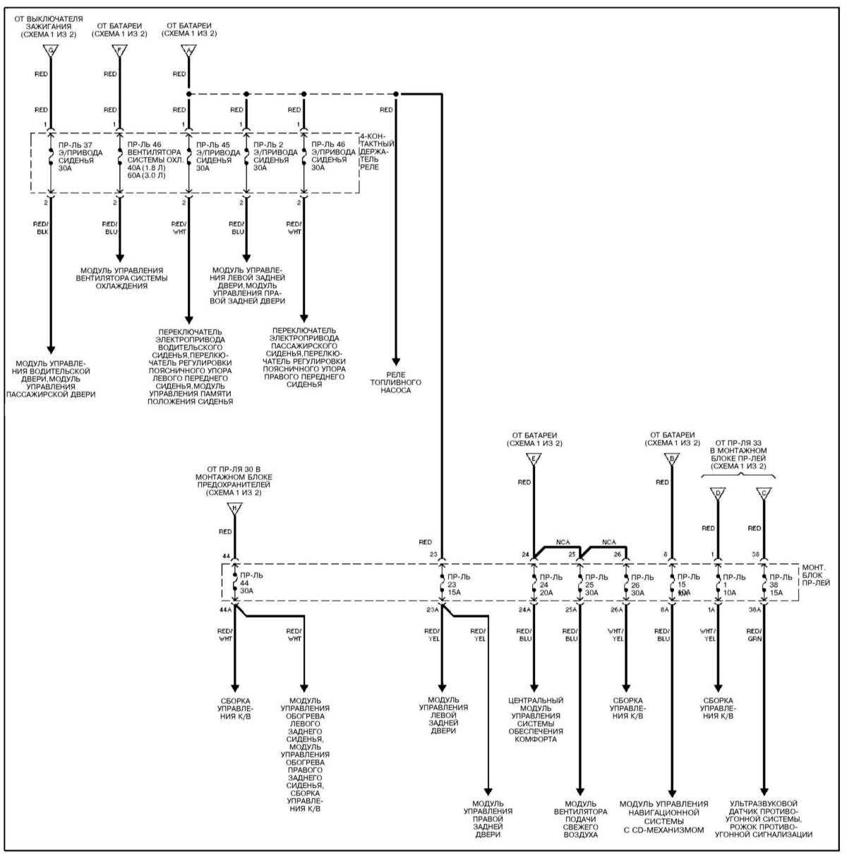
Схема распределения питания на Ауди А4
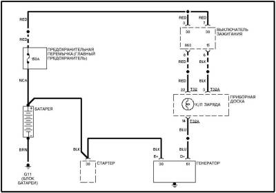
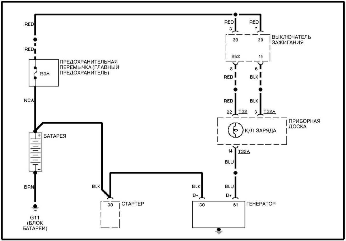
Эл.схема системы зарядки на Audi A4
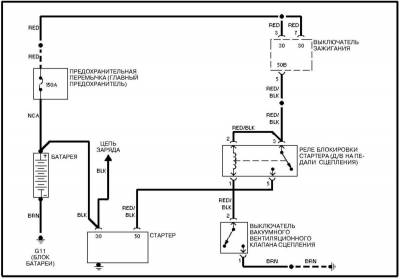
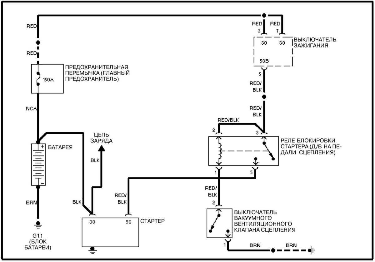
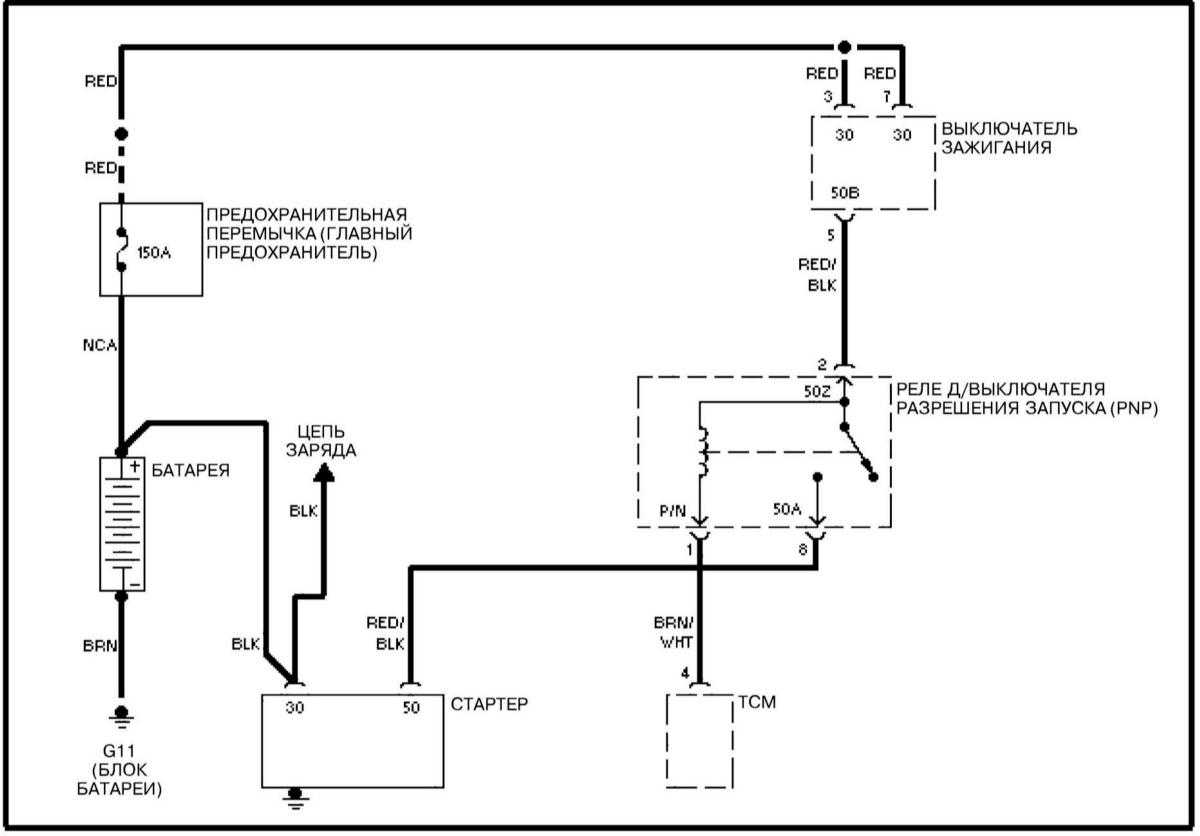
Система запуска, модели РКПП — схема
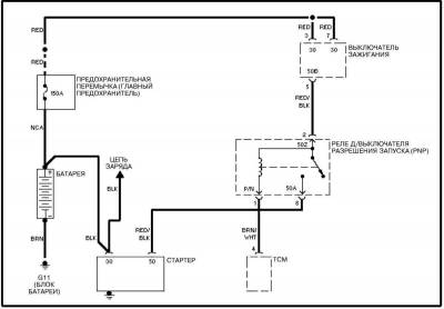
Схема системы запуска, модели с CVT
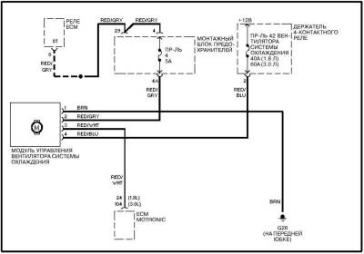
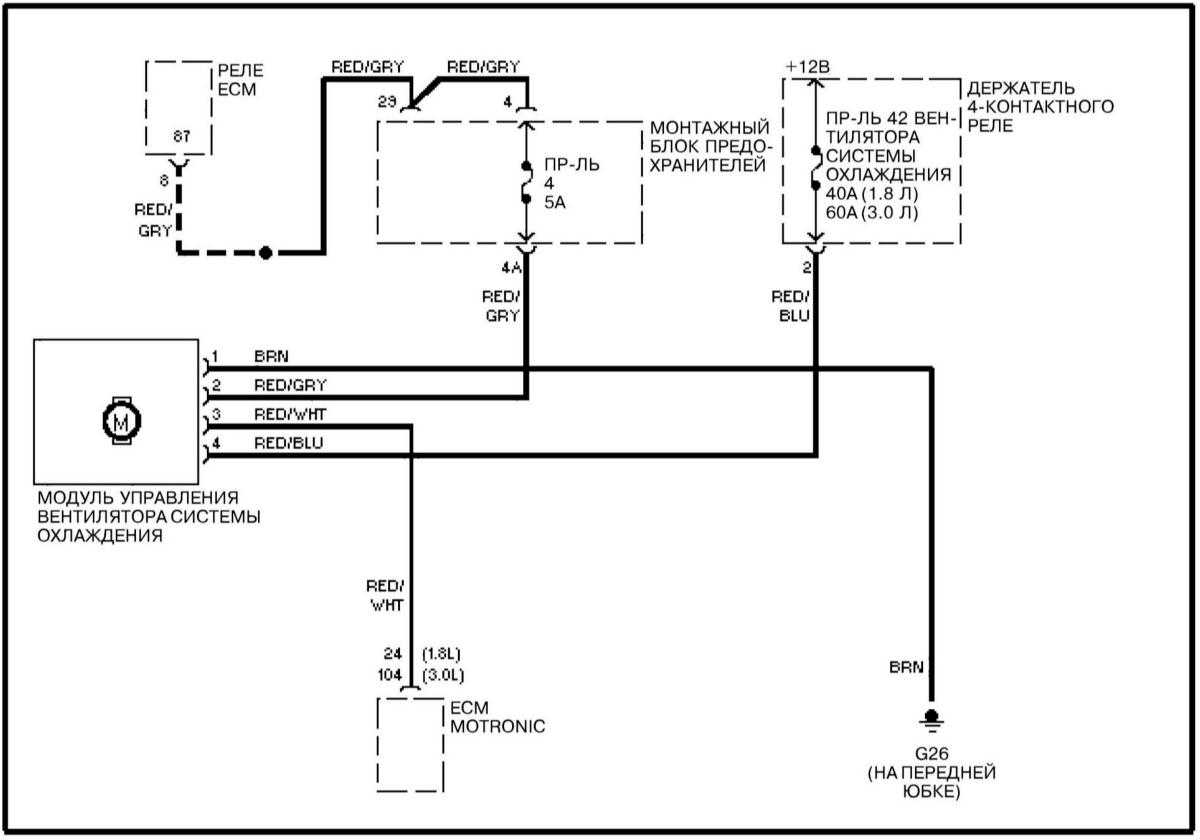
Вентилятор системы охлаждения — эл.схема на Ауди А4
Схема системы автоматического кондиционирования воздуха
Эл.схема диагностического разъема DLC на







