А это уже Audi A6 1990-1997 г.в. На всех моделях установлено сухое однодисковое сцепление с пружиной диафрагменного типа и гидравлическим приводом выключения сцепления. На всех моделях установлена двухконтурная гидравлическая тормоза система с вакуумным усилением. На большинстве моделей все тормоза дисковые, на некоторых моделях установлены задние барабанные тормоза. Передняя подвеска является полностью независимой и использует телескопические амортизаторы, пружины и стабилизатор поперечной устойчивости.
Эл.схемы на
Audi A6
— общие сведения
Идентификация клеммы
15 Клемма «зажигание» разъема подключения замка зажигания
20 Плюсовая клемма аккумулятора
31 Масса
50 Клемма «запуск» разъема подключения замка зажигания
85 Входная клемма реле
86 Масса реле
87 Выводная клемма реле
87а Выводная клемма реле
Расположение точек заземления
Е1 Минусовой провод аккумулятора
Е2 Заземление двигателя — генератор
Е3 За панелью приборов
Е4 В жгуте проводов панели приборов
Е5 В жгуте проводов в двигательном отсеке
Е6 В левом углу двигательного отсека
Е7 За панелью приборов
Е8 Жгут проводов правой фары
Е9 Жгут проводов левой фары
Е10 В жгуте проводов в двигательном отсеке
Е11 В заднем жгуте проводов
Е12 На блоке цилиндров
Е13 На впускном коллекторе
Е14 В жгуте проводов в двигательном отсеке
Е15 На впускном коллекторе
Е16 Снизу левой передней стойки кузова
Е17 В жгуте проводов задней двери
Е18 В жгуте проводов панели приборов
Е19 Правая задняя стойка
Е20 В жгуте проводов центральной консоли
Е21 В жгуте проводов стеклоподъемника
Е22 В жгуте проводов двери
Е23 На левой стороне багажника
Е 24 В жгуте проводов динамика
Блок предохранителей/ реле
Пр. А Защищаемая цепь
F1 10А Правая фара дальнего света и сигнальная лампа дальнего света
F2 10А Левая фара дальнего света
F3 10А Правая фара ближнего света
F4 10А Левая фара ближнего света
F5 5А Правый габаритный огонь
F6 5А Левый габаритный огонь
F7 10А Лампы освещения номерного знака, бардачка, двигательного отсека, панели регулировки температуры, пепельницы и приборного щитка
F8 15А Часы, лампы для чтения карт, лампа освещения багажника, зажигалка, лампы освещения салона, лампы на козырьке, бортовой компьютер, регуляторы зеркал заднего вида, программируемые регуляторы сидений
F9 10А Огни стоп-сигнала
F10 15А Сигнальная лампа аварийной сигнализации
F11 30А Вентилятор печки, кондиционер
F12 30А Обогреватели заднего стекла и зеркал заднего вида
F13 25А Стеклоочистители, указатели поворотов, вентилятор охлаждения, обогреватели разбрызгивателей, датчик температуры масла коробки передач
F14 15А Фонари заднего хода, стеклоотмыватели, круиз-контроль, блокировка дифференциала, многофункциональный датчик, датчик спидометра, водяной фильтр, автоматическая коробка передач
F15 5А Приборный щиток, зеркала заднего вида, бортовой компьютер
F16 15А Противотуманные фонари
F17 20А Топливный насос, прогревочный клапан
F18 15А Стеклоочиститель заднего стекла
F19 25А Система диагностики, звуковой сигнал, реле вентилятора
F20 5А Система круиз-контроля, автоматическая коробка передач
F21 15А АБС
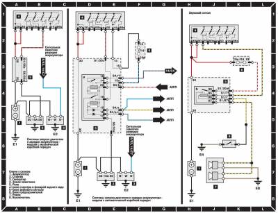
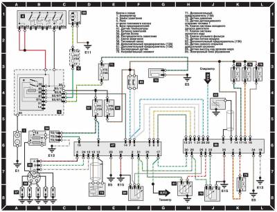
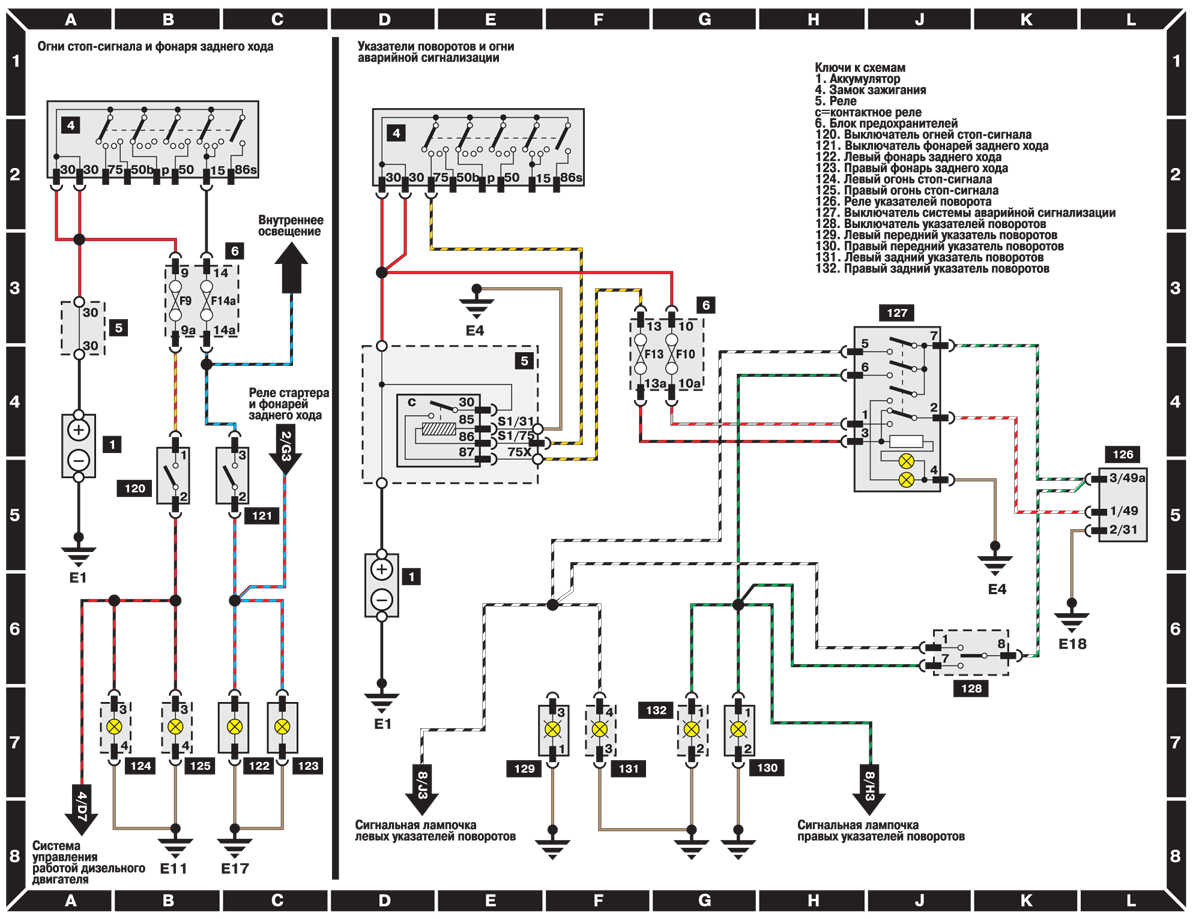
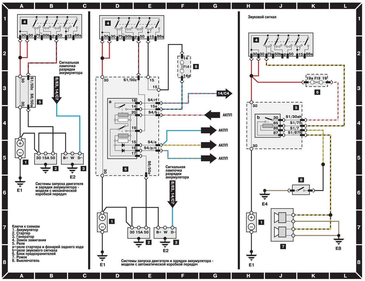
Схема системы запуска двигателя, зарядки аккумулятора и звукового сигнала
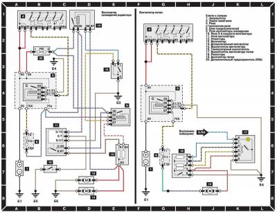
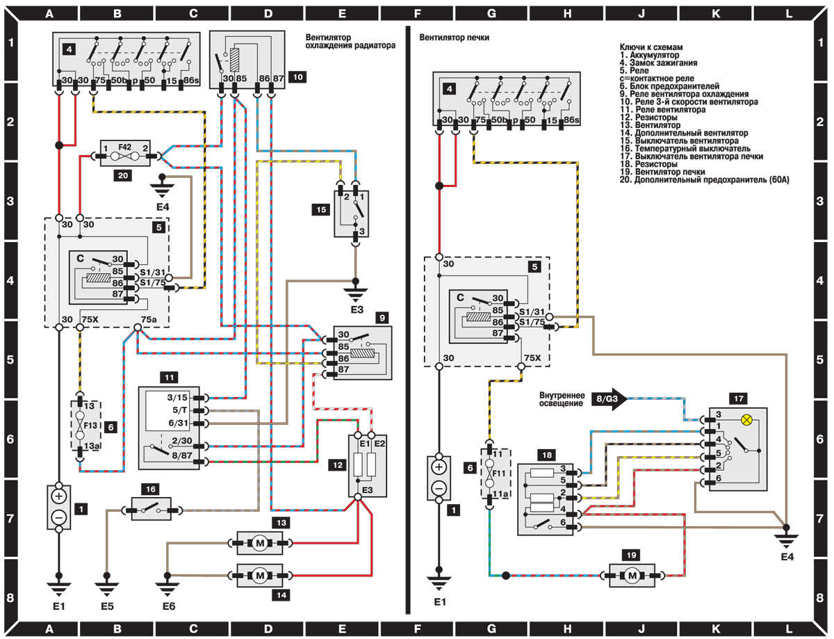
Вентилятор охлаждения радиатора и вентилятор печки — эл.схема
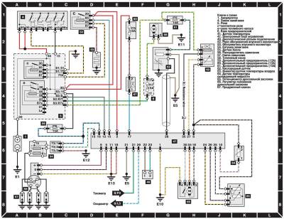
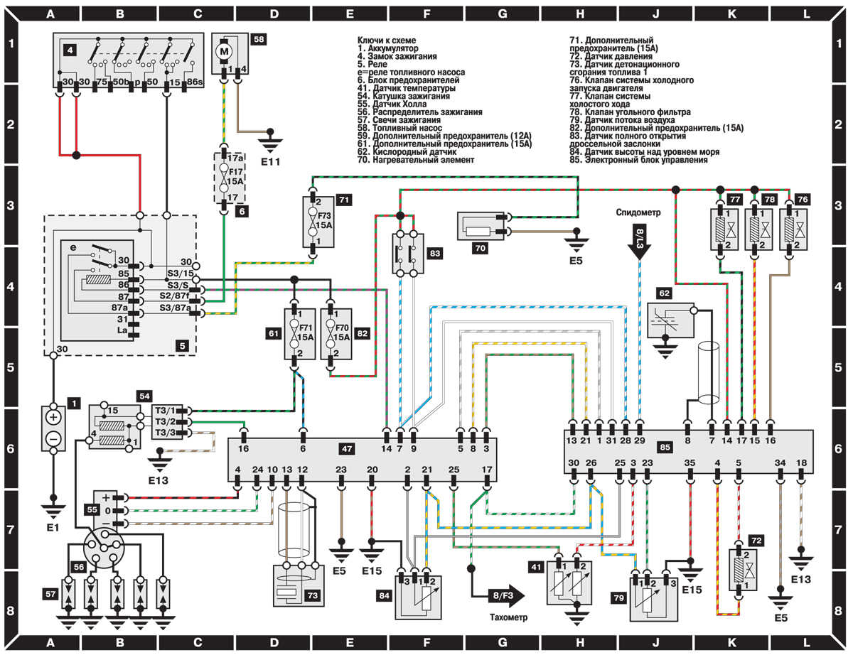
Эл.схема системы управления работой дизельного двигателя на Ауди А6
Схема системы управления работой двигателя Monomotronic на
Audi A6
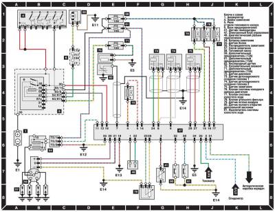
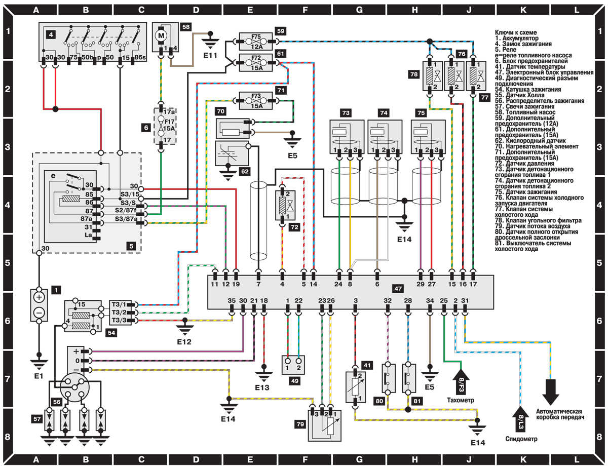
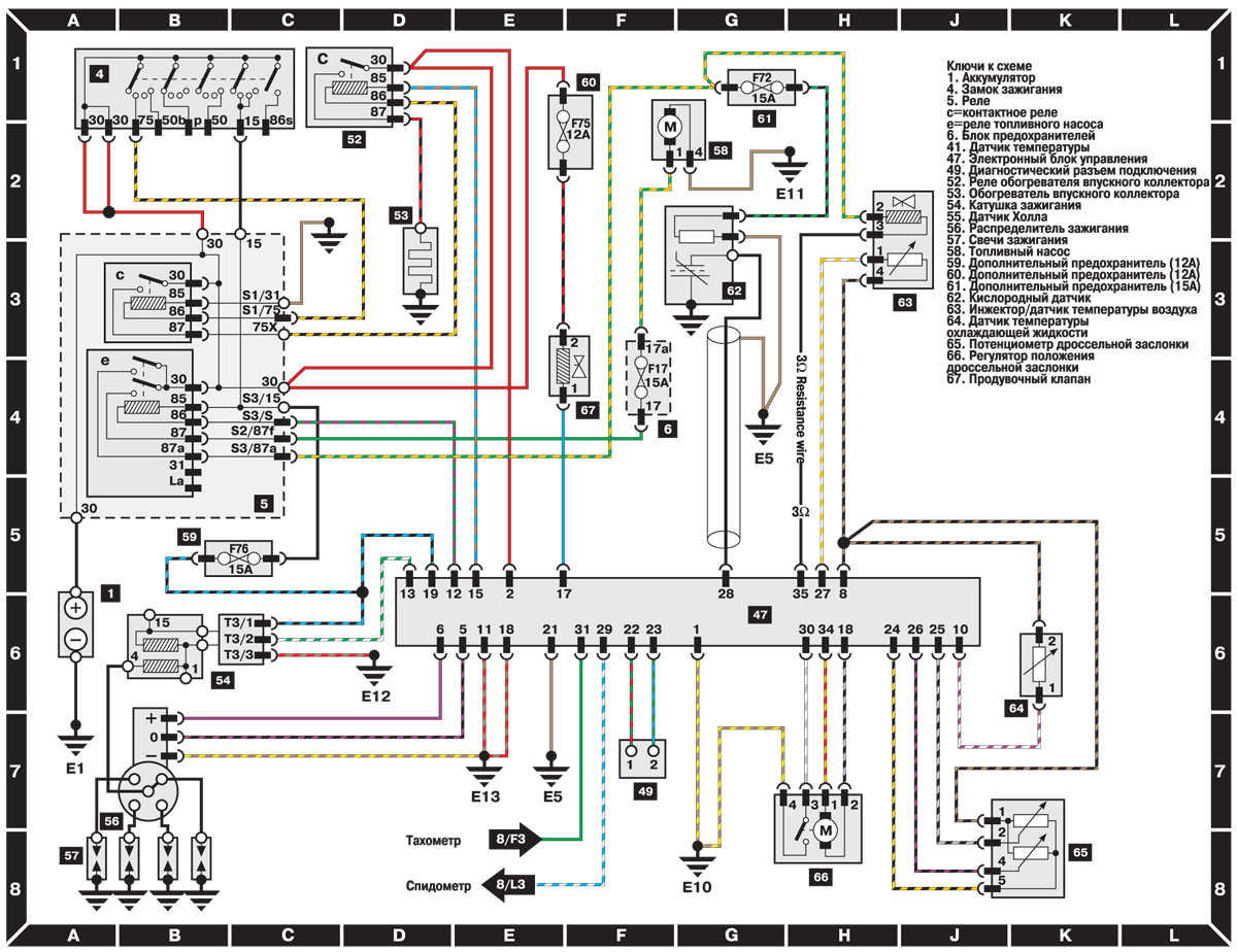
Система управления работой двигателя KE-Motronic — схема
Схема системы управления работой двигателя KE III Jetronic на
Ауди А6
Сигнальные лампочки и приборы — эл.схема
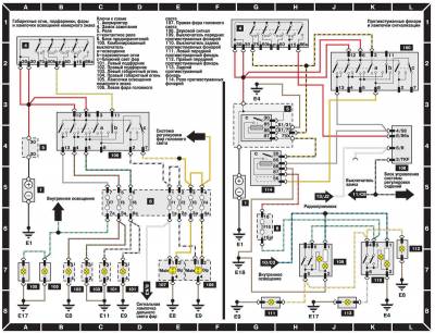
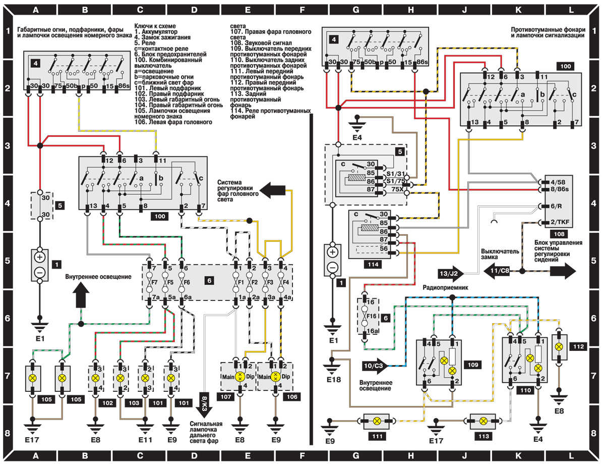
Эл.схема внешнего освещения на
Audi A6










