Схема электрооборудования Ауди 100 пригодится в качестве пособия по ремонту автомобиля Audi 100 выпуска с 1982 по 1992 год. Предназначена для работников станций технического обслуживания и ремонтных мастерских. Так же может быть полезным также индивидуальным владельцам автомобилей. Кликните по схеме для увеличения размера.
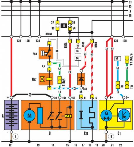
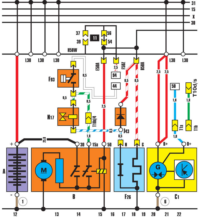
Генератор, аккумулятор, стартер Ауди 100
А – аккумулятор;
В – стартер
Ауди 100
;
С – генератор;
С1 – регулятор напряжения;
F26 – временной термовыключатель;
F93 – шаговый выключатель давления;
N17 – пусковая форсунка;
Т1а – 1-контактный разъем справа в
отсеке двигателя; Т1b – 1-контактный разъем справа в отсеке двигателя;
Т10d – 10-контактный разъем (желтый) за панелью приборов;
J43 – блокирующий диод устройства впрыска К-Jetronic;
1 – провод «массы» «аккумулятор – кузов»;
6 – провод «массы» «аккумулятор-кузов»
Схема системы зажигания и реле топливного насоса
Ауди 100
G – датчик указателя уровня топлива;
G6 – электрический топливный насос;
G40 – датчик Холла;
J17 – реле топливного насоса;
N – катушка зажигания
Ауди 100
;
N9 – регулятор нагрева двигателя;
N41 – коммутатор зажигания;
О – распределитель зажигания;
Р – наконечник свечи зажигания;
Q – свеча зажигания; S13 – предохранитель на плате реле;
S22 – предохранитель на плате реле;
Т10–10-контактный разъем (голубой) за панелью приборов;
Т10d – 10-контактный разъем (желтый) за панелью приборов;
83 – соединение с «массой» 1 в переднем жгуте проводов справа;
86 – соединение с «массой» 1 в заднем жгуте проводов
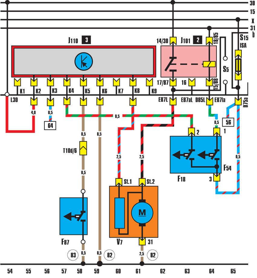
Вентилятор радиатора
Ауди 100
— электросхема
F54 – термовыключатель вентилятора;
F87 – термовыключатель вентилятора после остановки двигателя;
J101 – реле второй скорости вентилятора;
J138 – блок управления вентилятором после остановки двигателя;
S5 – предохранитель в блоке;
S15 – предохранитель в блоке; T10d – 10-контактный разъем (желтый) за панелью приборов;
V7 – электродвигатель вентилятора;
82 – соединение с «массой» 1 в переднем жгуте проводов слева;
83 – соединение с «массой» 1 в переднем жгуте проводов справа
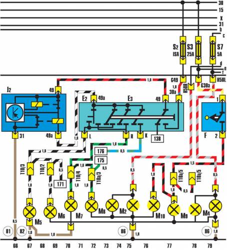
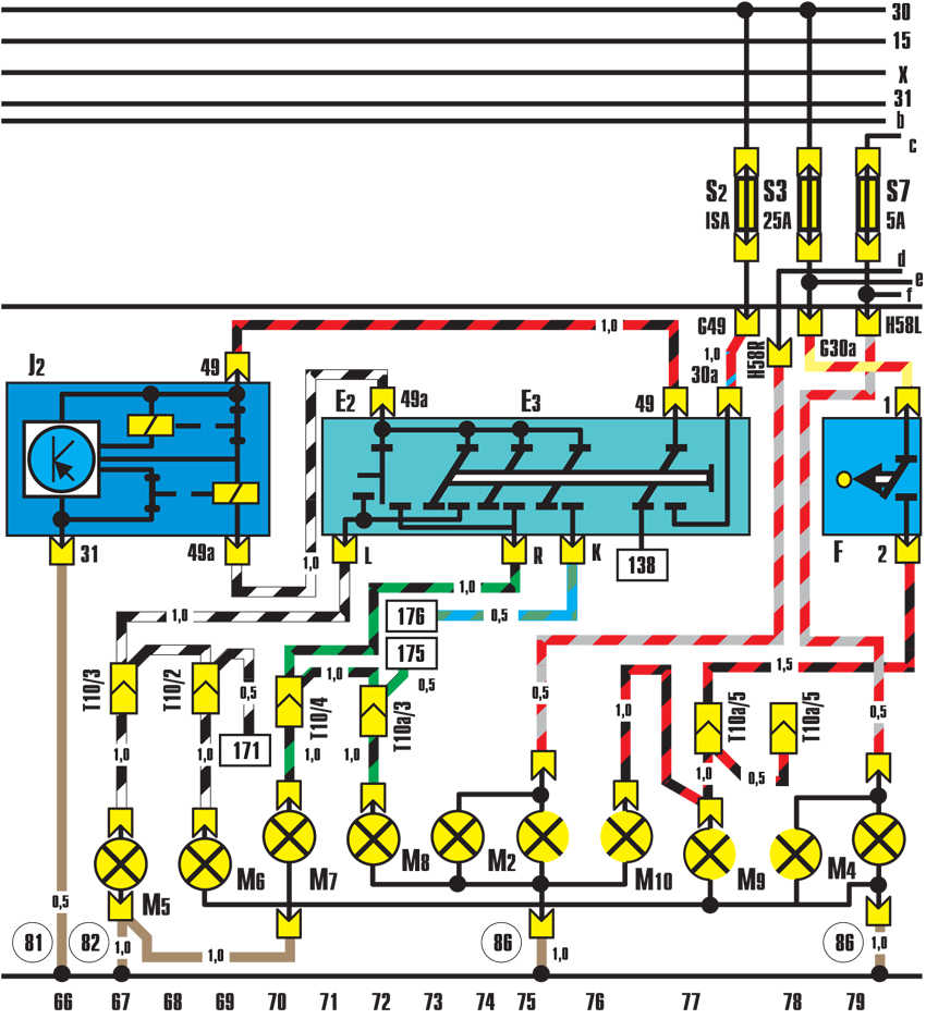
Указатели поворотов, аварийная сигнализация, фонари стоп-сигнала автомобиля
Е2 – переключатель указателей поворотов;
Е3 – выключатель аварийной сигнализации;
F – выключатель фонарей сигналов торможения;
J2 – реле аварийной сигнализации
Ауди 100
;
М2 – лампа правого заднего фонаря;
М4 – лампа левого заднего фонаря;
М5 – лампа левого переднего указателя поворотов;
М6 – лампа левого заднего указателя поворотов;
М7 – лампа правого переднего указателя поворотов;
М8 – лампа правого заднего указателя поворотов;
М9 – лампа левого сигнала торможения; М10 – лампа правого сигнала торможения;
S2 – предохранитель в блоке;
S3 – предохранитель на плате реле;
S7 – предохранитель в блоке;
5а – 5-контактный разъем (коричневый) за панелью приборов;
Т10–10-контактный разъем (голубой) за панелью приборов;
81 – соединение с «массой» 1 в жгуте проводов панели приборов;
82 – соединение с «массой» 1 в переднем жгуте проводов слева;
86 – соединение с «массой» 1 в заднем жгуте проводов;
Т10а – 10-контактный разъем (коричневый) за панелью приборов
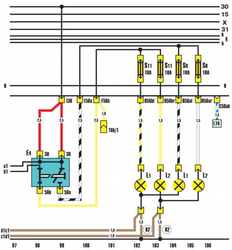
Схема выключателя указателей поворотов, габаритных огней и фар
Е4 – выключатель аварийной сигнализации;
L1 – двухнитевая лампа левой фары
Ауди 100
;
L2 – двухнитевая фара правой фары;
S8-S11 – предохранители на плате реле;
T6k – 6-контактный разъем (черный) за
панелью приборов; 82 – соединение с «массой» 1 в переднем жгуте проводов;
6 – провод «массы» «двигатель-генератор»
Фонари заднего хода, освещение панели приборов, моторного отсека Ауди 100
F4 – выключатель фонарей заднего хода
(3221);
F15 – выключатель на коробке передач (1-я
передача в 5-ступенчатой коробке передач);
L28 – лампа освещения прикуривателя;
М16 – лампа левого фонаря заднего хода;
М17 – лампа правого фонаря заднего хода;
S12 – предохранитель в блоке
Ауди 100
;
S14 – предохранитель в блоке;
Т3–3-контактный разъем (коричневый) рядом с электродвигателем стеклоочистителей;
Т5а – 5-контактный разъем (коричневый)
за панелью приборов;
Т6–6-контактный разъем (красный) за панелью приборов;
Т6а – 6-контактный разъем (черный) за панелью приборов;
Т10а – 10-контактный разъем (коричневый) за панелью приборов;
Т10b – 10-контактный разъем (коричневый) за панелью приборов; W6 – плафон освещения вещевого ящика;
Х – лампа освещения номерного знака;
Z20 – терморезистор левого распылителя стеклоомывателя;
Z21 – терморезистор правого распылителя стеклоомывателя;
81 – соединение с «массой» 1 в жгуте проводов панели приборов;
83 – соединение с «массой» 1 в переднем жгуте проводов справа;
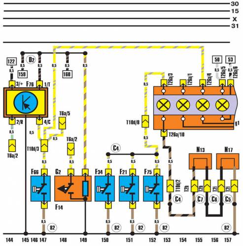
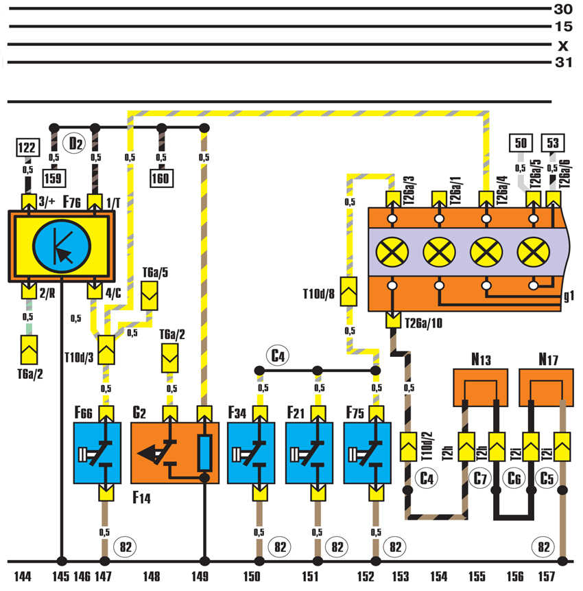
Контрольные лампы охлаждающей жидкости и износа тормозных колодок — схемы
F14 – датчик перегрева охлаждающей жидкости;
F21 – датчик усилителя тормозов
Ауди 100
;
F34 – датчик уровня тормозной жидкости;
F66 – датчик уровня охлаждающей жидкости;
F75 – датчик давления масла в гидросистеме;
F76 – электронный термовыключатель;
G2 – датчик указателя температуры охлаждающей жидкости;
К3 – контрольная лампа давления масла;
К28 – контрольная лампа температуры охлаждающей жидкости;
К32 – контрольная лампа износа
тормозных колодок;
К66 – контрольная лампа неисправности блока электронного зажигания;
N13 – датчик износа тормозной колодки слева;
N17 – пусковая форсунка;
T2h – 2-контактный разъем (левая амортизаторная стойка);
T2i – 2-контактный разъем (правая амортизаторная стойка); T6a – 6-контактный разъем (черный) за панелью приборов;
Т10d – 10-контактный разъем (желтый) за панелью приборов;
Т26а – 26-контактный разъем (коричневый) в корпусе панели приборов;
82 – соединение с «массой» 1 в переднем жгуте проводов слева;
Схема панели приборов Ауди 100
Е20 – регулятор освещения панели
приборов;
К1 – контрольная лампа фар;
К6 – контрольная лампа аварийной сигнализации;
К64 – контрольная лампа правого указателя поворотов;
К65 – контрольная лампа левого указателя поворотов;
L8 – лампа освещения часов; L10 – лампа освещения панели приборов;
Т4d – 4-контактный разъем на корпусе панели приборов;
Т26–26-контактный разъем (черный) на корпусе панели приборов;
Т26а – 26-контактный разъем (коричневый) на корпусе панели приборов;
Y2 – электронные часы Ауди 100.








