Новая модель четвертого поколения BMW 3 (E46) 1998 — 2006 г.в. Позже появилась модель 320d (турбодизель), разгоняющаяся до 100 км/ч за 9.9 с. Благодаря увеличенным на 60 мм колее и на 30 мм колесной базе Седан весьма устойчив, однако это повлекло за собой модернизацию подвески. Обновлен и салон, который оборудуют шестью вспомогательными подушками безопасности. Годом позже дебютировали двухдверные Купе 323 Ci и 328 Ci. Конструкторам удалось зрительно облегчить изначально довольно массивный кузов, сохранив «тонкие” средние стойки. Стекла дверей оформлены на американский манер — без рамок. Задние боковые стекла не опускаются, а лишь немного поворачиваются. Задние сиденья для увеличения пространства багажника можно сложить, рулевое колесо и рычаг КПП обтянуты кожей. Вершина модельного ряда 3-й серии — Купе М3 с двигателем 342 л. с.
Список аббревиатур на схемах на БМВ 3
Русские
АТ
Автоматическая трансмиссия
ВЧ
Высокочастотный
ГТЦ
Главный тормозной цилиндр
Д/В
Датчик-выключатель
И/П Источник питания
К/В Кондиционер воздуха
К/Л Контрольная лампа
М/Т РКПП
НЧ Низкочастотный
ПР-ЛЬ Предохранитель
ПР. Предохранитель
РКПП Ручная коробка переключения передач
СЧ Среднечастотный
Х/Х Холостой ход
Э/М Электромагнитный
Латинские
А/Т
АТ
CANADA
Канада
CCM
Контрольный модуль управления
CKP
Датчик положения коленчатого вала
CMP Датчик положения распределительного вала
CYL Цилиндр
DATA Данные
DLC Диагностический разъем
DME Цифровой блок управления дизельным двигателем
DRL Ходовые огни светлого времени суток
EGR (Система) рециркуляции отработавших газов
EML Контрольная лампа «Проверьте двигатель”
EVAP (Система) улавливания топливных испарений
HIFI Класс качества звуковоспроизведения
IAT (Датчик) температуры всасываемого воздуха
М/Т РКПП
TPS Датчик положения дроссельной заслонки
SRS Система дополнительной безопасности (подушки безопасности)
US США
VSS Датчик скорости автомобиля
Выключатель зажигания
OFF START
LOCK Блокировка рулевой колонки
ACC Стояночное
ON Включено
START Запуск
Положения переключателя управления функционированием темпостата
NORMAL Нормальное
ACCELERATE/SET Ускорение/Установка
RESUME Возврат
OFF Выкл
DECELERATE/SET Торможение/установка
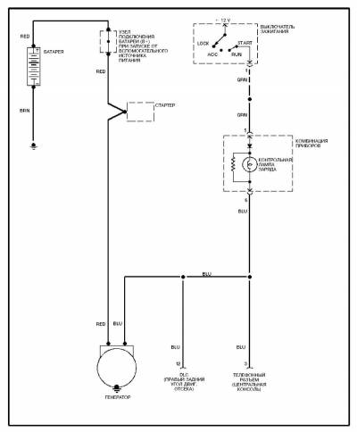
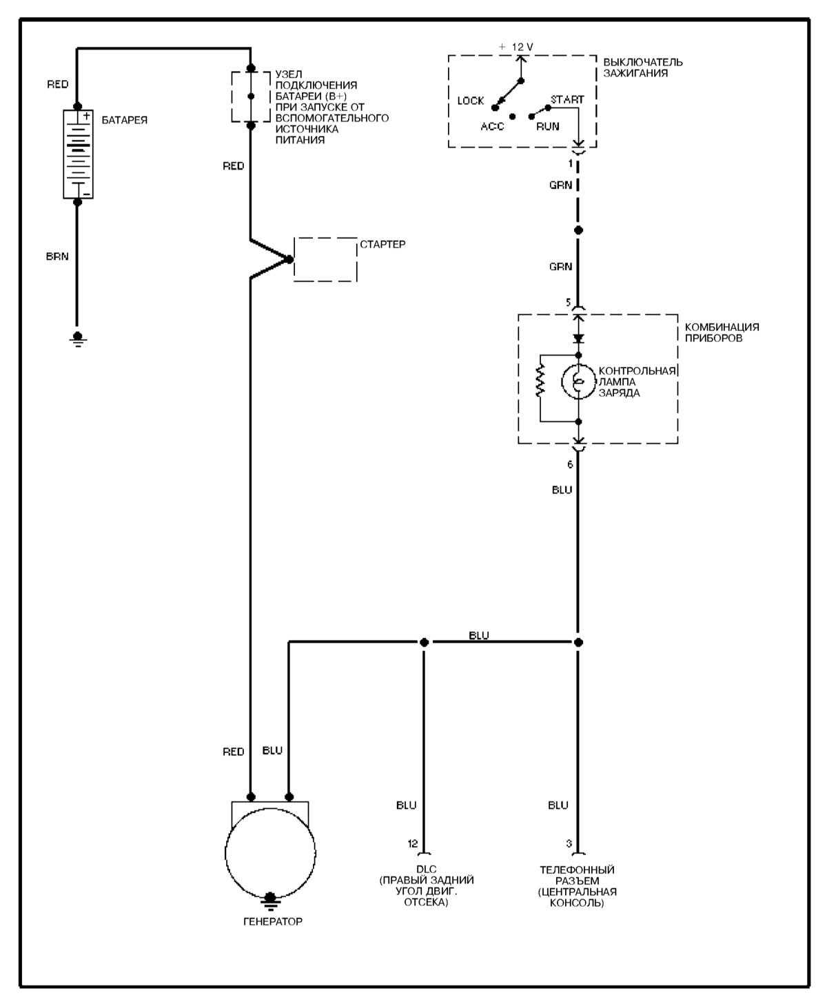
Схема системы заряда
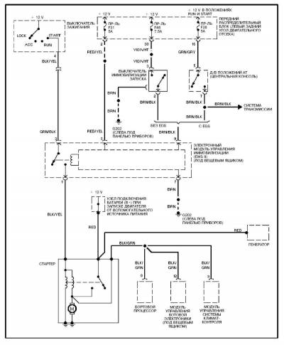
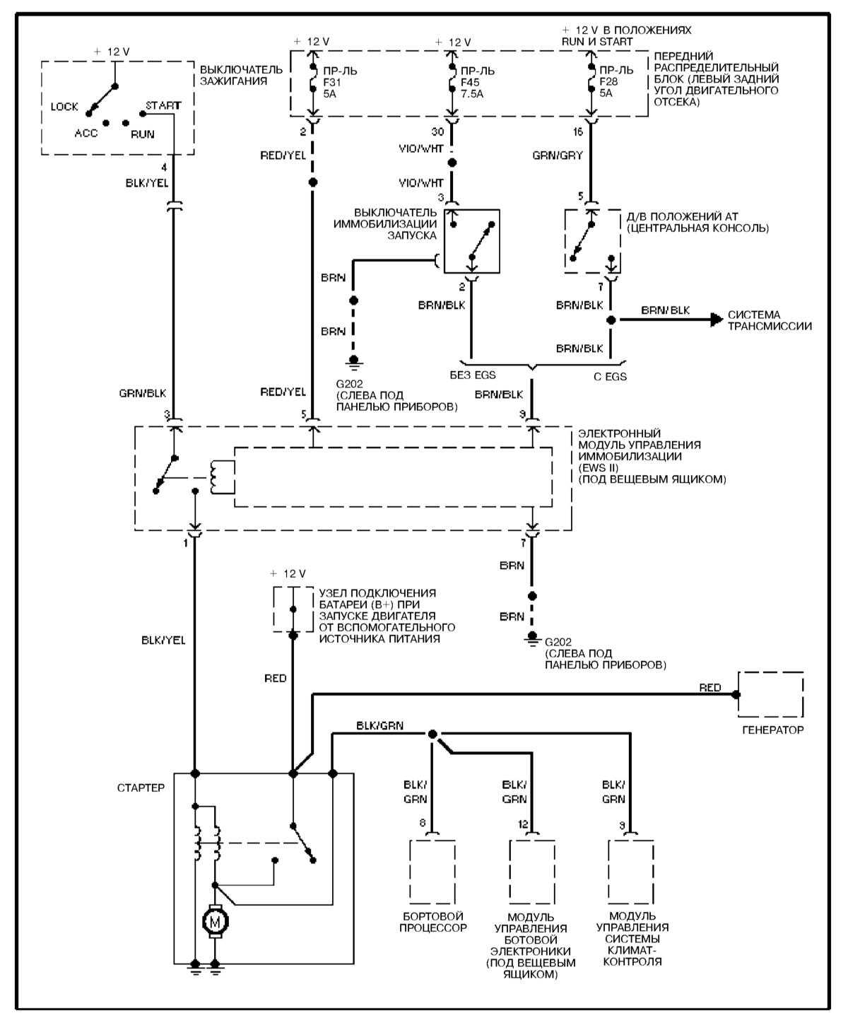
Эл.схема системы запуска
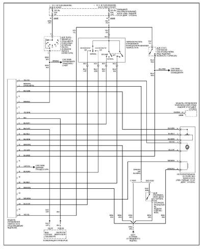
Модуль бортового процессора — схема
Эл.схема цепи бортового процессора на BMW 3
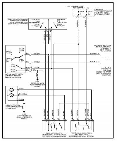
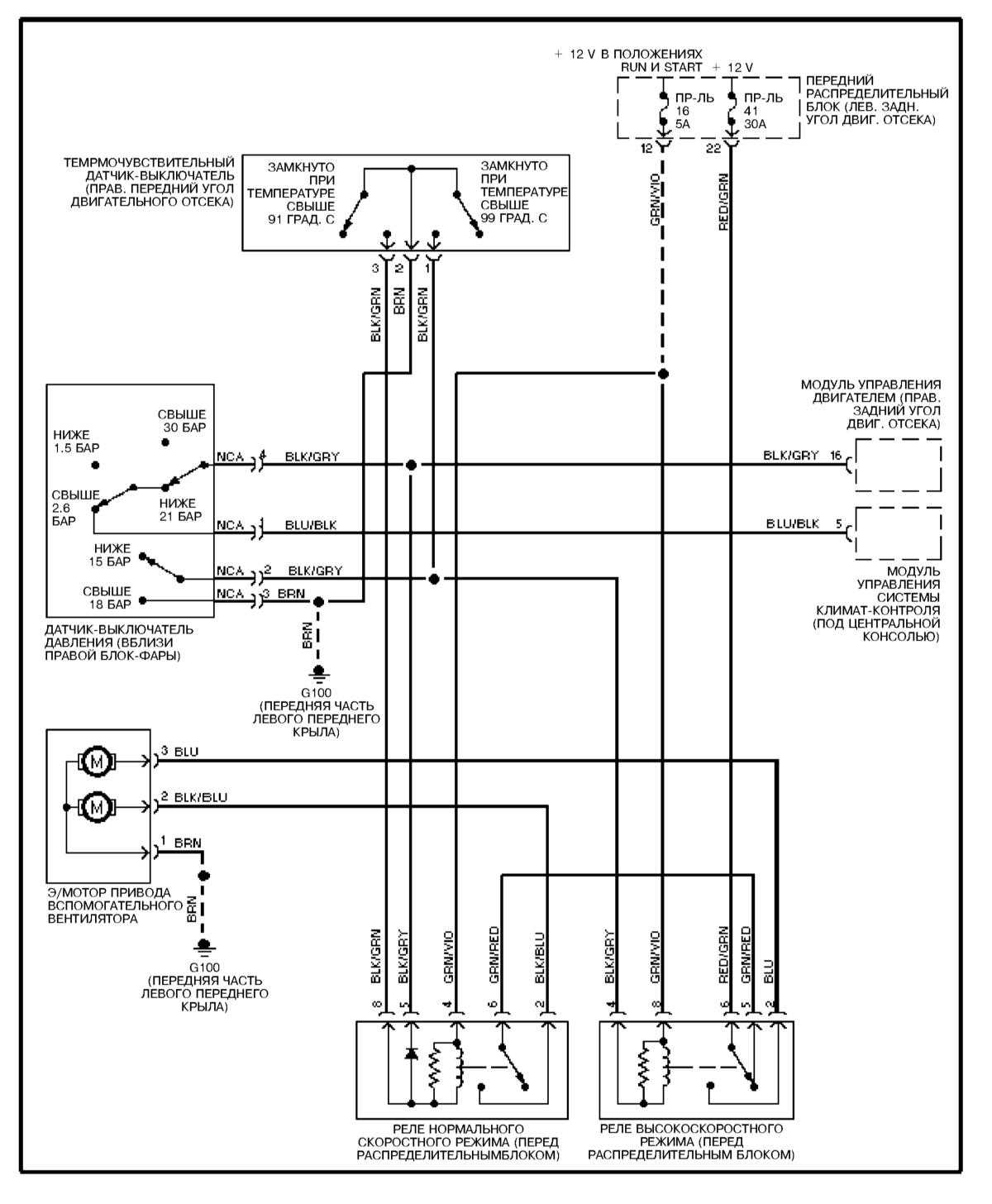
Вентилятор системы охлаждения — эл.схема
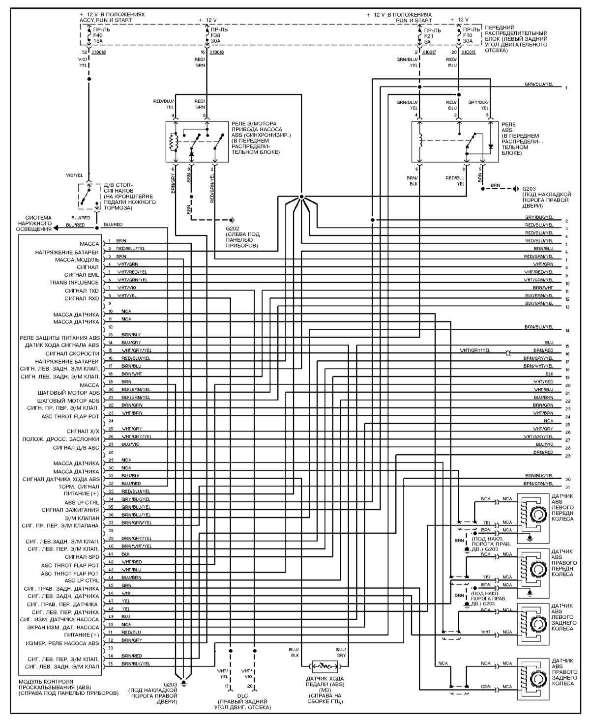
Система антиблокировки тормозов на БМВ 3
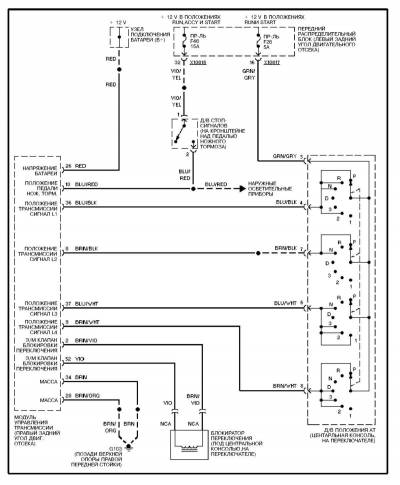
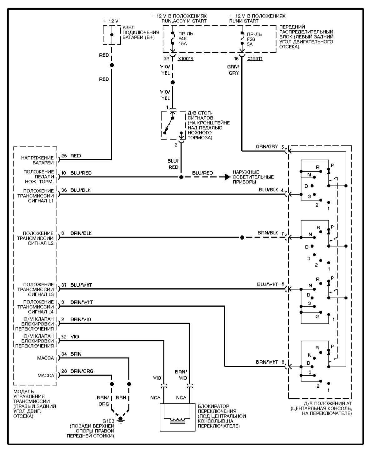
Блокировка переключения передач — схемп на BMW 3
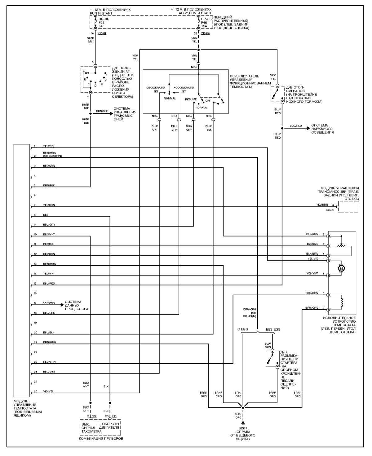
Схема системы управления скоростью
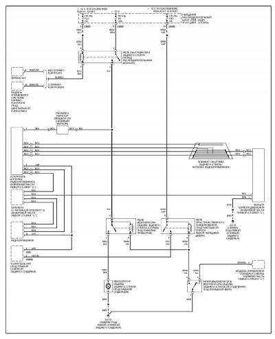
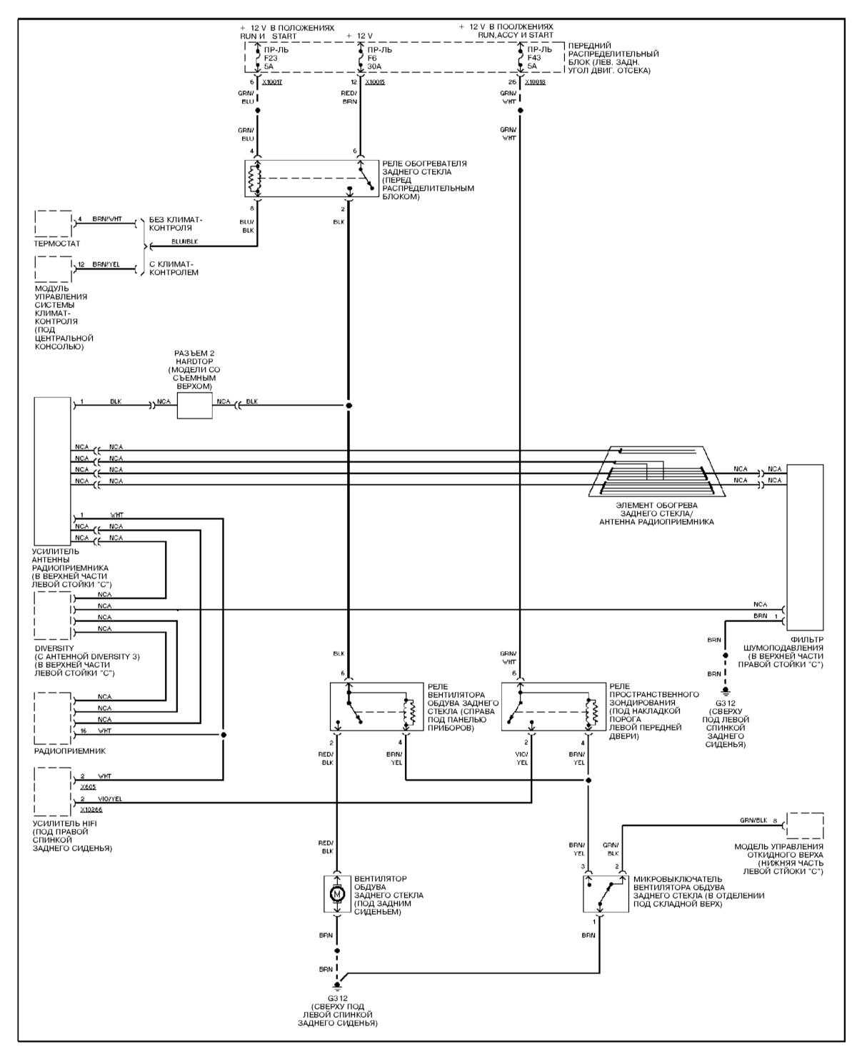
Обогреватели стекол — эл.схема на БМВ 3
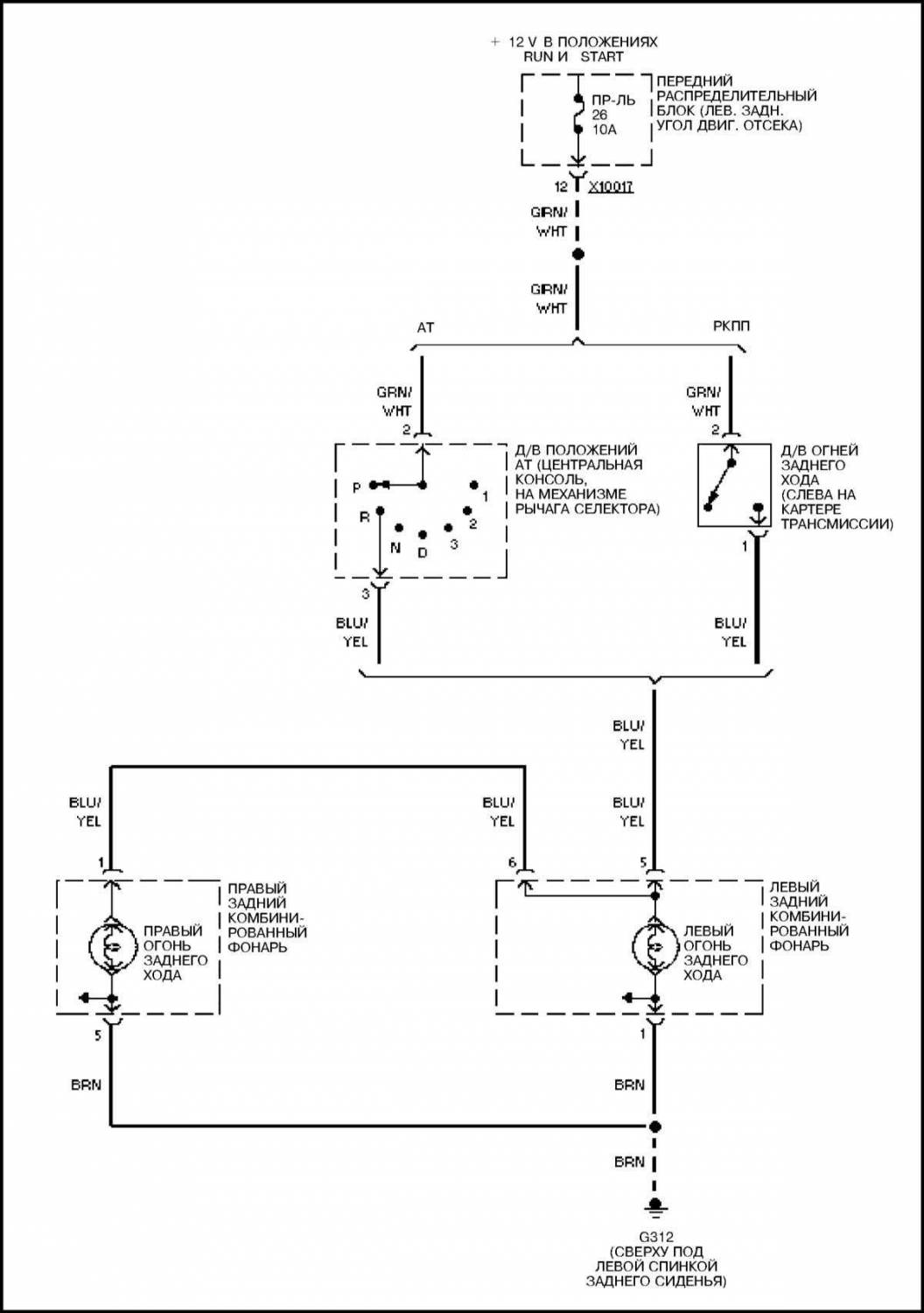
Эл.схема огней заднего хода на BMW 3










