Вашему вниманию представляются электросхемы оборудования на ВАЗ-1111, она же ОКА 1988-2003 г.в. 4-местный хэтчбек особо малого класса с поперечным расположением двигателя и приводом на передние колеса. Выпуск Оки начат в 1989 году на Волжском автомобильном заводе. Двигатель — двухцилиндровый рабочим объемом 650 куб.см., в 1997 году увеличен до 750 куб.см. объем. В настоящее время пролизводство автомобилей Ока передано Камскому автомобильному заводу, а также Серпуховскому автозаводу. Кроме базовых моделей КамАЗ-11113 и СеАЗ-11113, предлагаются варианты с ручным управлением, предназначенные для инвалидов. Благодаря очень низкой цене, представляет интерес для экспорта. Эта небольшая машина, была разработана на Волжском автозаводе для «корпоративного» выпуска на трех заводах — ВАЗ, КамАЗ и СеАЗ — в инвалидном варианте, и выпускается с 1990 года.
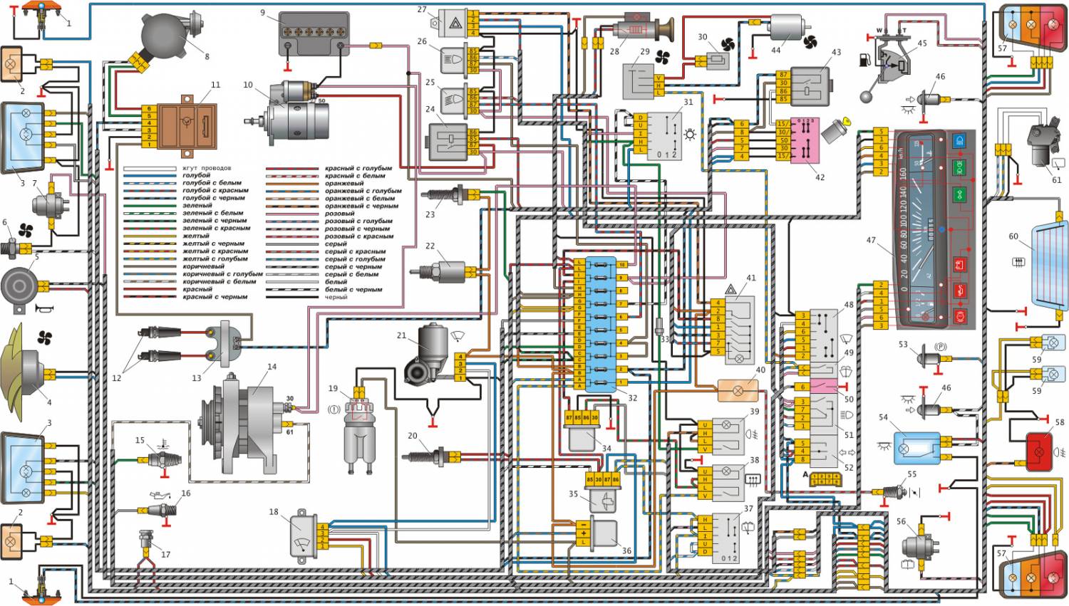
Схема электрооборудования на ОКА
1 – боковой повторитель указателя поворота 31 – выключатель наружного освещения
2 – передний указатель поворота 32 – блок предохранителей
3 – фара 33 — предохранитель цепи противотуманного фонаря
4 — электродвигатель вентилятора системы охлаждения 34 – реле включения обогрева заднего стекла
5 – звуковой сигнал 35 — реле включения электродвигателя вентилятора системы охлаждения
6 – датчик включения электродвигателя вентилятора 36 — реле-прерыватель контрольной лампы включения стояночного тормоза
7 — электродвигатель омывателя ветрового стекла 37 — выключатель очистителя и омывателя заднего стекла
8 – датчик момента искрообразования 38 – выключатель обогрева заднего стекла
9 – аккумуляторная батарея 39 — выключатель заднего противотуманного фонаря
10 – стартер 40 — контрольная лампа прикрытия воздушной заслонки карбюратора
11 – коммутатор 41 – выключатель аварийной сигнализации
12 – свечи зажигания 42 – выключатель зажигания
13 – катушка зажигания 43 – реле зажигания
14 – генератор 44 – электродвигатель вентилятора отопителя
15 — датчик указателя температуры охлаждающей жидкости 45 – датчик указателя уровня топлива
16 — датчик контрольной лампы недостаточного давления масла 46 – выключатель плафона в стойке двери
17 – розетка для переносной лампы 47 – комбинация приборов
18 – реле стеклоочистителя 48 — переключатель очистителя ветрового стекла
19 – датчик уровня тормозной жидкости 49 – выключатель омывателя ветрового стекла
20 – выключатель сигнала торможения 50 – выключатель звукового сигнала
21 — электродвигатель очистителя ветрового стекла 51 – переключатель света фар
22 – электромагнитный клапан карбюратора 52 – переключатель указателей поворота
23 – выключатель света заднего хода 53 — выключатель контрольной лампы включения стояночного тормоза
24 – реле включения стартера 54 – плафон освещения салона
25 – реле включения ближнего света фар 55 — выключатель контрольной лампы прикрытия воздушной заслонки карбюратора
26 – реле включения дальнего света фар 56 — электродвигатель омывателя стекла задней двери
27 — реле-прерыватель аварийной сигнализации и указателей поворота 57 – задний фонарь
28 – прикуриватель 58 – задний противотуманный фонарь
29 – переключатель вентилятора отопителя 59 – фонарь освещения номерного знака
30 — дополнительный резистор электродвигателя отопителя 60 – элемент обогрева стекла задней двери
61 — электродвигатель очистителя стекла задней двери
А – порядок нумерации контактов в соединительных колодках

