Здесь рассмотренны схемы электрооборудования на ГАЗ 3110 1996-2004 г.в. Внешними отличительными чертами были новые крылья, форма крыши, капот, фартуки, решётка радиатора. Прежними остались лишь двери. Первое время автомобили ГАЗ 3110 оснащались узкими чёрными бамперами, а уже с 2000 года они были заменены новыми современными бамперами, которые стали окрашиваться в цвет кузова. Они придавали автомобилю более внушительный вид за счёт дополнительных объёмов. Отличительной особенностью была и крышка багажника, которая открывалась от самого бампера для того, чтобы облегчить погрузку вещей в багажное отделение. В 2001 году автомобили стали окрашивать и грунтовать по новой системе, что позволило увеличить срок службы кузова. Существовала и специальная версия ГАЗ 3110 для служб такси, которая обладала специальной раскраской, подготовкой под таксометр и отделкой салона из легкомоющихся материалов.
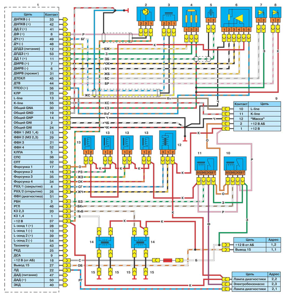
Схема системы зажигания на Волга 3110
1 – блок управления М 1.5.4 двигателем 9 – разъем диагностики
2 – датчик фазы 10 – реле системы управления двигателем
3 – датчик частоты вращения и синхронизации 11 – реле топливного насоса
4 – датчик положения воздушной дроссельной заслонки 12 – регулятор холостого хода
5 – датчик детонации 13 – форсунка
6 – датчик массового расхода воздуха 14 – катушка зажигания
7 – датчик температуры охлаждающей жидкости 15 – свеча зажигания
8 – датчик температуры воздуха во впускной трубе
Электросхема оборудования ГАЗ-3110 с двигателем ЗМЗ-4062
1 – указатель поворота 46 – комбинация приборов
2 – фара 47 – спидометр
3 – противотуманная фара 48 – тахометр
4 – звуковой сигнал 49 – вольтметр
5 – боковой повторитель 50 – контрольная лампа разряда аккумуляторной батареи
6 – замок зажигания 51 – лампа подсветки приборов
7 – блок предохранителей в моторном отсеке 52 – контрольная лампа правого поворота
8 – генератор 53 – контрольная лампа левого поворота
9 – штепсельная розетка 54 – контрольная лампа стояночного тормоза
10 – подкапотная лампа 55 – контрольная лампа обогрева сидений
11 – аккумуляторная батарея 56 – контрольная лампа габаритного света
12 – датчик включения электровентилятора 57 – контрольная лампа дальнего света фар
13 – электровентилятор 58 – контрольная лампа падения уровня тормозной жидкости
14 – реле звукового сигнала 59 – контрольная лампа КМСУД
15 – левый блок предохранителей 60 – указатель температуры охлаждающей жидкости
16 – выключатель звукового сигнала 61 – указатель уровня топлива
17 – датчик падения уровня тормозной жидкости 62 – контрольная лампа резерва топлива
18 – реле включения фар 63 – контрольная лампа перегрева охлаждающей жидкости
19 – стартер 64 – указатель давления масла
20 – реле стартера 65 – контрольная лампа аварийного падения давления масла
21 – центральный переключатель света 66 – дублирующая контрольная лампа
22 – выключатель сигнала торможения 67 – выключатель плафона передней двери
23 – выключатель света заднего хода 68 – плафон освещения салона
24 – переключатель стеклоочистителя 69 – выключатель плафона задней двери
25 – электронасос стеклоомывателя 70 – прерыватель контрольной лампы стояночного тормоза
26 – электродвигатель стеклоочистителя 71 – выключатель контрольной лампы стояночного тормоза
27 – реле стеклоочистителя 72 – фонарь освещения багажного отделения
28 – реле электровентилятора 73 – элемент обогрева заднего стекла
29 – радиоприемник 74 – выключатель обогрева жиклеров стеклоомывателя
30 – электродвигатель антенны 75 – реле обогрева сидений
31 – переключатель антенны 76 – выключатель обогрева сидений
32 – лампа освещения вещевого ящика 77 – элементы обогрева сидений
33 – выключатель лампы освещения вещевого ящика 78 – датчик контрольной лампы перегрева охлаждающей жидкости
34 – реле противотуманных фар 79 – датчик указателя температуры охлаждающей жидкости
35 – выключатель противотуманных фар 80 – датчик контрольной лампы аварийного падения давления масла
36 – выключатель ламп заднего противотуманного света 81 – датчик указателя давления масла
37 – реле обогрева заднего стекла 82 – топливный насос
38 – переключатель обогрева заднего стекла 83 – датчик указателя уровня топлива
39 – переключатель вентилятора отопителя 84 – выключатель системы диагностики контрольных ламп комбинации приборов
40 – прикуриватель 85 – жиклеры стеклоомывателя с электрообогревом
41 – правый блок предохранителей 86 – задний фонарь на крыле
42 – датчик спидометра 87 – задний фонарь на крышке багажного отделения
43 – выключатель аварийной сигнализации 88 – дополнительный сигнал торможения
44 – реле-прерыватель указателей поворота 89 – фонарь освещения номерного знака
45 – переключатель указателей поворота 90 – электродвигатель вентилятора отопителя
Отличие двигателя ЗМЗ-402 от двигателя ЗМЗ-4062 — системой зажигания
Эл.схема оборудования Волга-3110 с двигателем ЗМЗ-402
1 – указатель поворота 48 – реле-прерыватель указателей поворота
2 – фара 49 – выключатель аварийной сигнализации
3 – противотуманная фара 50 – датчик спидометра
4 – звуковой сигнал 51 – комбинация приборов
5 – боковой повторитель 52 – спидометр
6 – свеча зажигания 53 – тахометр
7 – распределитель зажигания 54 – вольтметр
8 – транзисторный коммутатор 55 – контрольная лампа разряда аккумуляторной батареи
9 – замок зажигания 56 – лампа подсветки приборов
10 – электродвигатель стеклоочистителя 57 – контрольная лампа правого поворота
11 – реле стеклоочистителя 58 – контрольная лампа левого поворота
12 – электродвигатель насоса стеклоомывателя 59 – контрольная лампа стояночного тормоза
13 – переключатель стеклоочистителя 60 – контрольная лампа обогрева сидений
14 – выключатель системы ЭПХХ 61 – контрольная лампа габаритного света
15 – электромагнитный клапан ЭПХХ 62 – контрольная лампа дальнего света фар
16 – блок управления ЭПХХ 63 – контрольная лампа падения уровня тормозной жидкости
17 – катушка зажигания 64 – указатель температуры охлаждающей жидкости
18 – блок предохранителей в моторном отсеке 65 – указатель уровня топлива
19 – стартер 66 – контрольная лампа резерва топлива
20 – реле стартера 67 – контрольная лампа перегрева охлаждающей жидкости
21 – генератор 68 – указатель давления масла
22 – регулятор напряжения 69 – контрольная лампа аварийного падения давления масла
23 – датчик падения уровня тормозной жидкости 70 – дублирующая контрольная лампа
24 – реле включения фар 71 – выключатель плафона передней двери
25 – центральный переключатель света 72 – плафон освещения салона
26 – выключатель сигнала торможения 73 – выключатель плафона задней двери
27 – выключатель света заднего хода 74 – датчик указателя давления масла
28 – выключатель звукового сигнала 75 – датчик контрольной лампы аварийного падения давления масла
29 – аккумуляторная батарея 76 – датчик контрольной лампы перегрева охлаждающей жидкости
30 – штепсельная розетка 77 – датчик указателя температуры охлаждающей жидкости
31 – подкапотная лампа 78 – элементы обогрева сидений
32 – левый блок предохранителей 79 – выключатель обогрева сидений
33 – реле звукового сигнала 80 – реле обогрева сидений
34 – радиоприемник 81 – выключатель обогрева жиклеров стеклоомывателя
35 – выключатель лампы освещения вещевого ящика 82 – прерыватель контрольной лампы стояночного тормоза
36 – лампа освещения вещевого ящика 83 – выключатель контрольной лампы стояночного тормоза
37 – электродвигатель антенны 84 – фонарь освещения багажного отделения
38 – переключатель антенны 85 – элемент обогрева заднего стекла
39 – реле противотуманных фар 86 – электродвигатель вентилятора отопителя
40 – выключатель противотуманных фар 87 – задний фонарь на крыле
41 – выключатель ламп заднего противотуманного света 88 – задний фонарь на крышке багажного отделения
42 – реле обогрева заднего стекла 89 – фонарь освещения номерного знака
43 – переключатель обогрева заднего стекла 90 – дополнительный сигнал торможения
44 – переключатель вентилятора отопителя 91 – жиклеры стеклоомывателя с электрообогревом
45 – прикуриватель 92 – выключатель системы диагностики контрольных ламп комбинации приборов
46 – правый блок предохранителей 93 – датчик указателя уровня топлива
47 – переключатель указателей поворота 94 – датчик контрольной лампы приоткрытия воздушной заслонки карбюратора




