Схема электрооборудования на такое авто как ВАЗ-2170 Lada Priora 2004+ г.в. Автомобиль Lada Priora оснащают расположенным поперек моторного отсека инжекторным 16-клапанным двигателем мод. ВАЗ-21126-00 рабочим объемом 1,6 л. Двигатель оснащен системой распределенного впрыска топлива и каталитическим нейтрализатором отработавших газов, конструктивно выполненным в едином блоке с выпускным коллектором (катколлектор). Кузов несущий, цельнометаллический, сварной конструкции, c навесными дверьми, передними крыльями, капотом и крышкой багажника.
Схема соединения жгута панели приборов
1, 2, 3 — колодки жгута панели приборов к жгуту переднему; 4 — колодка жгута панели приборов к жгуту заднему; 5 — контакты колодки монтажного блока; 6 — выключатель стоп-сигнала; 7 — комбинация приборов; 8 — модуль управления светотехникой; 9 — модуль подушки безопасности водителя; 10 — выключатель звукового сигнала; 11 — колодка диагностики; 12 — переключатель режимов бортового компьютера; 13 — выключатель (замок) зажигания; 14, 15 — колодки к блоку управления электроусилителем; 16 — контроллер электропакета; 17 — переключатель световой сигнализации; 18 — переключатель стеклоочистителя и стеклоомывателя; 19 — моторедуктор распределения воздушного потока; 20 — блок управления отопителем; 21 — переключатель электродвигателя отопителя; 22 — выключатель обогрева заднего стекла; 23 — часы; 24, 25 — колодки жгута панели приборов к радиоаппаратуре; 26 — выключатель аварийной сигнализации; 27 — плафон освещения вещевого ящика; 28 — выключатель освещения вещевого ящика; 29 — колодка жгута панели приборов к жгуту электронной системы управления двигателем; 30 — блок управления системой подушек безопасности; А1, А2, A3 — точки заземления жгута панели приборов; Б — колодка монтажного блока
Электросхема соединения переднего жгута проводов автомобиля
1 — стартер; 2 — аккумуляторная батарея; 3 — генератор; 4 — колодки жгута аккумуляторной батареи, стартера и жгута переднего; 5, 6, 7 — колодки жгута переднего к жгуту панели приборов; 8 — выключатель подкапотной лампы; 9 — левая фара; 10 — правая фара; 11 — датчик уровня тормозной жидкости; 12 — датчик температуры воздуха; 13 — электродвигатель омывателей; 14 — выключатель лампы света заднего хода; 15 — электровентилятор двигателя; 16 — моторедуктор заслонки отопителя; 17 — добавочный резистор; 18 — электродвигатель стеклоочистителя; 19 — основной блок предохранителей; 20 — электродвигатель отопителя; 21- тревожный сигнал; 22 — звуковой сигнал; А1, А2, В1, В2 — точки заземления жгута переднего
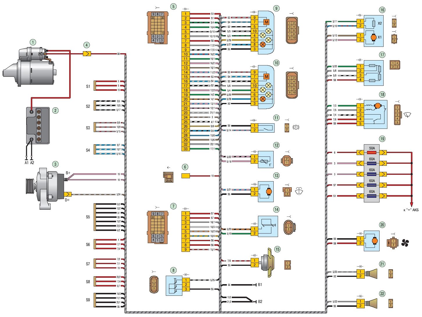
Эл.схема соединения жгута электронной системы управления двигателем на Лада Приора
1 — ЭБУ; 2 — колодка жгута ЭСУД к жгуту панели приборов; 3 — основной блок предохранителей; 4 — датчик скорости; 5 — датчик неровной дороги; 6 — датчик сигнальной лампы аварийного падения давления масла; 7 — датчик положения дроссельной заслонки; 8 — датчик температуры охлаждающей жидкости; 9 — датчик указателя температуры охлаждающей жидкости; 10 — датчик массового расхода воздуха; 11 — регулятор холостого хода; 12 — реле электробензонасоса; 13 — предохранитель цепи питания электробензонасоса (15 A); 14 — реле зажигания; 15 — предохранитель реле зажигания (15 A); 16 — предохранитель цепи питания ЭБУ (7,5 A); 17 — датчик положения коленчатого вала; 18 — управляющий датчик концентрации кислорода; 19 — датчик фаз; 20 — датчик детонации; 21 — электромагнитный клапан продувки адсорбера; 22 — диагностический датчик концентрации кислорода; 23 — катушки зажигания; 24 — свечи зажигания; 25 — форсунки; 26 — колодка жгута проводов катушек зажигания к жгуту ЭСУД; 27 — колодка жгута ЭСУД к жгуту проводов катушек зажигания; 28 — колодка жгута ЭСУД к жгуту форсунок; 29 — колодка жгута форсунок к жгуту ЭСУД; А — к клемме <плюс> аккумуляторной батареи; В1, В2 — точки заземления жгута системы зажигания; C1 — точка заземления жгута проводов катушек зажигания
Схема соединения заднего жгута проводов автомобиля
1 — колодка жгута проводов заднего к жгуту панели приборов; 2 — колодка жгута проводов заднего к жгуту левой задней двери; 3 — колодка жгута проводов заднего к жгуту правой передней двери; 4 — контроллер электропакета; 5 — боковой указатель поворотов левый; 6 — боковой указатель поворотов правый; 7 — плафон освещения салона; 8 — выключатель контрольной лампы стояночного тормоза; 9 — левый фонарь; 10 — правый фонарь; 11 — датчик температуры воздуха салона; 12, 13, 14, 15 — выключатели плафона освещения салона; 16 — колодка жгута проводов заднего к жгуту левой передней двери; 17 — колодка жгута проводов заднего к жгуту правой задней двери; 18 — колодки жгута заднего к громкоговорителю заднему правому; 19 — колодки жгута заднего к громкоговорителю заднему левому; 20 — прикуриватель; 21 — модуль электробензонасоса; 22 — выключатель освещения багажника; 23 — элемент обогрева заднего стекла; 24 — фонарь освещения багажника; 25 — дополнительный стоп-сигнал; 26 — выключатель привода замка багажника; 27 — колодка жгута проводов заднего к жгуту фонарей освещения номерного знака; 28 — колодка жгута проводов заднего к жгуту правой передней двери; A1, А2, А3, А4 — точки заземления жгута проводов заднего; ХР1, ХР3 — разъемы контроллера электропакета
Электросхема соединения жгута проводов фонарей освещения номерного знака
1 — колодка жгута проводов фонарей освещения номерного знака к жгуту заднему; 2, 3 — фонари освещения номерного знака; 4 — электродвигатель блокировки багажника
Эл.схема соединения жгута проводов левой передней двери
1 — колодка жгута проводов дополнительного заднего левого к жгуту заднему; 2 — колодка жгута проводов дополнительного заднего левого к громкоговорителю переднему левому; 3 — электродвигатель стеклоподъемника; 4 — модуль двери водителя; 5 — электродвигатель блокировки левой передней двери; 6 — электродвигатель и электронагреватель левого наружного зеркала
Схема соединения жгута проводов правой передней двери на Лада Приора
1 — колодка жгута проводов дополнительного заднего правого к жгуту заднему; 2 — колодка жгута проводов дополнительного заднего правого к громкоговорителю переднему правому; 3 — электродвигатель стеклоподъемника; 4 — переключатель стеклоподъемника; 5 — электродвигатель блокировки правой передней двери; 6 — электродвигатель и электронагреватель правого наружного зеркала; 7 — колодка жгута проводов дополнительного заднего правого к жгуту заднему
Электросхема соединения жгута проводов задней двери
1 — колодка жгута проводов дополнительного заднего правого к жгуту заднему; 2 — электродвигатель блокировки правой задней двери








