В данной статье предоставленны электросхемы оборудования на ВАЗ 2115 1997+ г.в. Салон автомобиля ВАЗ-2115 стал более комфортабельным, появилась новая более удобная и совершенная панель приборов, имеющая более обтекаемую и эргономичную форму, кнопочные переключатели с подсветкой и контрольные лампы (т.н. «европанель»), регулируемая рулевая колонка, руль от «десятого» семейства, «консоль» между передними сиденьями. Новая конструкция отопителя обеспечивает эффективный обогрев салона. В стандартную комплектацию входит бортовая система оповещения водителя о закрытии замков дверей, незастегнутых ремнях безопасности, оставленном в замке ключе зажигания, уровне масла и охлаждающей жидкости в двигателе, предельном износе тормозных колодок. Багажное отделение стало более вместительным и удобным, за счет увеличения крышки багажника. Силовые агрегаты аналогичны ВАЗ-21099.
Электросхема соединений жгута проводов бесконтактной системы зажигания
1 – свечи зажигания; 2 – датчик-распределитель зажигания; 3 – катушка зажигания; 4 – коммутатор; 5 – блок управления электромагнитным клапаном карбюратора; 6 – электромагнитный клапан карбюратора; 7 – концевой выключатель карбюратора; 8 – выключатель зажигания; 9 – монтажный блок; 10 – датчик скорости; 11 – электродвигатель вентилятора системы охлаждения двигателя; 12 – датчик включения электродвигателя вентилятора; А — колодки для соединения с передним жгутом проводов; Б — схема условной нумерации штекеров в колодках датчика-распределителя зажигания и датчика скорости; В — к источникам питания; Г — к комбинации приборов (сигнал для тахометра); Е — к комбинации приборов (сигнал для спидометра)
Эл.схема оборудования ВАЗ-2115-20
1 – блок-фары; 2 – противотуманные фары; 3 – датчик температуры воздуха; 4 – электродвигатель вентилятора системы охлаждения двигателя; 5 – колодки, подключаемые к жгуту проводов системы зажигания; 6 – выключатель подкапотной лампы; 7 – колодка для подключения к звуковому сигналу однопроводного типа; 8 – звуковой сигнал; 9 – датчик уровня омывающей жидкости; 10 – датчики износа колодок передних тормозов; 11 – датчик уровня масла; 12 – генератор; 13 – подкапотная лампа; 14 – датчик указателя температуры охлаждающей жидкости; 15 – стартер; 16 – аккумуляторная батарея; 17 – реле включения противотуманных фар; 18 – датчик уровня охлаждающей жидкости; 19 – датчик уровня тормозной жидкости; 20 – выключатель света заднего хода; 21 – моторедуктор очистителя ветрового стекла; 22 – датчик контрольной лампы давления масла; 23 – колодка для подключения к электродвигателю омывателя заднего стекла; 24 – электродвигатель омывателя ветрового стекла; 25 – комбинация приборов; 26 – монтажный блок. Условная нумерация штекеров в колодках: А — колодки блок-фар; В — колодка электробензонасоса; С — колодки монтажного блока, выключателя зажигания, моторедуктора очистителя ветрового стекла; D — плафона освещения салона
Схема соединений стартера 29.3708 на ВАЗ-2115
1 – стартер; 2 – аккумуляторная батарея; 3 – генератор; 4 – монтажный блок; 5 – выключатель зажигания; Р1 – втягивающая обмотка тягового реле; Р2 – удерживающая обмотка тягового реле
Электросхема включения очистителя и омывателя заднего стекла
1 – монтажный блок; 2 – выключатель зажигания; 3 – реле разгрузки выключателя зажигания; 4 – электродвигатель очистителя заднего стекла; 5 – электродвигатель омывателя заднего стекла; 6 – переключатель очистителя и омывателя заднего стекла; А — к источникам питания
Схема задних фонарей автомобилей ВАЗ-2115 и 2114 в сравнении
1 – лампы указателей поворота; 2 – лампы габаритного света; 3 – лампы стоп-сигнала; 4 – лампы противотуманного света; 5 – лампы света заднего хода
Схема соединений монтажного блока на ВАЗ 2115
Наружная цифра в обозначении наконечника провода — номер колодки, а внутренняя цифра — условный номер штекера: К1 – реле включения очистителей фар; К2 – реле-прерыватель указателей поворота и аварийной сигнализации; К3 – реле очистителя ветрового стекла; К4 – реле контроля исправности ламп; К5 – реле включения стеклоподъемников; К6 – реле включения звуковых сигналов; К7 – реле включения обогрева заднего стекла; К8 – реле включения дальнего света фар; К9 – реле включения ближнего света фар; F1-F20 – плавкие предохранители
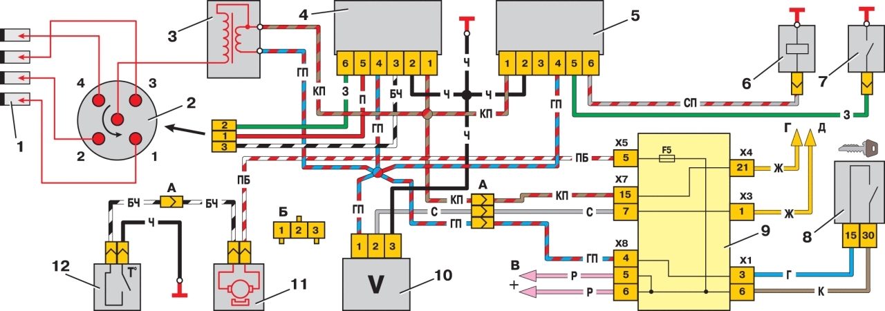
Эл.схема соединений выключателя зажигания (при вставленном ключе)
Схема соединений генератора
1 – аккумуляторная батарея; 2 – генератор; 3 – монтажный блок; 4 – контрольная лампа заряда аккумуляторной батареи, расположенная в комбинации приборов; 5 – выключатель зажигания








