В этой статье вы найдете все цветные схемы электрооборудования на Chevrolet Niva с 2009 г.в. Chevrolet NIVA — автомобиль с постоянным механическим полным приводом. Внедорожный арсенал включает в себя понижающую передачу и принудительную блокировку межосевого дифференциала. Благодаря этому Chevrolet NIVA всегда готова к покорению серьезного бездорожья и уверенно чувствует себя на любом дорожном покрытии.
Схема соединений переднего жгута проводов
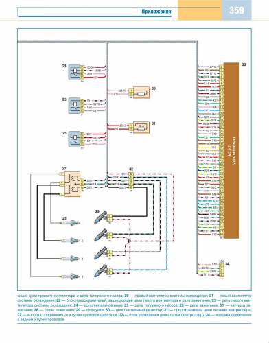
Электросхема соединений жгута проводов системы управления двигателем
Соединение жгута проводов панели приборов — эл.схема
Схема соединений заднего жгута проводов на Нива Шевролет с 2009 г.в.
Эл.схема соединений жгута проводов левой и правой передних дверей
Электросхема соединений жгута проводов: левой и правой задних дверей, двери багажного отделения и обогрева сидений
Схема контактов эл,разьемов
Схема соединений монтажного блока предохранителей и реле












