Для всех автовладельцев и просто любителей своего чуда, представляются цветные схемы электрооборудования на Volvo S80 и V70. Хорошо управляется и держит дорогу, отделка салона очень качественная. 249 лошадей мне хватает «за глаза» по Москве, после небольшого пробега, ест на летней резине 11,7-12 литров бензина, а на зимней 12,8 (в пробках) — это если «не пулять» на нем, одному ехать и без загрузки. В не пробок, расход доходил до 10,8-11,2 литров — как ехать! На мой взгляд, на такую массу и число лошадей — очень достойно… И это не единственный оптимистичный отзыв об этом чуде…
Ключи к символам, блоки предохранителей и места соединений с массой
Схема системы заряда и запуска аккумулятора
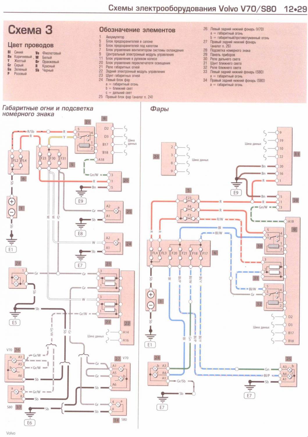
Электросхема габаритных огней, подсветки номерного знака и фар
Эл.схема стоп-сигналов, противотуманных фонарей и фар, фонарей заднего хода, освещения в наружном зеркале заднего вида для Вольво S80
Указатели поворотов и аварийная сигнализация, электрокорректор фар — схема Volvo S80
Электросхема внутреннего освещения салона авто
Для Вольво S80 схема электроборудования — проводка прицепного устройства и омывателя фар
Очиститель и омыватель: лобового стекла, заднего стекла, электрообогрев заднего стела — эл.схема
Схема электропривода зеркал, вентилятора отопителя
Электросхема дополнительного отопителя, подогрева сидений, электрооборудования водительского сидения
Аудио система, электростеклоподьёмники — схема на Вольво S80











