Представляем схемы электрооборудования на Volkswagen Transporter 1990-2000 г.в. Четвертое поколение (Т4) популярнейших пикапов, фургонов Transporter (выпускающихся с 1990 года) кардинально отличается от прежних заднемоторных моделей вагонной компоновки. VW Transporter T4 переднеприводный, а по заказу их оснащают полноприводной трансмиссией Syncro с вискомуфтой, разработанной и производимой австрийской Steyr-Daimler-Push. В комплектации входит гидроусилитель рулевого управления, полный электропакет, установка Climatronik с раздельной регулировкой воздушных потоков и др. Версия Long существует в двух высотах 1940 и 2430 mm.
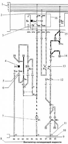
Идентификация электросхем
1. Реле кондиционера (13)
2. Реле дворников заднего стекла с автоматикой интервалов (72)
3. Реле блока управления Digifant (30)
4. Разгрузочное реле контакта X (18)
5. Блок управления указателем недостатка охлаждающей жидкости (42)
6. Реле аварийной сигнализации (21) или реле аварийной сигнализации при вождении с прицепом (22)
7. Реле системы мойки фар (33)
8. Реле автоматики интервалов мойки и очистки стекол (19)
9. Блок управления системы предупреждения о пристегивании ремней безопасности (27, 34)
10. Реле противотуманных фар (53)
11. Реле двухтонального сигнала (53) или штекерная перемычка звукового сигнала
12. Реле подогрева впускного воздуха (1) или реле топливного насоса (80)
13. Реле подогрева впускного воздуха (1) или блока управления автоматикой времени накаливания (102)
14. Блок управления повторными включениями вентилятора радиатора (31) или реле дополнительного включения водяной помпы (53)
15. Предохранитель дополнительного включения водяной помпы
17. Блок управления обогревом сидения водителя (59)
18. Блок управления обогревом соседнего с водителем сидения (59)
19. Реле кондиционера (56)
В скобках позади названия реле указывается число, которое выбито на соответствующем реле
Инструкция по использованию электросхемы
1. Обозначение клеммы, 15: при включенном зажигании приложено напряжение аккумуляторной батареи
2. Внутренне соединения (тонкие штрихи). Эти соединения проводниками не являются. И все же они проводят ток и позволяют проследить направление тока внутри прибора
3. Обозначение контактов на реле/ блоке управления и на релейной плате/ дополнительной релейной плате, например: 17/ 87 – на релейной плате
4. Номер места реле: обозначает место реле на релейной плате или дополнительной релейной плате
5. Поперечное сечение проводника, мм2
6. Цвет проводника соответствует цвету проводника в машине, здесь: зеленый/ белый
7. Обозначение деталей: по легенде находят, как называется условно обозначенный на схеме прибор (здесь – вентилятор охлаждающей жидкости)
8. Обозначенная деталь, условное обозначение которой находится в электроцепи выше 9. Номер электроцепи, для облегчения отыскания прибора в электросхеме
10. «Масса» автомобиля (общий провод системы электропитания)
11. Цифры в кружках обозначают место нахождения или расположения соединений с массой
12. Комбинация букв и цифр обозначает штекерные соединения, здесь Т4 – четырехконтактное штекерное соединение. Расшифровка обозначения штекерного соединения: Т14/12 – означает: 14 – контактное штекерное соединение, 12 – контакт №12 в соединении
13. Схемное обозначение: выключатель фонаря заднего хода
14. Цифры в квадратах обозначают: обрыв проводника и указывают, в какой цепи он продолжается
15. Комбинация букв и цифр на соединениях: указана занятость линии проводниками многоконтактных или отдельных штекерных соединений, например В15а – многоконтактное соединение В, контакт 15а.
16. Поле: обозначает релейную плату с предохранителями
Обозначение элементов в электросхемах
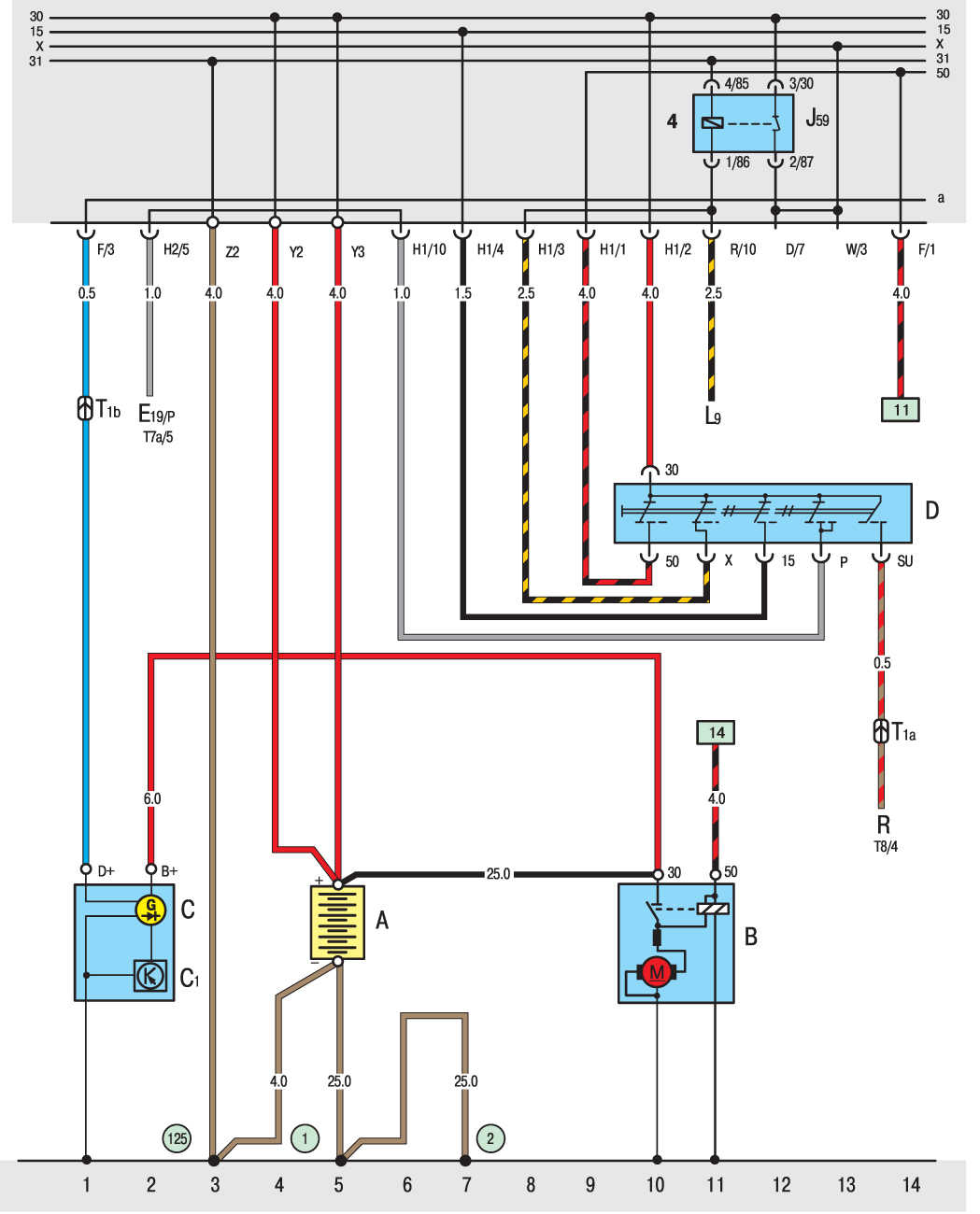
Схема генератора, аккумуляторной батареи, стартера, замка зажигания
А. Аккумуляторная батарея
В. Стартер
С. Генератор
С1. Регулятор напряжения
D. Замок зажигания
Е19. Выключатель стояночного света
J59. Разгрузочное реле Х-контакта
L9. Лампа освещения выключателя
R. Радиоприемник Т1а. 1-контактный разъем
Т1b. 1-контактный разъем на стартер
Т7а. 7-контактный разъем
Т8. 8-контактный разъем
1. Провод масса-аккумуляторная батарея-кузов
2. Провод масса-коробка передач-кузов
125. Соединение жгута проводов масса-фара
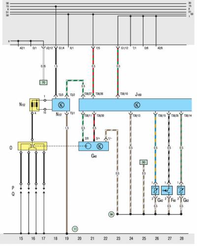
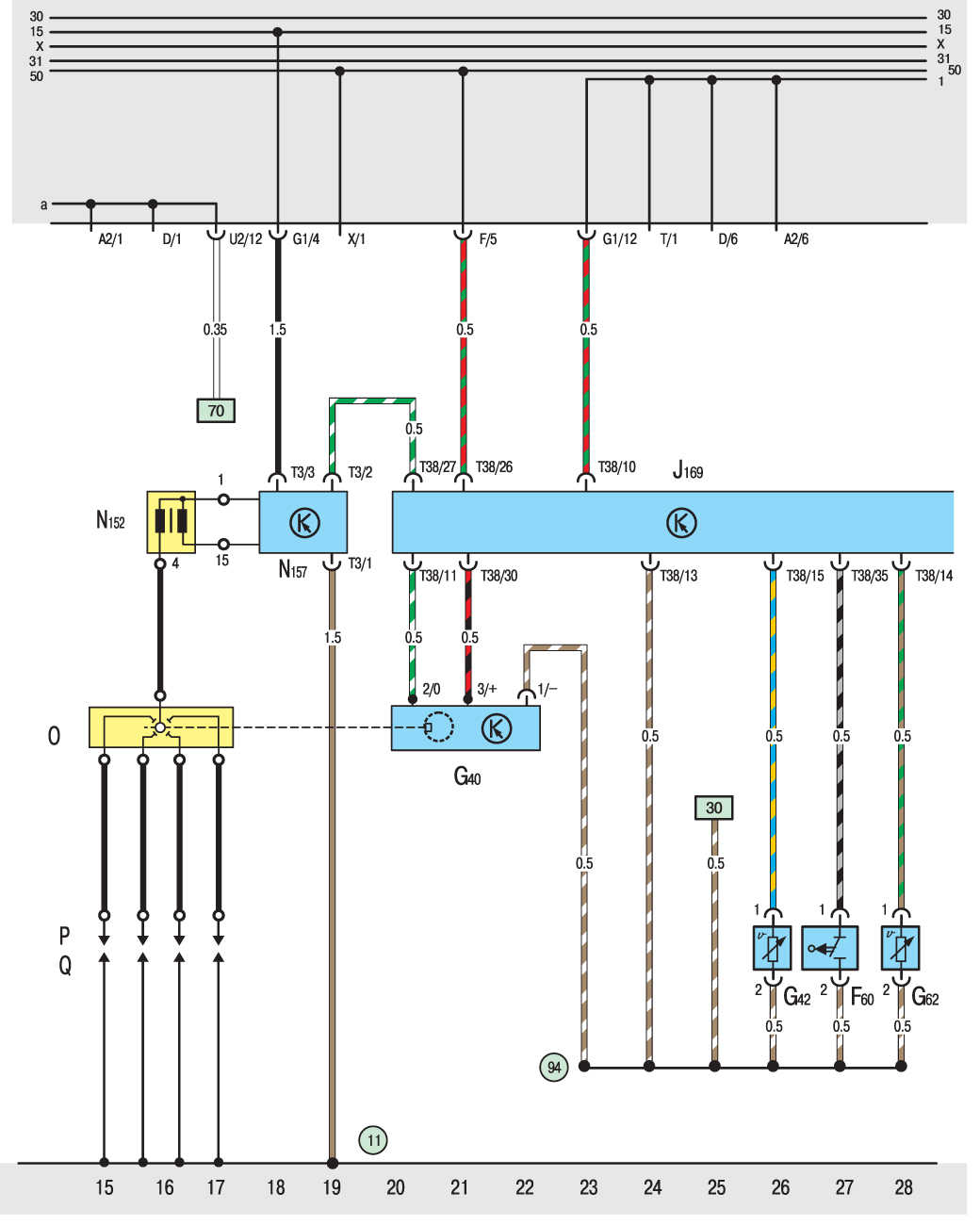
Электросхема система зажигания, блока управления системой впрыска Digifant
F60. Микропереключатель нейтрального положения коробки передач
G40. Датчик Холла
042. Датчик температуры входящего воздуха
G62. Датчик температуры охлаждающей жидкости
J169. Управляющее устройство системы Digifant около аккумулятора
N152. Катушка зажигания
N157. Выходной каскад управления катушкой зажигания О. Распределитель зажигания
Р. Наконечники свечей зажигания
Q. Свечи зажигания
ТЗ. Штекерное соединение на три контакта
Т38. Штекерное соединение на 38 контактов блока управления системы Digifant
11. Точка присоединения к массе около аккумуляторной батареи
94. Точка присоединения к массе жгута проводов к блоку управления системы впрыска Digifant
Блок управления впрыском топлива Digifant, блок самодиагностики — эл.схема
G69. Электромагнитное реле с потенциометром (00518-2212)
J169. Блок управления системы впрыска топлива Digifant
J176. Электронный распределитель системы Digifant
R. Радиоприемник
Т2а. 2-контактное штекерное соединение, сзади слева за панелью приборов*
Т2b. 2-контактное штекерное соединение, сзади слева за панелью приборов*
Т2с. 2-контактное штекерное соединение, сзади слева за панелью приборов
Т2х. 2-контактное (черное) штекерное соединениие с релейной платой и блоком самодиагностики, сзади блока T2z. 2-контактное (белое) штекерное соединение с релейной платой и блоком самодиагностики, сзади блока
Т38. 38-контактный разъем к блоку управления системы Digifant
W. Плафон в салоне
18. Соединение массы с блоком двигателя
29. Соединение массы с аккумуляторной батареей
30. Соединение массы с релейной платой
159. Соединение массы в моторном отделении автомобиля
Н20. 1-соединение проводов блока диагностики
Н21. 2-соединение проводов блока диагностики
* относится только к автомобилям, оснащенных электронным блоком самодиагностики
Эл.схема щитка приборов: контрольные приборы
F1. Датчик давления масла
F22. Датчик давления масла (0,3 бара)
F95. Термовыключатель системы охлаждения
G1. Указатель уровня топлива
G2. Датчик температуры охлаждающей жидкости
G3. Указатель температуры охлаждающей жидкости
G32. Датчик указателя недостаточного уровня охлаждающей жидкости
НЗ. Звуковой сигнал, предупреждающий о падении давления масла J285. Блок управления контрольными лампами
КЗ. Контрольная лампа давления масла
К28. Контрольная лампа температуры и недостаточного уровня охлаждающей жидкости
Т1р. Одноконтактный штекерв задней части релейной платы
Т28. 28-контактный штекерблока контрольных ламп
159. Точка присоединения к массе в жгуте в моторном отсеке
Щиток приборов: спидометр, лампы указателей поворотов и тормозов — схема
Е2. Переключатель указателей поворотов
Е20. Регулировка подсветки приборного табло и переключателей
G54. Спидометр
J6. Стабилизатор напряжения
J285. Блок управления контрольными лампами
К2. Контрольная лампа генератора
К7. Контрольная лампа тормозной системы и ручного тормоза
К65. Контрольная лампа левого указателя поворотов
К94. Контрольная лампа правого указателя поворотов
L10. Лампа подсветки приборов L39. Лампа подсветки выключателя обогрева заднего стекла
L35. Лампа подсветки цифровых часов
М5. Лампа указателя поворотов передняя левая
М6. Лампа указателя поворотов задняя левая
М7. Лампа указателя поворотов передняя правая
М8. Лампа указателя поворотов задняя правая
Т2g. Двухконтактный штекерв задней части релейной платы
Т28. 28-контактный штекерщитка приборов
Y. Стрелочные часы
Y2. Цифровые часы
А28. Плюсовое соединение (58b) в жгуте проводов вентилятора
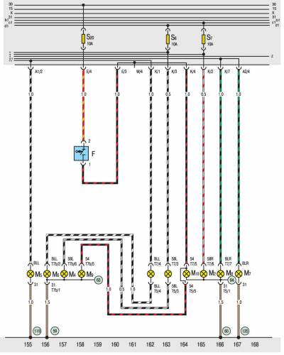
Щиток приборов: тахометр, датчик тормозной системы — электросхема
Е4. Выключатель ближнего света фар и светового предупреждающего сигнала
G5. Тахометр
J285. Блок управления контрольными лампами
К1. Контрольная лампа включения фар
К7. Контрольная лампа тормозной системы
и ручного тормоза
L1. Двухнитевая лампа левой фары L2. Двухнитевая лампа правой фары
L54. Лампа подсветки при регулировке фар
L75. Лампа подсветки цифрового указателя
Т28. 28-контактный штекериборного щитка
TV8. Провод на клемму 58b
Y5. Указатель переключения на высшую передачу (автоматическая трансмиссия)
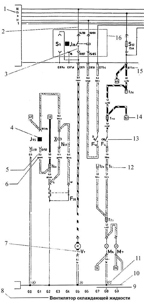
Вентилятор (150W, 250W) на Volkswagen Transporter и дополнительный насос системы охлаждения
F9. Выключатель контрольной лампы ручного тормоза
F18. Термовыключатель вентилятора системы охлаждения
F34. Контактный датчик аварийного падения тормозной жидкости
V7. Вентилятор системы охлаждения
V51. Двигатель насоса охлаждающей жидкости W6. Лампа и выключатель освещения ящичка для мелких вещей
125. Соединение массы -3- в жгуте фар
162. Соединение массы в жгуте вентилятора
С10. Плюсовое соединение (30) в жгуте фар
Подключение радиоприемника, прикуривателя и подкапотной лампы схема на Фольксваген Транспортёр
F9. Выключатель ручного тормоза
F34. Контактный датчик аварийного падения тормозной жидкости
L28. Лампа подсветки прикуривателя
R. Разъем для радиоприемника
Т1g. Одноконтактный разъем в задней части релейной платы
Т2о. Двухконтактный разъем около аккумулятора
Т8. Восьмиконтактный разъем для радиоприемника U1. Прикуриватель
W6. Лампа и выключатель освещения ящичка для мелких вещей
W27. Подкапотная лампа
45. Точка присоединения к массе за щитком приборов, в центре
125. Соединение массы -3- в жгуте фар
162. Соединение массы в жгуте вентилятора
Электросхема освещения салона на Фольксваген Транспортёр
F2. Концевой выключатель левой двери
F3. Концевой выключатель правой двери
F7. Концевой выключатель сдвижной двери
F160. Концевой выключатель задней двери
Т1е. Одноконтактный разъем в задней части релейной платы
T1f. Одноконтактный разъем в задней части релейной платы
T1h. Одноконтактный разъем за приборной панелью справа
T1i. Одноконтактный разъем на средней
стойке справа
Т1к. Одноконтактный разъем около габаритного огня справа
W. Передний плафон
W1. Задний плафон или плафон грузового отсека W7. Средний плафон
W14. Лампа подсветки зеркала кресла пасссажира
30. Точка подключения к массе рядом с платой реле
98. Точка подключения к массе в жгуте задней двери
128. Точка подключения к массе -1- в жгуте проводов плафона
163. Точка подключения к массе -2- в жгуте проводов плафона
R4. Соединение -1- в жгуте плафонов
R5. Соединение -2- в жгуте плафонов
R6. Плюсовое соединение -1 — в жгуте плафонов
R7. Плюсовое соединение -2- в жгуте плафонов
Схема фар на Фольксваген Транспортёр
L1. Двухнитевая лампа левой фары
L2. Двухнитевая лампа правой фары
М1. Лампа габаритного огня, левая
МЗ. Лампа габаритного огня, правая 119. Точка присоединения к массе -1- в жгуте задней фары
120. Точка присоединения к массе -2- в жгуте задней фары
Схема системы регулировки фар
Е4. Выключатель ближнего света фар и светового предупреждающего сигнала
Е102. Сопротивление настройки фар
L54. Лампа подсветки при регулировке фар T2q. Двухконтактный разъем в задней части релейной платы
Т5b. Пятиконтактный разъем под кожухом переключателей на руле
V48. Электродвигатель для регулировки левой фары
V49. Электродвигатель для регулировки правой фары
30. Точка подключения к массе рядом с платой реле
Выключатели поворота, аварийной сигнализации, парковочных огней — схема
Е2. Переключатель указателей поворота
ЕЗ. Выключатель аварийной сигнализации
Е19. Выключатель парковочных огней
J2. Реле-прерыватель аварийной сигнализации
К6. Контрольная лампа аварийной сигнализации Т4b. Четырехконтактный разъем под кожухом переключателей на руле
Т5b. Пятиконтактный разъем под кожухом переключателей на руле
Т7а. Семиконтактный разъем под кожухом переключателей на руле
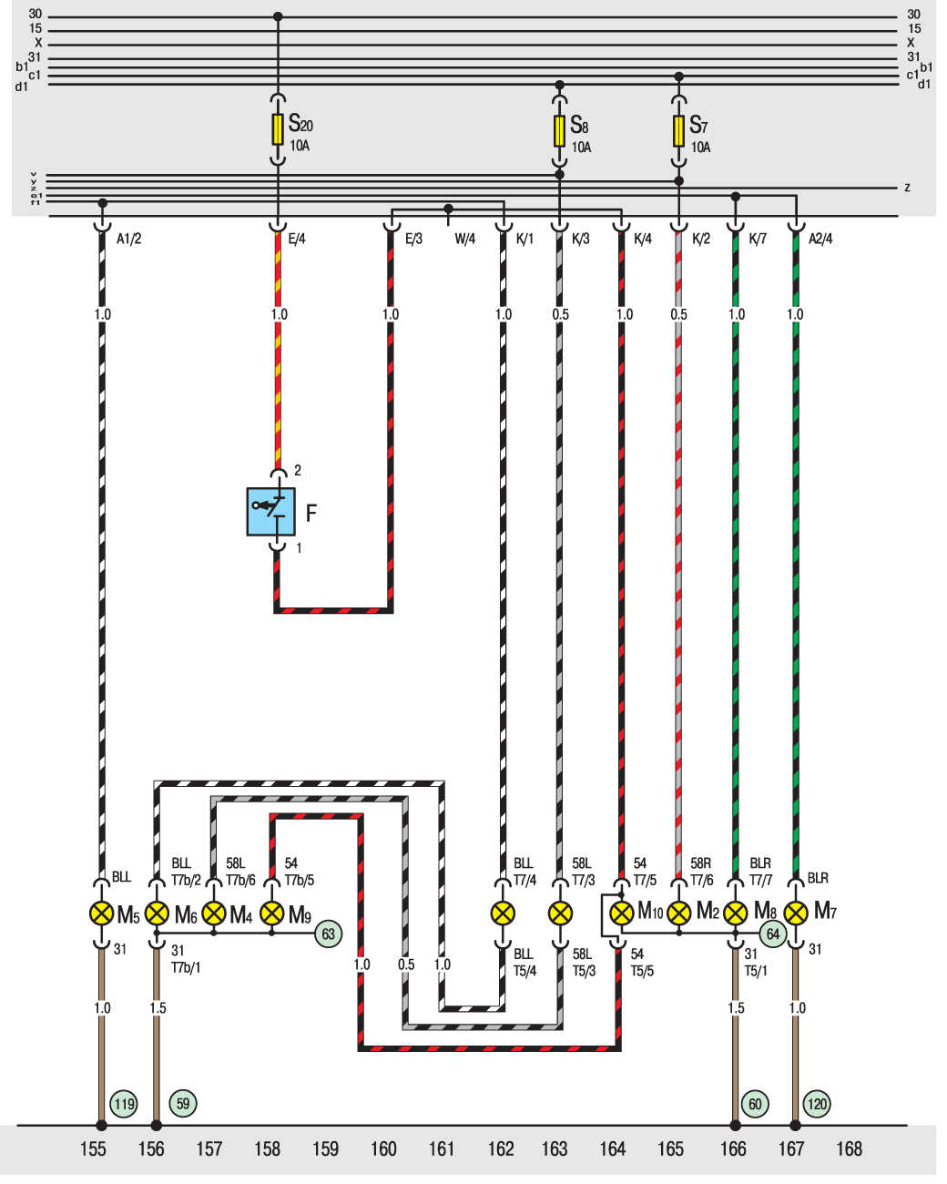
Указатели поворота, задние фары — эл.схема
F. Переключатель стоп-сигналов
М2. Лампа левого габаритного огня
М4. Лампа правого габаритного огня
М5. Лампа указателя поворотов, передняя левая
М6. Лампа указателя поворотов, задняя левая
М7. Лампа указателя поворотов, передняя правая
М8. Лампа указателя поворотов, задняя правая
М9. Лампа левого стоп-сигнала
М10. Лампа правого стоп-сигнала
Т5. Пятиконтактный разъем около правой задней фары Т7. Семиконтактный разъем около правой задней фары
Т7b. Семиконтактный разъем около левой задней фары
60. Точка подключения к массе около правой задней фары
63. Точка подключения к массе на держателе ламп левой задней фары габаритного огня
64. Точка подключения к массе на держателе ламп правой задней фары
119. Точка подключения к массе -1- в жгуте системы регулировки фар
120. Точка подключения к массе -2- в жгуте системы регулировки фар
Выключатель освещения, подсветка номерного знака — электросхема
Е1. Выключатель освещения
Е20. Регулировка подсветки приборного табло и переключателей
К4. Контрольная лампа стояночных огней
L9. Лампа подсветки переключателей освещения
T1d. Одноконтактный штекерв задней части релейной платы Т1m. Одноконтактный штекер(не употребляется с противотуманными фарами)
X. Подсветка номерного знака
98. Точка подключения к массе в жгуте задней двери
А28. Точка подключения к положительному полюсу (58b) в жгуте вентилятора
Q22. Точка подключенния (58е) в жгуте задней двери
Противотуманные фары, огни заднего хода — схема
Е23. Выключатель противотуманных огней
F4. Выключатель огней заднего хода
J5. Реле противотуманных фар
К13. Контрольная лампа противотуманных огней
L20. Лампа противотуманной фары
L22. Лампа левой противотуманной фары
L23. Лампа правой противотуманной фары
L40. Лампа подсветки выключателя противотуманных фар и габаритных огней
М16. Лампа левого стоп-сигнала
М17. Лампа правого стоп-сигнала
Т1n. Одноконтактный штекероколо правой
задней фары
Т5. Пятиконтактный разъем на правой задней фаре Т7. Семиконтактный разъем на правой задней фаре
Т7b. Семиконтактный разъем на левой задней фаре
59. Точка подключения к массе около левой задней фары
63. Точка подключения к массе на держателе ламп левой задней фары
64. Точка подключения к массе на держателе ламп правой задней фары
119. Точка присоединения к массе -1- в жгуте габаритного огня
120. Точка присоединения к массе -2- в жгуте габаритного огня
Обогрев заднего стекла и звуковой сигнал — эл.схема
Е15. Выключатель обогрева заднего стекла
Н1. Звуковой сигнал
J4. Реле звукового сигнала
К10. Контрольная лампа обогрева заднего стекла
L39. Лампа подсветки выключателя обогрева заднего стекла
Т1о. Одноконтактный разъем правой задней фары T2h. Двухконтактный разъем в моторном отсеке спереди, слева
Z1. Нагревательный элемент заднего стекла
98. Точка подключения к массе в жгуте задней двери
129. Точка подключения к массе в жгуте звукового сигнала
С13. Плюсовое соединение в жгуте звукового сигнала
Схема стеклоочистителя и стеклоомывателя лобового стекла на Volkswagen Transporter
Е22. Выключатель стеклоочистителя и стеклоомывателя
Н. Выключатель звукового сигнала
J31. Реле-прерыватель стеклоомывателя и стеклоочистителя
Т4b. Четырехконтактный разъем под кожухом переключателей на руле Т5с. Пятиконтактный разъем под кожухом переключателей на руле
Т7а. Семиконтактный разъем под кожухом переключателей на руле
V. Электродвигатель стеклоочистителя
С51. Плюсовой контакт в жгуте двигателя стеклоочистителя




















