Условные обозначения к электросхемам
Соединения с «массой» и соединения с источником тока (обведено кружком)
1 Массовый кабель, аккумуляторная батарея/кузов
2 Массовый кабель, коробка передач/двигатель
12 Место расположения массы, в моторном отсеке двигателя, слева, под аккумуляторной батареей
13 Место расположения массы, в моторном отсеке двигателя, справа
15 Место расположения массы, на головке блока цилиндров
29 Место расположения массы, вблизи усилитель тормозного привода
30 Место расположения массы -1-, рядом с монтажной платой реле (соединение с «массой»)
32 Место расположения массы, за панелью приборов, слева
33 Место расположения массы, за панелью приборов, справа
42 Разъем, 42-контактный, в двигателе, слева
44 Место расположения массы, стойка A, внизу слева
45 Место расположения массы, за панелью приборов, в центре
57 Место расположения массы, косяки двери, сзади слева
68 Разъем, 68-контактный, в приборе управления Motronic
71 Место расположения массы, передняя шина крыши
81 Соединение с массой -1-, на жгуте проводов коммутатора (распределительного щита)
84 Соединение с массой, блок двигателя, в жгуте проводов, справа
85 Соединение с массой -1-, в жгуте проводов двигателя
86 Соединение с массой -2-, в заднем жгуте проводов
98 Соединение с массой, в жгуте проводов задней двери
119 Соединение с массой -1-, в жгуте проводов фары
120 Соединение с массой -2-, в жгуте проводов фары
128 Соединение с массой -1-, в жгуте проводов освещения салона
135 Соединение с массой -2-, в жгуте проводов пульта управления
137 Соединение с массой (выходной каскад), в жгуте проводов Motronic
138 Соединение с массой (прибор управления), в жгуте проводов Motronic
139 Соединение с массой (датчик массы), в жгуте проводов Motronic
156 Соединение с массой, в жгуте проводов системы впрыска
196 Соединение с массой -3-, в заднем жгуте проводов
220 Соединение с массой (датчик массы), в жгуте проводов моторного отсека двигателя
247 Соединение с массой (противоугонное устройство) в жгуте проводов панели приборов
Обозначение элементов электрических схем
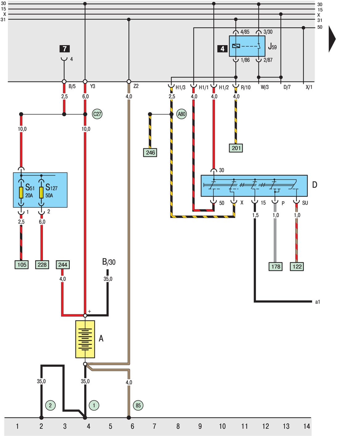
A Аккумуляторная батарея
A1 Положительное соединение (30a) в жгуте проводов панели приборов
A4 Положительное соединение (58b), в жгуте проводов панели приборов
A9 Положительное соединение (56b), в жгуте проводов панели приборов
A20 Соединение (15a), в жгуте проводов панели приборов
A32 Положительное соединение (30), в жгуте проводов панели приборов
A60 Соединение (сигнал частоты вращения), в жгуте проводов коммутатора (распределительного щита) управления
A76 Соединение, в жгуте проводов панели приборов
A78 Соединение, в жгуте проводов панели приборов
A80 Положительное соединение -1- (X), в жгуте проводов панели приборов
A81 Положительное соединение в жгуте проводов на панели приборов
А82 Соединение (обогрев окна), в жгуте проводов на панели приборов
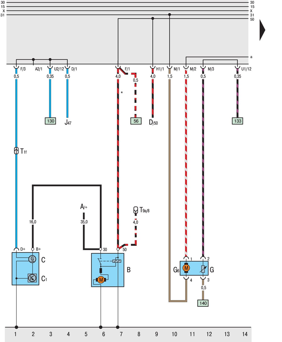
B Стартер
C Генератор
C1 Регулятор напряжения
C12 Положительное соединение -1-, в жгуте проводов фары
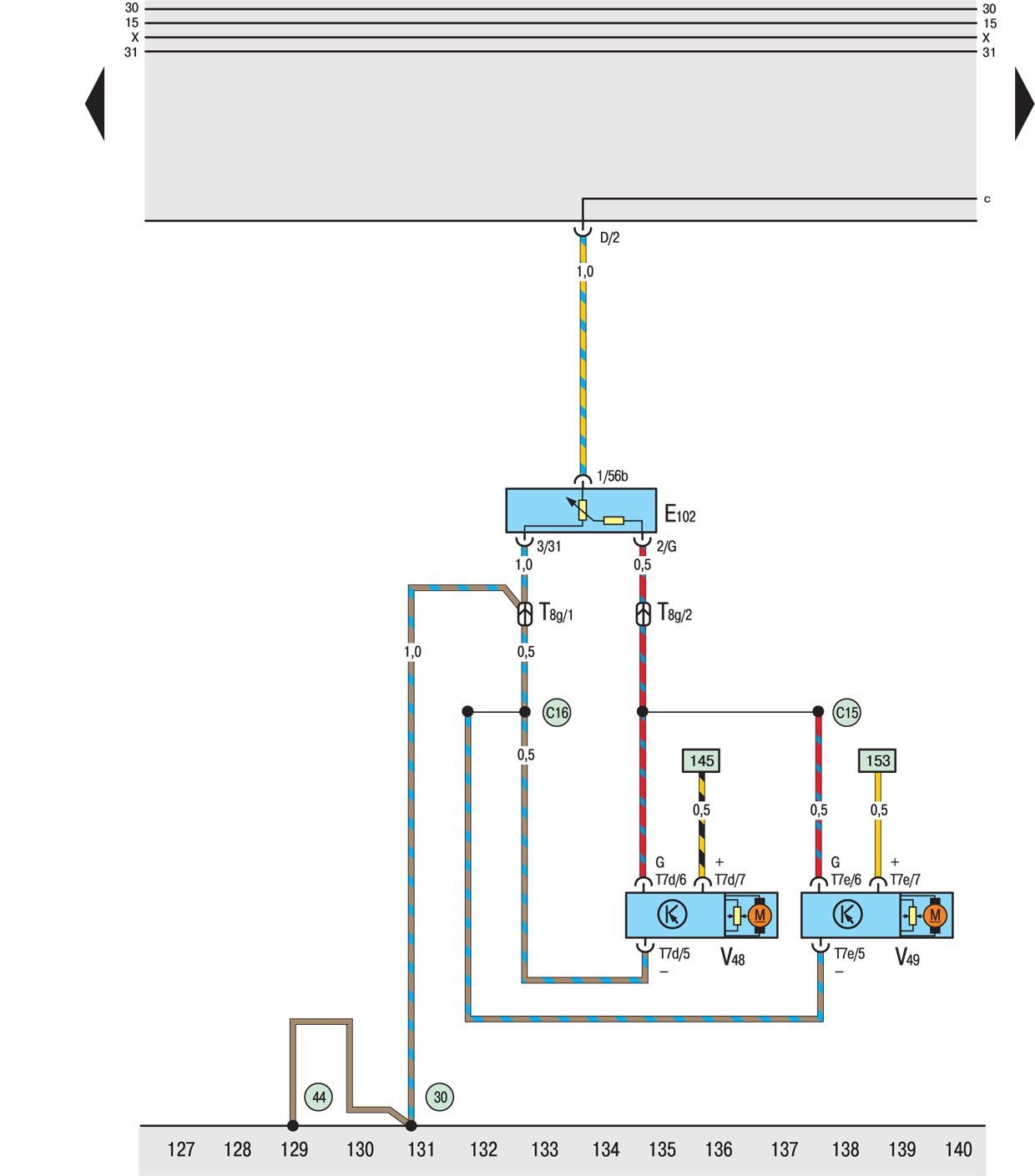
C15 соединение -1-, в жгуте проводов фары
C16 соединение -2-, в жгуте проводов фары
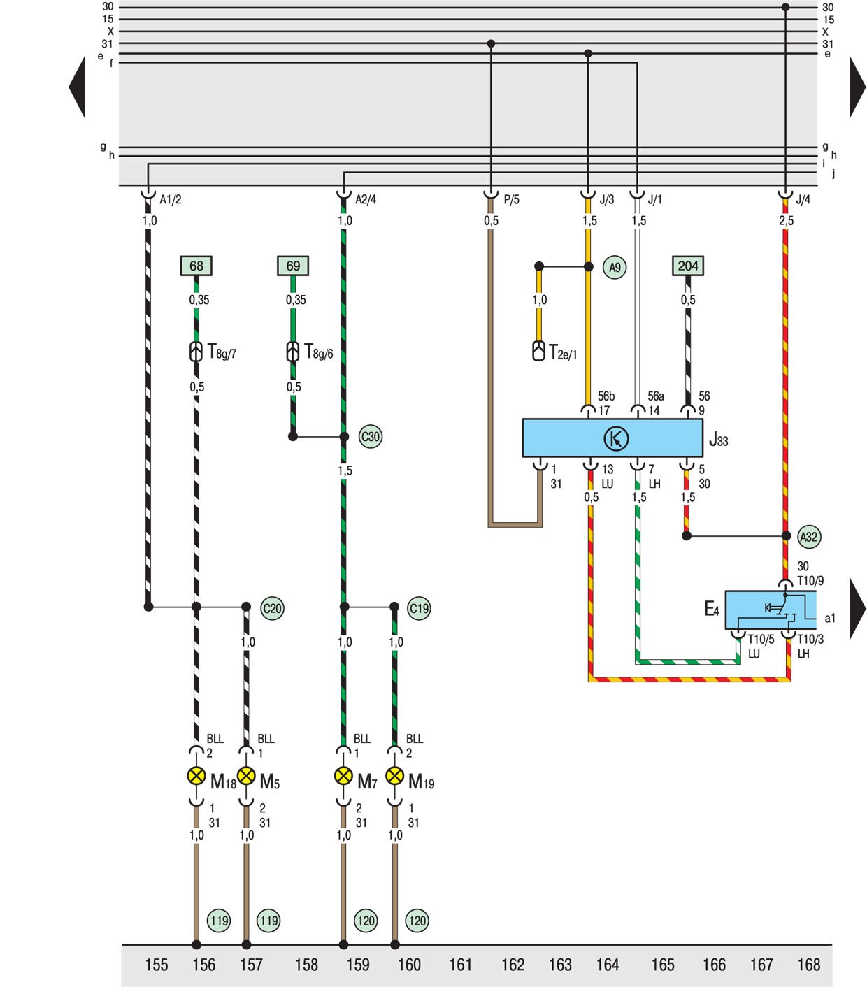
C19 Соединение -1- (лампа указателя поворота, справа), в жгуте проводов фары
C20 Соединение (лампа указателя поворота, слева), в жгуте проводов фары
C25 Соединение (противотуманные фары), в жгуте проводов переднего освещения
C27 Положительное соединение -2-(30), в жгуте проводов фары
C28 Соединение -1- (56b), в жгуте проводов фары
C29 Соединение -2- (56b), в жгуте проводов фары
C30 Соединение -2- (лампа указателя поворота, справа), в жгуте проводов фары
C33 Соединение -5-, в жгуте проводов фары
D Выключатель зажигания и стартера
D2 Обмотка считывания, противоугонное устройство
D17 Положительное соединение -1- (15), в жгуте проводов двигателя
D50 Положительное соединение (30), в жгуте проводов моторного отсека двигателя
D52 Положительное соединение (15a), в жгуте проводов моторного отсека двигателя
D70 Соединение (53a) в жгуте проводов моторного отсека двигателя
E1 Выключатель
E2 Переключатель указателей поворота
E3 Переключатель, аварийный сигнал
E4 Ближний свет фары/световой сигнал
E6 Положительное соединение -1- (15), в жгуте проводов Motronic
E7 Положительное соединение (87a), в жгуте проводов Motronic
E9 Переключатель, вентилятор свежего воздуха
E19 Переключатель, подфарники
E20 Переключатель и приборы, освещение
E22 Переключатель, режимы интервала
E23 Переключатель, противотуманные фары
E102 Устройство для изменения положения, регулировка дальности света
E109 Запоминающий переключатель многофункционального индикатора
E159 Переключатель, свежий воздух и циркулирующий воздух
E161 Переключатель, обогреваемое заднее стекло и наружное зеркало заднего вида
E180 Переключатель, обогреваемое ветровое стекло
F Включатель сигнала торможения
F1 Переключатель давления масла
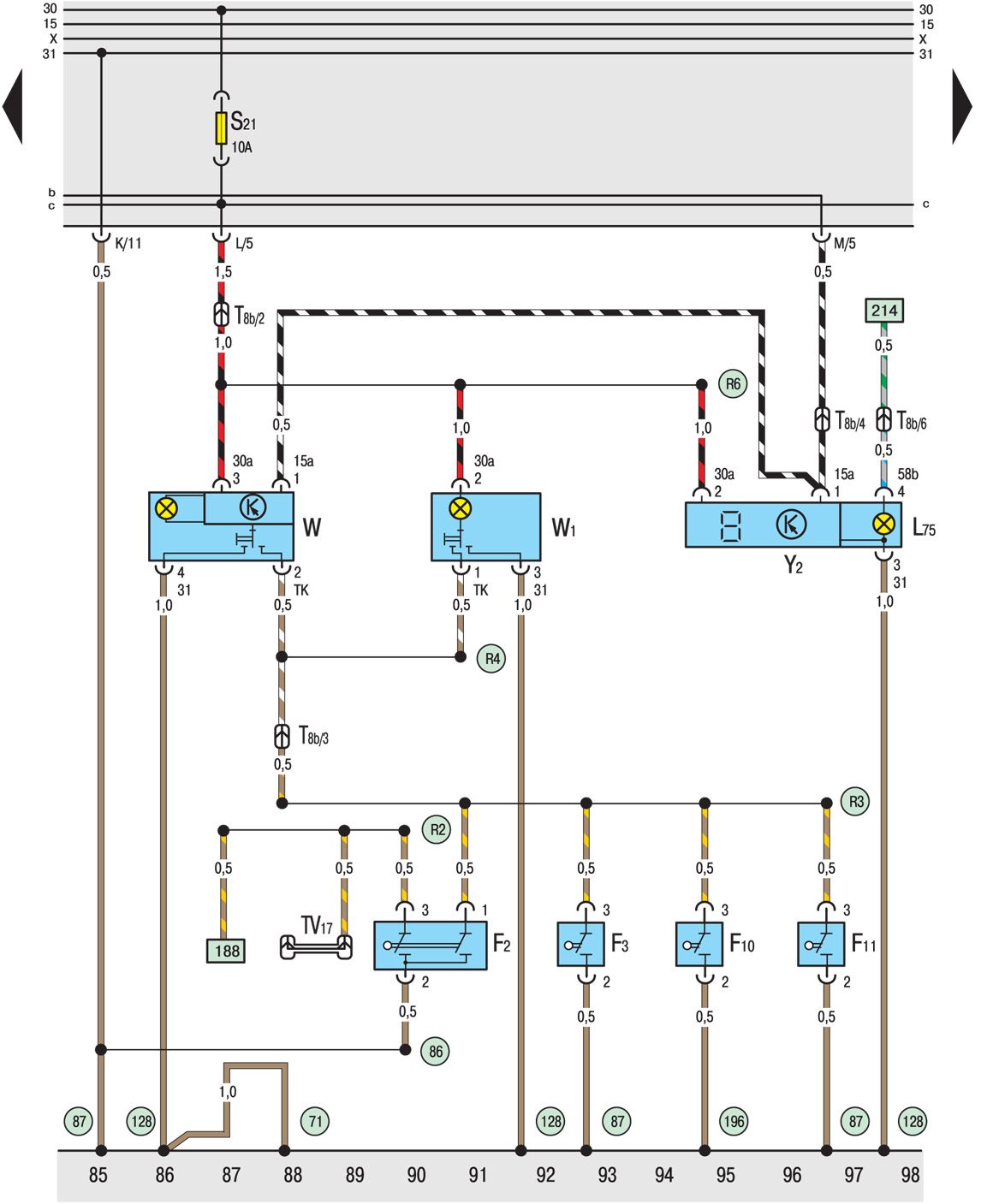
F2 Дверной контактный выключатель освещения, сторона водителя
F3 Дверной контактный выключатель освещения, сторона сопровождающего
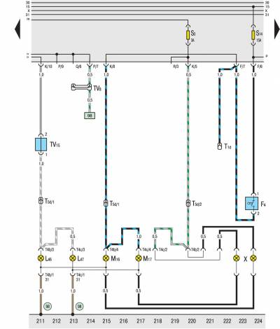
F4 Переключатель фонарей заднего хода
F8 Переключатель резкого нажатия до упора педали газа
F10 Дверной контактный выключатель освещения, сзади слева
F11 Дверной контактный выключатель освещения, сзади справа
F22 Переключатель давления масла (0,3 бар)
F25 Соединение -1-, в жгуте проводов системы впрыска
F26 Соединение, в жгуте проводов системы впрыска
F31 Соединение (двигатель свечей накаливания), в жгуте проводов системы впрыска
F32 Соединение (нагревательный элемент охлаждающей жидкости), в жгуте проводов системы впрыска
F33 Положительное соединение (30), в жгуте проводов системы впрыска
F34 Предупредительный контакт, тормозная жидкость
F36 Переключатель педали сцепления
F38 Переключатель температуры наружного воздуха (с водяным отоплением D3W)
F47 Переключатель педали тормоза
F60 Переключатель холостого хода
F160 Дверной контактный выключатель освещения, задняя дверь
F214 Переключатель, освещение моторного отсека двигателя
G Датчик уровня топлива
G1 Счетчик расхода топлива
G2 Датчик температуры охлаждающей жидкости
G3 Дистанционный термометр
G5 Тахометр
G6 Топливный насос
G8 Датчик температуры масла
G17 Датчик температуры наружного воздуха
G21 Спидометр
G22 Датчик спидометра (датчик Холла на коробке передач)
G28 Датчик частоты вращения двигателя
G32 Датчик, недостаточного количества охлаждающей жидкости
G39 Лямбда-зонд
G40 Датчик Холла
G61 Датчик детонационного сгорания I
G62 Датчик температуры охлаждающей жидкости
G66 Датчик детонационного сгорания II
G69 Потенциометр дроссельной заслонки
G70 Датчик массового объема воздуха
G72 Датчик температуры впускной трубы
G79 Датчик положения педали газа
G80 Датчик подъема иглы
G81 Датчик температуры топлива
G88 Регулирующий элемент дроссельной заслонки заслонок
G98 Датчик температуры EGR
G149 Датчик модулированного движения поршней
H Сигнальная нажимная кнопка
H1 Дополнительный звуковой сигнал
H11 Звуковой зуммер, контроль давления масла
J Прибор управления двигателем, за панелью приборов, слева
J2 Реле, аварийный сигнал
J4 Реле, дополнительный звуковой сигнал
J5 Реле, противотуманные фары
J6 Регулятор напряжения
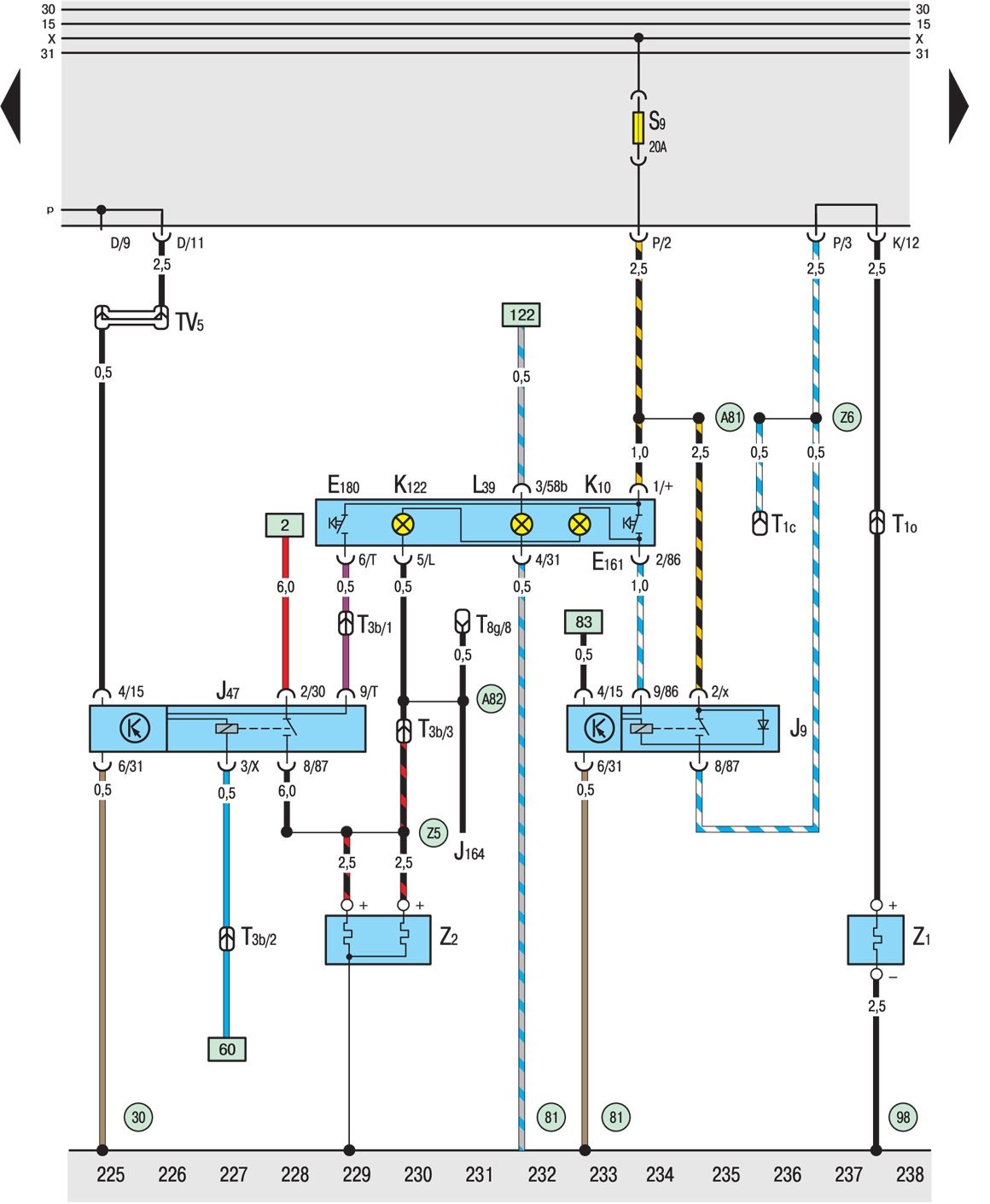
J9 Реле, обогреваемое заднее стекло
J17 Реле топливного насоса
J30 Реле задней системы стеклоочистителя
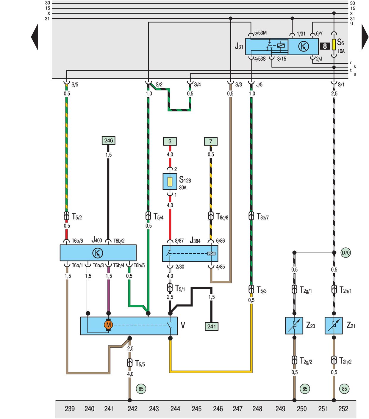
J31 Реле, режим интервала/стеклоомыватель
J33 Реле фары, над монтажной платой реле
J47 Реле, обогреваемое ветровое стекло
J52 Реле свечей накаливания
J59 Реле разгрузки для контакта X
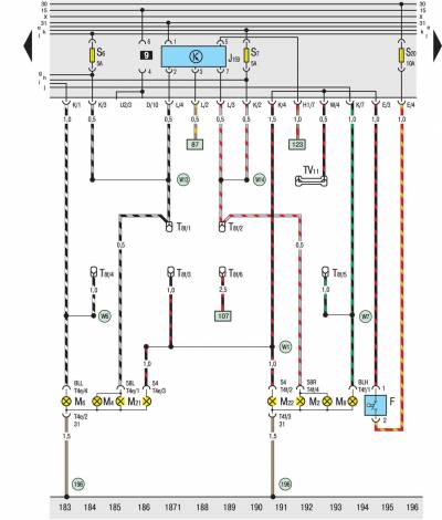
J119 Многофункциональный индикатор
J138 Контроллер работы вентилятора, в моторном отсеке двигателя, слева
J152 Зуммер, свет включен
J162 Прибор управления отоплением салона (с водяным отоплением D3W)
J164 Разъединительное реле, вентилятор подогретого воздуха
J220 Прибор управления Motronic
J248 Прибор управления впрыском, за панелью приборов, слева
J271 Реле электрического тока
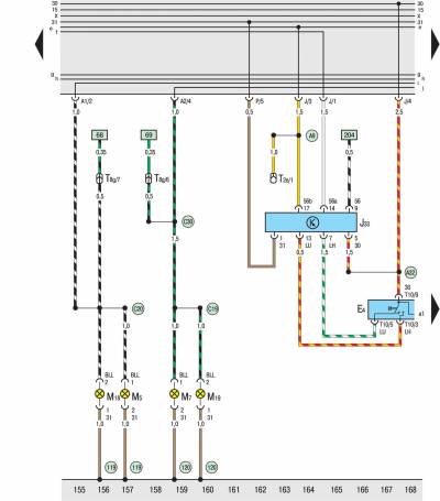
J285 Прибор управления с индикацией, коммутатор (распределительный щит)
J299 Реле для вторичного воздуха
J317 Реле подвода электрического тока
J338 Управляющая часть дроссельной заслонки
J359 Выходное реле нагрева, низкая температура
J360 Выходное реле нагрева, высокая температура
J361 Прибор управления Simos, за панелью приборов, слева (только двигатель ADY)
J362 Прибор управления противоугонным устройством, за панелью приборов, слева
J363 Реле электрического тока для прибора управления Simos (только двигатель ADY)
J384 Реле разгрузки двигателя стеклоочистителя
J385 Прибор управления с индикацией
J400 Контроллер для двигателя стеклоочистителя, на двигателе стеклоочистителя
K1 Контрольная лампа дальнего света фар
K2 Лампа зарядки
K3 Сигнальная лампа давления масла
K4 Предупредительный световой сигнал, габаритные огни
K6 Предупредительный световой сигнал, аварийный сигнал
K7 Предупредительный световой сигнал, тормозная система
K10 Световой предупредительный сигнал, заднее стекло
K13 Предупредительный световой сигнал, противотуманный задний свет
K17 Предупредительный световой сигнал, противотуманные фары
K28 Сигнальная лампа недостаточного количества охлаждающей жидкости
K65 Мигающий контрольный световой сигнал, слева
K94 Мигающий контрольный световой сигнал, справа
K105 Предупредительный световой сигнал, остаток топлива
K114 Предупредительный световой сигнал, свежий воздух/циркулирующий воздух
K122 Световой предупредительный сигнал, ветровое стекло
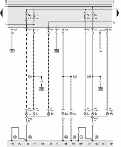
L1 Двухнитевая лампа накаливания, фара, слева
L2 Двухнитевая лампа накаливания, фара, справа
L9 Лампа накаливания, выключатель света
L10 Лампа накаливания, коммутатор (распределительный щит)
L15 Лампа накаливания, пепельница
L16 Лампа накаливания, регулирование свежего воздуха
L22 Лампа накаливания, противотуманная фара, слева
L23 Лампа накаливания, противотуманная фара, справа
L28 Лампа накаливания, прикуриватель
L29 Лампа накаливания, освещение моторного отсека двигателя
L39 Лампа накаливания, переключатель заднего стекла
L46 Лампа накаливания, противотуманный задний свет, слева
L47 Лампа накаливания, противотуманный задний свет, справа
L75 Лампа накаливания, цифровой индикатор
M1 Лампа накаливания, габаритный огонь слева
M2 Лампа накаливания, правый задний габаритный огонь
M3 Лампа накаливания, габаритный огонь справа
M4 Лампа накаливания, левый задний габаритный огонь
M5 Лампа накаливания, передний левый указатель поворота
M6 Лампа накаливания, указатель поворота, сзади, слева
M7 Лампа накаливания, передний правый указатель поворота
M8 Лампа накаливания, указатель поворота, сзади, справа
M16 Лампа накаливания, фонарь заднего хода, слева
M17 Лампа накаливания, фонарь заднего хода, справа
M18 Лампа накаливания, левый габаритный огонь
M19 Лампа накаливания, правый габаритный огонь
M21 Лампа стоп-сигнала и задний габаритный огонь, слева
M22 Лампа стоп-сигнала и задний габаритный огонь, справа
N18 Клапан EGR
N24 Сопротивление, вентилятор свежего воздуха
N30 Форсунка, цилиндр 1
N31 Форсунка, цилиндр 2
N32 Форсунка, цилиндр 3
N33 Форсунка, цилиндр 4
N75 Регулирующий клапан давления наддува
N79 Нагревательный элемент (вентиляция картера)
N80 Электромагнитный клапан 1, система очистки посредством активированного угля
N83 Форсунка, цилиндр 5
N84 Форсунка, цилиндр 6
N108 Регулирующий клапан начала впрыска
N109 Клапан, перекрывающий подачу топлива
N112 Впускной клапан, система вторичного воздуха
N152 Трансформатор высокого напряжения
N157 Выходной каскад, трансформатор высокого напряжения (только двигатель ADY)
P Штекер провода к свече зажигания
Q Свечи зажигания
Q6 Свечи накаливания
R Радио (магнитола)
R2 Соединение (дверной контактный выключатель освещения, слева), в жгуте проводов дверных контактных выключателей освещения
R3 Соединение (дверной контактный выключатель освещения справа и слева), в жгуте проводов дверных контактных выключателей освещения
R4 Соединение -1-, в жгуте проводов освещения салона/дверного контактного выключателя освещения
R6 Положительное соединение -1-, в жгуте проводов дверных контактных выключателей освещения
S61 Плавкий предохранитель, через спрятанную плату реле
S109 Плавкий предохранитель, нагревательный элемент охлаждающей жидкости
S125 Плавкий предохранитель, свечи накаливания, над монтажной платой реле
S127 Плавкий предохранитель обогреваемого заднего стекла
S128 Плавкий предохранитель для двигателя стеклоочистителя
S130 Плавкий предохранитель для насоса вторичного воздуха
S143 Плавкий предохранитель, нагревательный элемент охлаждающей жидкости
T1a Простая штекерная колодка
T1d Простая штекерная колодка
T1c Простая штекерная колодка, за монтажной платой реле
T1f Разъем, 1-контактный, вблизи стартера
Т1о Простая штекерная колодка, косяки двери D, внизу слева
T1v Простая штекерная колодка
T1w Простая штекерная колодка
T1x Простая штекерная колодка
T1y Простая штекерная колодка
T2 Разъем, 2-контактный, на переключателе вентилятора свежего воздуха
T2a Разъем, 2-контактный
T2b Разъем, 2-контактный
T2c Разъем, 2-контактный
T2d Разъем, 2-контактный, вблизи топливного насоса высокого давления
T2g Разъем, 2-контактный, вблизи сопла стеклоомывателя, слева
T2h Разъем, 2-контактный, вблизи сопла стеклоомывателя, справа
T2k Разъем, 2-контактный, под облицовкой косяка двери D, внизу слева
T3 Разъем, 3-контактный, на приборе управления противоугонным устройством
T3b Разъем, 3-контактный, за монтажной платой реле
T3d Разъем, 3-контактный, вблизи крышки головки блока цилиндров
T3c Разъем, 3-контактный
T3g Разъем, 3-контактный, вблизи стартера
T3h Разъем, 3-контактный, за облицовкой переключателя рулевой колонки
T3i Разъем, 3-контактный, вблизи крышки головки блока цилиндров
T3j Разъем, 3-контактный, топливный насос высокого давления
T3k Разъем, 3-контактный, на двигателе стеклоочистителя, сзади
T3m Разъем, 3-контактный, вблизи датчик частоты вращения двигателя
T4 Разъем, 4-контактный, вблизи лямбда-зонда
T4a Разъем, 4-контактный, на сопротивлении вентилятора свежего воздуха
T4b Разъем, 4-контактный, в заднем габаритном фонаре, слева
T4d Разъем, 4-контактный, за монтажной платой реле
T4e Разъем, 4-контактный, к левому заднему габаритному огню
T4fm Разъем, 4-контактный, к правовому заднему габаритному огню
T5 Разъем, 5-контактный, вблизи прибора управления двигателя стеклоочистителя
T5d Разъем, 5-контактный, за косяком двери D, внизу слева
T5e Разъем, 5-контактный, в трансформаторе высокого напряжения
T6 Разъем, 6-контактный, на приборе управления противоугонным устройством
T6a Разъем, 6-контактный, сзади монтажной платы реле
T6b Разъем, 6-контактный
T6d Разъем, 6-контактный, за монтажной платой реле
T6e Разъем, 6-контактный, за облицовкой рулевых колонок
T6mРазъем, 6-контактный, в приборе управления дорожных заграждений
T7d Разъем, 7-контактный, за фарой, слева
T7e Разъем, 7-контактный, за фарой, справа
T8 Разъем, 8-контактный, на магнитоле
T8b Разъем, 8-контактный, за левым косяком двери A/кожух приборной доски
T8d Разъем, 8-контактный, на переключателе вентилятора свежего воздуха
T8e Разъем, 8-контактный, за монтажной платой реле
T8f Разъем, 8-контактный, за облицовкой косяка двери D, внизу слева
T8g Разъем, 8-контактный, за монтажной платой реле
T8i Разъем, 8-контактный, вблизи топливного насоса высокого давления
T9a Разъем, 9-контактный, в блокираторе пуска двигателя, автоматическая коробка передач
T10 Разъем, 10-контактный, на рычаге включения света
T10a Разъем, 10-контактный, за монтажной платой реле
T12 Разъем, 12-контактный
T16 Разъем, 16-контактный, на корпусе пепельницы
T24 Разъем, 24-контактный, в двигателе слева
T28 Разъем, 28-контактный, на коммутаторе (распределительном щите)
T28a Разъем, 28-контактный, в двигателе, слева
T28b Разъем, 28-контактный, на двигателе, слева (только двигатель ADY)
T42 Разъем, 42-контактный, в управляющей части дроссельной заслонки
T68 Разъем, 68-контактный, на приборе управления Simos (только двигатель ADY)
T68v Разъем, 68-контактный, на устройства Motronic
TV2 Распределительная коробка для клеммы 30, за монтажной платой реле
TV5 Распределительная коробка для клеммы 15а, за приборной доской, слева
TV8 Распределительная коробка для клеммы 58b, за панелью приборов, слева
TV11 Распределительная коробка для клеммы 54, за панелью приборов, слева
TV13 Распределительная коробка сигнала частоты вращения, за панелью приборов, слева
TV14 Коробка самодиагностики, за панелью приборов, слева
TV17 Распределительная коробка дверного контактного выключателя освещения
U1 прикуриватель
U5 12-вольтовая розетка, в пространстве багажнике, сзади слева
V Двигатель стеклоочистителя
V2Вентилятор свежего воздуха
V12 Двигатель стеклоочистителя, сзади
V48 Исполнительный электродвигатель, слева
V49 Исполнительный электродвигатель, справа
V59 Насос стеклоомывателя, спереди и сзади
V60 Регулирующий элемент дроссельной заслонки
V101 Насос вторичного воздуха
W Освещение салона, спереди
W1 Освещение салона, багажник
W6 Лампа освещения вещевого ящика
W7 Соединение (правый указатель поворота), в заднем жгуте проводов
W9 Положительное соединение (30), в заднем жгуте проводов
W13 Соединение (58L), в заднем жгуте проводов
W14 Соединение (58R), в заднем жгуте проводов
W15 Соединение -1- (освещение багажника), в заднем жгуте проводов
W18 Освещение багажника, слева
W19 Соединение -2- (освещение багажника), в заднем жгуте проводов
W35 Освещение багажника, справа
X Лампа освещения номерного знака
Y2 Электронные часы с цифровым отсчетом, вблизи лампы освещения салона, спереди
Y4 Суточный счетчик пробега
Z Соединение с массой соединение в жгуте проводов обогрева стекла
Z1 Обогреваемое заднее стекло
Z2 Обогреваемое ветровое стекло
Z6 Положительное соединение в жгуте проводов обогрева стекла
Z20 Обогреваемое сопло стеклоомывателя, слева
Z21Обогреваемое сопло стеклоомывателя, справа
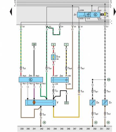
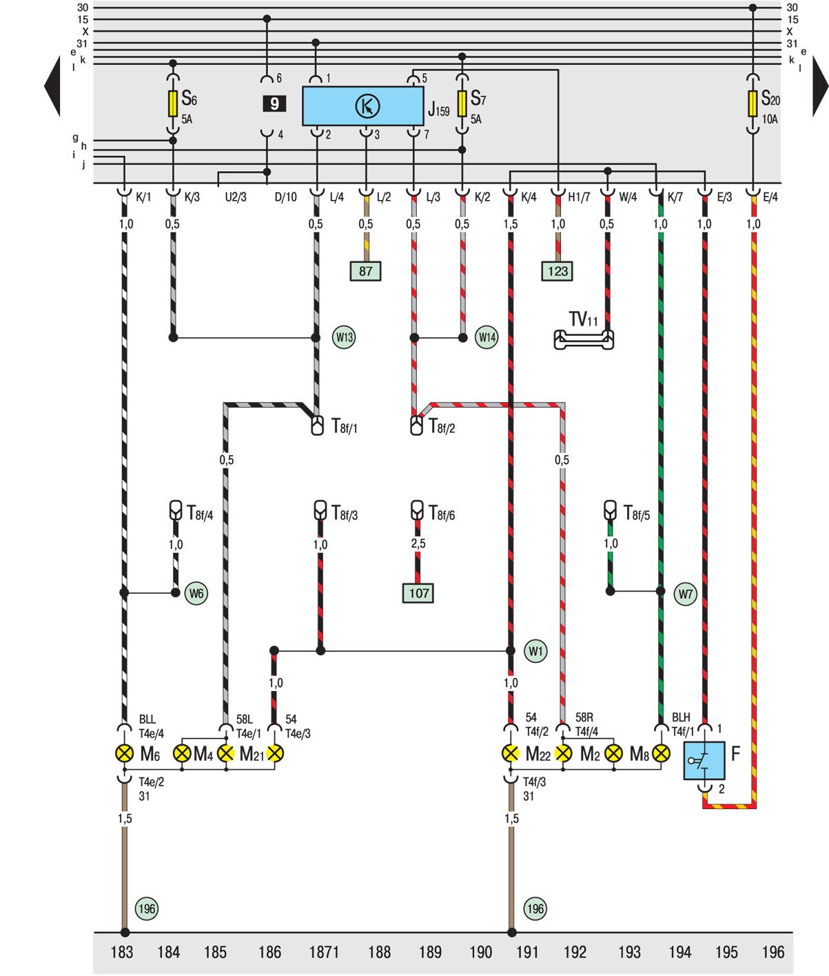
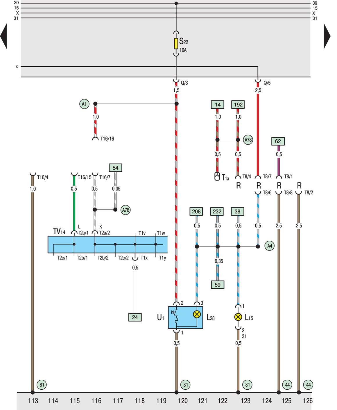
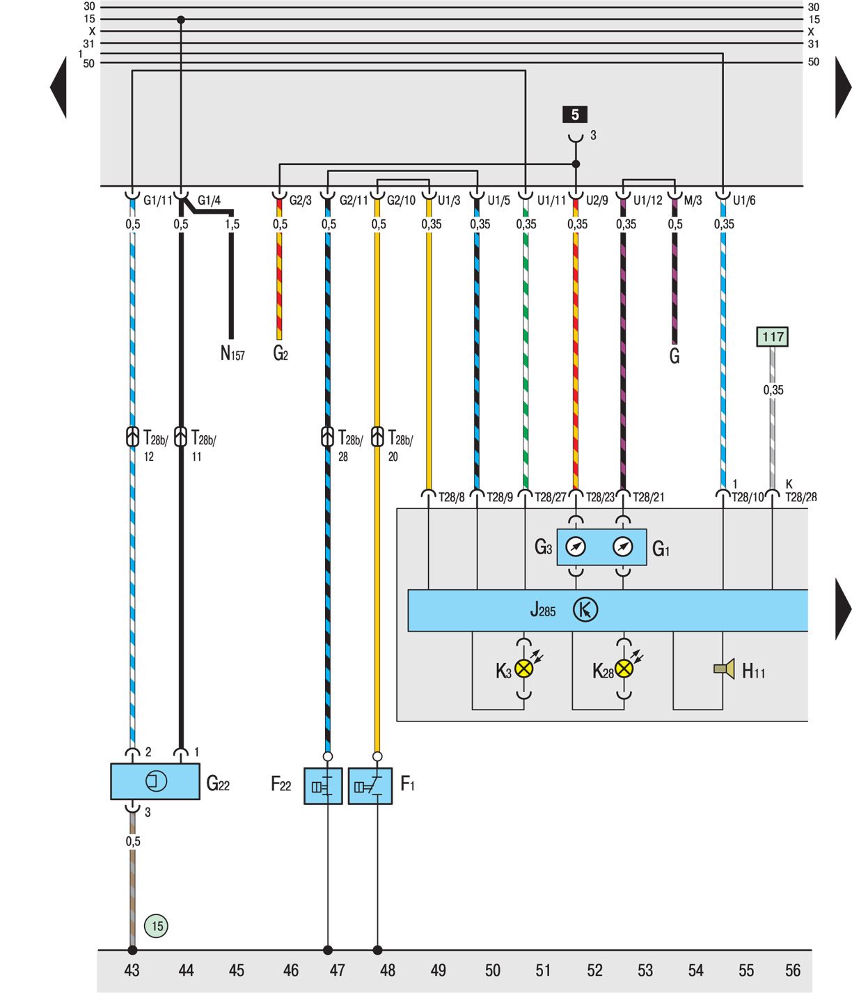
Электросхемы для Volkswagen Sharan, базовая комплектация




















