Схемы электрооборудования, принципиальные на Volkswagen Touareg 2003-2006 г.в. Несколько слов о комфорте, Touareg укомплектован системой Keyless, не только снимающей с охраны автомобиль, когда владелец к ней подходит (и, соответственно, ставящей на охрану, когда владелец отходит от автомобиля), но и позволяющей завести двигатель простым нажатием кнопки. Салон Touareg отличается не только своей элегантностью, но и функциональностью. Отметим дорогие материалы отделки (алюминий, дерево) и удобные передние сиденья с 6 настройками, в том числе, поясничного подпора. Система микроклимата на Touareg может быть укомплектована по заказу клиента. На выбор предлагаются два варианта исполнения климатической установки (стандартный 2-зонный либо 4-зонный Climatronic), а также сдвижной люк в крыше. 4-зонная установка создаст индивидуальный микроклимат для каждого пассажира, включая сидящих сзади.
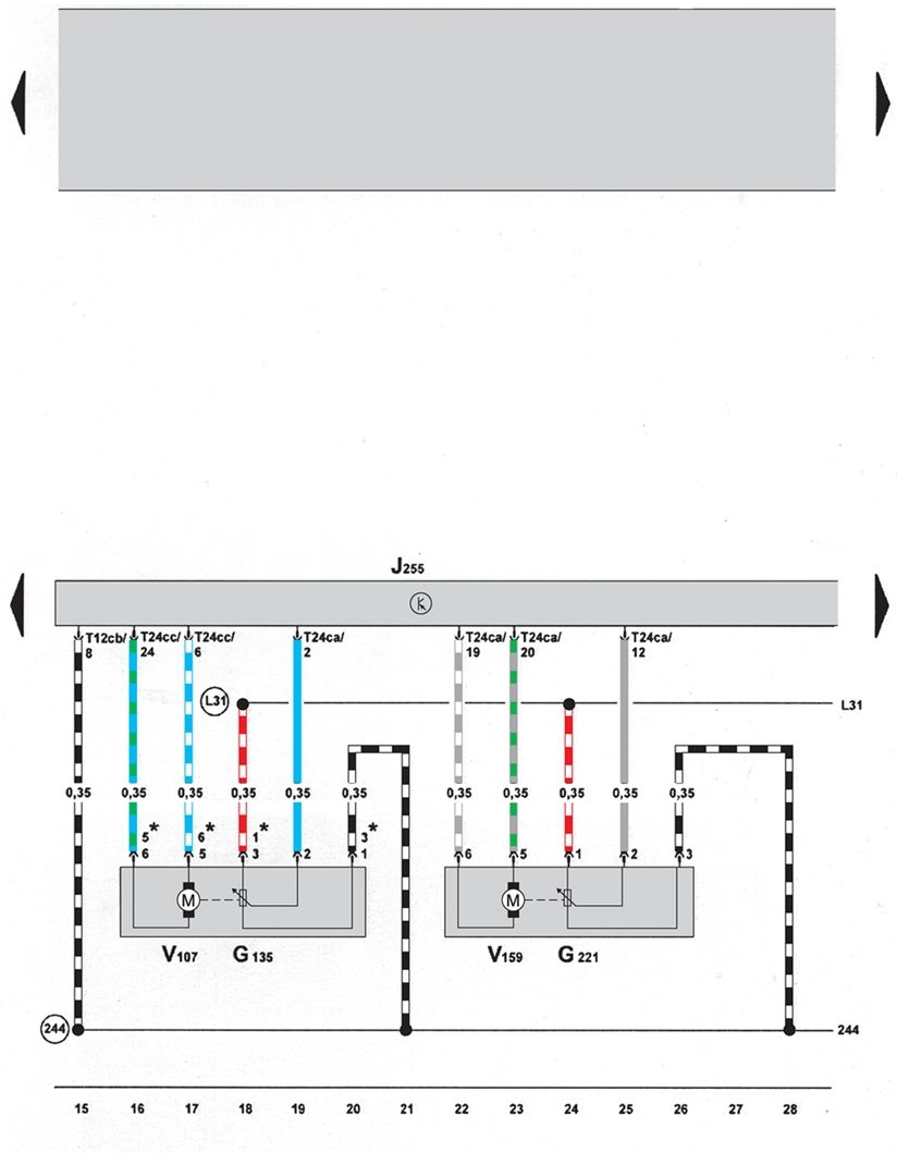
Электросхема климатической установки Climatronic 2-C, на Volkswagen Touareg устанавливается с 05.2005








