Ниже вы найдете схемы электрооборудования на Daewoo Matiz, кстати полезно тем кто разбирается в машинах. Хэтчбек Daewoo Matiz — это малолитражный городской автомобиль, разработанный корейским подразделением General Motors и выпускающийся с 1998 года и по сей день. Дизайн экстерьера был выполнен студией Italdesign Giugiaro на основе концепта Lucciola для Fiat Cinquecento. Силовая установка из 0,8-литрового 3-цилиндрового двигателя и 5-ступенчатой механической трансмиссии позаимствована у модели-предшественника Daewoo Tico. Первые четыре года после запуска Matiz был самой продаваемой моделью Daewoo в Европе и Индии. В 2000 году была представлена обновленная версия Matiz с новым 4-цилиндровым мотором объемом 1 литр. Данная версия производится компанией UzDaewoo в Узбекистане.
Эл.схема пуска двигателя и соединений генератора
Схема нумерации контактов в электроразьмах
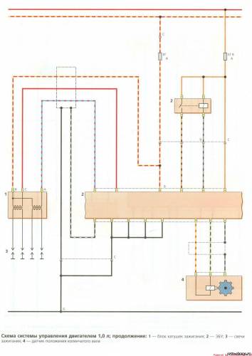
Электросхема управления двигателем
Схема заряда аккумуляторной батареи
Эл.схема включения света лампы заднего хода, сигналов торможения, габаритного света и фонарей освещения заднего хода
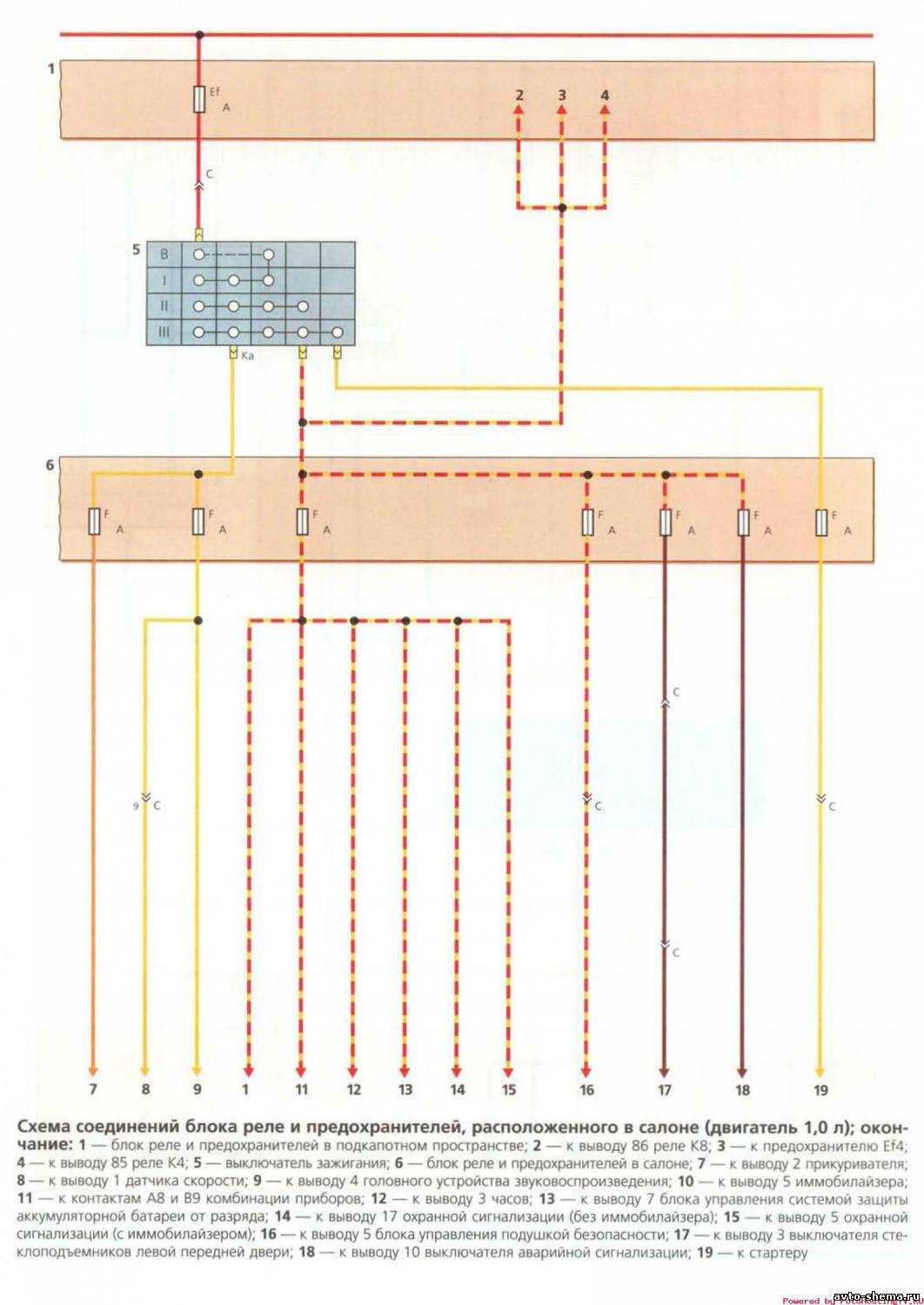
Схема содинения блока реле и предохранителей в межкапотном пространстве
Электросхема содинений комбинации приборов
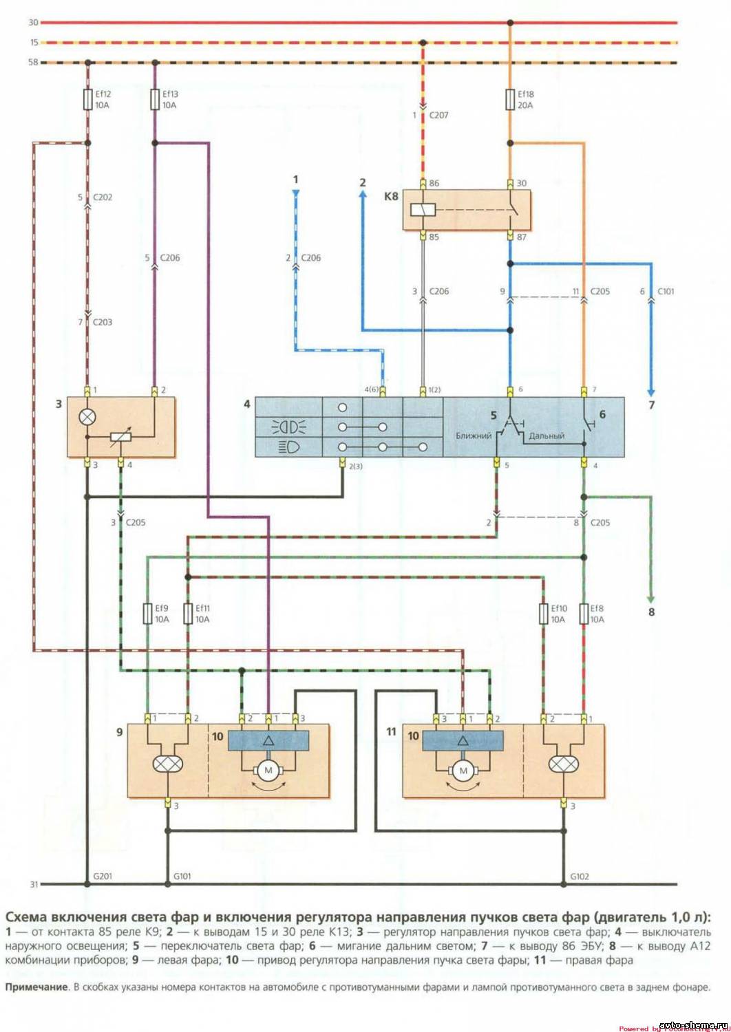
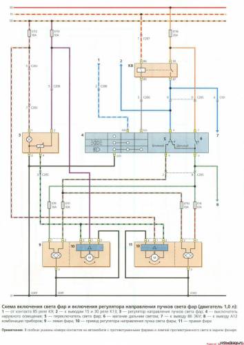
Эл.схема включения фар




















