Интересный автомобиль — Daewoo Lanos, начавший выпускаться с 1997 года. Схемы к нему и немного о трансмиссии. На автомобиле установлена пятиступенчатая механическая коробка передач. Коробка передач выполнена по двухвальной схеме с пятью синхронизированными передачами переднего хода и одной несинхронизированной передачей заднего хода. Коробка передач и главная передача с дифференциалом имеют общий картер; кроме того, коробка передач снабжена дополнительным промежуточным картером и крышкой. Первичный вал запрессован в блок шестерен и соединен с ним шлицами. На вторичном валу коробки передач установлены ведущая цилиндрическая шестерня главной передачи, ведомые шестерни и синхронизаторы передач. Пары шестерен переднего хода коробки передач находятся в постоянном зацеплении. Шестерни I–V передач в нейтральном положении свободно вращаются на вторичном валу. Передачи переднего хода включаются осевым перемещением соответствующих муфт синхронизаторов, установленных на вторичном валу. Передача заднего хода включается перемещением промежуточной шестерни заднего хода вдоль своей оси. Механизм переключения передач расположен в крышке, установленной сверху на картере коробки передач.
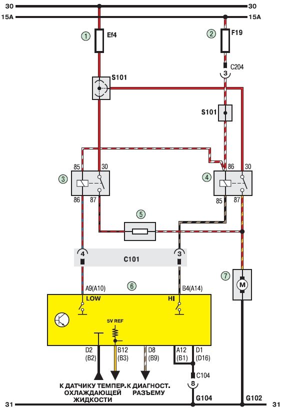
Схема соединения генераторной установки и системы пуска двигателя
Соединения генераторной установки и системы пуска двигателя: 1 — аккумуляторная батарея; 2 — плавкая вставка IGN-2 (30 A); 3 — плавкая вставка IGN-1 (30 A); 4, 5 — предохранители (15 А); 6 — выключатель (замок) зажигания; 7 — соединительная колодка; 8 — комбинация приборов; 9 — генератор; 10 — стартер; 11 — выключатель (для автомобилей, оснащенных автоматической коробкой передач)
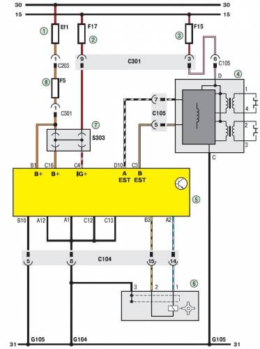
Эл.схема системы управления двигателем
Система управления двигателем (начало): 1 — плавкая вставка (80 А); 2, 3 — предохранители (15 А); 4 — катушка зажигания; 5 — электронный блок управления двигателем; 6 — датчик положения коленчатого вала; 7 — соединительная колодка; 8 — предохранитель (10 А)
Система управления двигателем на Дэу Ланос
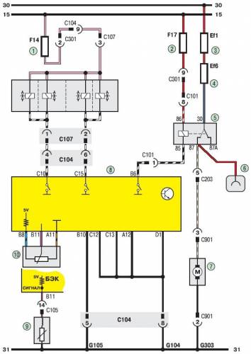
Система управления двигателем (продолжение): 1, 2 — предохранители (15 А); 3 — плавкая вставка (80 А); 4 — плавкая вставка (15 А); 5 — реле топливного насоса; 6 — диагностическая колодка топливного насоса; 7 — топливный насос; 8 — электронный блок управления двигателем; 9 — датчик концентрации кислорода; 10 — октан-корректор (установлен на часть автомобилей); 11 — топливная рампа
Система управления двигателем-схема
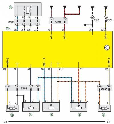
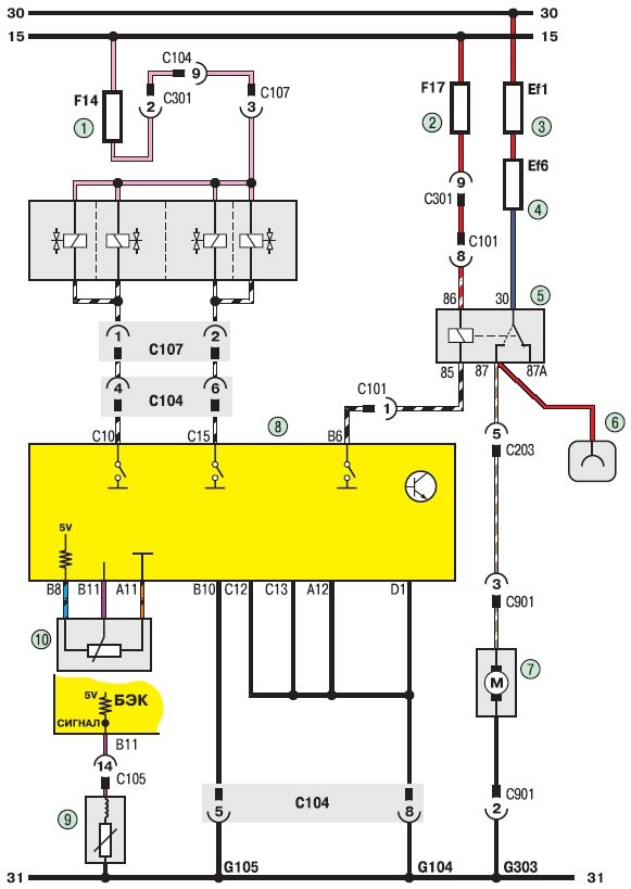
Система управления двигателем (продолжение): 1 — датчик холостого хода; 2 — электронный блок управления двигателем; 3 — датчик температуры охлаждающей жидкости; 4 — датчик положения дроссельной заслонки; 5 — датчик давления воздуха во впускном коллекторе; 6 — датчик давления в системе кондиционирования; 7 — датчик температуры воздуха во впускном коллекторе
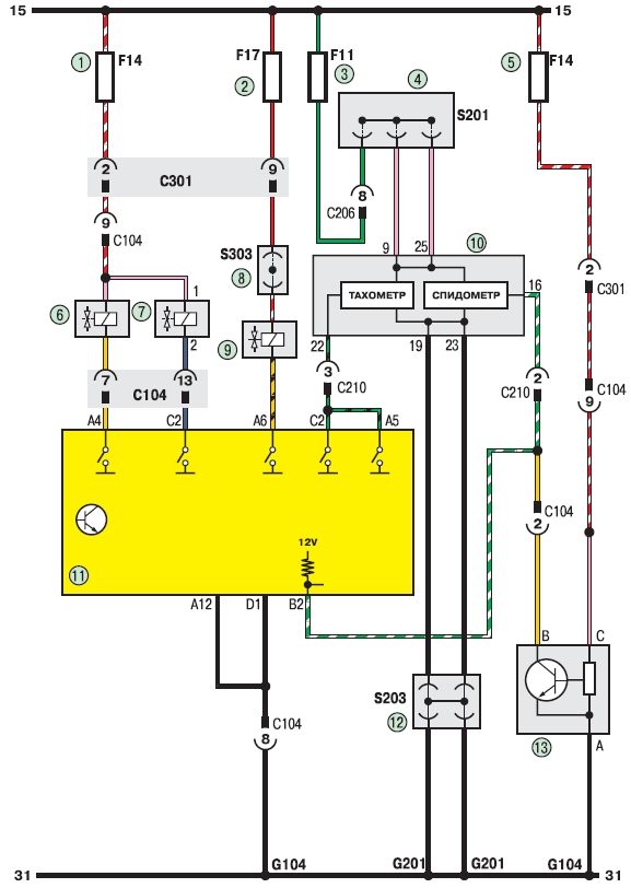
Система управления двигателем-эл.схема
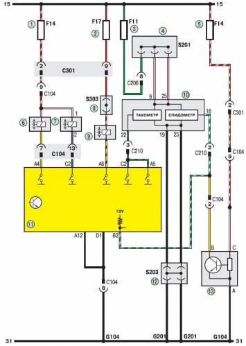
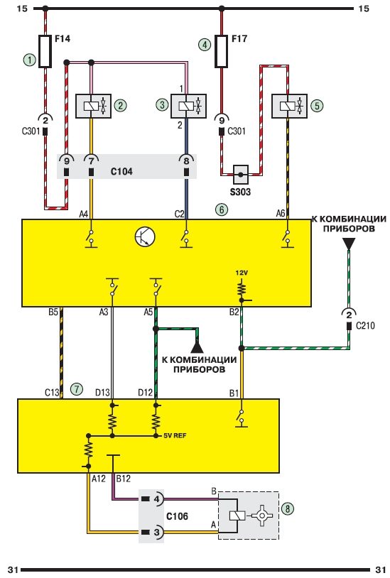
Система управления двигателем (продолжение): 1, 2, 5 — предохранители (15 А); 3 — предохранитель (10 А); 4, 12 — соединительные колодки; 6 — электромагнитный клапан рециркуляции отработавших газов; 7 — двухходовой клапан; 8 — соединительная колодка; 9 — гравитационный клапан; 10 — комбинация приборов; 11 — электронный блок управления двигателем; 13 — датчик скорости автомобиля (для автомобилей, оснащенных механической коробкой передач)
Схема системы управления двигателем
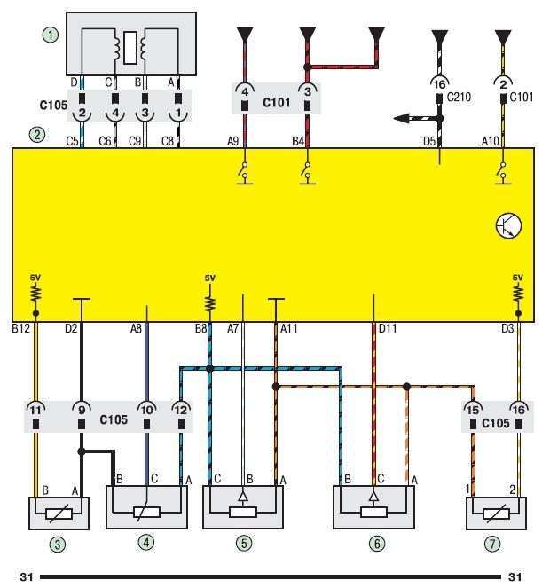
Система управления двигателем (продолжение): 1 — предохранитель (15 А); 2 — электромагнитный клапан рециркуляции отработавших газов; 3 — двухходовой клапан; 4 — предохранитель F17 (15 А); 5 — гравитационный клапан; 6 — электронный блок управления двигателем; 7 — комбинация приборов; 8 — датчик скорости автомобиля (для автомобилей, оснащенных автоматической коробкой передач)
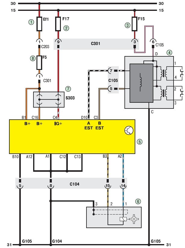
Эл.схема системы управления двигателем
Система управления двигателем (окончание): 1 — плавкая вставка (30 А); 2 — плавкая вставка (80 А); 3 — реле дополнительного вентилятора системы охлаждения двигателя; 4 — реле основного вентилятора системы охлаждения двигателя; 5 — резистор; 6 — электронный блок управления двигателем; 7 — электровентилятор системы охлаждения двигателя
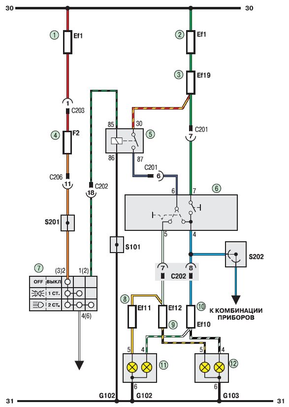
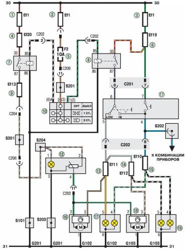
Соединения приборов освещения на Daewoo Lanos
Соединения приборов освещения (начало): 1, 2 — плавкие вставки (80 А); 3 — плавкая вставка (25 А); 4, 8, 9 — предохранители (10 А); 5 — реле противотуманных фар; 6 — переключатель указателей поворота и света фар; 7 — переключатель наружного освещения; 10 — плавкая вставка (20 А); 11 — фара левая; 12 — фара правая
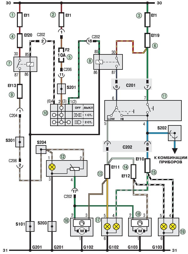
Соединения приборов освещения-эл.схема
Соединения приборов освещения (продолжение): 1, 2, 3 — плавкие вставки (80 А); 4, 15 — плавкая вставка (20 А); 5, 9, 13, 14 — предохранители (10 А); 6 — плавкая вставка (25 А); 7 — реле; 8 — реле фар; 10 — переключатель наружного освещения; 11 — переключатель указателей поворота; 12 — переключатель корректора фар; 16 — корректор левой фары; 17 — фара левая; 18 — корректор правой фары; 19 — фара правая









