Электрические схемы проводок и др. на Kia Clarus 1995 — 2001 г.в. Этот автомобиль проектировался в тесном сотрудничестве с Mazda, так что во многом Clarus технически очень схож с Mazda 626 1992 — 1997 годов выпуска. Несмотря на то, что Киа Кларус еще молод, можно сказать о неплохой коррозионной устойчивости. Качество лакокрасочного покрытия хотя и не дотягивает до японо-европейских идеалов, все же находится на достаточно высоком уровне. Салон не поражает ни смелостью дизайна, ни качеством отделочных материалов, хотя в целом все красиво и удобно. Двигатели, устанавливаемые на Kia Clarus практически идентичны «маздовским», то есть с надежностью и долговечностью все в полном порядке, главное не забывать вовремя проходить ТО. Подвеска в меру комфортабельна, к тому же достаточно вынослива и не требует частых вмешательств. Единственное, что может доставить неприятности, при эксплуатации Киа Кларус в отечественных условиях — это электрика, портящаяся под воздействием соляных ванн.
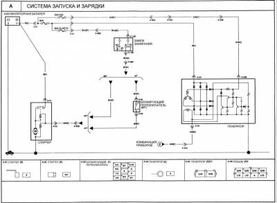
Схема системы запуска и зарядки на Киа Кларус
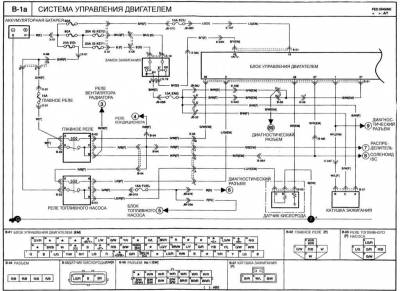
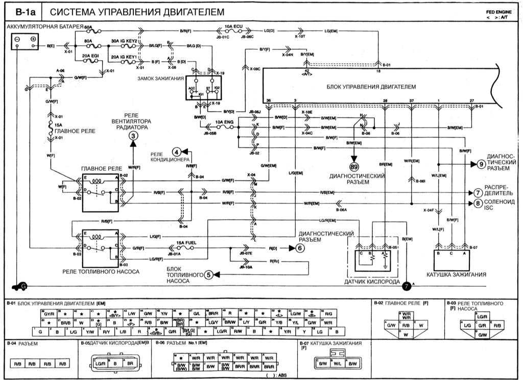
Эл.схема системы управления двигателем
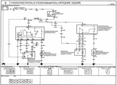
Стеклоочиститель и стеклоомыватель, передний и задний — схема
Фары, габаритное освещение, заднее освещение и освещение номерного знака — эл.схема
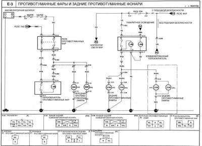
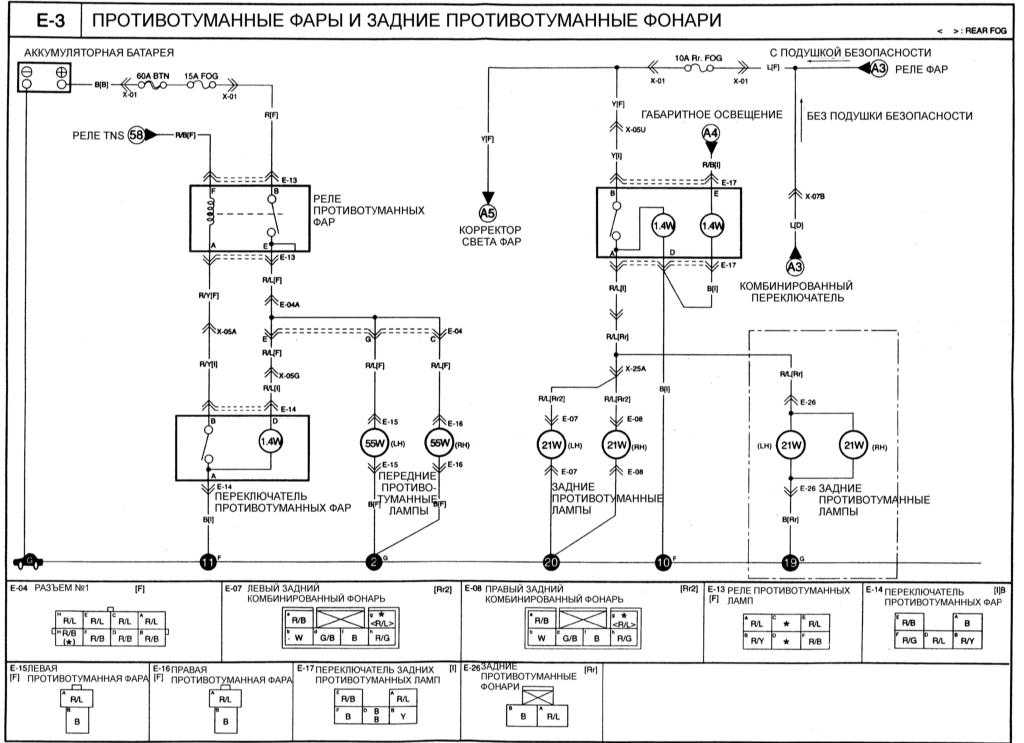
Противотуманные фары и задние противотуманные фонари — схема на Kia Clarus
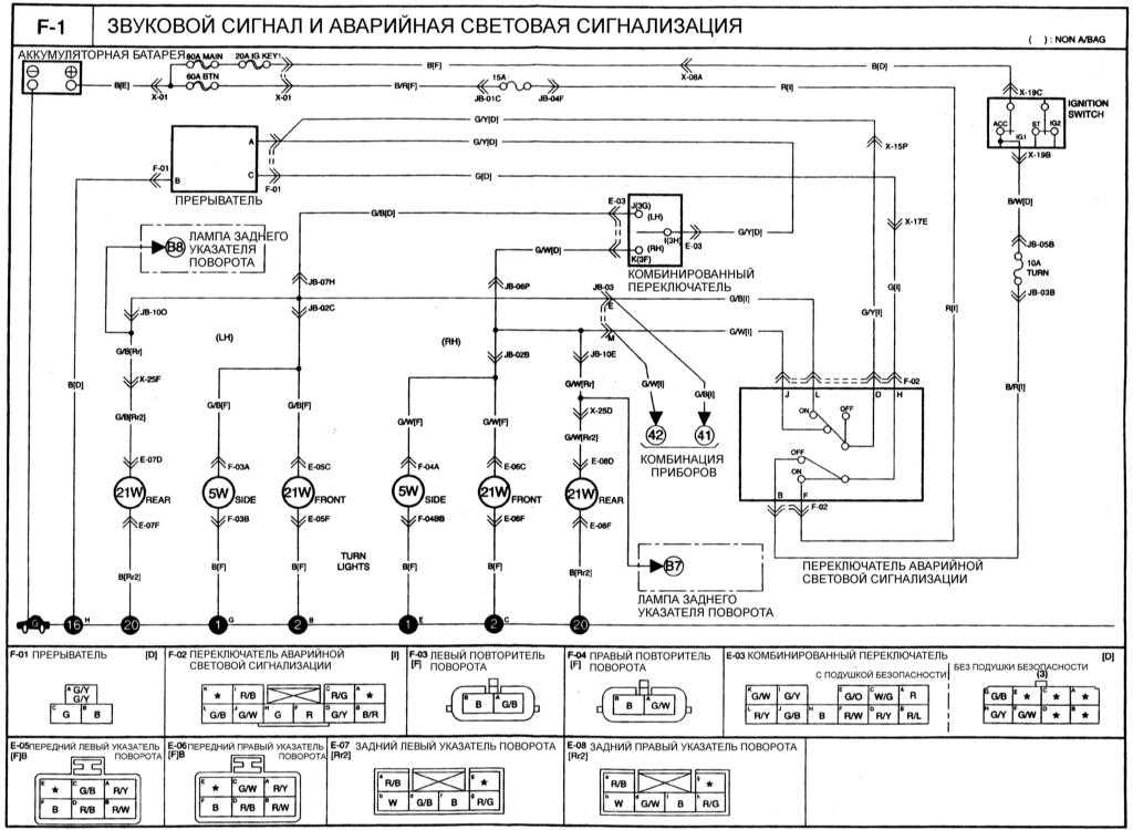
Схема звукового сигнала и аварийной световой сигнализации на Киа Кларус
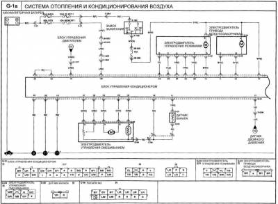
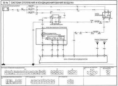
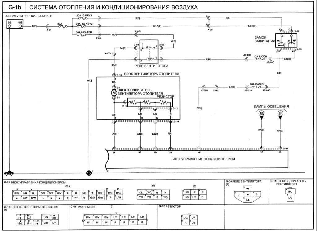
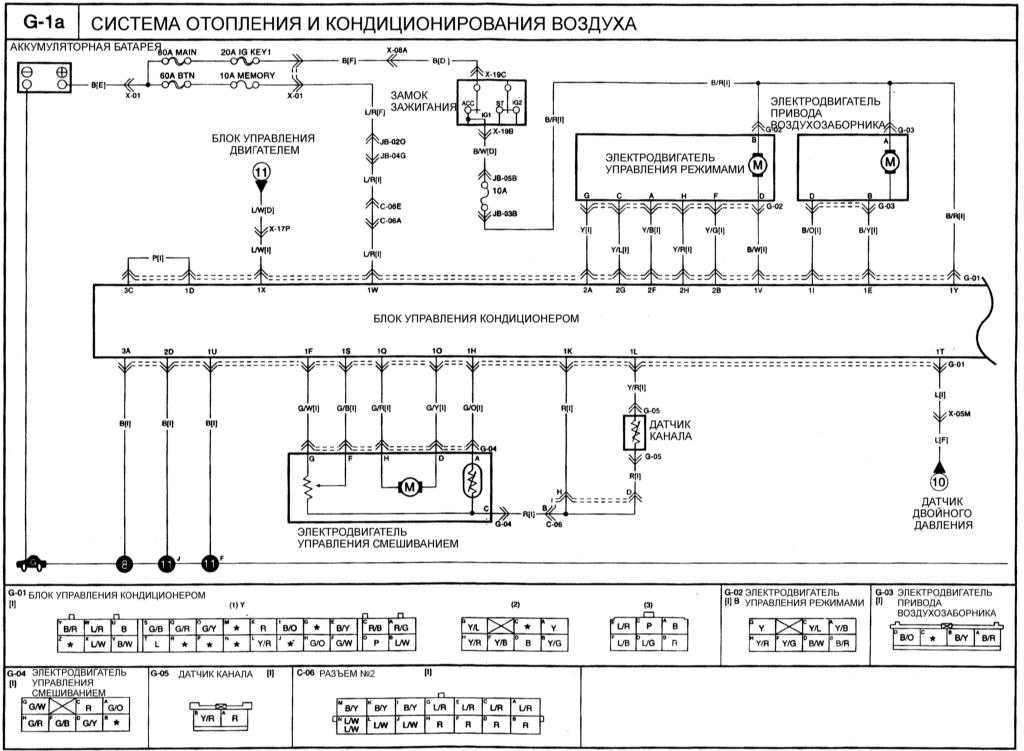
Электросхема системы отопления и кондиционирования воздуха
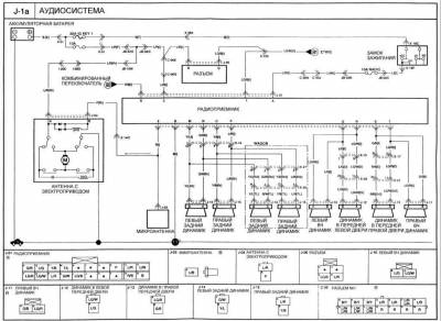
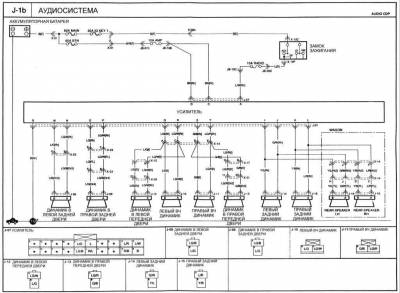
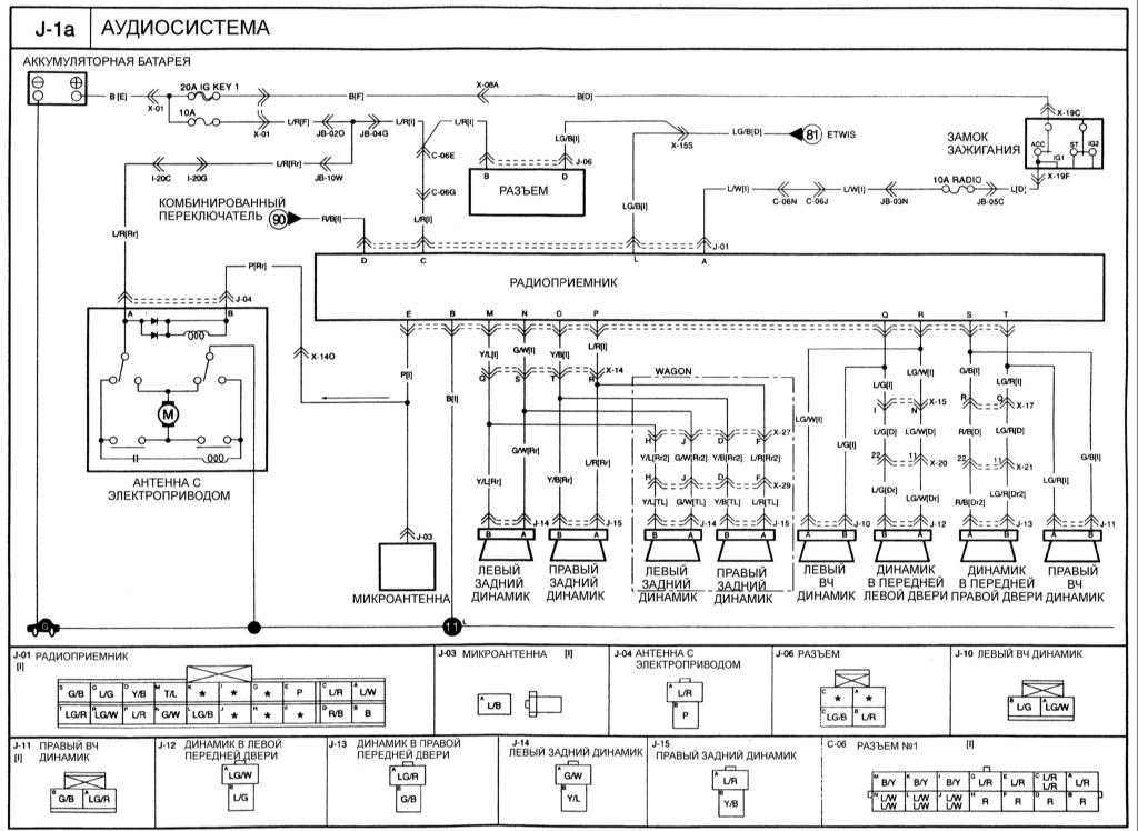
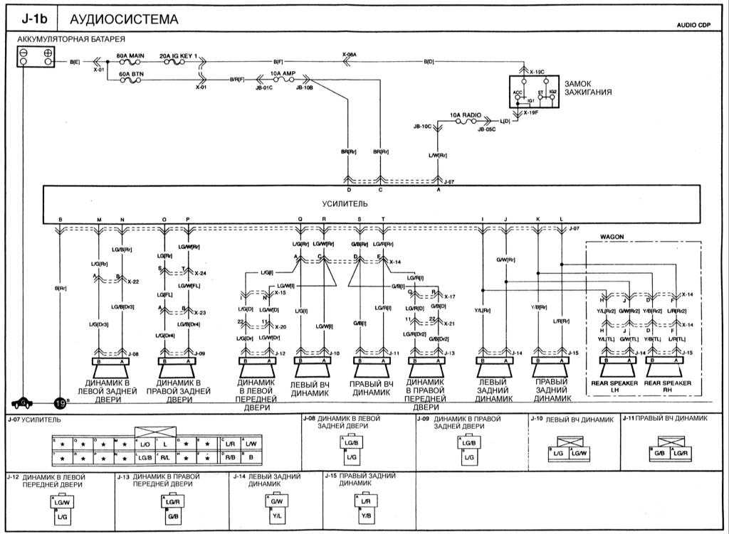
Эл.схема аудиосистемы на Kia Clarus
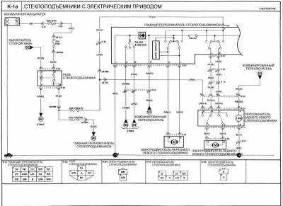
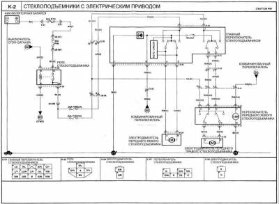
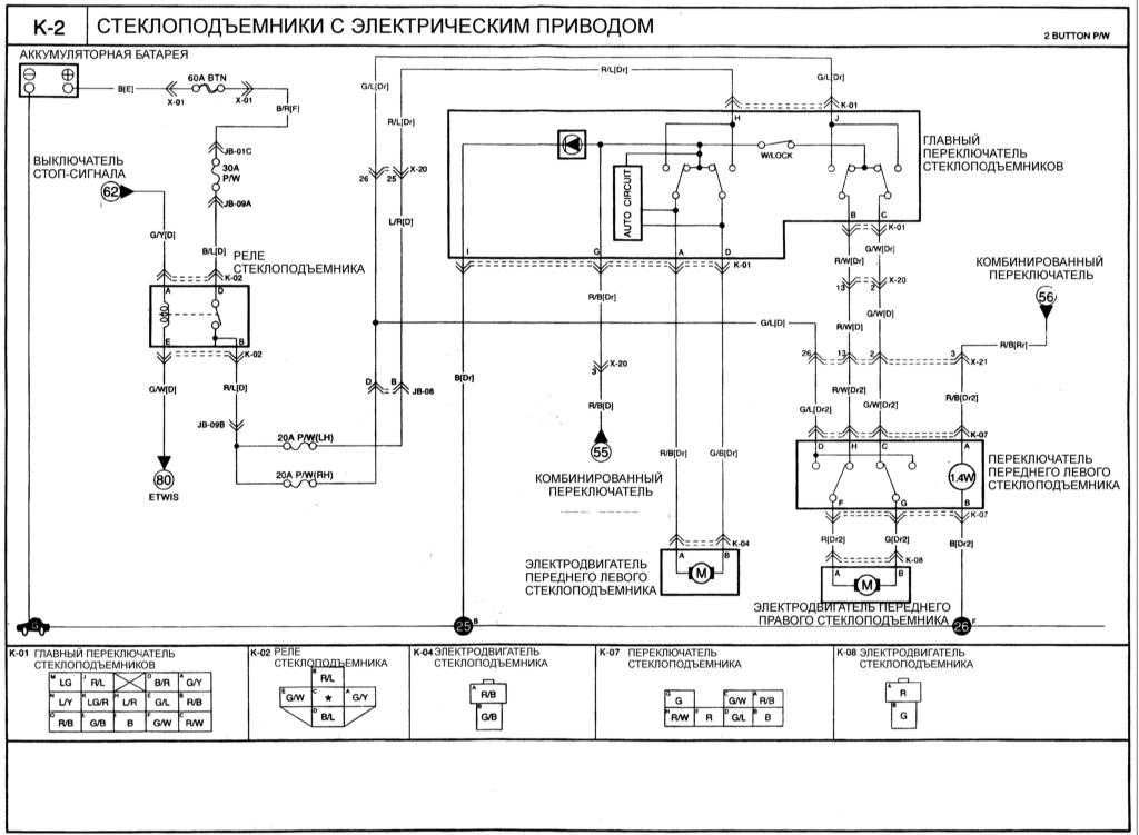
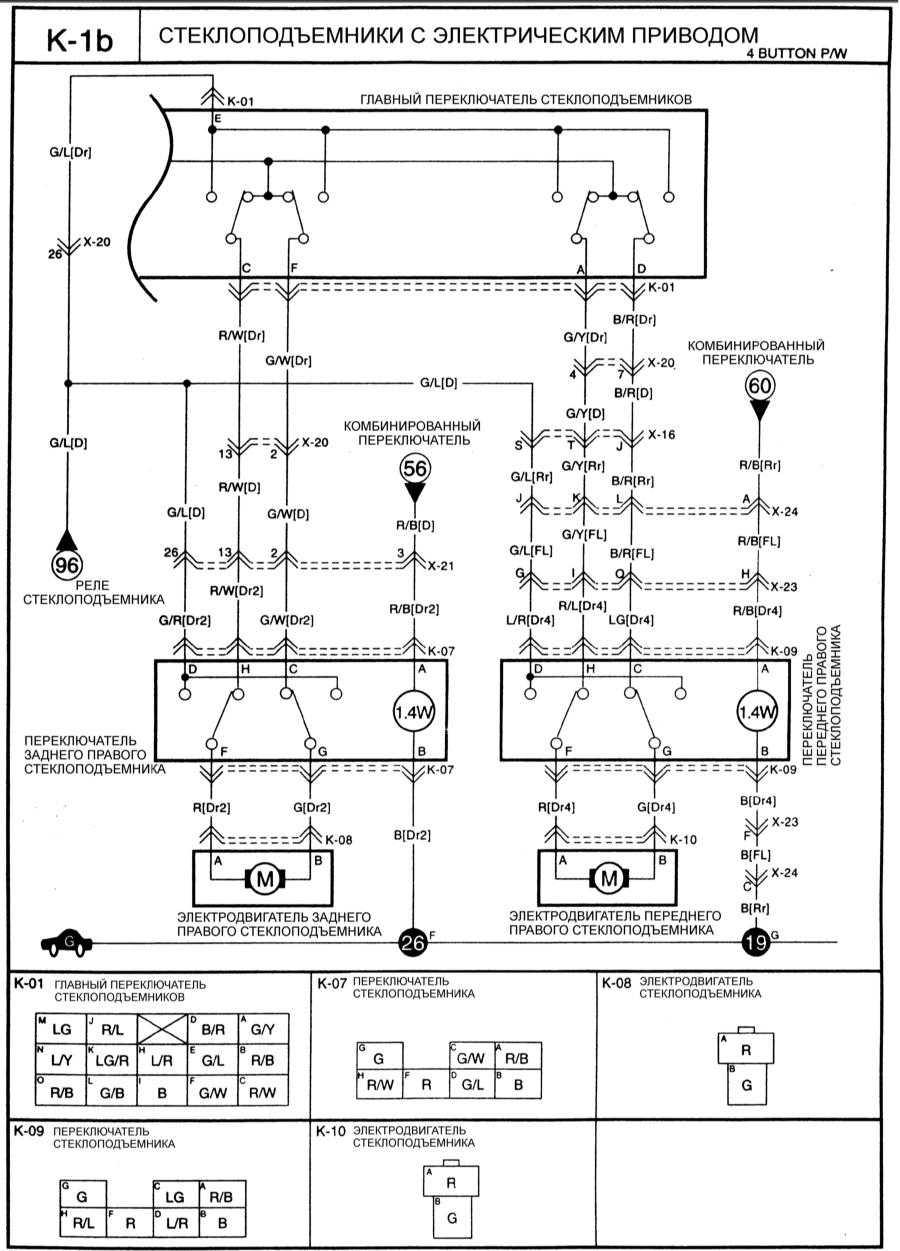
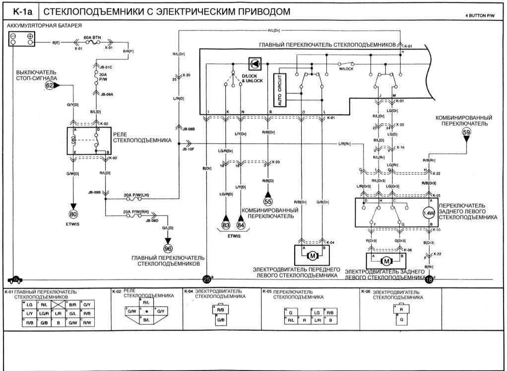
Схема стеклоподъемников с электроприводом
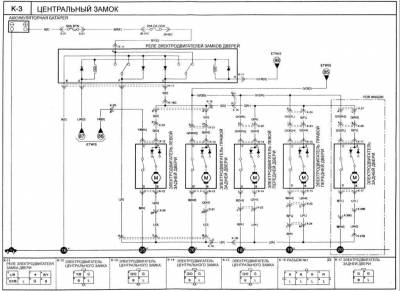
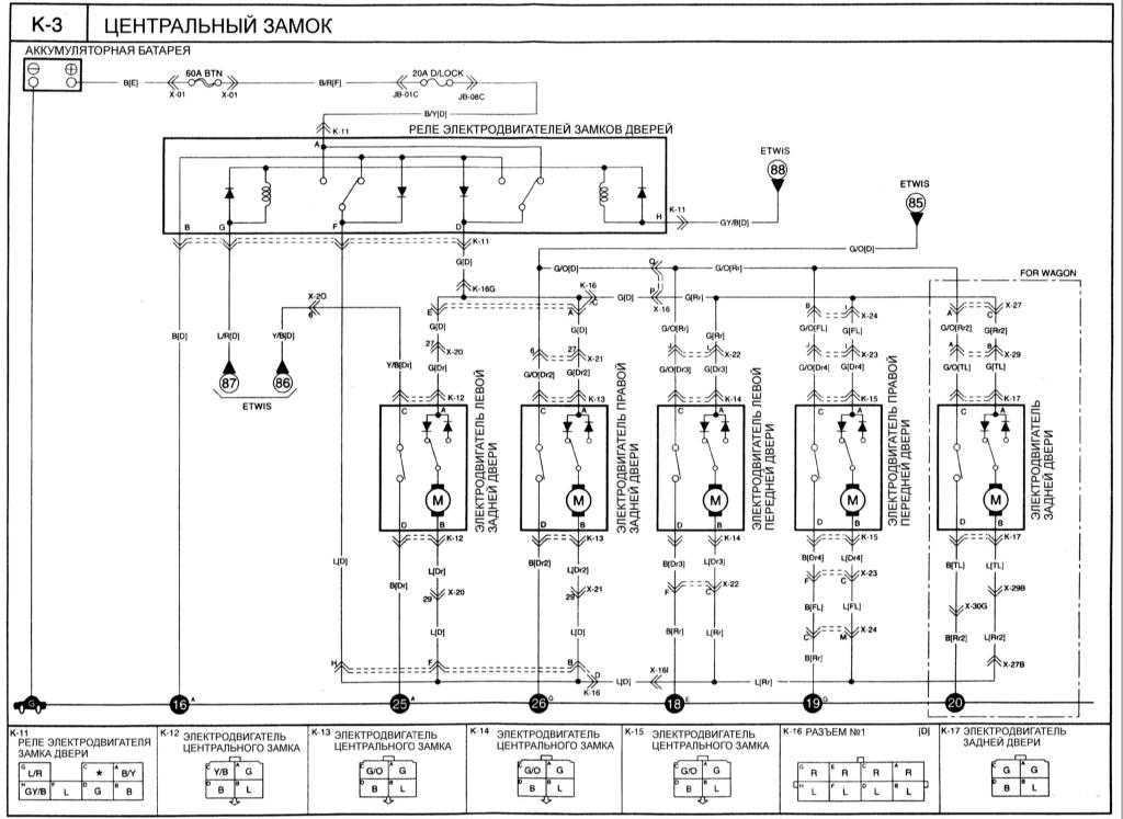
Центральный замок — электросхема на Киа Кларус
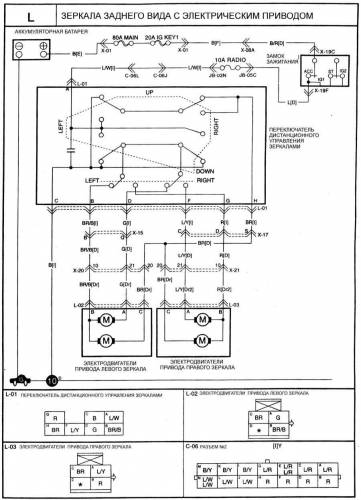
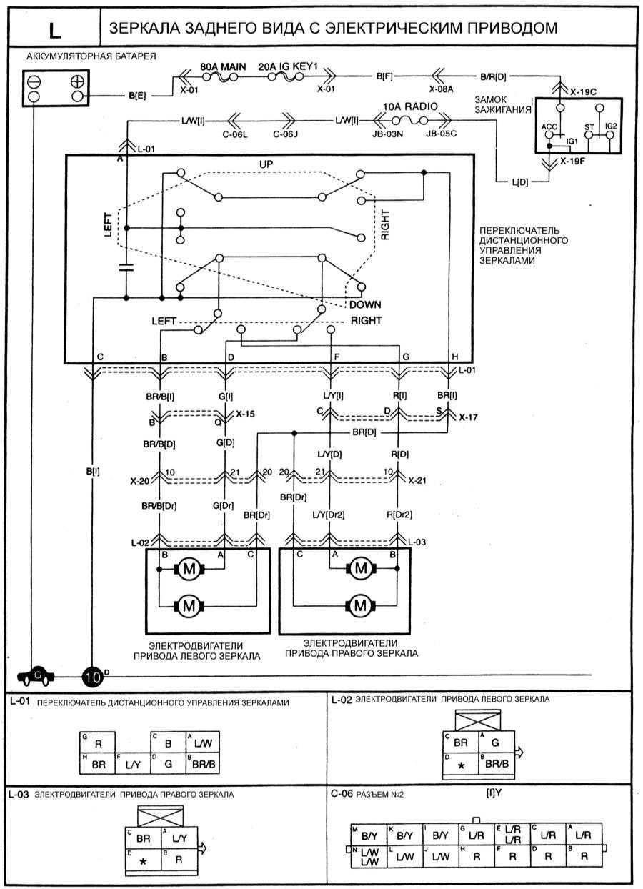
Зеркала заднего вида с электрическим приводом — схема
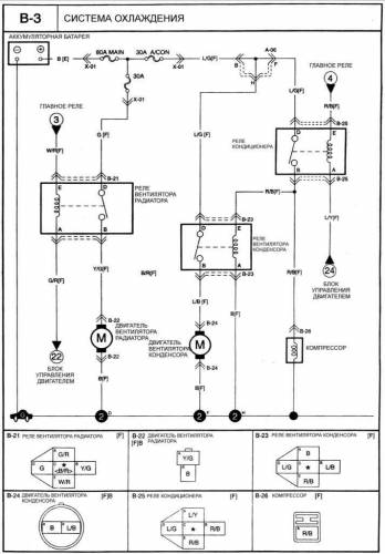
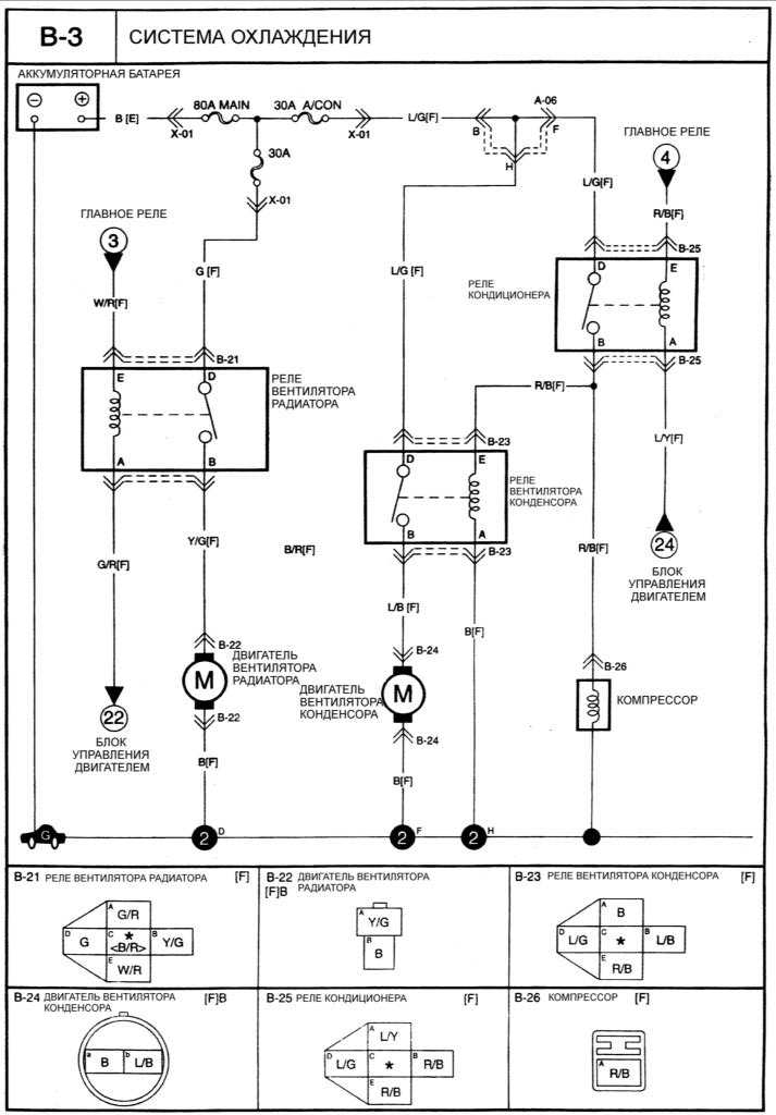
Схема системы охлаждения на Kia Clarus
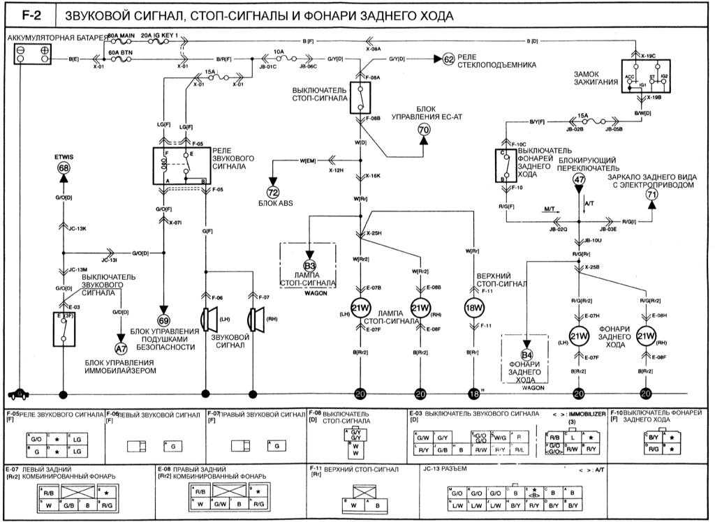
Звуковой сигнал, стоп-сигналы и фонари заднего хода — схема




















