Представляем вашему вниманию, уникальные электросхемы на Kia Magentis 2000-2006 г.в. Новый 2,0-литровый мотор Theta выдает 145 л. с. Разгон до 100 км/час занимает 10-11 сек. Максимальный скоростной порог — 208 км/час. Кстати привод ГРМ в новом моторе — цепной, а поршни и кольца изготовлены из нового высокопрочного сплава, что увеличило срок их службы. Силовой агрегат порадует владельцев скромным «аппетитом» — 6,2 л на трассе и 10,5 л на 100 км в городе. На выбор предлагается: механическая 5-ступенчатая коробка передач или 4-ступенчатый «автомат».
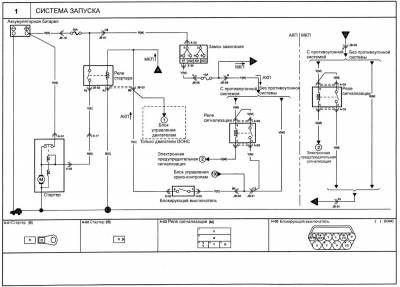
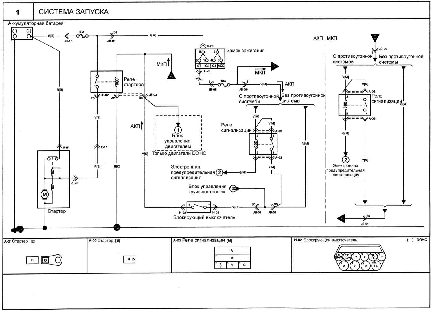
Схема сиcтемы запуска на
Kia Magentis
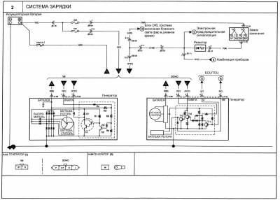
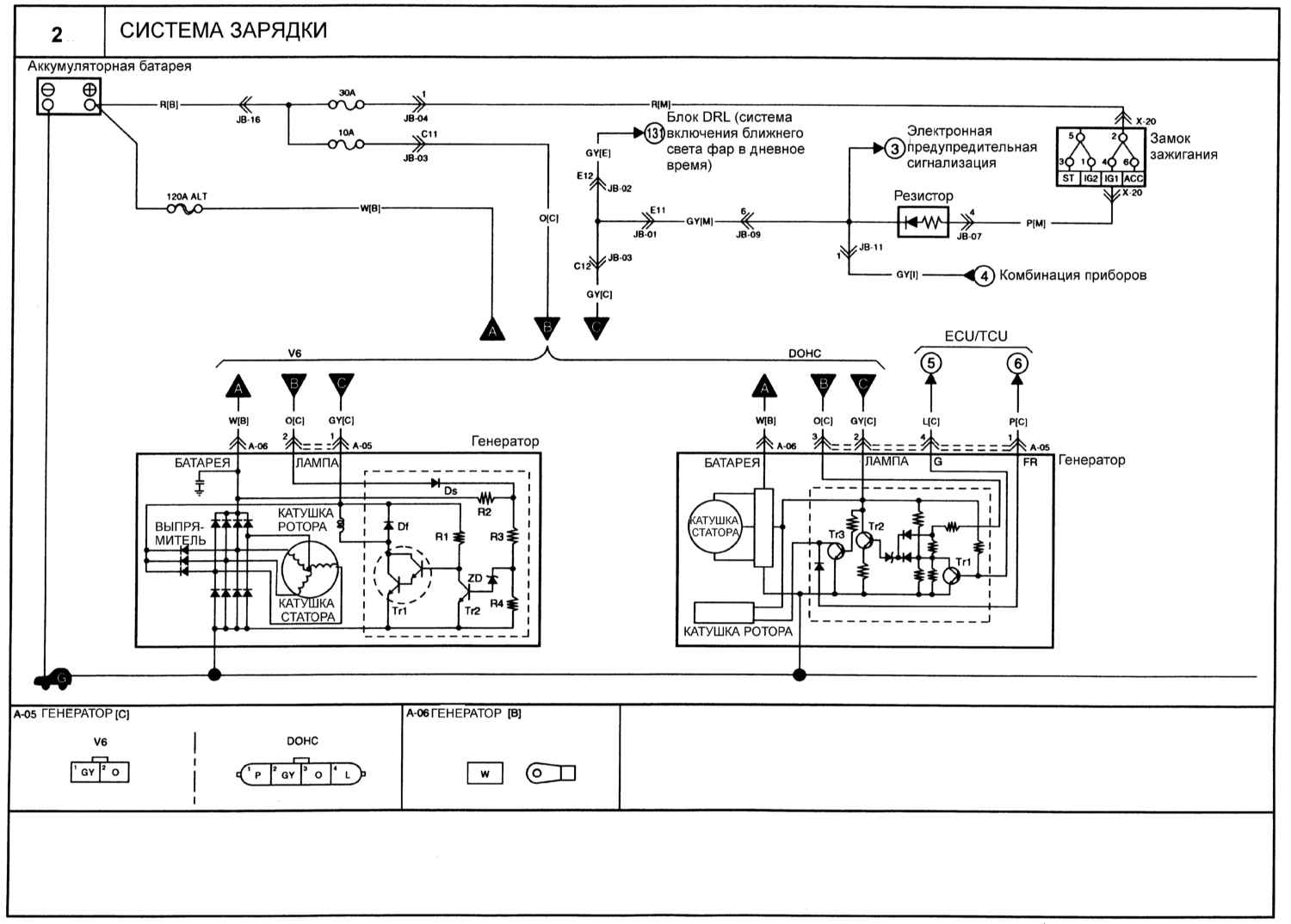
Эл.схема системы зарядки на Киа Маджентис
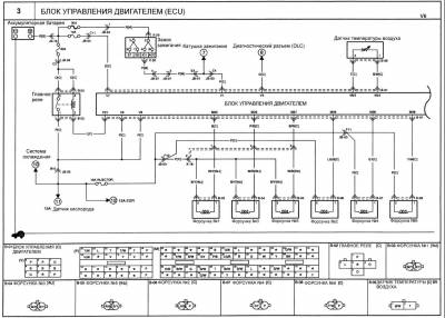
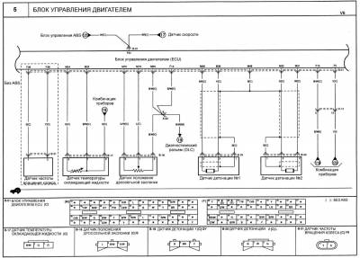
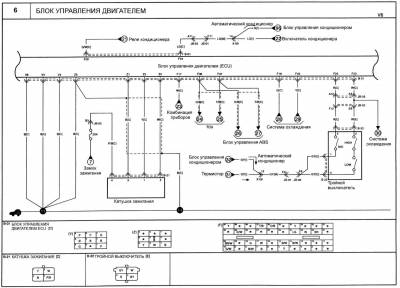
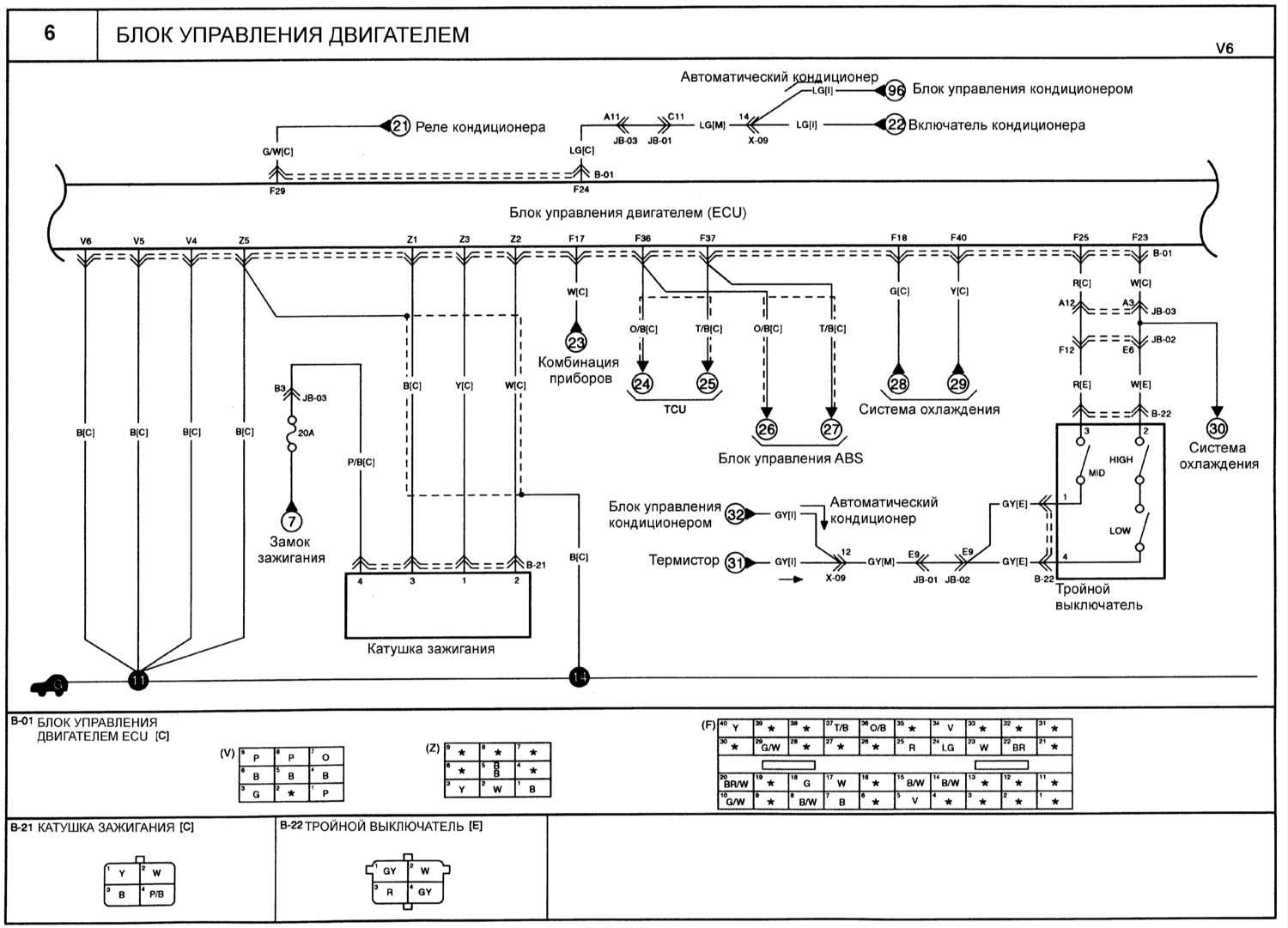
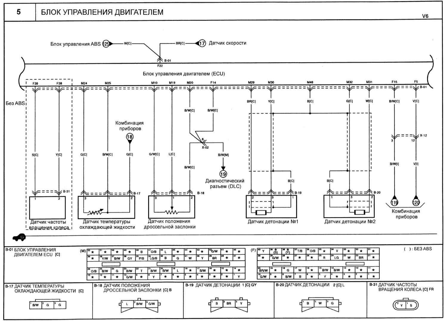
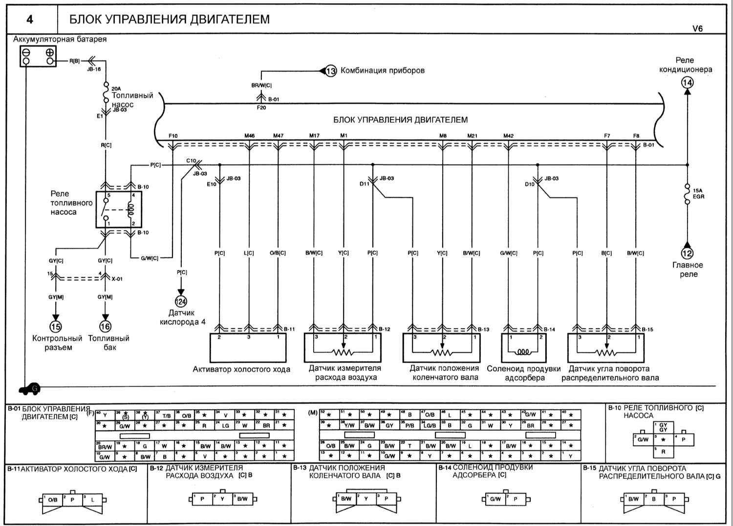
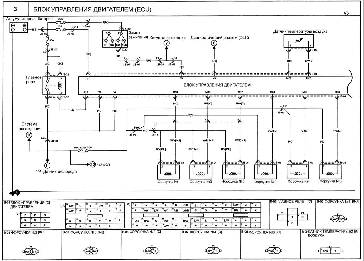
Блок управления двигателем (ECU) — схема
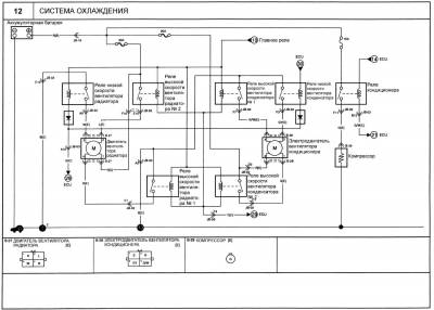
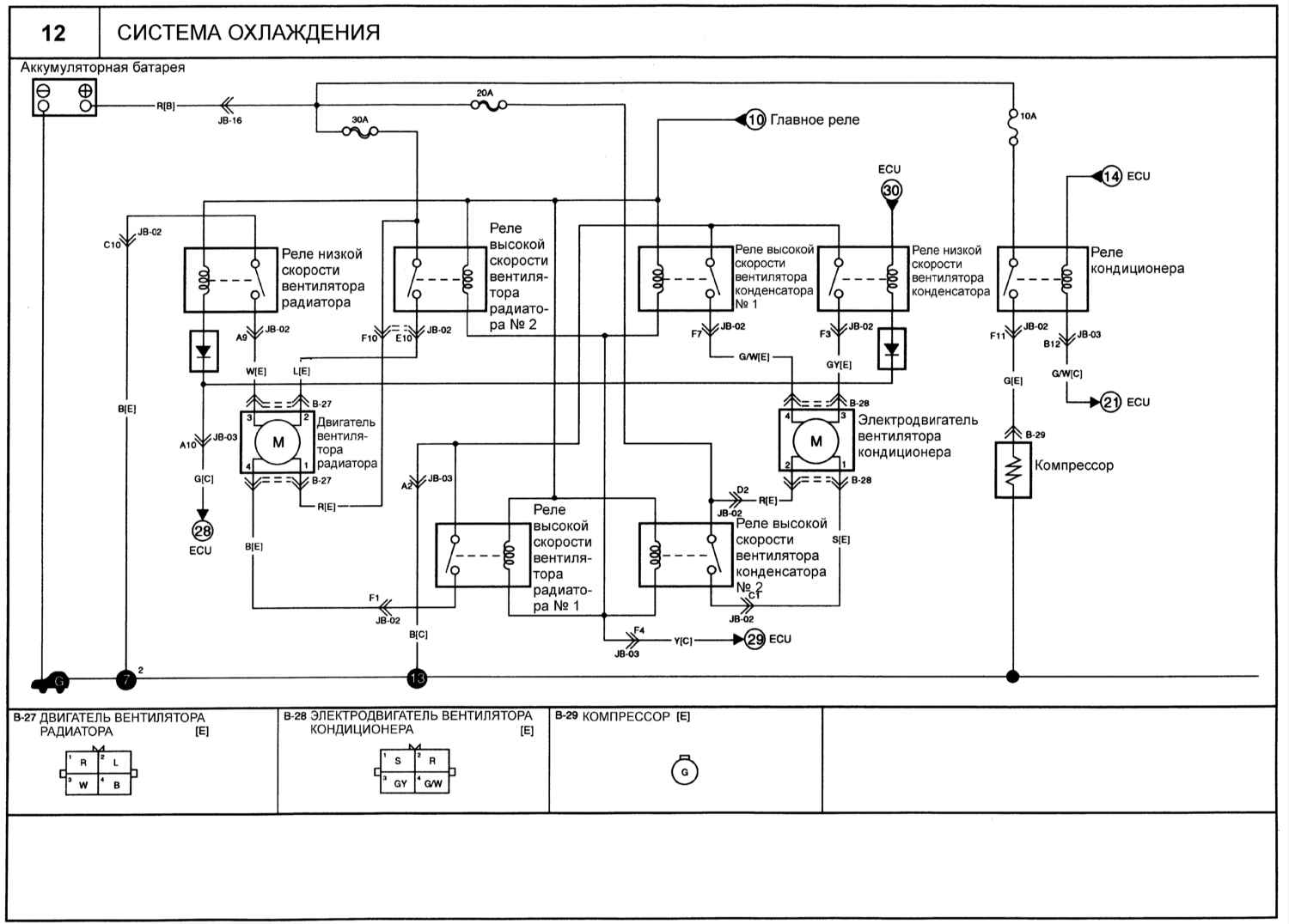
Схема системы охлаждения на Киа Маджентис
Антиблокировочная система тормозов (ABS) — электросхема
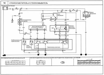
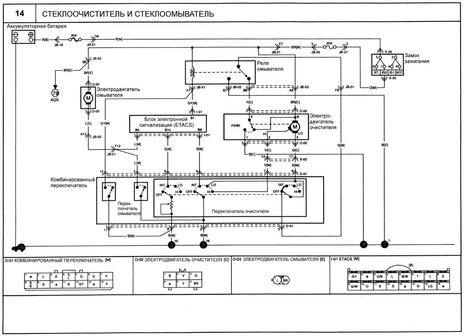
Стеклоочиститель и стеклоомыватель — эл.схема на
Kia Magentis
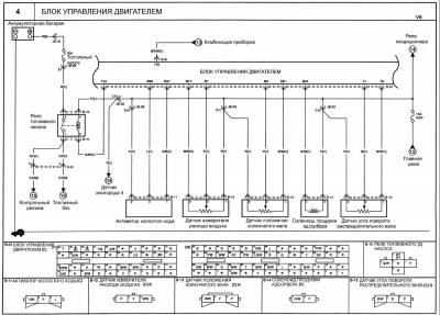
Электросхема блока управления двигателем на
Kia Magentis
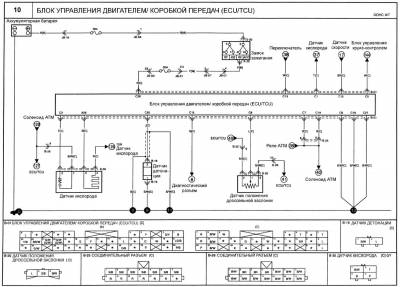
Блок управления двигателем, коробкой передач (ECU/TCU) — эл.схема
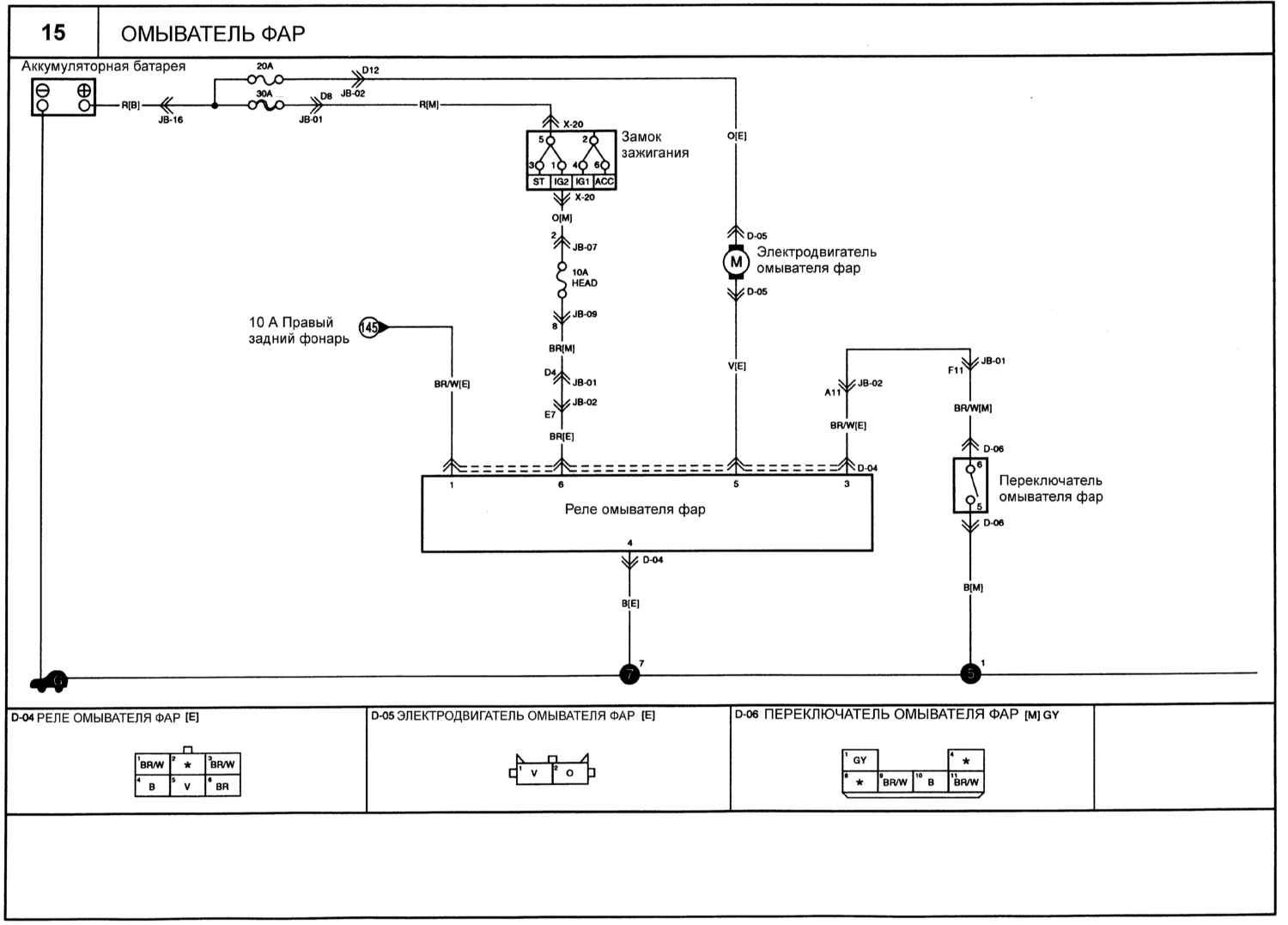
Омыватель фар — схема на Киа Маджентис















