Электрическая схема на оборудывание для Kia Rio 2000 г.в. Вместе с комфортом новый Rio дарит своему владельцу уверенность и спокойствие, поскольку эта модель оснащена всеми мыслимыми современными системами безопасности: системой ABS, программой курсовой устойчивости, двойными передними, боковыми и верхними подушками безопасности. Увеличенное расстояние между задней и передней осями и колесами каждой оси обеспечивают дополнительную устойчивость при движении. А независимая передняя и полузависимая задняя подвески дают возможность мягкой и комфортной езды даже при неровном дорожном покрытии.
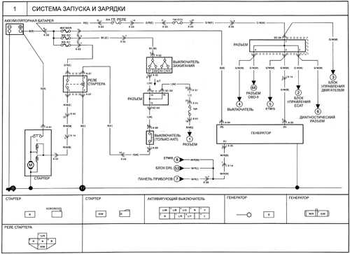
Электрические схемы на Киа Рио — общие сведения
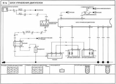
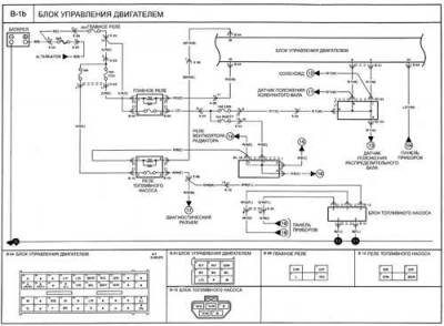
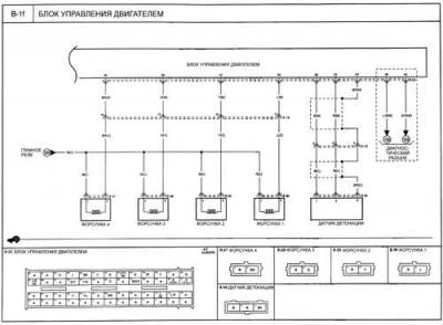
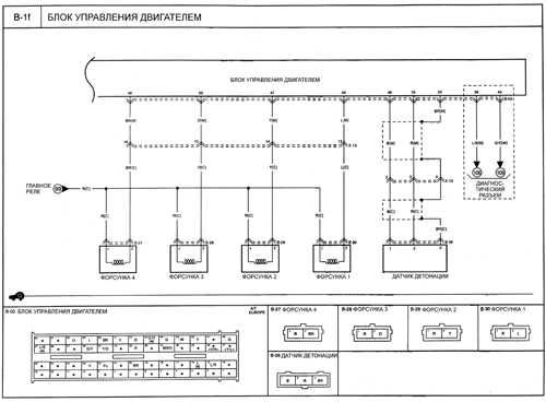
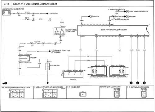
Электросхема блока управления двигателем на
Kia Rio
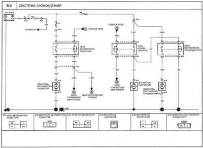
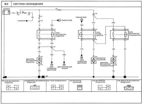
Схема системы охлаждения
Комбинация приборов и контрольные лампы — электросхема
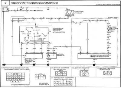
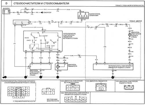
Схема стеклоочистителей и стеклоомывателей на Киа Рио
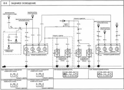
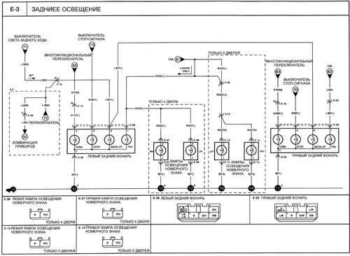
Заднее освещение — схема
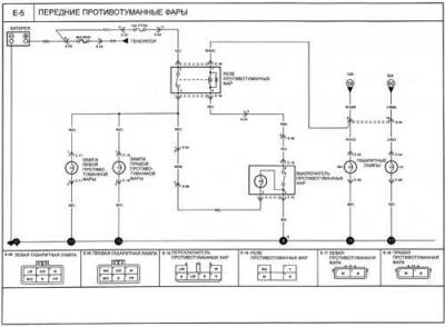
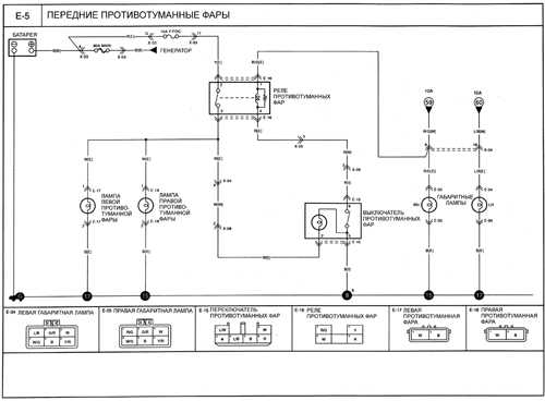
Эл.схема передних противотуманных фар
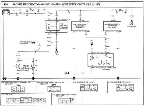
Задние противотуманные фонари, корректор света фар (HLLD) — схема
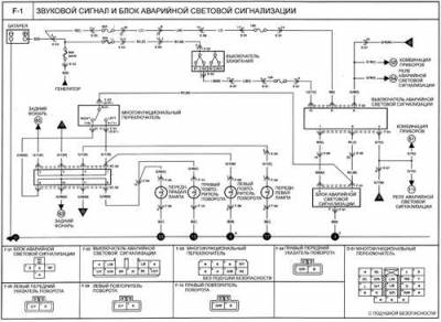
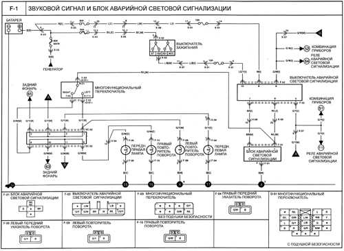
Электросхема звукового сигнала и блока аварийной световой сигнализации
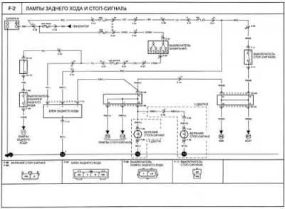
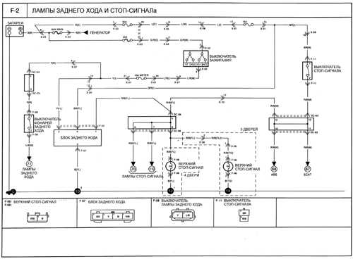
Схема лампы заднего хода и стоп-сигнала на Киа Рио
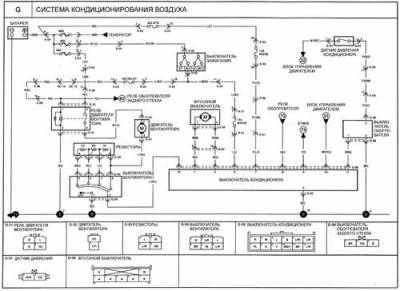
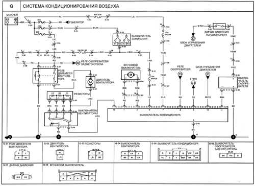
Система кондиционирования воздуха — эл.схема
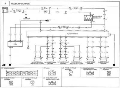
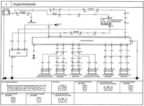
Радиоприемник на Киа Рио — схема
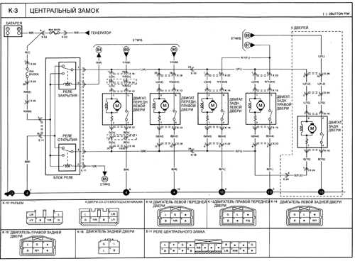
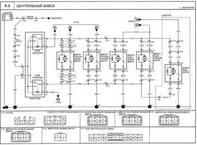
Центральный замок — эл.схема на Kia Rio




















