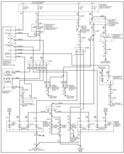
Схемы к электрооборудыванию на Kia Sportage 1999-2002 г.в. 10-летний опыт эксплуатации автомобилей Kia Sportage лишен каких-либо серьезных недостатков. Долговечность трансмиссии и двигателя Kia Sportage будет зависеть от соблюдения правил эксплуатации: производитель рекомендует замену масла в бензиновых двигателях – каждые 15000 км, дизельных – каждые 7500 км, в автоматической КПП – каждые 30000 км. Также следует обратить внимание, что при замене ремня ГРМ на Kia Sportage на любом из перечисленных выше типов двигателей следует менять и ролики — это избавит, как минимум, от повторной оплаты той же работы через какое-то время, если вы это успеете, в противном же случае заклинивший ролик неминуемо приводит к быстрому обрыву ремня ГРМ и встрече клапанов с поршнями.
Используемые на эл.схемах аббревиатуры
АТ Автоматическая трансмиссия
ГТЦ Главный тормозной цилиндр
Д/В Датчик-выключатель
К/В Кондиционер воздуха
К/Л Контрольная лампа
ПР-ЛЬ Предохранитель
РКПП Ручная коробка переключения передач
ТЭН Термоэлектрический нагревательный элемент
Э/М Электромагнитный
Э/МОТОР Электромотор
Э/МАГН Электромагнит
4WD Полный привод
ADU Блок диагностики подушек безопасности
ABS Система антиблокировки тормозов
DLC Диагностический разъем
DRL (Система) ходовых огней светлого времени суток
CAS Датчик ускорения шасси
CKP (Датчик) положения коленчатого вала
CMP Датчик положения распределительного вала
ECM Модуль управления двигателя
ECT (Датчик) температуры охлаждающей жидкости
IAC (Система) стабилизации оборотов холостого хода
IAT (Датчик) температуры всасываемого воздуха
J/C Соединительная колодка
KS Датчик детонации
MAF Термоанемометрический датчик измерения массы воздуха
MIL Контрольная лампа отказов
PNP (Датчик-выключатель) положения АТ/разрешения запуска
SRS Система дополнительной безопасности (подушки безопасности)
TCC Блокирующая муфта гидротрансформатора АТ
TPS Датчик положения дроссельной заслонки
VSS Датчик скорости движения автомобиля
Коды обозначения цвета изоляции электропроводки
BLK Черный
BLU Синий
BRN Коричневый
GRN Зеленый
GRY Серый
NCA Любой
ORG Оранжевый
PNK Розовый
PPL Пурпурный
RED Красный
TAN Золотистый
VIO Фиолетовый
WHT Белый
YEL Желтый
LT Светло-
Например: LT GRN Светло-зеленый
OR или
Например: GRN OR BLU Зеленый или Синий
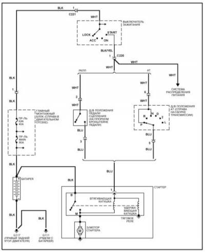
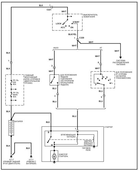
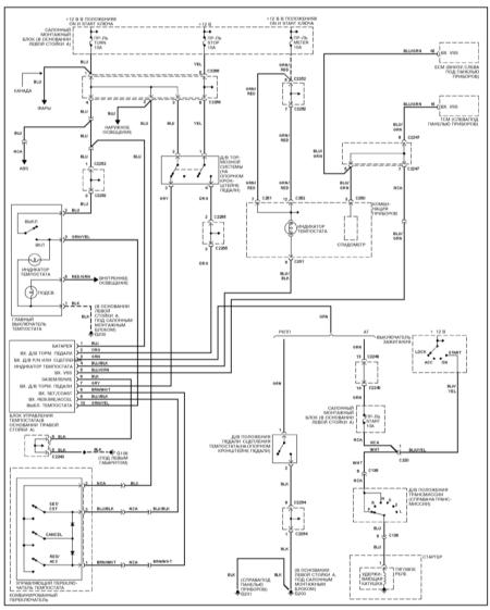
Схема системы запуска на Kia Sportage
Эл.схема системы заряда
Бортовой компьютер — схема на Киа Спортейдж
Линии данных компьютера — эл.схема
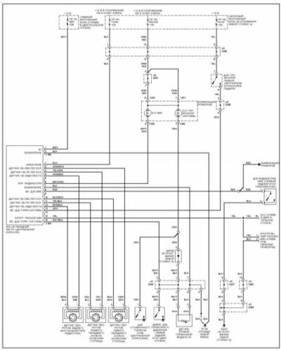
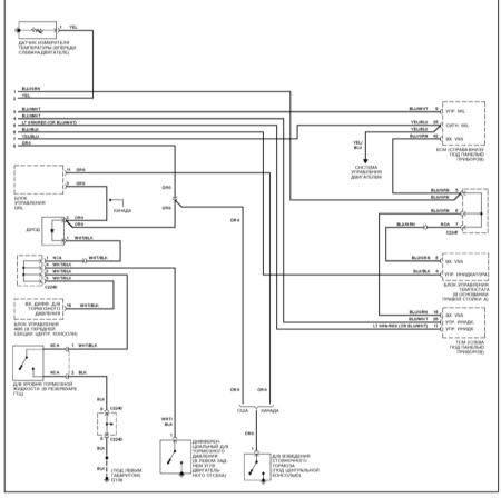
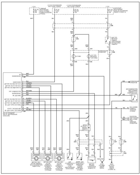
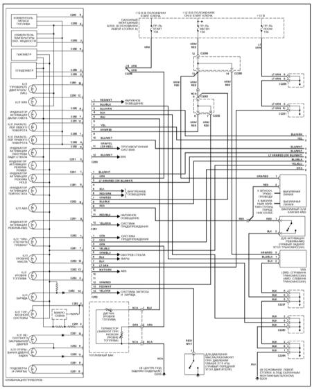
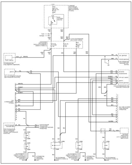
Комбинация приборов — схема
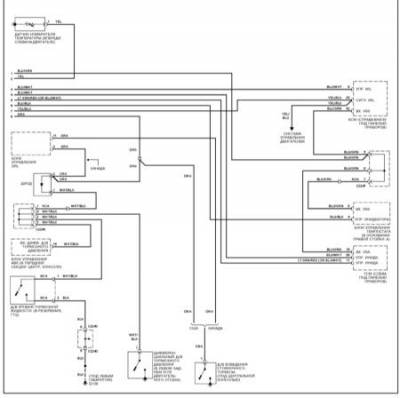
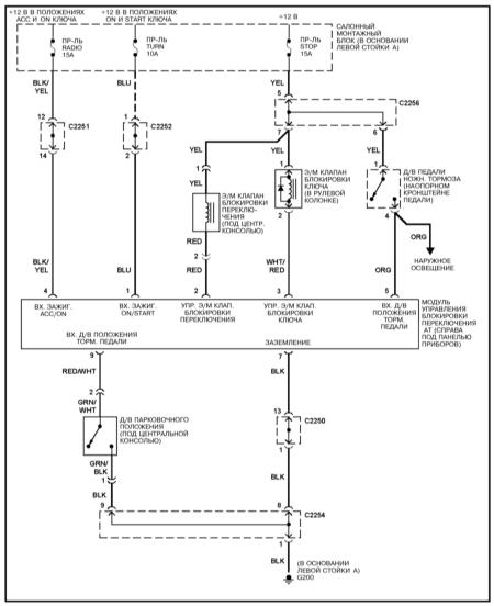
Электросхема автоматической трансмиссии на Kia Sportage
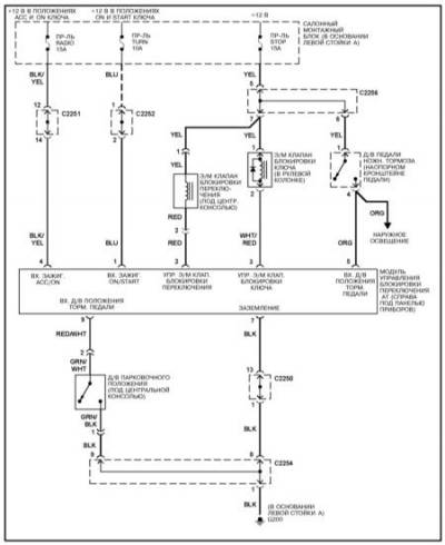
Блокировка переключения АТ — эл.схема
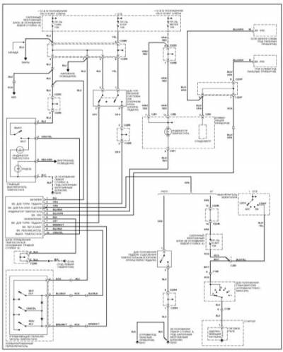
Схема системы антиблокировки тормозов (ABS)
Темпостат — схема на Kia Sportage
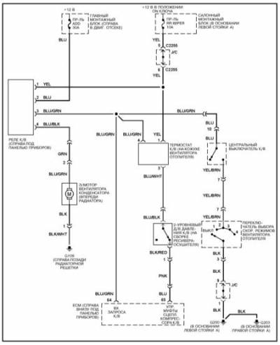
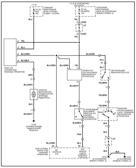
Вентилятор конденсатора К/В — электросхема
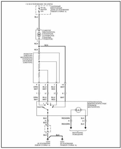
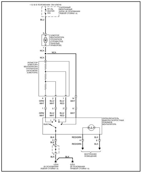
Схема системы отопления
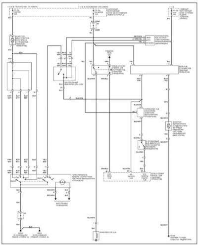
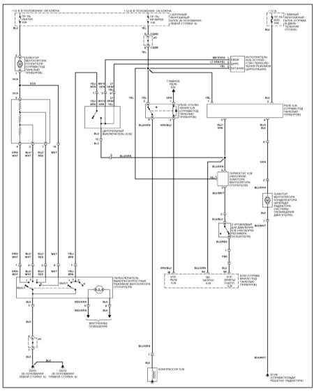
Система кондиционирования воздуха К/В — схема на Kia Sportage
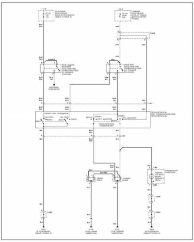
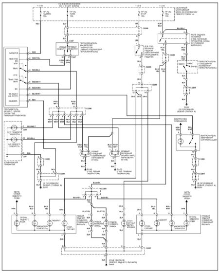
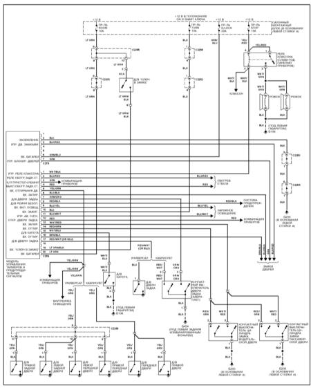
Наружное освещение (Универсал) — электросхема
Наружное освещение (Кабриолет) — схема
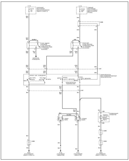
Фары — электросхема на
Киа Спортейдж
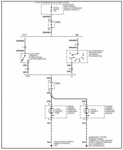
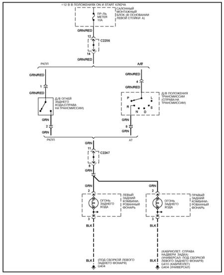
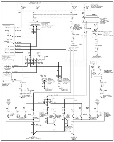
Эл.схема огней заднего хода
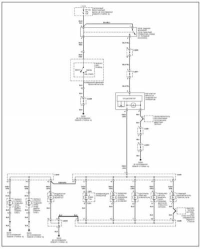
Схема подсветки приборов
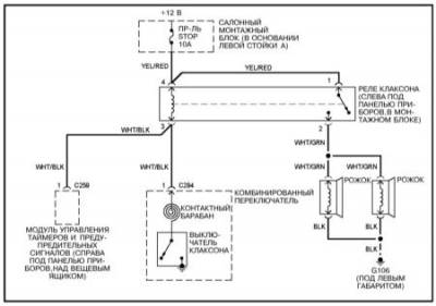
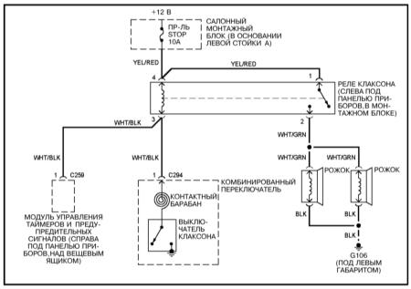
Клаксон — схема на Киа Спортейдж
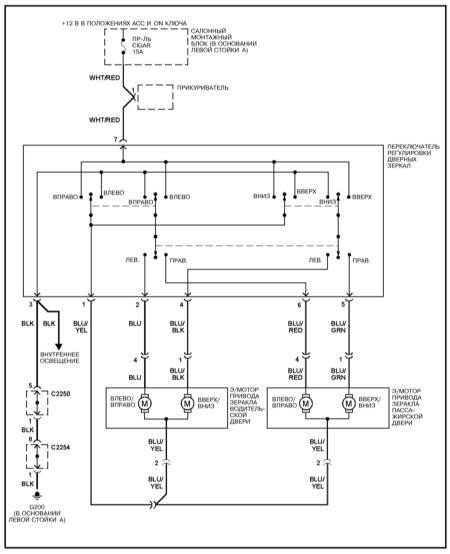
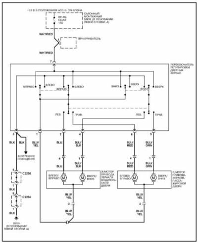
Электропривод дверных зеркал — схема




















