В данной статье, мы выложили всевозможные схемы электрооборудования на KIA Cerato с 2003 г.в. и младше. Создавая в сотрудничестве дизайнерских подразделений новый Kia Cerato, создатели учли пожелания самых требовательных клиентов. Вид спортивного облика сохранен, но теперь еще больше внимания уделено элегантности и выразительности. Характерное для всех моделей Kia, разработанных под руководством Питера Шраера, фирменное решение дизайна радиаторной решетки «пасть тигра» — делает Cerato однозначно узнаваемым и подчеркивает его принадлежность к марке, а стремительные линии кузова исполнены в популярной в наши дни стилистике «спортивного купе».
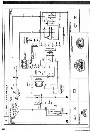
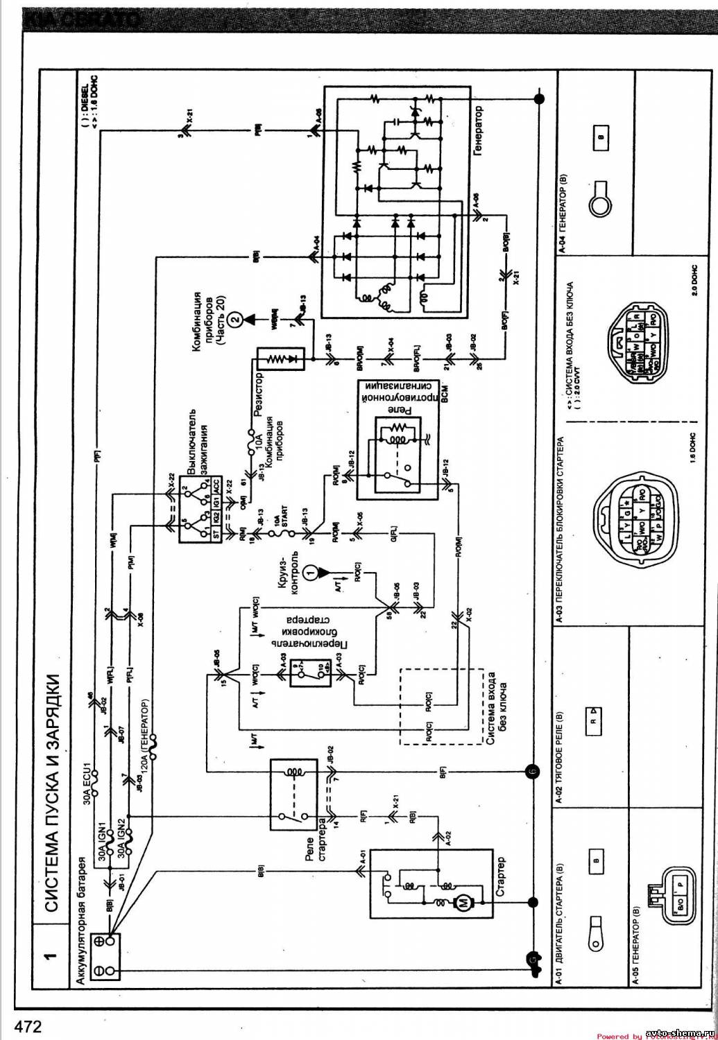
Схема системы пуска и зарядки
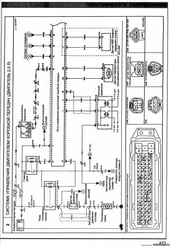
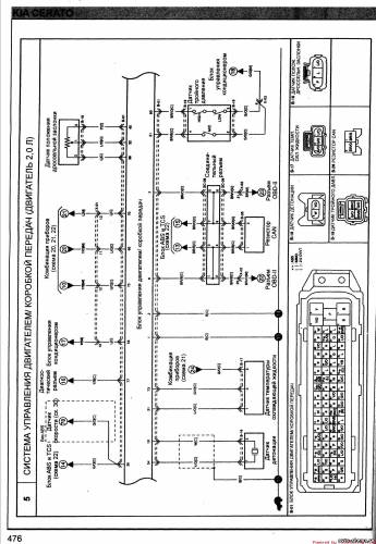
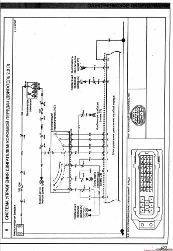
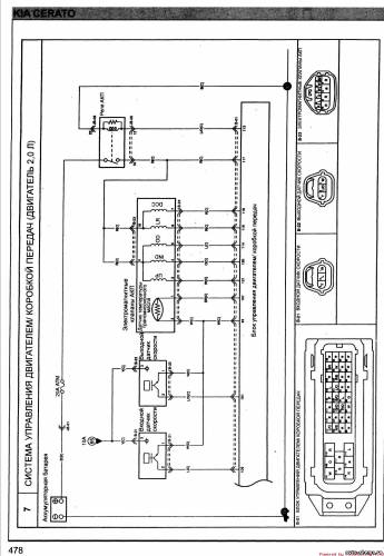
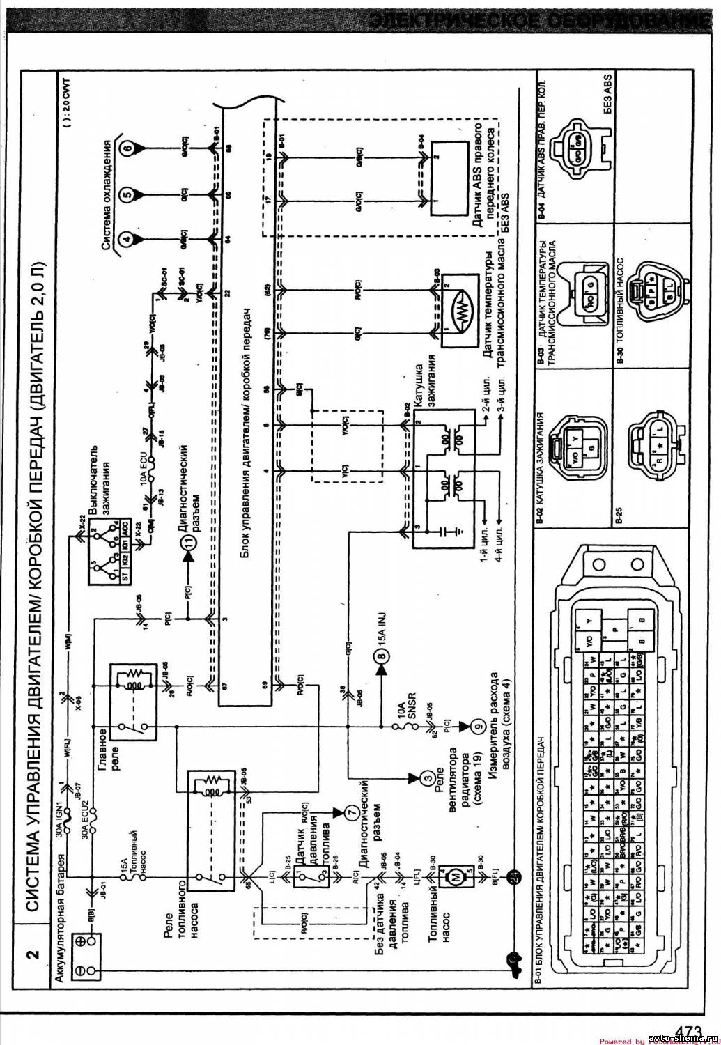
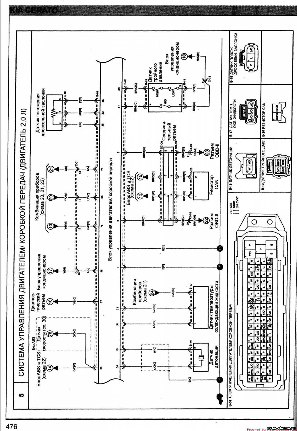
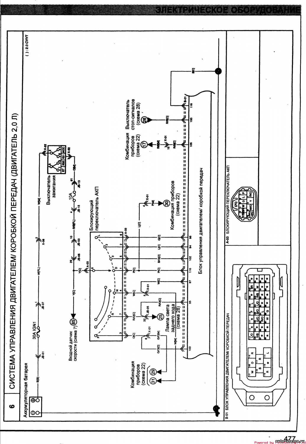
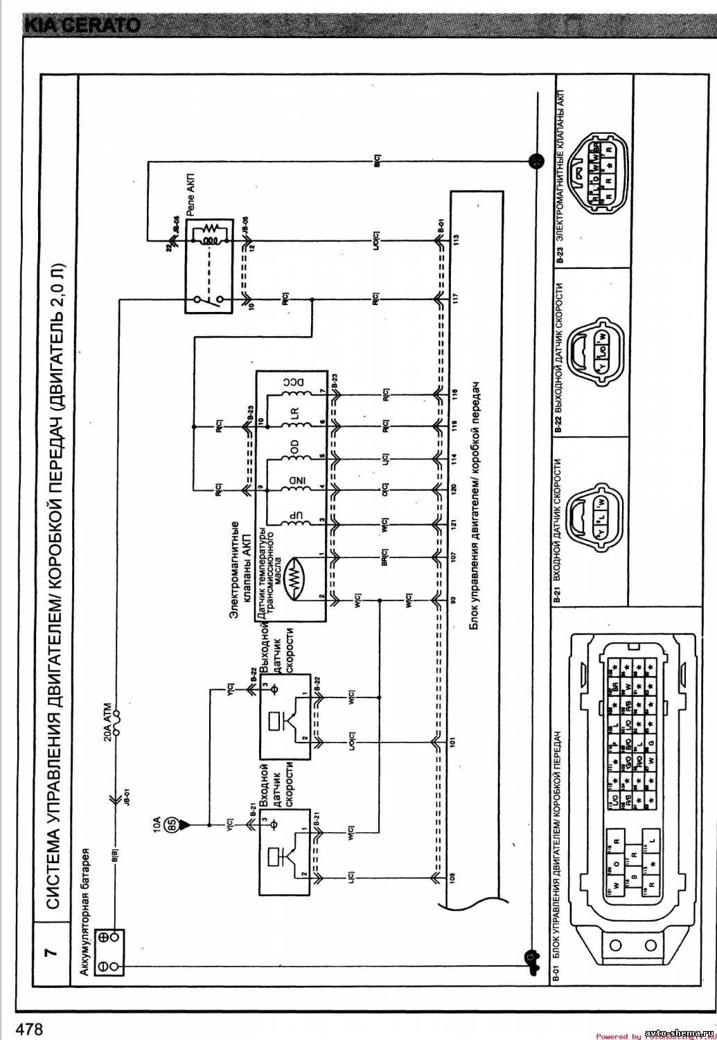
Электросхема управления двигателем и коробкой передач
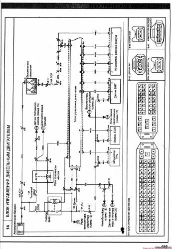
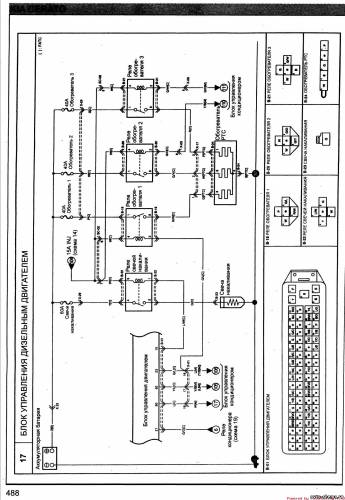
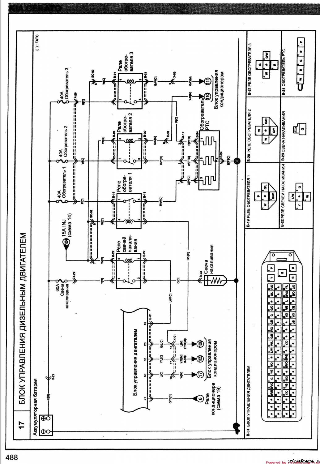
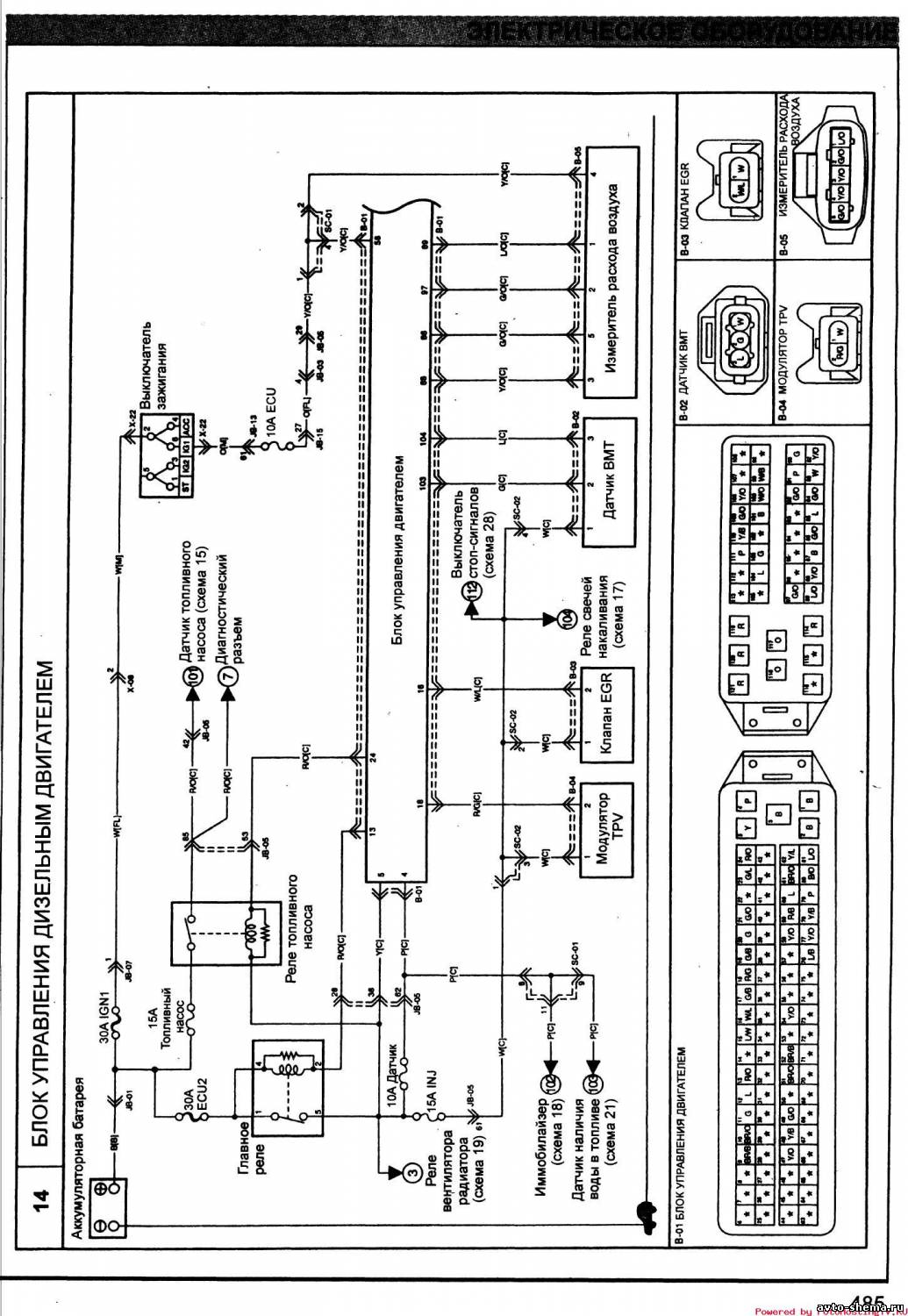
Эл.схема блока управления дизельным двигателем
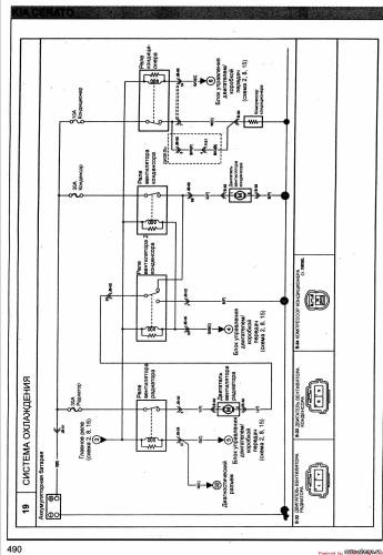
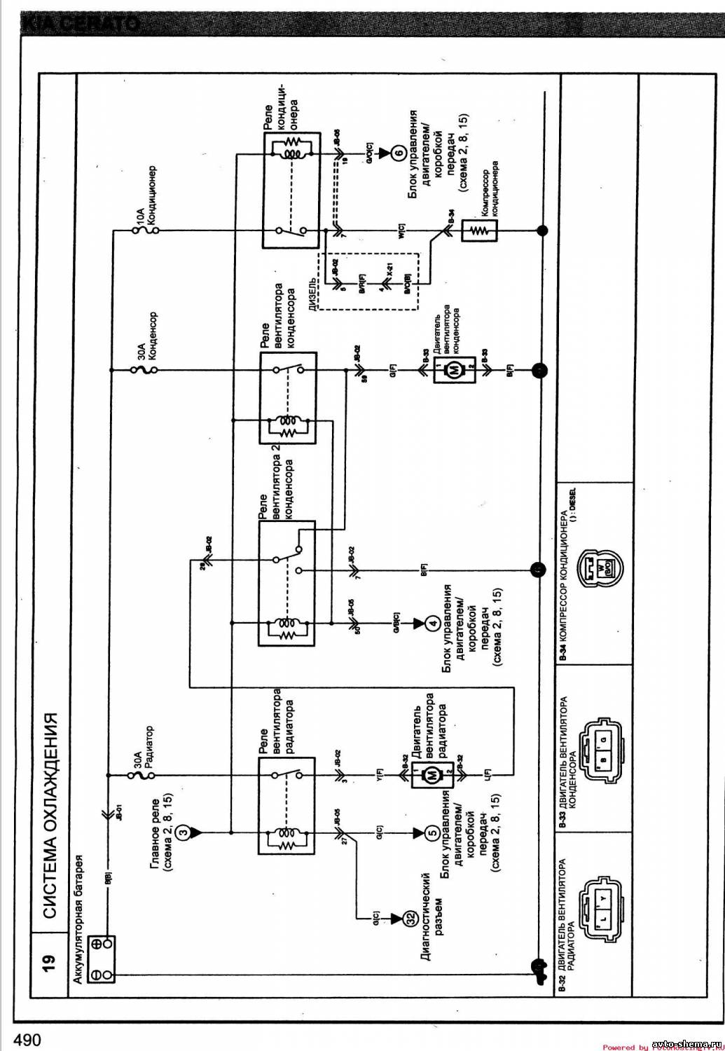
Схема системы охлаждения
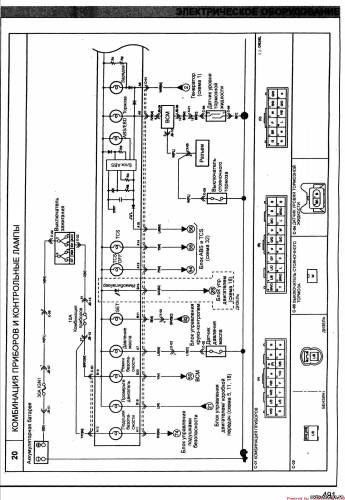
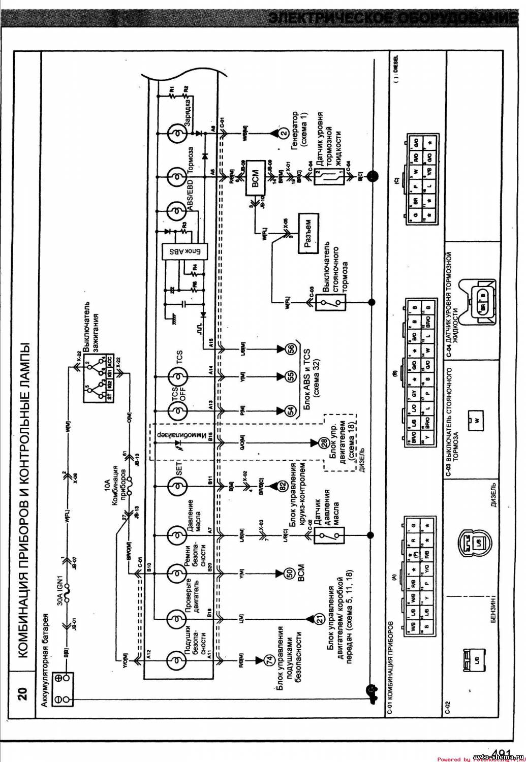
Электросхема комбинации приборов и контрольных ламп
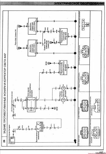
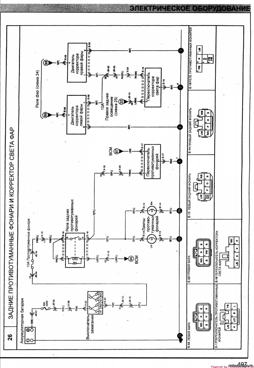
Эл.схема задних противотумааных фонарей и корректора света фар
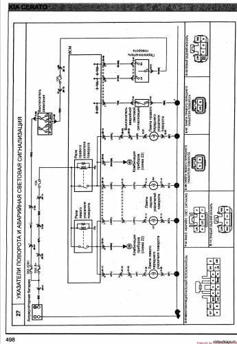
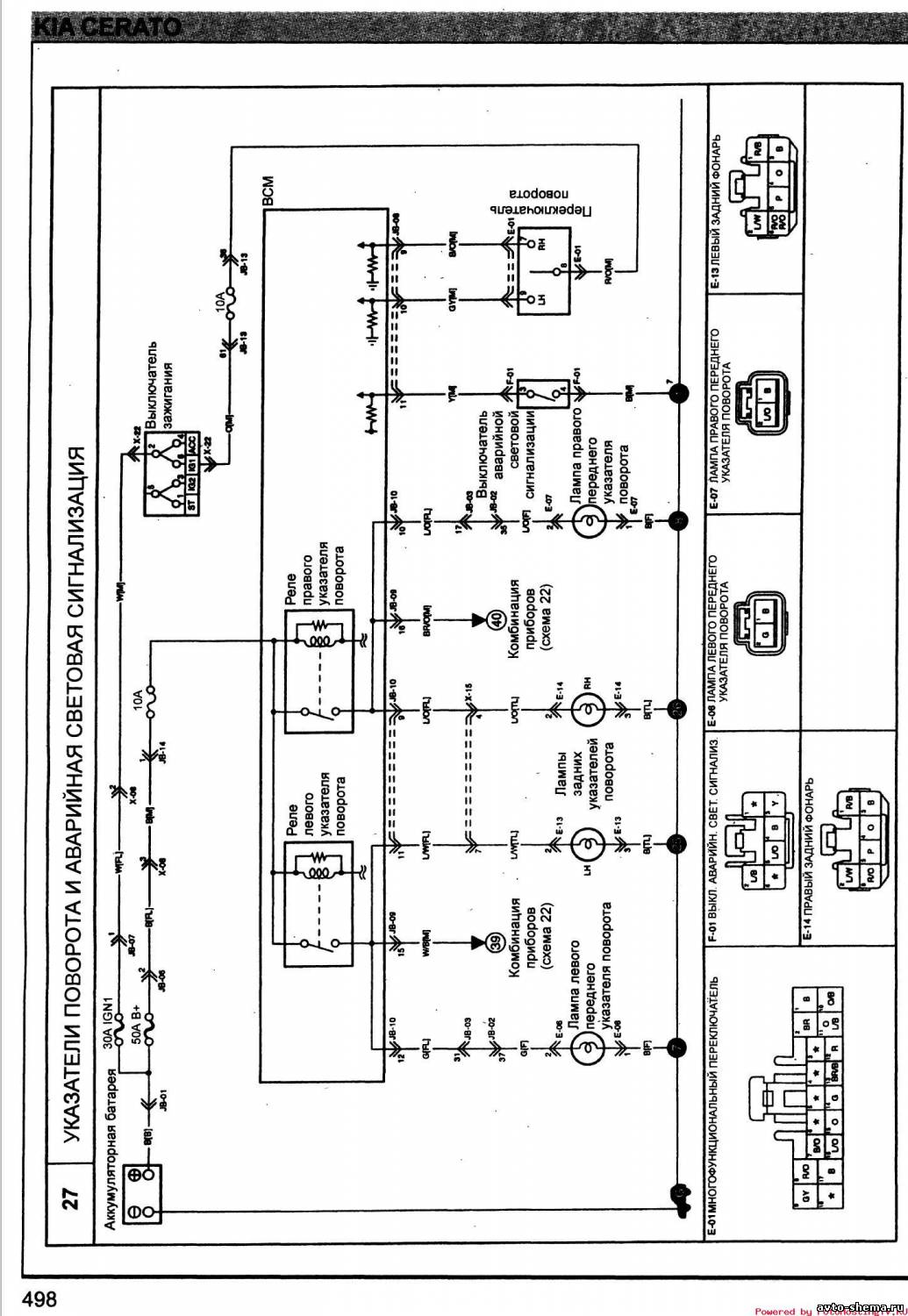
Схема указателей поворота и аварийной световой сигнализации
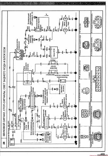
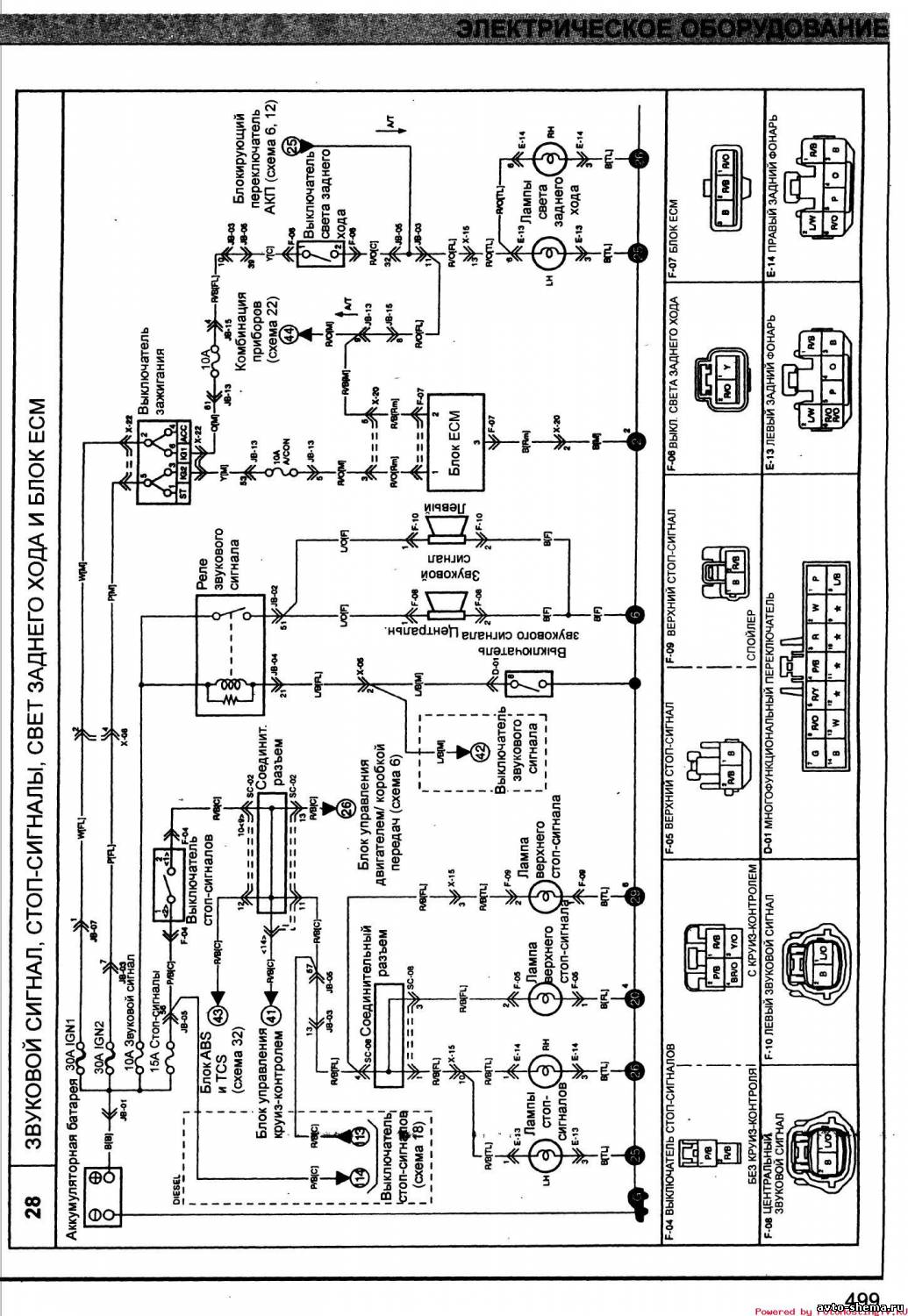
Электросхема звукового сигнала, стоп-сигнала, света заднего хода и блока ЕСМ
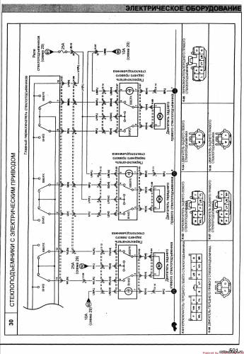
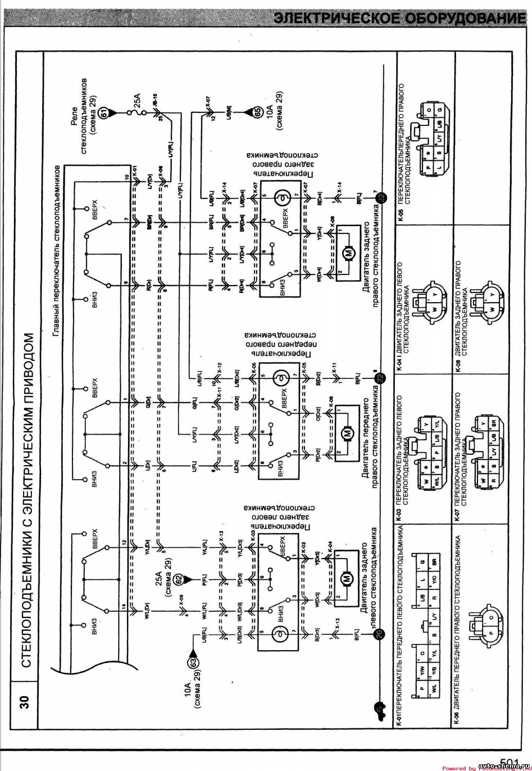
Эл.схема стеклоподьемников с электроприводом
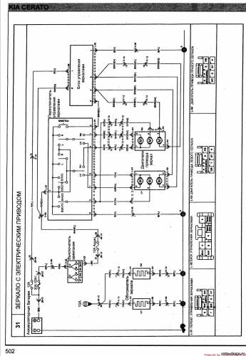
Схема зеркала с электроприводом




















