Схемы на электрооборудывание всем автовладельцам, на Mazda 626 1982-1991 г.в. В июне 1987 года с появлением модификации GD линии кузова стали четче, обводы более стремительными. В 1988 году в модельном ряду Mazda 626 появился универсал. В 1991 году с приходом новых кузовов седан и хетчбек, универсал поменял интерьер салона, все так же оставаясь в старом и необновленном кузове.
Условные обозначения на электросхемах — Мазда 626
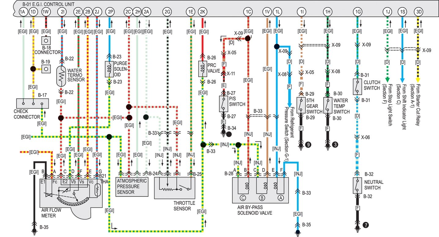
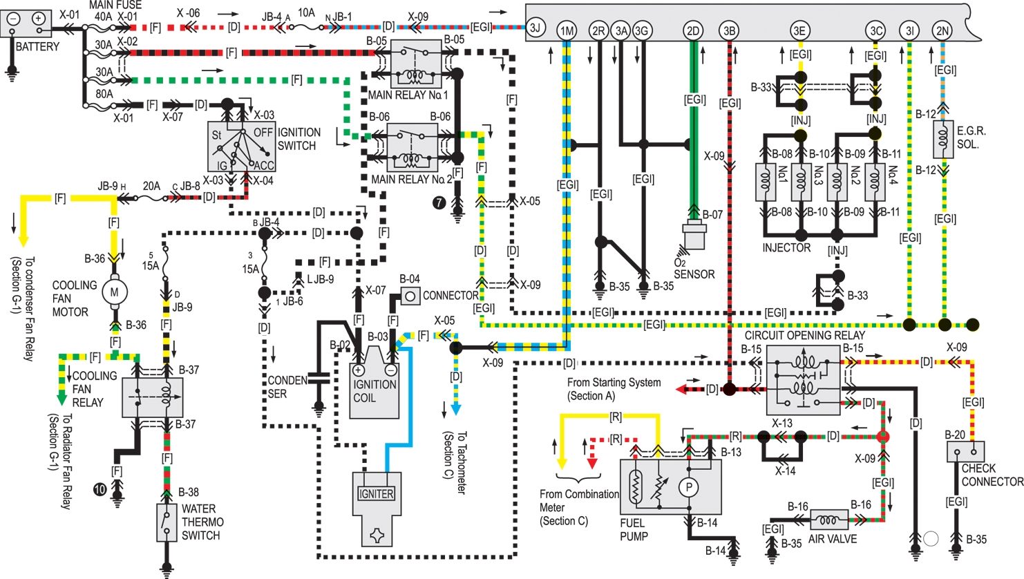
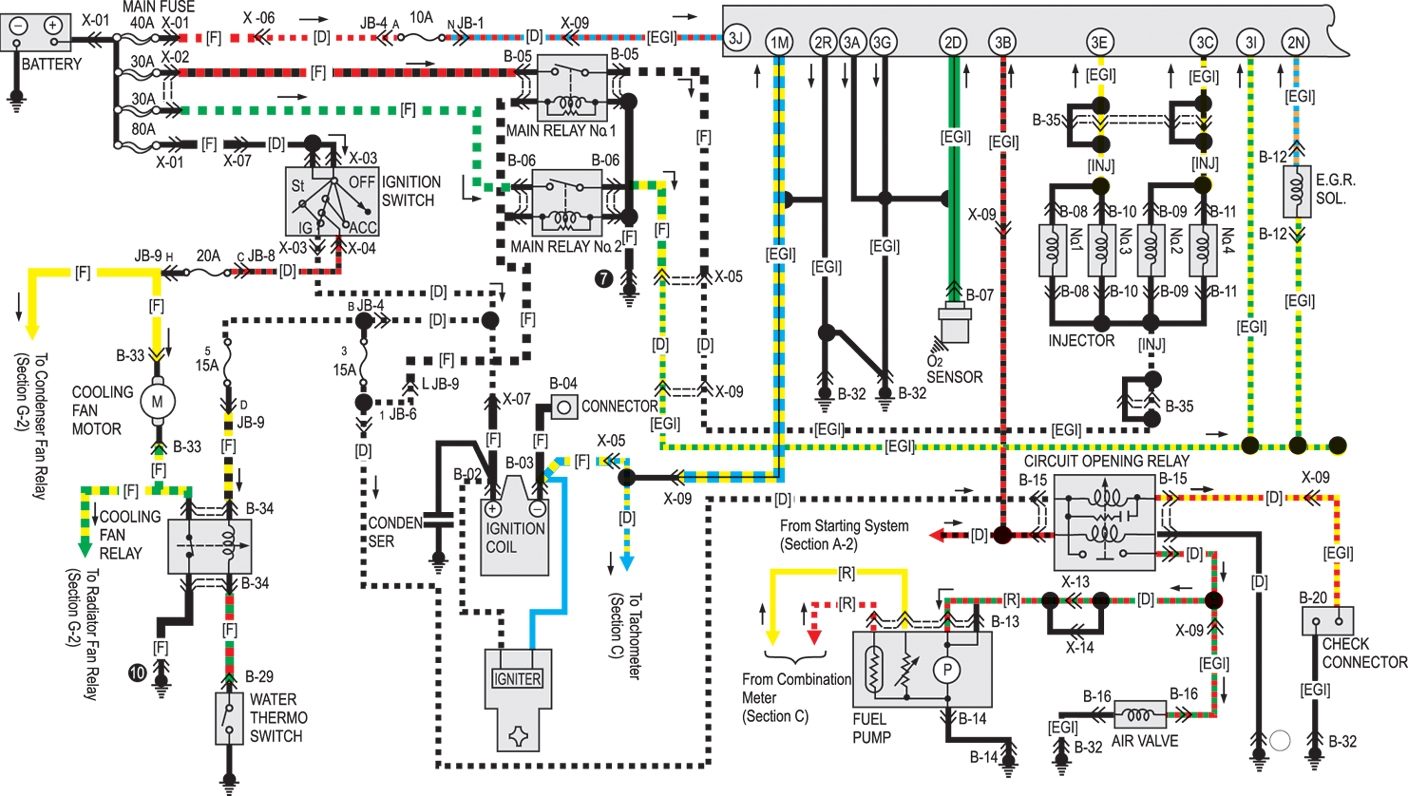
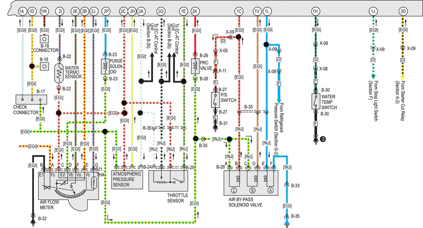
1 Аккумуляторная батарея
2 Главный предохранитель
3 Блок управления EGI
4 Главное реле №1
5 Выключатель зажигания
(1) Выключено
(2) Дополнительное оборудование
(3) Зажигание включено
(4) Стартер
6 Главное реле №2
7 Соленоид EGR
8 Форсунки
9 Датчик концентрации кислорода
10 Электродвигатель вентилятора радиатора
11 Разъем
12 Реле вентилятора радиатора
13 Конденсатор
14 Катушка зажигания
15 Реле размыкания цепи
16 Термодатчик
17 Коммутатор
18 Топливный насос
19 Воздушный клапан
20 Диагностический разъем
21 Датчик температуры охлаждающей жидкости
22 Соленоид продувки
23 Клапан PRC
24 Выключатель на педали сцепления
25 Выключатель системы усилителя рулевого управления
26 Выключатель индикации включения 5-й передачи
27 Измеритель расхода воздуха
28 Датчик атмосферного давления
29 Датчик положения дроссельной заслонки
30 Электромагнитный клапан воздушного обводного канала
31 Датчик нейтрального положения коробки передач
32 Реле мощности
33 Датчик детонации
34 Распределитель
35 Контроллер детонации
36 Датчик давления
37 Датчик EGR
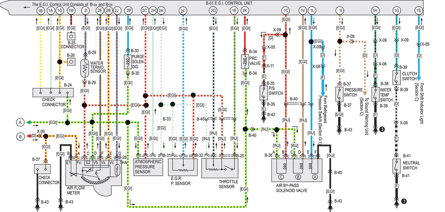
Обозначения цветов проводов
Буквы в квадратных скобках после обозначения цвета – это код жгута проводов, а не код цвета
В…..черный
Вг…..коричневый
G…..зеленый
L…..голубой
Lb…..светло-голубой
Lg…..светло-зеленый
О…..оранжевый
R…..красный
Y…..желтый
W…..белый
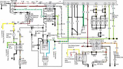
Соединения электрооборудования и блока управления моделей с двигателями с турбонаддувом
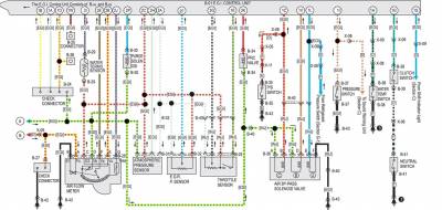
Соединения электрооборудования и блока управления моделей с двигателями без турбонаддува — автомобили с автоматической коробкой передач
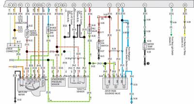
Соединения электрооборудования и блока управления моделей с двигателями без турбонаддува — автомобили с механической коробкой передач






