Mercedes-Benz W124 1985-1995 г.в. и электросхемы на его оборудование. W124 был солидным средних размеров автомобилем, последним в длинной линейке легковых автомобилей с кузовом-седаном Mercedes, чья цена не имеет значения, и являлся результатом всестороннего развития. Автомобили-универсалы (и опционально седаны) имели заднюю подвеску, поддерживающую постоянный уровень кузова над дорогой, очень похожую на имеющуюся у Citroën BX, газобаллонную систему подачи топлива, выравнивание стоек подвески и underbonnet pressurising pump. В отличие от Ситроена Mercedes использовал как задние рессоры, так и стойки. Передняя подвеска была более традиционна.
Электросхемы на Мерседес Бенц 124 — обозначения
Схема системы управления двигателем
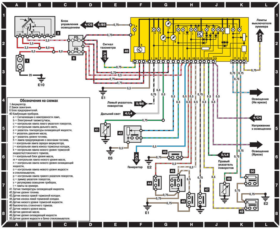
Комбинация приборов и датчики — электросхема
Внешнее освещение — схема на Mercedes-Benz W124
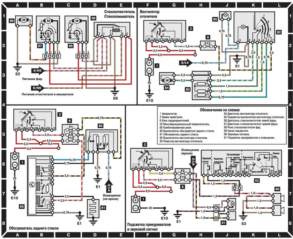
Внутреннее освещение, стеклоочистители и стеклоомыватели — эл.схема
Омыватели, обогрев стекла, вентилятор, звуковой сигнал, прикуриватель — схема на Мерседес Бенц 124
Зеркала, р/приемник, центральный замок, механизм ремней безопасности — электросхема
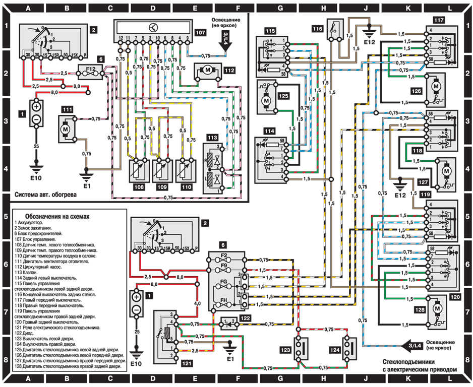
Cхема системы отопления, стеклоподъемников с электрическим приводом на Mercedes-Benz W124









