Принципиальные схемы на электрооборудование, для всех автовладельцев на Mercedes-Benz W140 1991-1999 г.в. Автомобиль выпускается в двух вариантах исполнения кузова: со стандартной и удлиненной колесной базой (3040 и 3140 мм), с рядным 6-цилиндровым бензиновым или дизельным двигателем и с двумя вариантами V-образных бензиновых двигателей (восемь и двенадцать цилиндров). Подвеска передних независимая пружинная. С традиционными для автомобилей марки Mercedes сдвоенными поперечными рычагами и отдельно установленными пружинами. Конструкция отличается высокой надежностью и обеспечивает повышенную комфортность движения.
Коды обозначения цвета изоляции электропроводки и аббревиатуры сигналов
BLK, BK Черный
BLU, BU Синий
BRN, BN Коричневый
GRN, GN Зеленый
GRY,GY Серый
NCA Любой
ORG, OG Оранжевый
PNK, PK Розовый
PPL Пурпурный
RED, RD Красный
TAN, GD Золотистый
TQ Бирюзовый
VIO, VT Фиолетовый
WHT, WH Белый
YEL, YE Желтый
В+ Выходное напряжение генератора (активировано при запущенном двигателе)
D+ Рабочий сигнал генератора (как 61)
DFA Выходной сигнал скорости
DFAHL Выходной сигнал левого заднего колеса VSS
DFAVL Выходной сигнал левого переднего колеса VSS
DFHL Датчик левого заднего колеса VSS
DFVR Датчик правого заднего колеса VSS
GES Сигнал датчика скорости (VSS)
R50 Сигнал тягового реле (после блокировки стартера)
— Минус
+ Плюс
12VCD Напряжение батареи или регулятора напряжения при работающем двигателе
15 Отключаемое питание от батареи (подается в положениях 2 и 3)
15С Отключаемое питание от батареи (подается до извлечения ключа)
15g Отключаемое питание от батареи (защищено предохранителем)
15R Отключаемое питание от батареи (подается в положениях 1, 2 и 3)
15u Отключаемое питание от батареи (не защищено предохранителем)
15Х Отключаемое питание от батареи (подается в положении 2)
15Z Отключаемое питание от батареи (подается в положениях 2 и 3)
30 Неотключаемое питание от батареи
30а Неотключаемое питание от батареи
30А Неотключаемое питание от батареи (сторона «A”)
30В Неотключаемое питание от батареи (сторона «В”)
30Е Неотключаемое питание от батареи для электроники
30Z Отключаемое питание от батареи (подается в положениях 2 и 3)
31 Заземление
31е Заземление для электроники
49 Сигнал прерывателя
49а Сигнал импульсного прерывателя
50 Сигнал тягового реле стартера
53 Низкоскоростной режим функционирования стеклоочистителей
53b Высокоскоростной режим функционирования стеклоочистителей
54 Сигнал стоп-сигналов
54 Цепь стоп-сигналов
56а Цепь дальнего света
56b Цепь ближнего света
58 Цепь задних габаритных/парковочных огней
58d Подсветка приборов
58k Подсветка приборов (необрабатываемая)
61 Рабочий сигнал генератора
61е Рабочий сигнал генератора
81 Сигнал задней передачи
81а Сигнал задней передачи (после переключения трансмиссии)
85 Сигнал управления реле
85EDC Управление реле IFI
85EDC Сигнал управления реле, электронное управление дизельного двигателя
85F Управление реле клаксона
85LP Управление реле воздушного насоса
86 Сигнал управления реле
86КР Управление реле топливного насоса
87 Выход реле (не специфицирован)
87ABS Питание ABS
87EGAS Напряжение питания электронной педали газа (ЕА)
87GES Напряжение батареи (защищено предохранителем)
87LP Напряжение питания воздушного насоса
87MOTR Напряжение питания системы впрыска ME-SFI
875А Питание опционального оборудования
87UG Выход реле (не защищен предохранителем)
87Z Выход реле (защищен предохранителем)
-4-> Обозначает номер электропроводки, подсоединенной к соответствующему терминальному блоку или контактному разъему
* Звездочкой обозначается разъем, не все провода которого показаны.
AT Автоматическая трансмиссия
ВМТ Верхняя мертвая точка
ГУР Гидроусилитель руля
Д/В Датчик-выключатель
И/У Исполнительное устройство
К/В Кондиционер воздуха
К/П Клапан-переключатель
Э/М Электромагнитный
Э/МОТОР Электромотор
ПР-ЛЬ Предохранитель
ТЭН Термоэлектрический нагревательный элемент
AB Подушки безопасности
ABS Система антиблокировки тормозов
AC (А/С) Система кондиционирования воздуха
ACC Положение ключа зажигания при стоянке с включенными приборами
ACSR Система опознавания установки детского сиденья
ADM Внутреннее зеркало заднего вида с автоматическим переключением режимов «день/ночь»
ADS Автоматическая демпфирующая система подвески
AIR (A.I.R.) Устройство подмешивания воздуха
AP Педаль газа
AS Антенные системы
ASD Автоматическая блокировка дифференциала
ASR Антипробуксовочная система
AT Автоматическая трансмиссия
ATA Противоугонная сигнализация
B+ Выходное напряжение генератора (при запущенном двигателе)
BA Предупреждение о движении задним ходом
BARO (Датчик) атмосферного давления
BAS Усилитель экстренного торможения
BCAPC Компенсация давления наддува в зависимости от атмосферного
BDC Нижняя мертвая точка
BF Передний пассажир (Front passenger)
BLS Датчик-выключатель стоп-сигналов
BLS (NC) Нормально замкнутый датчик-выключатель стоп-сигналов
BLS (NO) Нормально разомкнутый датчик-выключатель стоп-сигналов
BM Базовый модуль
BPC Компенсация барометрического давления
CA Доводчик закрывания двери
CAN Коммутируемая шина обмена данными между блоком управления и контроллером управляемого узла
CAN H Высокий уровень сигнала шины CAN двигателя
CAN H Высокий уровень сигнала шины CAN двигателя
CAN IL Низкий уровень сигнала шины CAN внутренного оборудования
CANL Низкий уровень сигнала шины CAN двигателя
CC Система управления скоростью (темпостат)
CCM Комбинированный модуль управления
CCS Сиденье с подогревом и вентиляцией
CDC CD-чейнджер
CF Комфорт
CFI Электронная система непрерывного впрыска
CKA Датчик угла поворота коленчатого вала
CKP (Датчик) положения коленчатого вала
CL Единый замок
CLUS Комбинация приборов
CM Модуль управления
CMP (Датчик) положения распределительного вала
CTEL Сотовый телефон
CTP Закрытое положение дроссельной заслонки (холостой ход)
DAS Противоугонная система с контролем допуска
DFA Выходной сигнал скорости
DFAHL Выходной сигнал левого заднего датчика скорости (VSS)
DFAVL Выходной сигнал переднего VSS
DFHL Левый задний VSS
DFHR Выходной сигнал правого заднего VVS
DFVL Выходной сигнал левого переднего VSS
DFVR Выходной сигнал правого переднего
DI Система прямого зажигания (без распределителя)
DIAG Диагностический разъем
DIAGN Диагностический разъем
DLC Диагностический разъем
DM Диагностический модуль
DRL (Система) ходовых огней светлого времени суток
DSV Клапан отсечки устройства блокировки запуска
DTC Диагностический код
EA Электронный акселератор
EBR Регулировка торможения двигателем
ECL (Датчик ) уровня охлаждающей жидкости двигателя
ECM Электронный модуль управления
ECT (Датчик) температуры охлаждающей жидкости двигателя
ECU Электронный блок управления
EDC Электронная система управления дизельного двигателя
EDR Электронная регулировка дизельного двигателя
EDS Электронная система управления дизельным двигателем
EGR (Система) рециркуляции отработавших газов
EIFI Электронная (система) линейного впрыска топлива
EMSC Система регулировки положения рулевой колонки и зеркал заднего вида, подогрев зеркал
EPC Электронная система управления мощностью двигателя
ESA Электронная регулировка сидений
ESC Электронное управление зажиганием
ESC Электронная регулировка рулевой колонки
ESCM Модуль управления систем двигателя
ESP Электронная система стабилизации устойчивости (противозаносная система)
ETC Электронная система управления трансмиссией
ETR Устройство аварийного натяжения ремней безопасности
ETS Электронная антипробуксовочная система
EVAP Система улавливания топливных испарений
FAN Фанфарный клаксон
FP Топливный насос
FSA- Минус системы громкой связи
FSA+ Плюс системы громкой связи
GES Сигнал скорости движения автомобиля (VSS)
GIM Governor Impulse Method
GS Seat belt ETR
GST Считыватель кодов неисправностей стандартного типа
HCS Фароочистители
HFM-SFI Система последовательного распределенного впрыска/зажигания типа HFM
HFS Система «Hands Free»
HHT Ручной тестер
HORN Клаксон
HS Обогрев сидений
IAT (Датчик) температуры всасываемого воздуха
IC Комбинация приборов
IDC Встроенный в панель приборов контроллер
IFI Электронная система линейного впрыска топлива (дизельные двигатели)
IND Индикатор
INFO Информационный центр
INJ Топливный инжектор
INTERV Интервальный режим функционирования стеклоочистителей
IPS Сигнал реальных параметров потенциометра
IR Инфракрасное излучение
IRCL Инфракрасная система дистанционного управления функционированием активаторов единого замка
ISC (Система) стабилизации оборотов холостого хода
IV Впускной клапан
J/B Соединительный блок (колодка)
KICK-DOWN Режим АТ понижающий передачу для максимального ускорения
KS Датчик детонации
KSK Контрольная клемма
KSS Система датчика детонации
KU — Муфта —
KU + Муфта +
LA Lamp output (preglow relay)
LED G Зеленый светодиод
LED R Красный светодиод
LF Левый передний
LHS Левостороннее рулевое управление
LH-SFI Система распределенного последовательного впрыска/зажигания типа LH
LOCK Положение ключа зажигания, блокирующее руль
LS Громкоговорители
LSK Контакт безопасности холостого хода
M — Минус электромотора
M + Плюс электромотора
MAF Термометрический измеритель массы воздуха на основе подогреваемой пленки
MAP Абсолютное давление во впускном трубопроводе
ME-SFI Система центрального впрыска типа ME
ME-SFI Система последовательного распределенного впрыска/зажигания типа ME
MIL Контрольная лампа отказов/»Проверьте двигатель»
MOT Электромотор
MSC Регулировка зеркал заднего вида/рулевой колонки/подогрев зеркал
MSK Контакт безопасности открытого положения дроссельной заслонки
MUTE Отключение звука радиоприемника
MVA Управление вакуумом впускного трубопровода
N Нейтральное положение АТ
O2S Лямбда-зонд
OBD (Система) бортовой диагностики
OC Вторичный каталитический преобразователь
OFF Положение «Выключено» переключателя (замка зажигания)
OSB Ортопедическая спинка сиденья
OV Выпускной клапан
P Парковочное положение АТ
P — Опорный минус потенциометра
P + Опорный плюс потенциометра
PA Система помощи при парковке
PARK SW Датчик-выключатель стояночного тормоза
PL Единый замок
PMP Устройство частичного преднагрева впускного трубопровода
PNP (Датчик-выключатель) разрешения запуска
POS Положение
PS Система гидроусиления руля
PSE Пневматическое оборудование
PTS Система Parktronic
PWM Широтно-импульсная модуляция
R50 Сигнал тягового реле стартера (за датчиком-выключателем блокировки стартера)
RCL Дистанционное управление единым замком
RD Радиоприемник
REST Устройство утилизации остаточного тепла
двигателя
RF Правый передний
RFCL Радиочастотное управление единым замком
RHR Убирающиеся задние подголовники
RHS Обогрев задних сидений
RPM Обороты в минуту
RR Правый задний
RTG Убирающаяся защелка крышки багажного отделения
RTN Возвратная линия
RTR Устройство дистанционного отпускания защелки замка крышки багажного отделения
RUN Положение замка зажигания при запущенном двигателе
RX Прием
S Экран
S+B Установка-разгон
S-B Установка-торможение
SBE Удлинитель ремня безопасности
SC Система стабилизации оборотов холостого хода
SFI Система последовательного впрыска топлива
SFI Система последовательного впрыска топлива
SLO Разблокирование стартера
SMS Service Microfiche System
SN1 Сигнал разблокировки
SN2 Сигнал блокировки
SOV Клапан-переключатель
SPS Чувствительный к скорости (модуль) гидроусиления руля
SQUIB Запал пиротехники систем безопасности
SR Серебристый
SR Подвижно-откидная крышка верхнего люка
SRS Системы дополнительной безопасности (подушки и ремни)
START Положение замка зажигания при запуске двигателя
START Положение замка зажигания при запуске двигателя
SW Выключатель
T Выходная температура (реле преднакала)
TAF Вспомогательный предохранитель крышки багажного отделения
TAV Клапан вентиляции топливного бака
TB Корпус дросселя
TC Турбокомпрессор
TCM Модуль управления трансмиссией
TD Сигнал скорости (Time Division)
TDC ВМТ
TELE Телескопический
TK Дверной контакт
TN Немодифицируемый сигнал оборотов двигателя
TN Сигнал скорости (EZL/AKR)
TNA Реформированный сигнал оборотов двигателя
TRAP TRAP oxidizer
TRIP Путевой компьютер
TRU Приемо-передающее устройство
TS Датчик буксировки
TVV Клапан вентиляции топливного бака
TWC 3-функциональный каталитический преобразователь
TX Передача
ULLKS Положительный контакт оборотов холостого хода
USK Положительный контакт безопасности
VAF Объемный воздушный поток
VL Левый передний
VR Правый передний
VSS Датчик/сигнал скорости движения автомобиля
WA Вызов сохраненных данных
WOT Полное открывание дроссельной заслонки
Мод. упр. (CM) Модуль управления
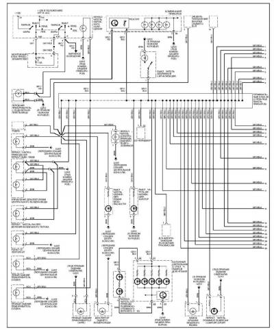
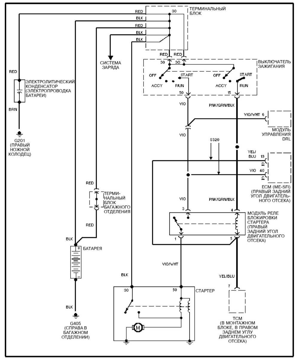
Схема системы запуска на Мерседес Бенц 140
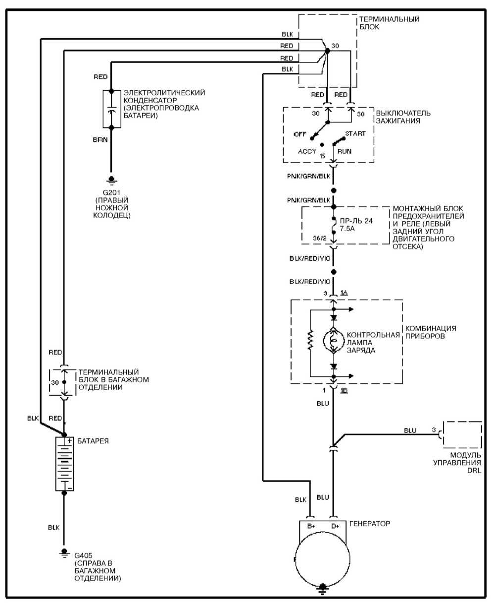
Схема системы заряда на Mercedes-Benz W140
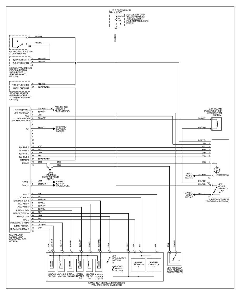
Автоматическая трансмиссия — схема
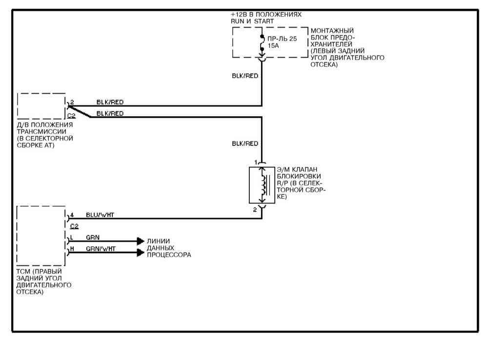
Система блокировки переключения АТ — электросхема
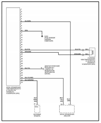
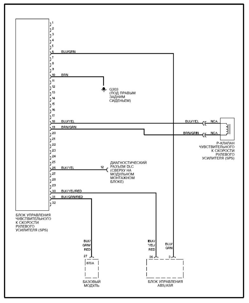
Электронная система гидроусиления руля — эл.схема
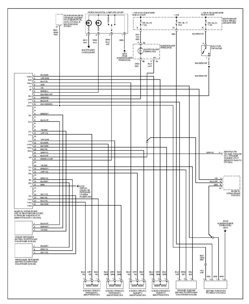
Схема электронной подвески на Mercedes-Benz W140
Темпостат — схема на Мерседес Бенц 140
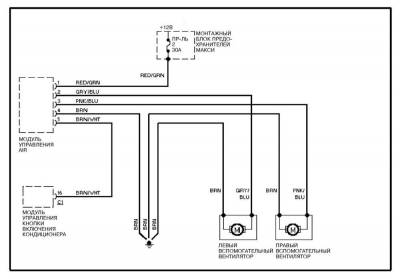
Электросхема вентилятора системы охлаждения двигателя
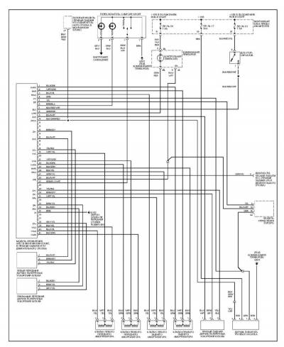
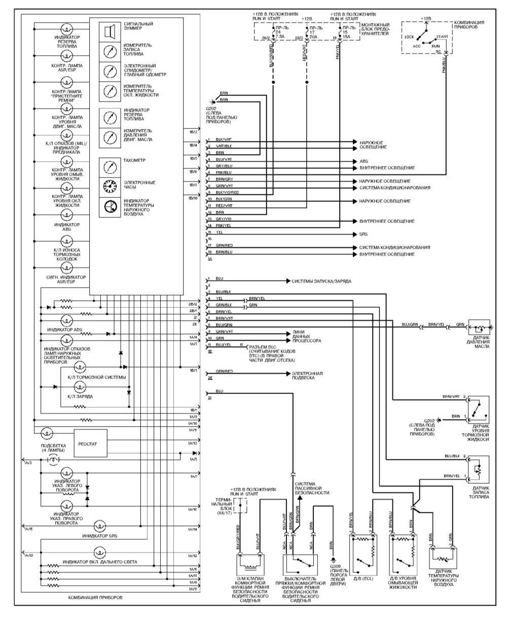
Эл.схема комбинации приборов
Подсветка приборов — эл.схема
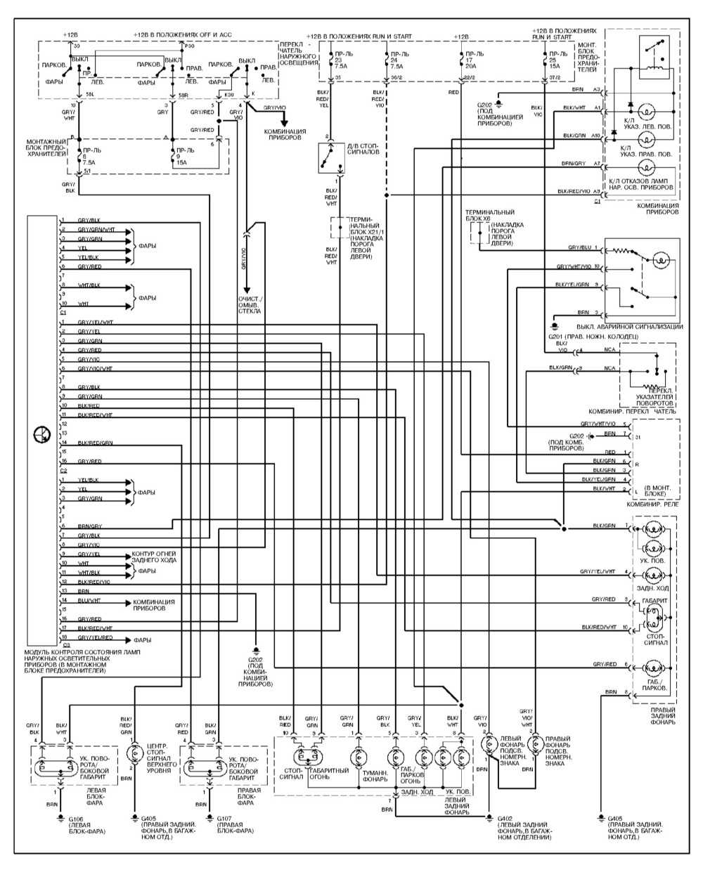
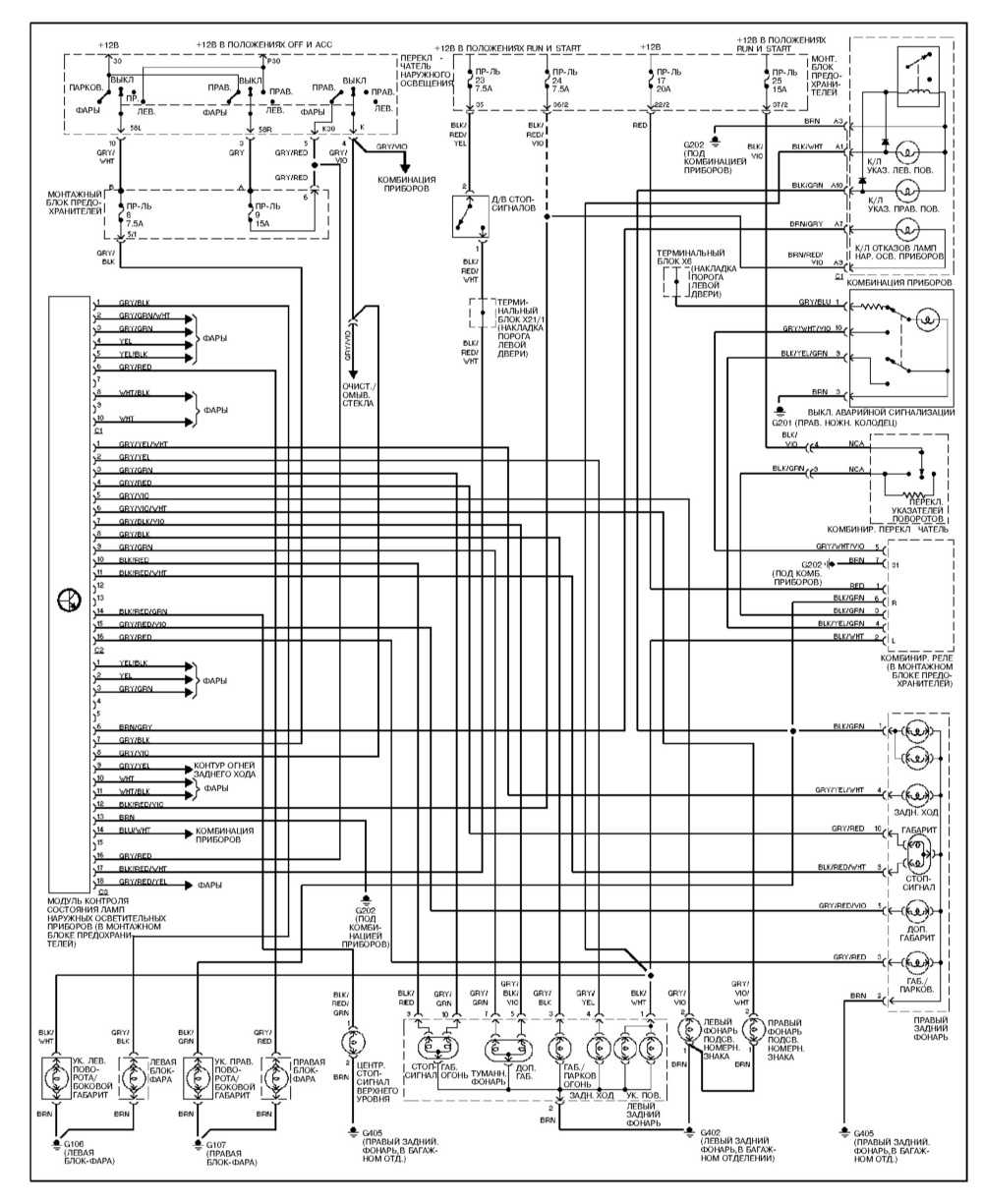
Наружные осветительные приборы на моделях Седан с обычными фарами — схема
Наружные осветительные приборы на моделях Седан с ксеноновыми фарами — электросхема
Наружные осветительные приборы — эл.схема на Мерседес Бенц 140
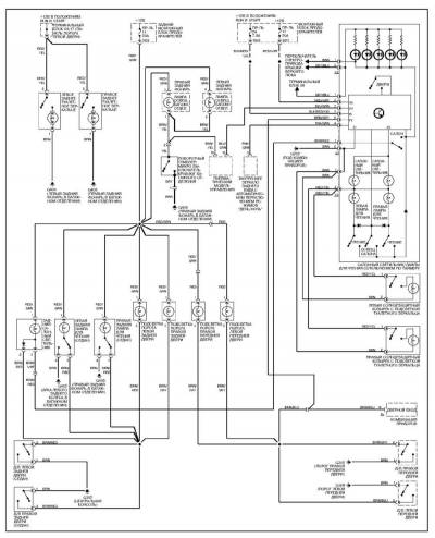
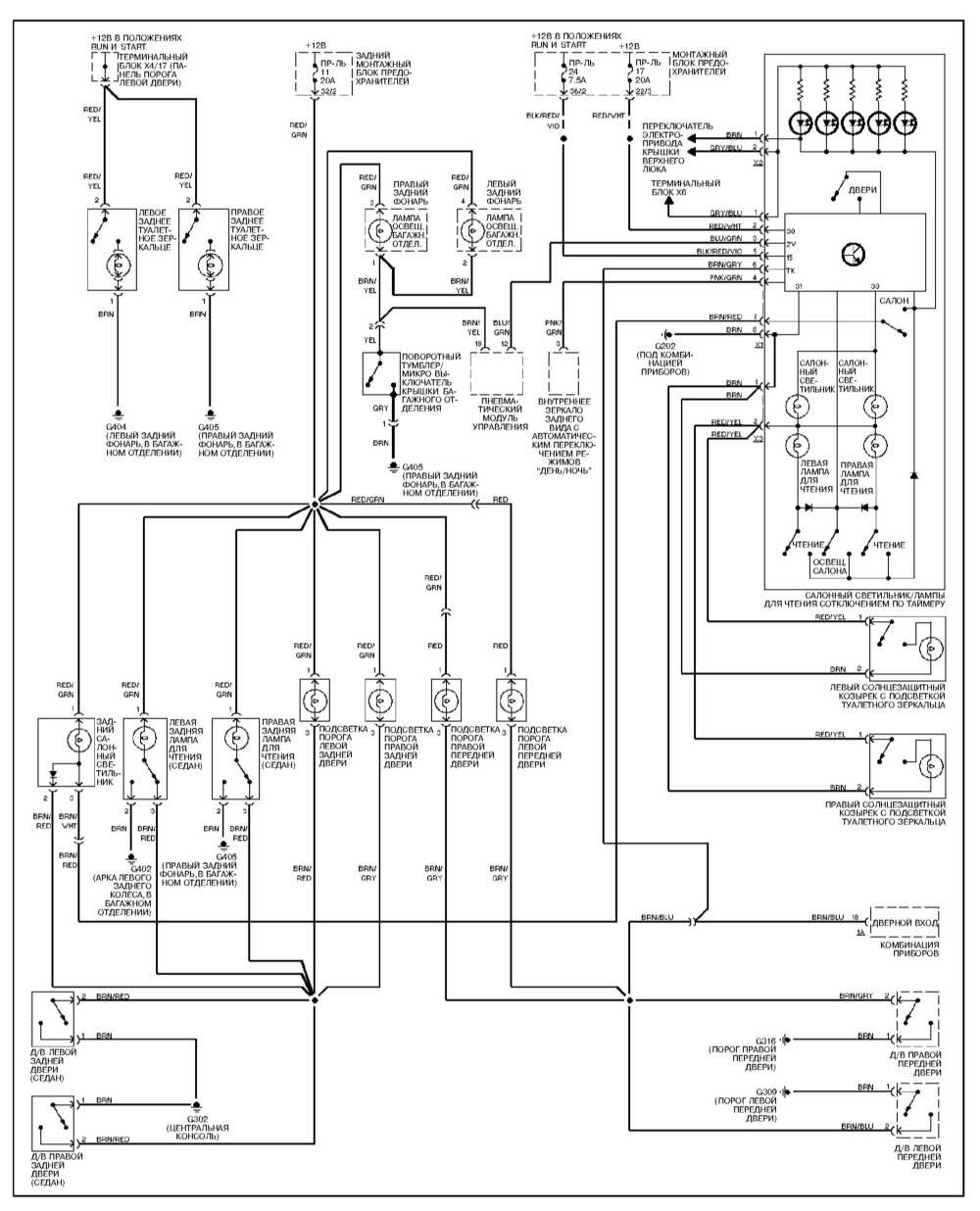
Схема освещения салона при открывании дверей
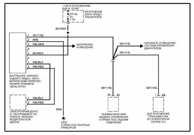
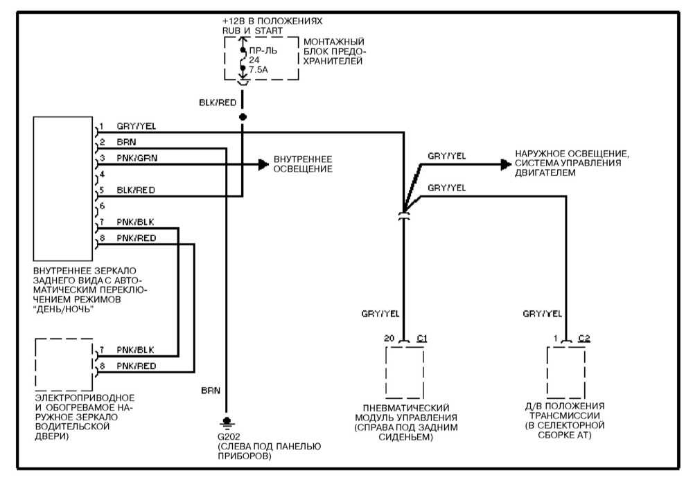
Автоматическое переключение режимов «день/ночь» внутреннего зеркала заднего вида — схема
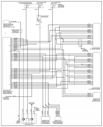
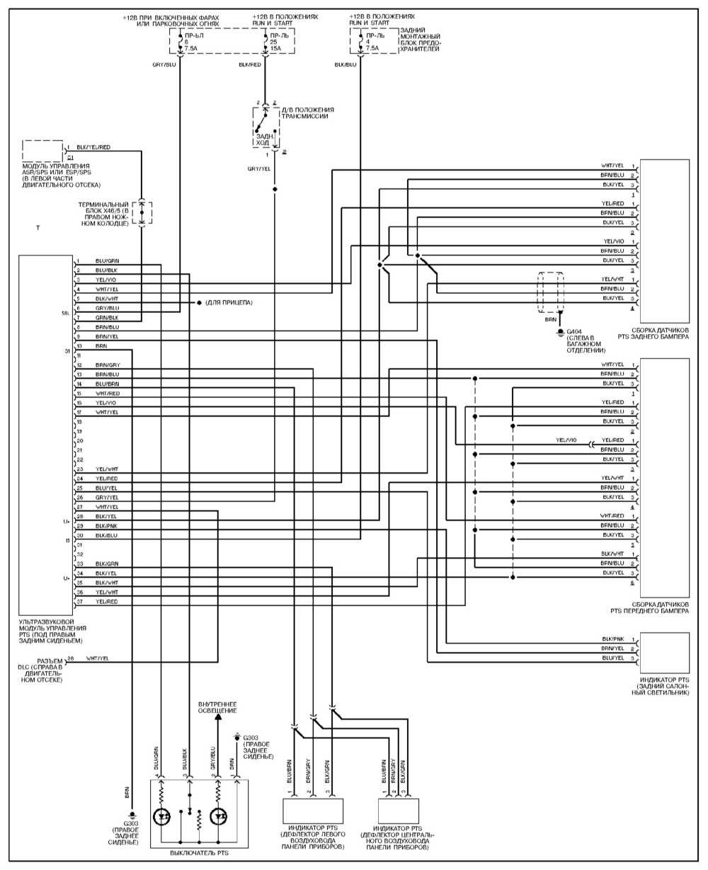
Система Parktronic — электросхема
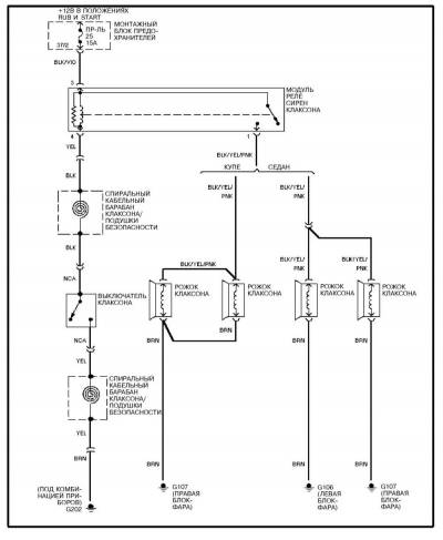
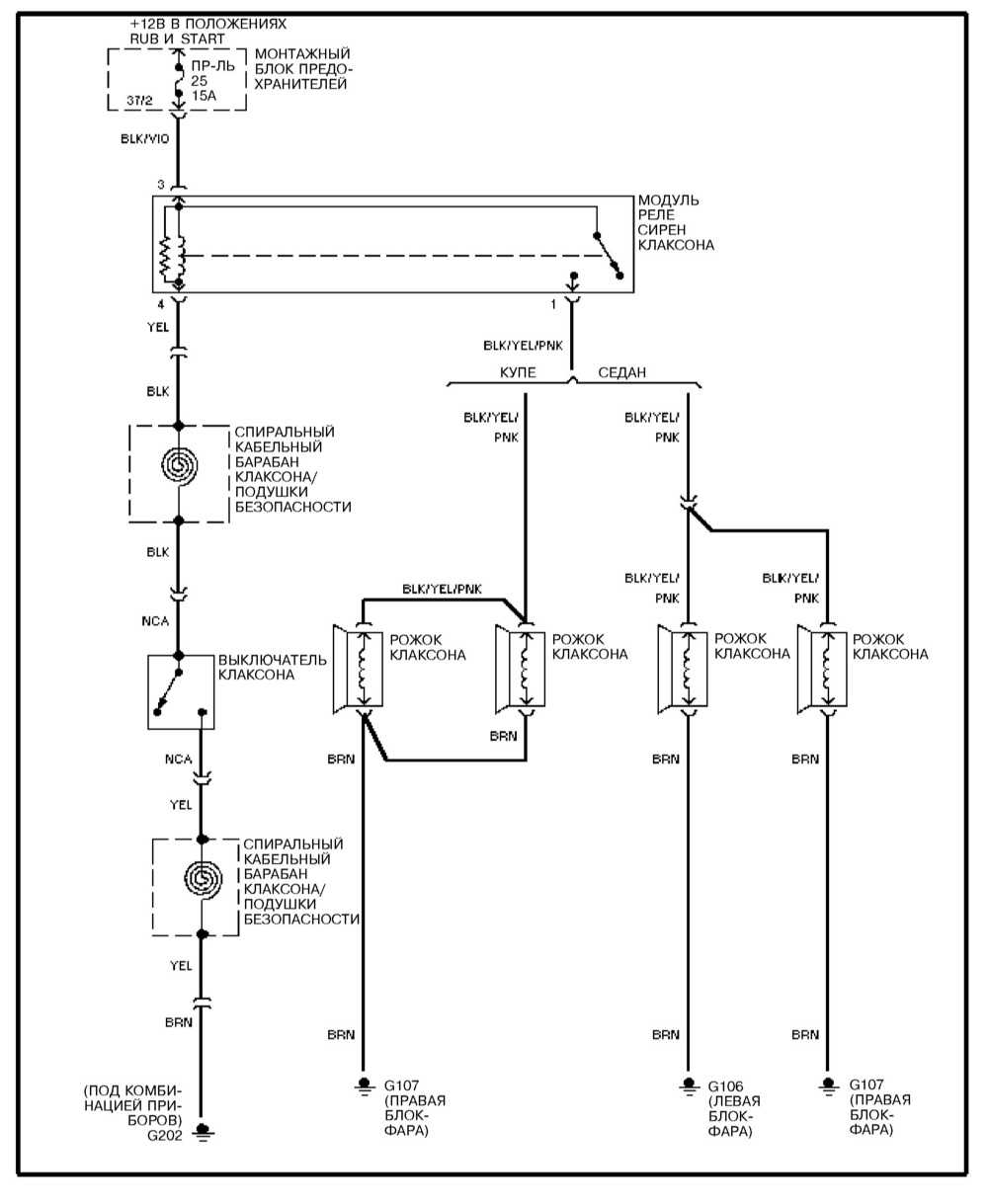
Клаксон — эл.схема на Mercedes-Benz W140
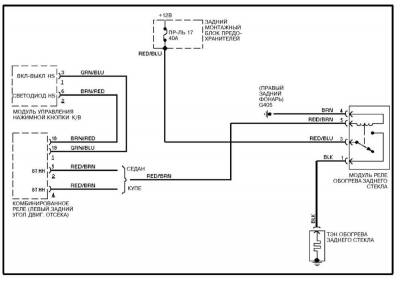
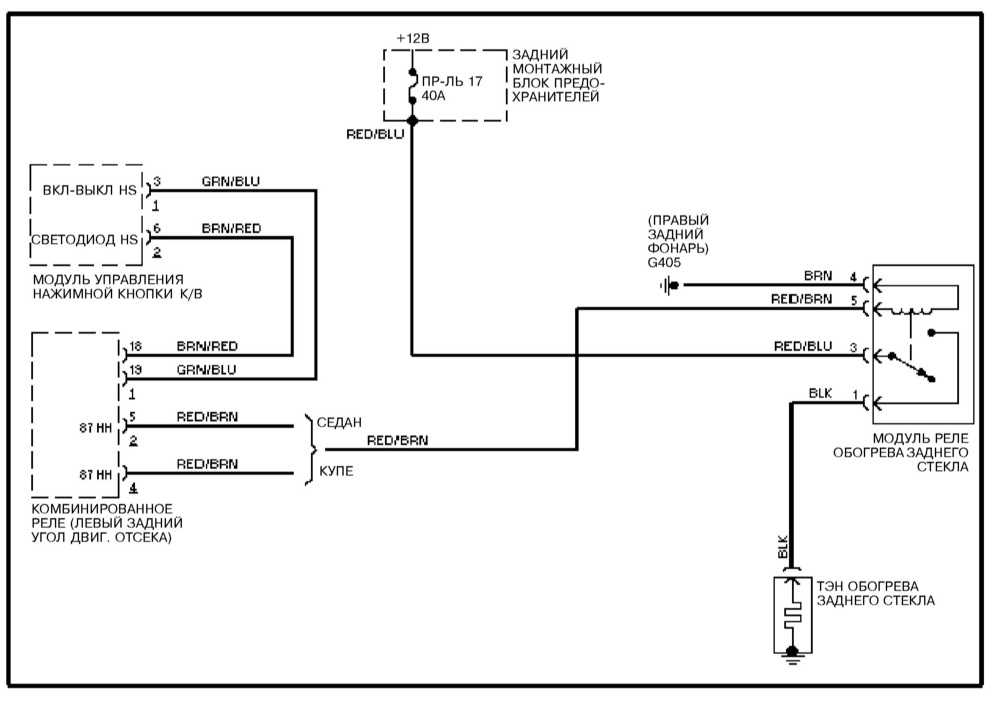
Обогрев заднего стекла — схема
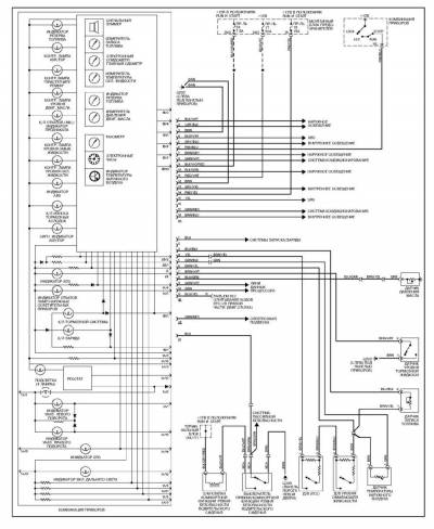
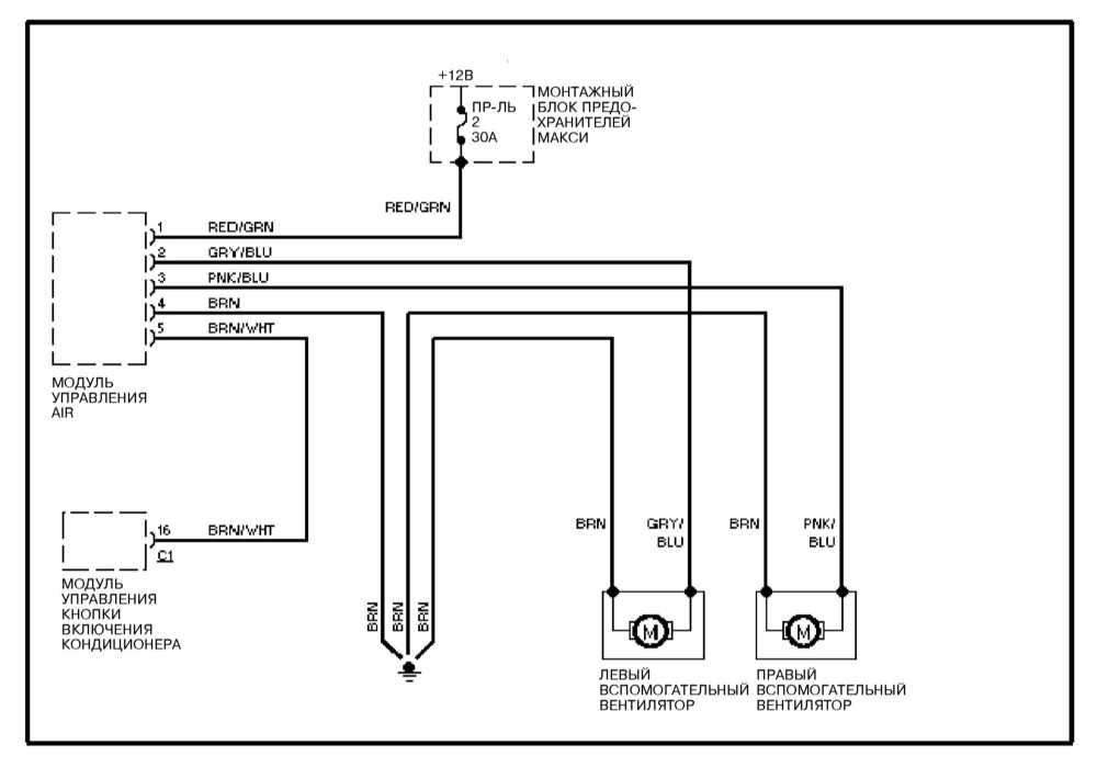
Система автоматического кондиционирования воздуха в салоне — схема на Mercedes-Benz W140




















