Представляем вашему вниманию схемы элетрооборудования на Mercedes-Benz W163 1997-2005 г.в. Стандартная тормозная система — гидравлическая, двухконтурная с вакуумным усилителем. Тормозные механизмы всех колес — дисковые. Применен ножной привод стояночного тормоза. В приводе рулевого управления использована гидроусиленная реечная передача с клапанным входным узлом и двумя поперечными рулевыми тягами, гидроусиление организовано по чувствительной к скорости движения автомобиля схеме (SPS), что позволяет существенно облегчить «рулежку» при парковках, а также повышает безопасность управления при движении с высокими скоростями.
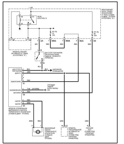
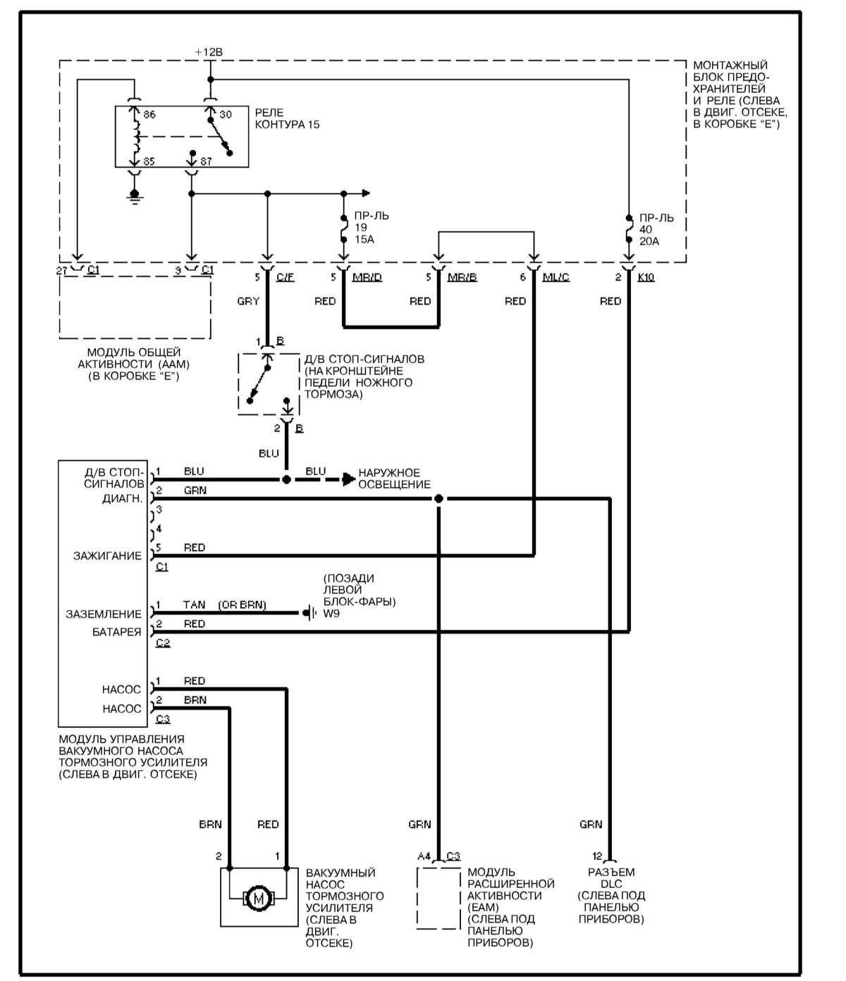
Система усиления тормозов (ML 430) — схема
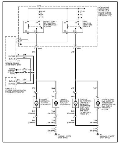
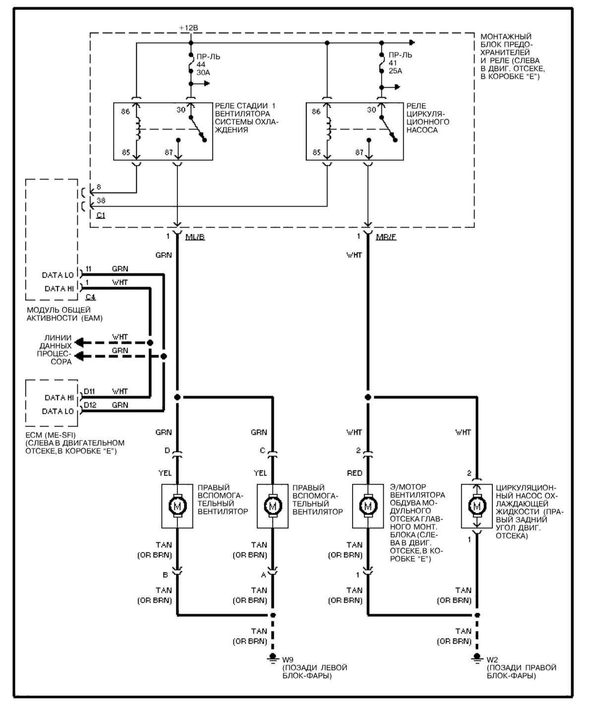
Вентилятор системы охлаждения (ML 430) — электросхема
Схема противоугонной системы с дополнительной сиреной (ML 430)
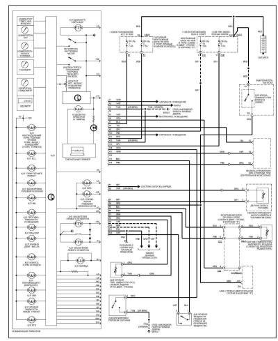
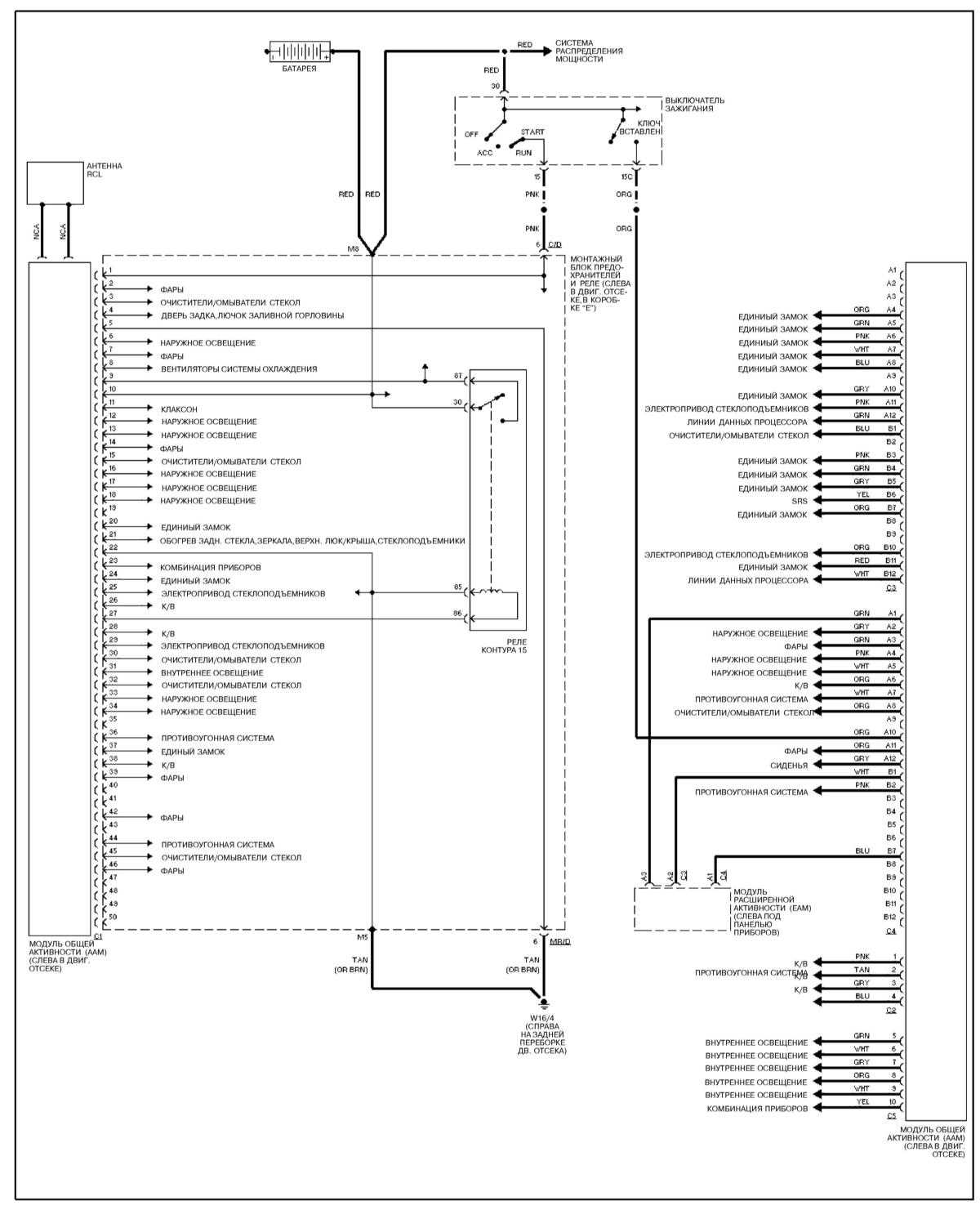
Модуль общей активности (AAM) (ML 430) — схема на Mercedes-Benz W163
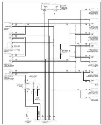
Линии данных процессора (ML 430) — эл.схема
Темпостат (ML 430) — электросхема на Мерседес Бенц 163
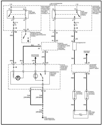
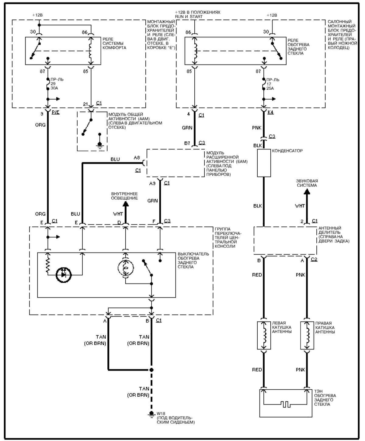
Электросхема обогрева стекол (ML 430)
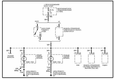
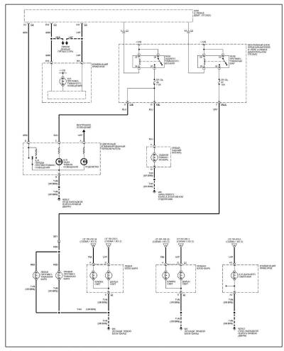
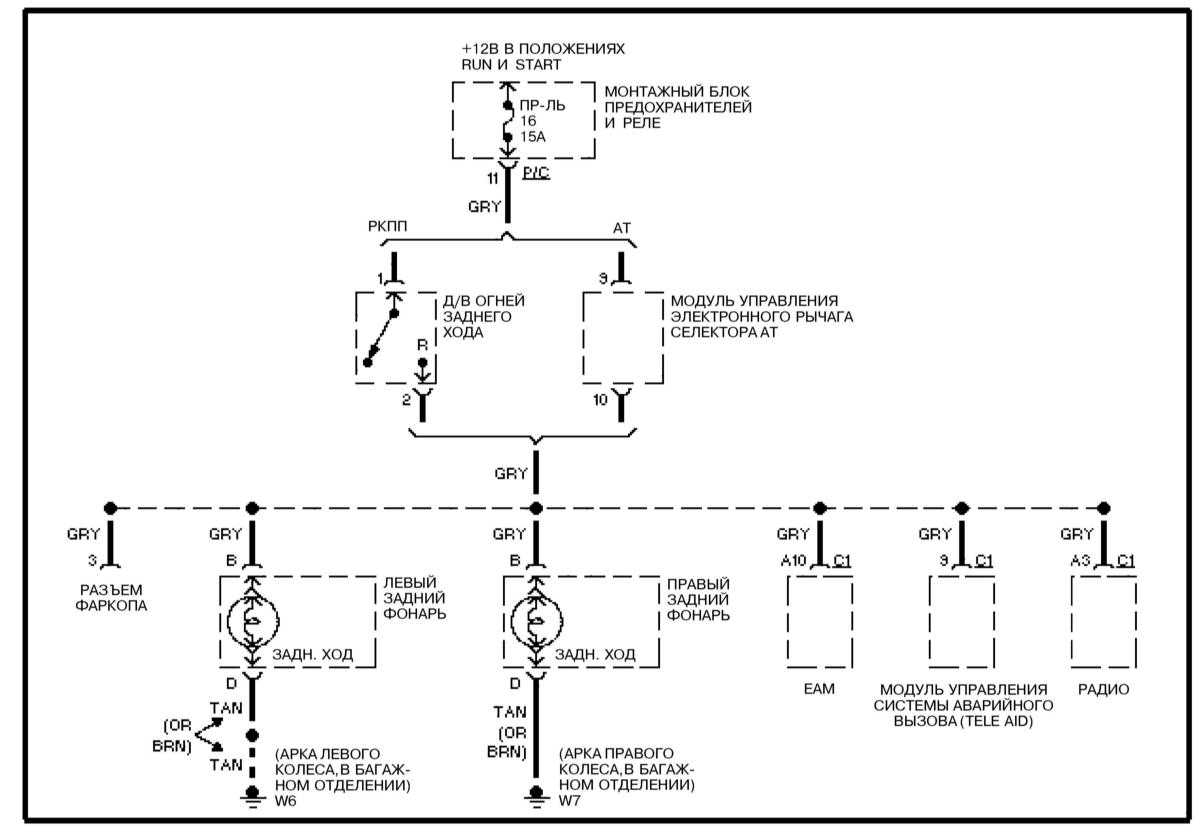
Огни заднего хода (ML 430) — эл.схема
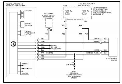
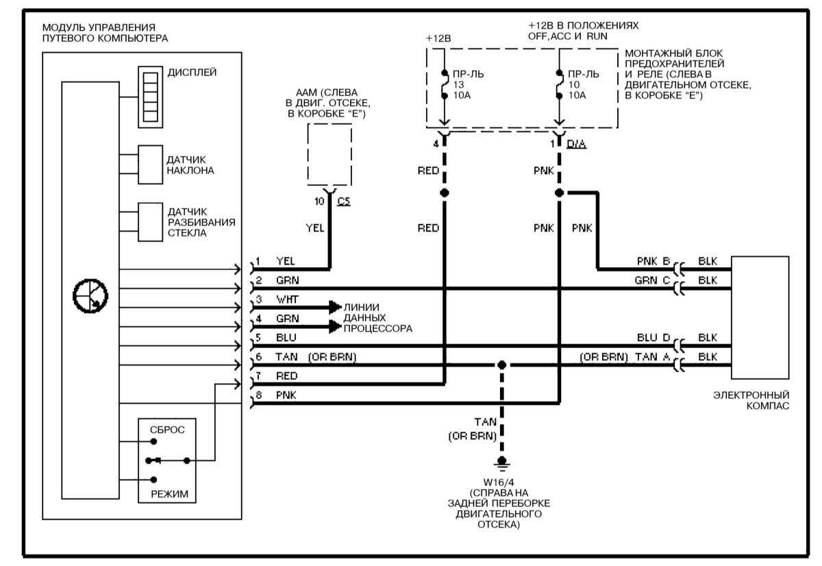
Путевой компьютер (ML 430) — схема на Mercedes-Benz W163
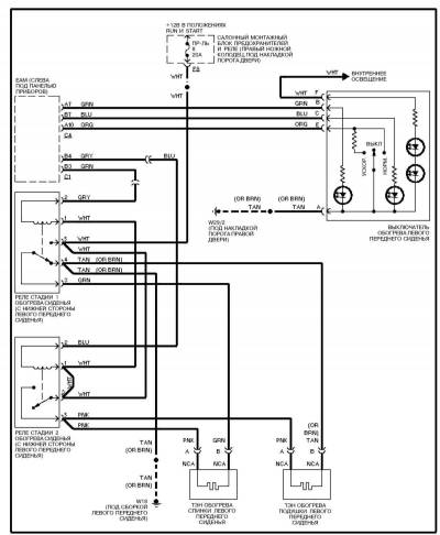
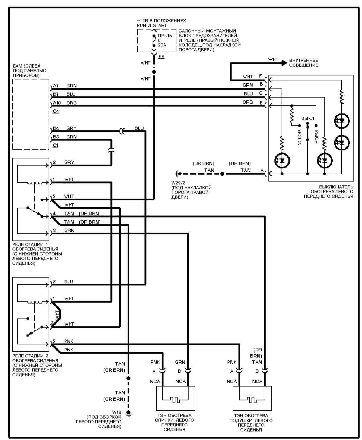
Эл.схема обогрева водительского сиденья (ML 430) на Мерседес Бенц 163
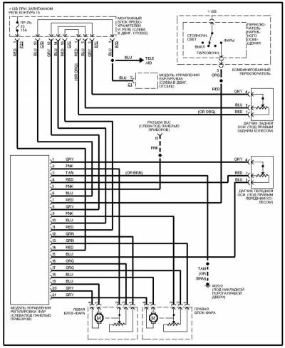
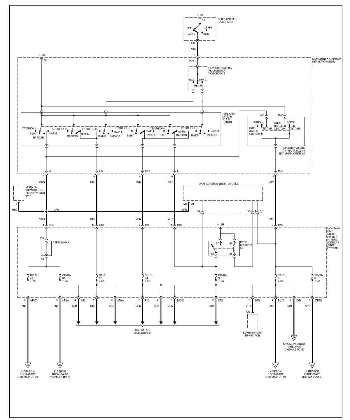
Регулировка фар (ML 430) — электросхема
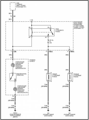
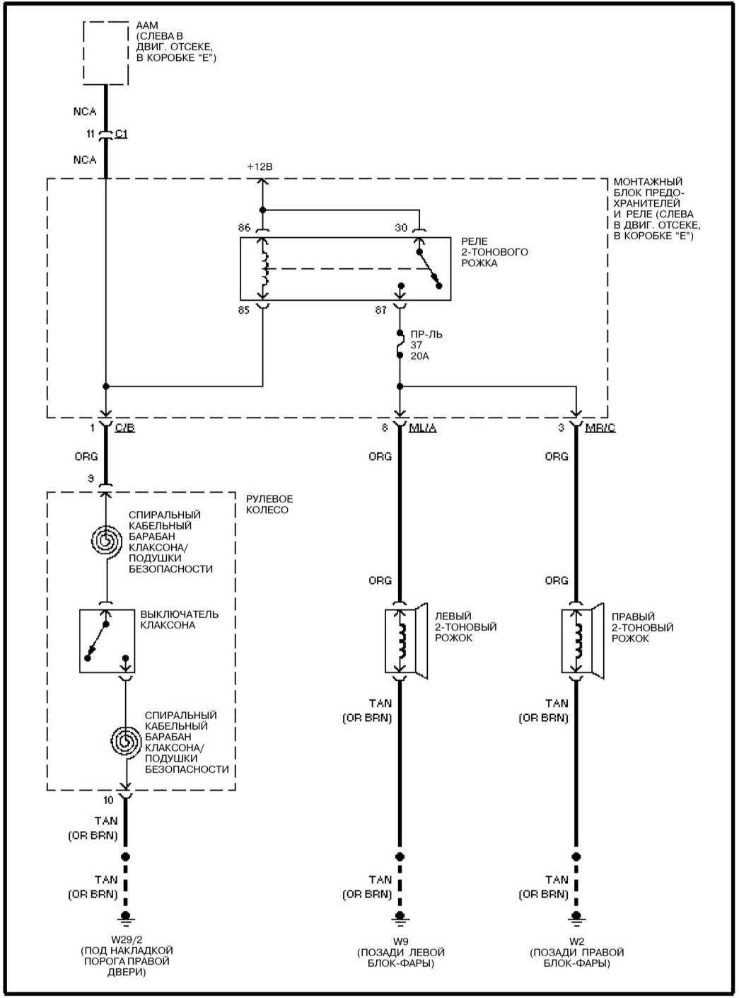
Электросхема клаксона (ML 430) на Mercedes-Benz W163
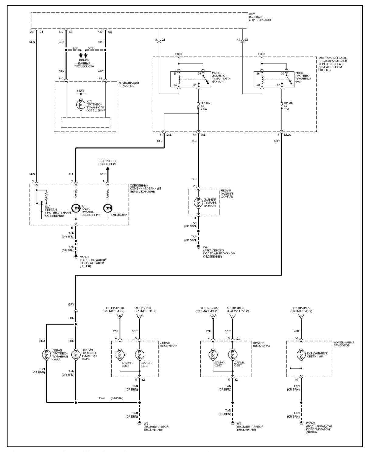
Фары (ксенон) (ML 430) — схема
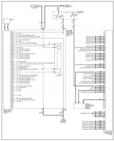
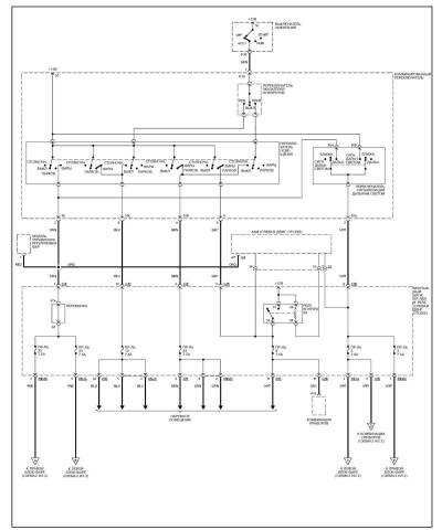
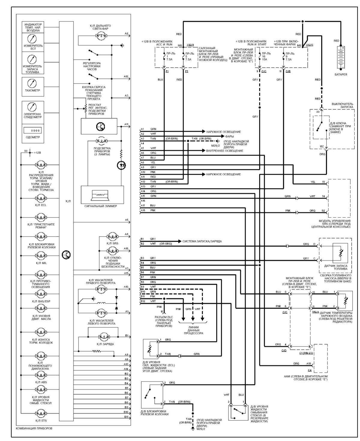
Комбинация приборов (ML 430) — эл.схема
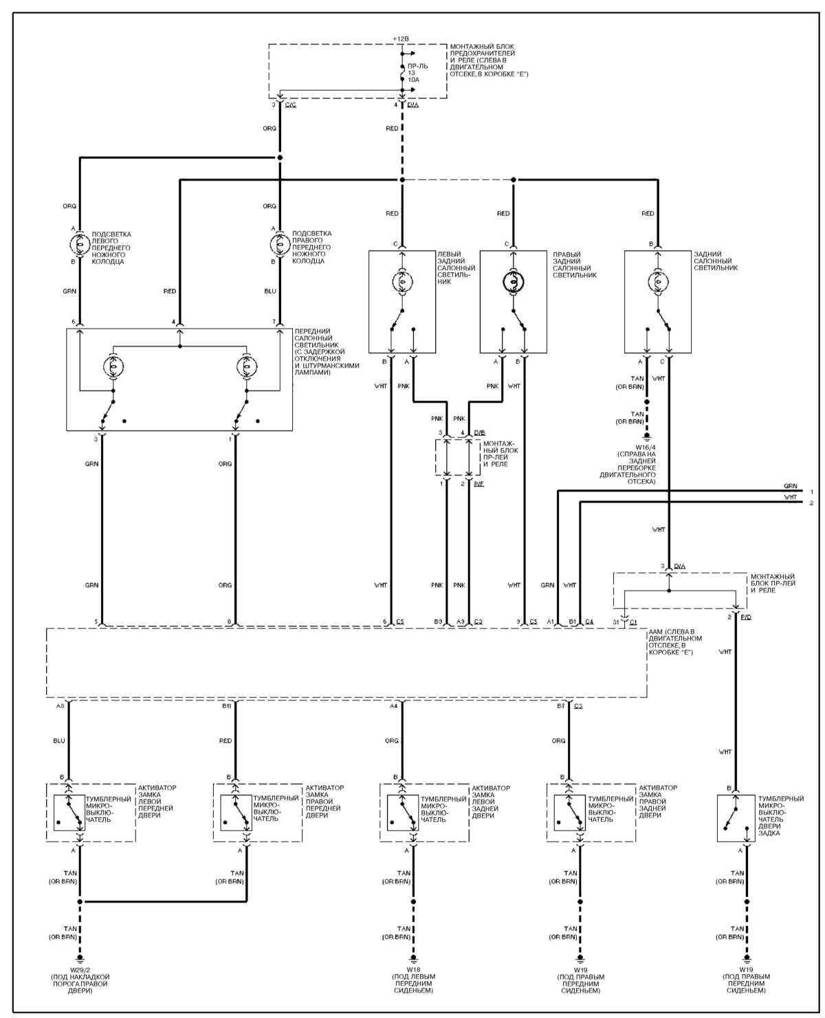
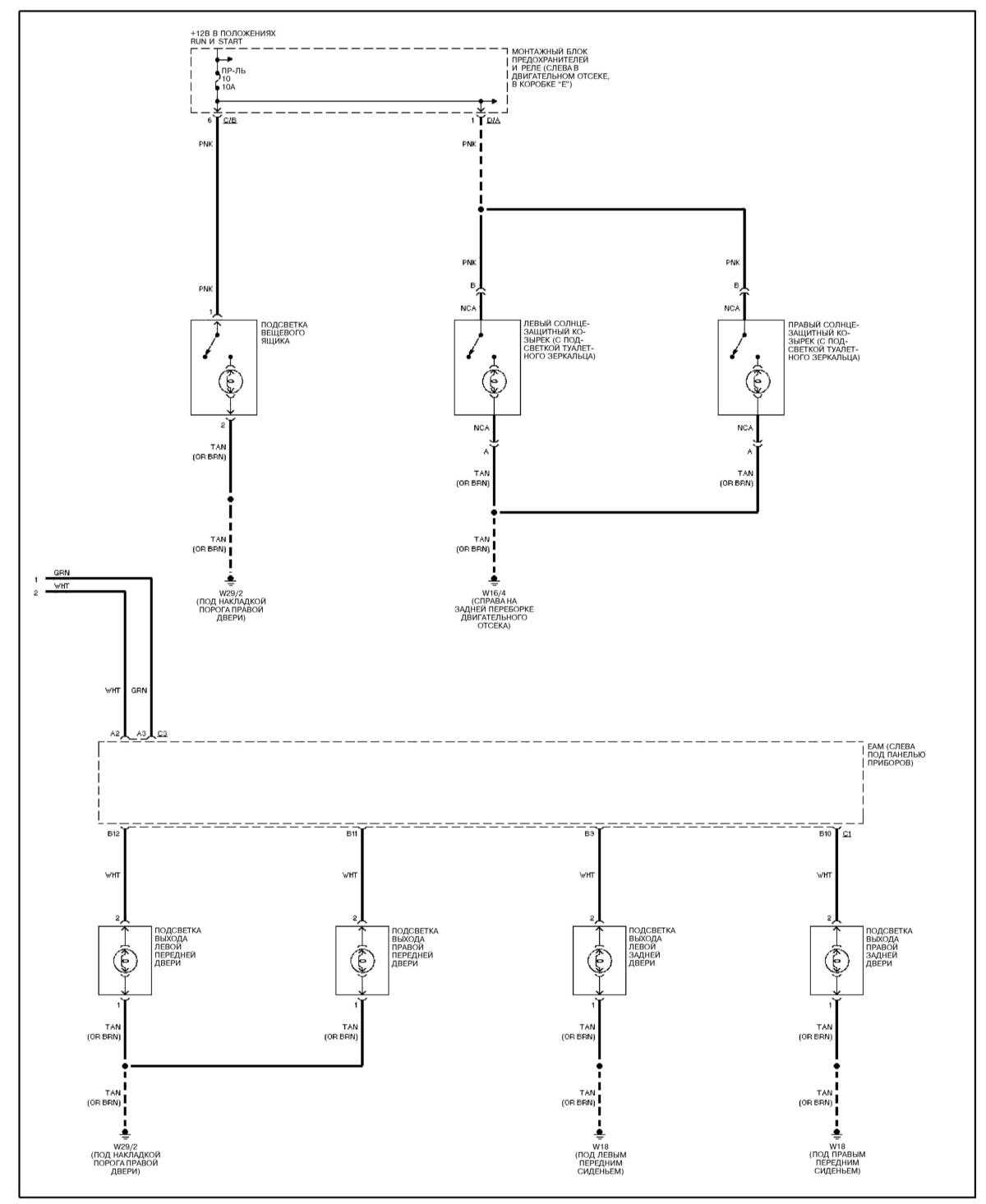
Схема освещения салона при открывании дверей (ML 430)
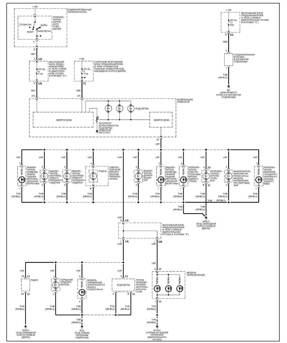
Подсветка приборов (ML 430) — эл.схема на Mercedes-Benz W163
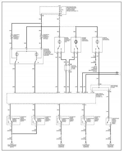
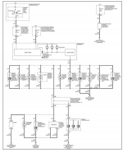
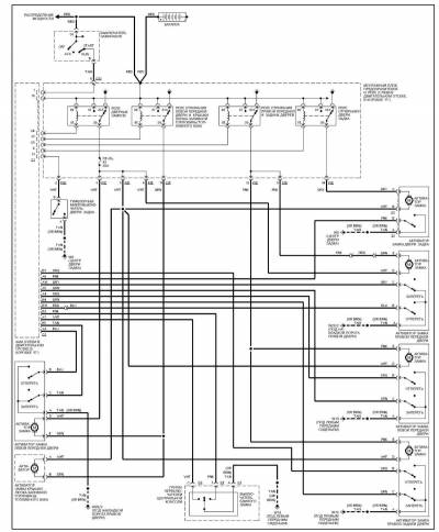
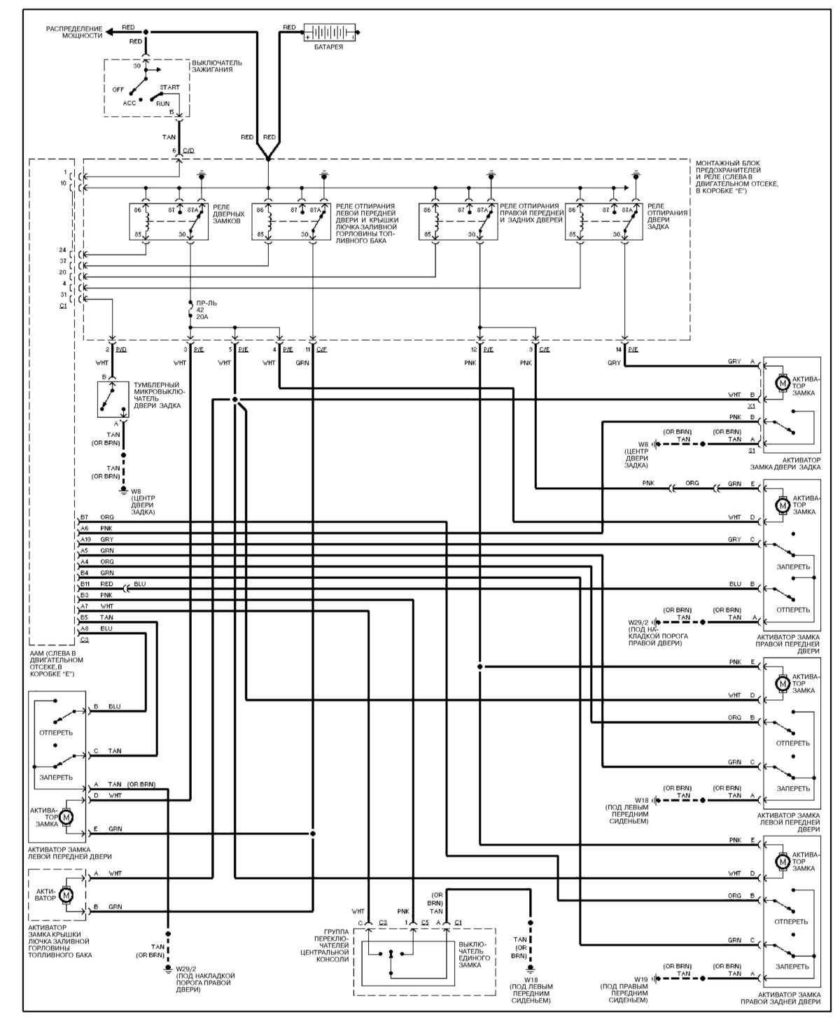
Электросхема привода дверных замков (ML 430)
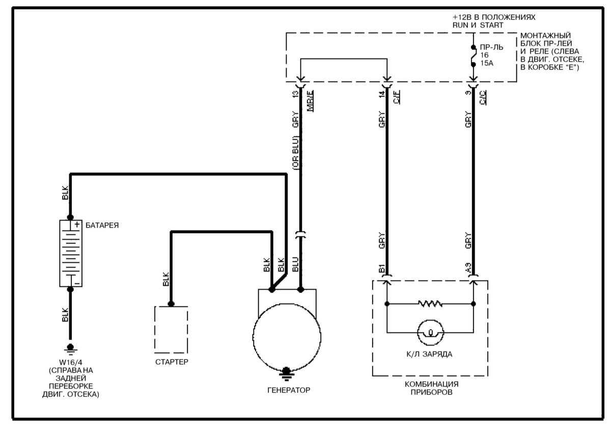
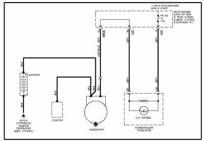
Система заряда (ML 430) — схема на Мерседес Бенц 163




















