Принципиальные электросхемы оборудования на Mercedes-Benz W201 1993-2000 г.в. Эта модель была единственным четырхдверным седаном, который был сконструирован, чтобы заполнить пробел в модельном ряду ниже Mercedes Е-класса W123. Она была быстро прозвана «малыш Бенц». Однако, несмотря на то, что автомобиль был представлен как самый дешевый легковой автомобиль Мерседеса, это не сказалось на его производстве. Среди вещей, появившимися первыми на Mercedes, был запатентованная 5-link подвеска сзади, используемый впоследствии в моделях Е- и С-классов, и разработки которых до сих пор используются сегодня в дорожных автомобилях Mercedes. Особенностями этого автомобиля являются передние и задние противодействующие крену балки, также как и геометрия, препятствующая продольному наклону кузова при торможении и разгоне. 190 также может оставляться с воздушными подушками безопасности, тормозами с антиблокировочной системой и механизмом натяжения ремней безопасности, которые были очень передовыми конструкциями для безопасности в то время.
Обозначения в электросхемах
АВ – Надувная подушка безопасности
ABS – Противоблокировочное устройство тормозной системы
АG – Автоматическая коробка передач
АКR – Система антидетонационного регулирования
ARA – Включение системы антивозвратного движения
ARF – Рециркуляция выхлопных газов
ASD – Автоматически блокируемый дифференциал
ASR – Система регулирования проскальзывания ведущих колес относительно опорной поверхности
ВАЕ – Блок остановки автомашины пассажиром, сидящим рядом с водителем
CAN – Контроль за поверхностью дороги
EAG – Система электронного управления автоматической коробкой передач
EDW – Система предупредительной сигнализации о взломе противоугонного устройства
EFP – Электронная педаль акселератора
ERE – Электронная система последовательного впрыскивания топлива
ESV – Электрическая система регулирования положения сиденья
EVE – Электронная распределительная система впрыскивания топлива
FAN – Рупорное сигнальное устройство
FSA – Переговорное устройство
GUS – Система натяжения ремней безопасности
GES – Сигнал, имеющий скоростное значение
HAU – Система автоматического отопления
HFM – Управление двигателем с помощью регулятора на принципе горячей пленки
IFZ – Система инфракрасного дистанционного центрального управления замками дверей
КАТ – Катализатор
KFB – Система комфортабельного управления
KI – Комбинированный прибор
KLA – Система автоматического кондиционирования
LL – Автомобиль с левосторонним расположением рулевого управления
LLR – Система регулирования частоты вращения оси двигателя в режиме холостого хода
MG – Механическая коробка передач
MRA – Устройство использования остаточного тепла двигателя
PMS – Электронная пневматическая система управления впрыскиванием и зажиганием бензина фирмы Bosch
RL – Автомобиль с правосторонним расположением рулевого управления
SHD – Сдвигаемая и поднимаемая панель крыши кузова
SIH – Обогрев сиденья
SRA – Система очистки фар
SRS – Система укладки и натяжения ремней безопасности
STH – Отопление кузова при неработающем двигателе отопителем независимого действия
TAU – Система автоматического регулирования температуры
TEL – Телефон
ТРМ – Темпомат
ZV – Система замков дверей с центральным управлением
Расположение точек массы на корпусе автомобиля
W1 – основная масса (позади панели приборов)
W6 – масса багажника (вращение колеса слева)
W7 – масса багажника (вращение колеса справа)
W7/1 – масса багажника (габаритный фонарь справа)
W10 – масса аккумуляторной батареи
W11 – масса двигателя, USA
W11/1 – масса двигателя
W14 – масса держателя гидравлического блока
W16/3 – масса моторного отсека слева, удельная масса
W16/4 – масса моторного отсека справа, удельная масса
W16/5 – масса моторного отсека слева, масса электронного блока
W16/6 – масса моторного отсека справа, масса электронного блока
W18 – масса поперечины рамы/сиденья впереди слева
W19 – масса поперечной рамы/сиденья впереди справа
W26 – масса управляющего устройства натяжения ремней безопасности (надувной подушки безопасности)
W29/2 – масса А-стойки, справа
W31 – гибкая перемычка между корпусом и антенной
Схема стартера, генератора, аккумулятора (БД 111 HFM/ PMS) на Мерседес Бенц 201
А1 Комбинированный прибор 17А
А1е5 Контроль заряда/ Предупреждающий излучатель генератора 17А
С2 Помехозащищенная проводка генератор-аккумулятор 7F
F1/1 Розетка предохранителей на 12 контактов, в блоке реле и предохранителей 1F
F1/1-6 Предохранитель 6, клемма 15 16В
G1 Аккумулятор 6А
G2 Генератор 14М
К38 Реле блокировки стартера (EDW) 12А
М1 Стартер 2М 5М 10М 13М
N3/4 Регулирующий прибор управления двигателем (HFM) 3М 7М 9М
N3/6 Регулирующий прибор управления двигателем 16М
N30 Прибор управления ABS 17М
N35 Прибор управления дневным освещением при движении 18М
S2/1 Выключатель начала разогрева 9А
S16/4 Выключатель запрета запуска и выключатель освещения заднего хода 15М
W10 Клемма массы аккумулятора
Х4 Колодка клеммы 30, 3-полюсная, возле ног слева 7F 15A
X4/22 1-полюсный штекер клеммы 30Z 7D
Х12/3 Открытая 3-полюсная колодка клеммы 30/15 15F
X14/3 1-полюсный штекер клеммы 50/EDW 11Е
Х18/18 4-полюсное штеккерное соединение предупреждающего зуммера (кабина/ инфракрасный) 11D
Х26 Штеккерное соединение салон/ двигатель 2Н 8Н 10Н 15Н 17F
Х26/9 8-полюсное штеккерное соединение салон/ агрегаты 17Н
Х26/25 24-полюсное штеккерное соединение двигатель/ кузов 1К 5К 8К 10К 15К
Диаметры проводов могут отличаться от приведенных
Наружное освещение (БД, ДД) — эл.схема
А1 Комбинированный прибор 4А 7М
А1е1 Указатель мигающего светосигнального устройства слева 7М
А1е2 Указатель мигающего светосигнального устройства справа 7М
А1е3 Указатель дальнего света 9М
А1е14 Сигнальный фонарь выхода из строя ламп накаливания 9М
А1h1 Предупредительный звуковой указатель (зуммер) 6М
А1r1 Регулировочный резистор освещения приборов 4А
А2 Магнитола 21А
А37/2 Пневматическое управляющее устройство, система замков дверей с центральным управлением (ZV) 2М
А37/4 Пневматическое управляющее устройство, система замков дверей с центральным управлением (ZV), поддержание разрежения во впускном газопроводе (SRU) 2М
Е1 Комбинированный световой прибор слева 25А
Е1е1 Дальний свет 26А
Е1е2 Ближний свет 27А
Е1е3 Стояночный фонарь 26А
Е1е4 Противотуманный свет 26А
Е2 Комбинированный световой прибор справа 22А
Е2е1 Дальний свет 22А
Е2е2 Ближний свет 22А
Е2е3 Стояночный фонарь 23А
Е2е4 Противотуманный свет 23А
Е3 Задний габаритный фонарь слева 28А
Е3е1 Мигающий свет 27А
Е3е2 Стояночный фонарь 28А
Е3е3 Свет фары заднего хода 29А
Е3е4 Сигнал торможения 28А
Е3е5 Задний противотуманный фонарь, 30А
Е3е8 Задний габаритный фонарь (дополнительно) 29А
Е4 Задний габаритный фонарь справа 31А 33А
Е4е1 Мигающий свет 32А
Е4е2 Стояночный фонарь 32А
Е4е3 Свет фары заднего хода 32А
Е4е4 Сигнал торможения 33А
Е4е5 Задний противотуманный фонарь 31А
Е4е8 Задний габаритный фонарь (дополнительно) 33А
Е6/1 Фонарь указателя поворота слева 25А
Е6/1е1 Мигающий свет 25А
Е6/2 Фонарь указателя поворота справа 24А
Е6/2е1 Мигающий свет 24А
Е15/2 Потолочный светильный плафон с задержкой выключения и передний светильник для чтения 4М
Е19/1 Фонарь освещения номерного знака слева 20А
Е19/2 Фонарь освещения номерного знака справа 19А
F1/1 Розетка предохранителя 12-гнездная, в блоке предохранителей и в блоке реле F1
F1/1-1 Предохранитель 1, клемма 56b 11G
F1/1-4 Предохранитель 4, клемма 30 1G
F1/1-6 Предохранитель 6, клемма 15 1G
F1/1-7 Предохранитель 7, клемма 56b 11G
F1/1-9 Предохранитель 9, клемма 30b 15G
F1/1-12 Предохранитель 12, клемма 15 38G
F2 Розетка на предохранитель максимального тока 5-гнездная, в блоке предохранителей и в блоке реле F1
F2-15 Предохранитель 15, клемма 15R 12G
F3 Розетка предохранителя 18-гнездная, в блоке предохранителей и реле F1
F3-18 Предохранитель 18, клемма 58L 15G
F3-19 Предохранитель 19, клемма 56а 9G
F3-22 Предохранитель 22, клемма 58N 14G
F3-24 Предохранитель 24, клемма 58R 13G
F3-25 Предохранитель 25, клемма 56a 10G
F3-28 Предохранитель 28, клемма 58NS 14G
F3-29 Предохранитель 29, клемма 15 35B 38B
N7 Устройство контроля ламп 23М
N10 Комбинированное реле (мигающее светосигнальное устройство, обогреваемое заднее стекло, двигатель стеклоочистителя) 6А
N26 Управляющее устройство EDW 5М
R3 Прикуриватель с освещением пепельницы впереди 20А
R3e1 Освещение 21А
S1 Поворотный выключатель освещения 14А
S2/1 Выключатель зажигания и стартера 17А
S2/2 Пусковой выключатель свечей зажигания 17А
S4 Комбинированный выключатель 9А
S4s1 Переключатель указателей поворота 8В
S4s2 Выключатель предупредительной световой сигнализации посредством фар или прожектора 10В
S4s3 Выключатель ближнего света 10С
S4x1 Штеккерное соединение комбинированного выключателя 7D
S6 Выключатель аварийной световой сигнализации 2А
S8/1 Контакт предупредительной шумовой сигнализации (зуммера) освещения 1М
S9/1 Выключатель сигнала торможения 4-полюсный 39А
S16/1 Выключатель блокирования и автоматического отключения стартера и выключатель фары заднего хода/ распознавание второй и третьей передачи 36А
S17/3 Дверной выключатель освещения впереди слева 2М
S17/4 Дверной выключатель освещения впереди справа 3М
W1 Основная масса (позади комбинированного прибора)
W6 Масса багажника (вращение колеса слева)
W7 Масса багажника (вращение колеса справа)
W16/3 Масса агрегатного пространства слева, удельная масса
W16/4 Масса агрегатного пространства справа, удельная масса
W18 Масса поперечины рамы сиденья впереди слева
W19 Масса поперечины рамы сиденья впереди справа
X4 Соединитель проводов на клемме 30, 3-полюсный в пространстве для ног слева 13F 17F
X12/3 Соединитель проводов на клемме 30/15, без предохранителя, 3-полюсный 17F
X18 Штеккерное соединение. Внутреннее пространство/жгут проводов к задним габаритным фонарям 18F 24H
X21 Многогнездное штеккерное соединение выключателя сигнала торможения 39D
X24 Штеккерное соединение жгута проводов к фарам, 6-полюсное 24F
X26/25 Штеккерное соединение двигатель/ кузов 24-полюсное 36D
X36/2 Штеккерное соединение топливного насоса/ жгут проводов 31F
Z30/1 Концевая втулка мигающего светосигнального устройства слева, подача питания от комбинированного реле 28Н
Z30/2 Концевая втулка мигающего светосигнального устройства справа, подача питания от комбинированного реле 32Н
Z81 Концевая втулка клеммы 58d 2D
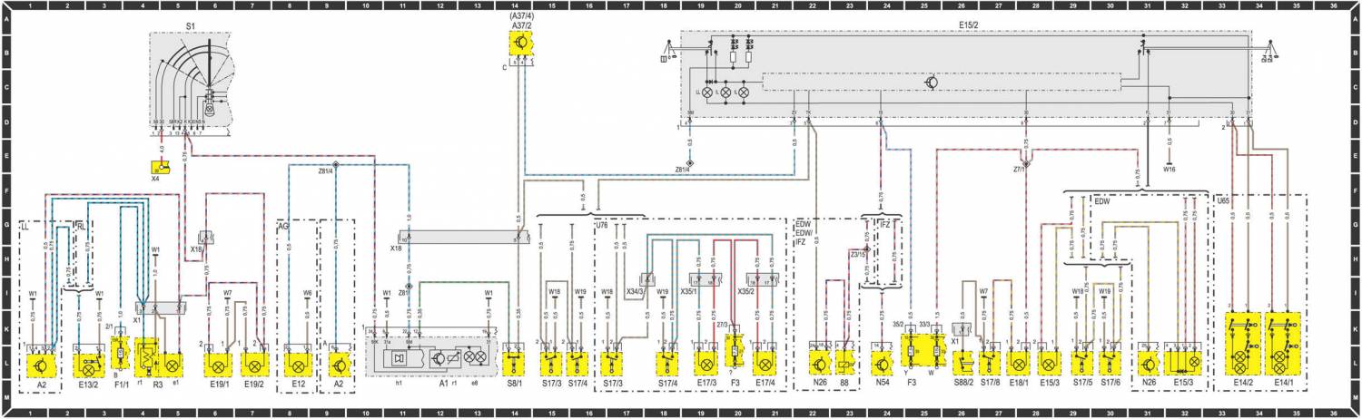
Внутреннее освещение (БД, ДД) — схема на Mercedes-Benz W201
А1 Комбинированный прибор 12М
А1е8 Освещение приборов 13М
A1h1 Предупредительный шумовой сигнал (зуммер) 11М
A1r1 Регулировочный резистор освещения приборов 12М
А2 Магнитола 1М 9М
А37/2 Пневматическое управляющее устройство, система замков дверей с центральным управлением (ZV) 14А
А37/4 Пневматическое управляющее устройство,система замков дверей с центральным управлением (ZV), поддержание разрежения во впускном газопроводе (SRU) 14А
Е12 Освещение кулисы переключения передач 8М
Е13/2 Фонарь освещения перчаточного бокса с выключателем 2М
Е14/1 Солнцезащитный козырек с освещаемым зеркалом слева 35М
Е14/2 Солнцезащитный козырек с освещаемым зеркалом справа 34М
Е15/2 Потолочный осветительный плафон с задержкой выключения и светильник впереди для чтения 26А
Е15/3 Потолочный светильник сзади 28М 32М
Е17/3 Входной/ выходной фонарь, освещение двери впереди слева 19М
Е17/4 Входной/ выходной фонарь, освещение двери впереди справа 21М
Е18/1 Фонарь освещения багажника 28М
Е19/1 Фонарь освещения номерного знака слева 6М
Е19/2 Фонарь освещения номерного знака справа 7М
F1/1 Розетка предохранителя 12-гнездная, в блоке предохранителей и в блоке реле F1
F1/1-2 Предохранитель 2, клемма 15В 4L
F3 Розетка предохранителя 18-генздная, в блоке предохранителей и в блоке реле F1
F3-27 Предохранитель 27, клемма 30 20L
F3-33 Предохранитель 33, клемма 30 26L
F3-35 Предохранитель 35, клемма 15R 25L
K38 Реле блокирования и автоматического отключения стартера (EDW) 23М
N26 Управляющее устройство блокирования и автоматического отключения стартера 22М 31М
N54 Управляющее устройство системы инфракрасного дистанционного управления (IEZ) 24М
R3 Прикуриватель впереди с освещением пепельницы 4М
R3e1 Освещение 5М
R3r1 Нагревательный элемент 4М
R3x1 Штеккерное соединение прикуривателя 4К
S1 Поворотный выключатель освещения 5А
S8/1 Контакт предупредительной шумовой сигнализации (зуммера) освещения 14М
S17/3 Дверной выключатель освещения в кузове впереди слева 15М 17М
S17/4 Дверной выключатель освещения в кузове впереди справа 16М 18М
S17/5 Дверной выключатель освещения в кузове сзади слева 29М
S17/6 Дверной выключатель освещения в кузове сзади справа 30М
S17/8 Выключатель фонаря освещения багажника 27М
S88/2 Блокировочный выключатель задней крышки (комфорт) 26М
S88/2×1 Штеккерное соединение блокировочного выключателя задней крышки (комфорт) 26К
W1 Основная масса (позади комбинированного прибора)
W6 Масса багажника (вращение колеса слева)
W7 Масса багажника (вращение колеса справа)
W16 Масса агрегатного пространства
W18 Масса поперечины рамы сиденья впереди слева
W19 Масса поперечины рамы сиденья впереди справа, место соединения с массой без обозначения, элемент конструкции находится непосредственно на двигателе, ходовой части или кузове
Х4 Соединитель проводов на клемме 30, 3-полюсный в пространстве для ног слева 4F
X18 Штеккерное соединение. Внутреннее пространство/жгут проводов к задним фонарям 5Н 11Н
X34/3 Промежуточное штеккерное соединение дверного выключателя освещения в кузове входного/ выходного фонаря освещения двери впереди справа 17I
Х35/1 Место разъединения впереди слева 19I
X35/2 Место разъединения впереди справа 20I
Z3/15 Концевая втулка клеммы 15 (EDW) 23Н
Z7/1 Концевая втулка клеммы 30 системы замков дверей с центральным управлением 28F
Z81 Концевая втулка клеммы 58d 11I
Z81/4 Концевая втулка клеммы 58d несущего основания кузова (RBA) 9F 18F
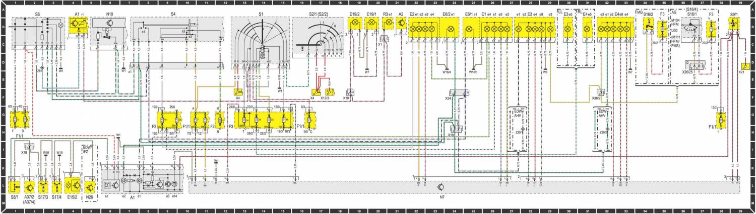
Электросхема панели приборов (БД 111 HRM/ PMS/ 104 HFM)
А1 Комбинированный прибор 21А
А1е1 Указатель мигающего светосигнального устройства, слева 11А
А1е2 Указатель мигающего светосигнального устройства, справа 10А
А1е3 Указатель дальнего света 9А
А1е5 Указатель заряда аккумуляторной батареи/сигнальный фонарь генератора 9А
А1е6 Сигнальный фонарь сигнализатора предельно допустимого износа тормозных накладок 30А
А1е7 Сигнальный фонарь уровня тормозной жидкости/ тормозного механизма стояночной тормозной системы 8А
А1е11 Сигнальный фонарь уровня охлаждающей жидкости 30А
А1е12 Указатель уровня масла 8А
А1е13 Указатель уровня воды в стеклоомывателе 30А
А1е14 Указатель выхода из строя ламп накаливания 7А
А1е15 Указатель/сигнальный фонарь надувной подушки безопасности (SRS) 29А
А1е17 Сигнальный фонарь системы ABS 28А
А1е21 Указатель функционирования системы ASR 31А
А1е22 Сигнальный фонарь системы ASR 31А
А1е24 Сигнальный фонарь системы ASD 31А
А1е25 Указатель функционирования ASD 31А
А1е26 Указатель контроля работы двигателя CHECK ENGINE 32А
А1е27 Указатель ADS, подвеска 28А
A1h1 Предупредительный шумовой указатель 16В
A1p1 Индикация температуры охлаждающей жидкости 17С
A1p2 Прибор индикация уровня топлива 16С
A1p4 Индикация наружной температуры 27В
A1p5 Тахометр (спидометр) 26С
A1p6 Электронные часы 27С
A1p8 Электронный спидометр (тахометр) 17В
A1r1 Регулировочный резистор к освещению приборов 15А
А2 Магнитола 14М
А7 Гидравлический блок системы ABS 31М
А7/3 Гидравлический блок системы ASR 32М
А37/2 Пневматическое управляющее устройство, система замков дверей с центральным управлением (ZV) 27М
А37/4 Пневматическое управляющее устройство, система замков дверей с центральным управлением (ZV), поддержание разрежения во впускном газопроводе (SRU) 27М
В4/1 Датчик указателя уровня топлива в половине бака слева 26М
В4/2 Датчик указателя уровня топлива в половине бака справа 25М
В13 Термодатчик индикации температуры охлаждающей жидкости 20М
Е3 Задний габаритный фонарь слева 13М
Е3е1 Мигающий свет 13М
Е4 Задний габаритный фонарь справа 13М
Е4е1 Мигающий свет 14М
Е6/1 Фонарь указателя поворота слева 12М
Е6/1е1 Мигающий свет 12М
Е6/2 Фонарь указателя поворота справа 11М
Е6/2е1 Мигающий свет 11М
Е15/2 Потолочный светильный плафон с задержкой выключения и светильник впереди для чтения 29М
Е19/1 Фонарь освещения номерного знака слева 16М
Е19/2 Фонарь освещения номерного знака справа 17М
F1/1 Розетка предохранителя 12-гнездная, в блоке предохранителей и в блоке реле F1
F1/1-4 Предохранитель 4, клемма 30 19Н
F1/1-6 Предохранитель 6, клемма 15 6L
F1/1-12 Предохранитель 12, клемма 15 6L
F3 Розетка предохранителя 18-гнездная, в блоке предохранителей и блоке реле F1
F3-19 Предохранитель 19, клемма 56а 7L
F3-25 Предохранитель 25, клемма 56а 6L
F3-26 Предохранитель 26, клемма 15R 23H
G2 Генератор 3А
N2/2 Управляющее устройство системы GUS с надувной подушкой безопасности АВ 33М 34М
N3/4 Управляющее устройство системы управления двигателя при помощи горячей пленки (HFM) 21М 22М
N 3/6 Управляющее устройство системы пневматического управления двигателем (RMC) 23М 24М
N7 Устройство контроля ламп 4А
N10 Комбинированное реле (мигающее светосигнальное устройство, обогреваемое заднее стекло, двигатель стеклоомывателя) 9М
N26 Управляющее устройство системы предупредительной сигнализации о взломе противоугонного приспособления 30М
N30 Управляющее устройство противоблокировочного приспособления тормозной системы 1А 30М
N30/1 Управляющее устройство системы ASR 2А 5А 32М 38М
N30/2 Управляющее устройство автоматического блокируемого дифференциала 2М 39М
R3 Прикуриватель с освещением пепельницы впереди 15М
RSe1 Освещение 15М
R3x1 Штеккерное соединение прикуривателя 15К
S1 Поворотный выключатель освещения 18М
S4 Комбинированный выключатель 10М
S4s1 Переключатель указателя поворота 10М
S4x1 Штеккерное соединение комбинированного выключателя 9I
S6 Выключатель аварийной световой сигнализации 8М 19М
S8/1 Контакт предупредительной шумовой сигнализации (зуммера) 26М
S9/1 Выключатель сигнала торможения, 4-полюсный, 4М
S10/1 Контактный датчик износа фрикционных тормозных накладок впереди слева 35А 38А
S10/1×1 Штеккерное соединение контактного датчика износа фрикционных тормозных накладок впереди слева 35С 38С
S10/2 Контактный датчик износа фрикционных тормозных накладок впереди справа 34А 37А
S10/2×1 Штеккерное соединение контактного датчика износа фрикционных тормозных накладок впереди справа 34С 37С
S10/3 Контактный датчик износа фрикционных тормозных накладок сзади слева 36М
S10/4 Контактный датчик износа фрикционных тормозных накладок сзади справа 36М
S11 Выключатель контроля уровня тормозной жидкости 39А
S12 Выключатель контроля тормозного механизма, стояночной тормозной системы 6А
S17/3 Дверной выключатель освещения в кузове впереди слева 27М
S17/4 Дверной выключатель освещения в кузове впереди справа 28М
S41 Выключатель контроля уровня охлаждающей жидкости 33А
S42 Выключатель контроля уровня воды в стеклоомывателе 32А
S43 Выключатель контроля уровня масла 4А
U67 Действительно для такси
U68 Действительно до 06.1993 г.
U69 Действительно с 07.1993 г.
W1 Основная масса (позади комбинированного прибора)
W6 Масса багажника (вращение колеса слева)
W7 Масса багажника (вращение колеса справа)
W16/3 Масса агрегатного пространства слева, удельная масса
W16/4 Масса агрегатного пространства справа, удельная масса
W18 Масса поперечины рамы сиденья впереди слева
W19 Масса поперечины рамы сиденья впереди справа, место соединения с массой без обозначения, элемент конструкции находится непосредственно на двигателе, ходовой части или кузове
Х11/4 Испытательная муфта для проведения технического диагностирования 21I 22I 23I 34I
X11/18 Штеккерное соединение между электронной педалью акселератора и кузовом 35Н
Х18 Штеккерное соединение между внутренним пространством и жгутом проводов к задним габаритным огням 11F 27I 17H
Х20/2 Промежуточное штеккерное соединение ножного тормозного механизма стояночной тормозной системы 6Е
Х24 Штеккерное соединение жгута проводов к задним габаритным огням, 6-полюсное 11Н
Х26 Штеккерное соединение между внутренним пространством и двигателем, 3G 20H 21H 22H 23H 24H
X26/9 Штеккерное соединение между внутренним пространством и агрегатами, 8-полюсное 2G
X26/25 Штеккерное соединение между двигателем и кузовом, 24-полюсное 3Е 20I
Х28/12 Промежуточное штеккерное соединение надувной подушки безопасности пассажира рядом с водителем 33Н
Х62/1 Штеккерное соединение датчика частоты вращения/индикация износа тормозных накладок (BBV) заднего моста слева 35К
Х62/2 Штеккерное соединение датчика частоты вращения/индикация износа тормозных накладок (BBV) заднего моста справа 36К
Х62/3 Штеккерное соединение датчика частоты вращения заднего моста, система ASR, 6-полюсное 36Н
Х62/12 Соединитель проводов сигнала превышения частоты вращения впереди, однополюсный 27F 37I
Z2 Концевая втулка TD 22I
Z23 Концевая втулка контроля ABS, запитывается от управляющего устройства системы ASR, 32I
Z30/1 Концевая втулка мигающего светосигнального устройства слева, запитывается от комбинированного реле 12Н
Z23/2 Концевая втулка контроля системы ASR 32I 39I
Z30/2 Концевая втулка мигающего светосигнального устройства справа, запитывается от комбинированного реле 14Н
Z81 Концевая втулка клеммы 58d 16F
Панель приборов (ДД 601/ 604/ 605) — схема
А1 Комбинированный прибор 21А
А1е1 Указатель мигающего светосигнального устройства, слева 10А
А1е2 Указатель мигающего светосигнального устройства, справа 8А
А1е3 Указатель дальнего света 7А
А1е5 Указатель заряда аккумуляторной батареи/сигнальный фонарь генератора 6А
А1е6 Сигнальный фонарь сигнализатора предельно допустимого износа тормозных накладок 30А
А1е7 Сигнальный фонарь уровня тормозной жидкости/тормозного механизма стояночной тормозной системы 5А
А1е11 Сигнальный фонарь уровня охлаждающей жидкости 31А
А1е12 Указатель уровня масла 6А
А1е13 Указатель уровня воды в стеклоомывателе 31А
А1е14 Указатель выхода из строя ламп накаливания 5А
А1е15 Указатель/ сигнальный фонарь надувной подушки безопасности (SRS) 29А
А1е17 Сигнальный фонарь системы ABS 28А
А1е21 Указатель функционирования системы ASR 31А
А1е22 Сигнальный фонарь системы ASR 31А
А1е24 Сигнальный фонарь системы ASD 32А
А1е25 Указатель функционирования ASD 31А
А1е27 Указатель ADS, подвеска 28А
A1e34 33А
A1h1 Предупредительный шумовой указатель 14В
A1p1 Индикация температуры охлаждающей жидкости 15С
A1p2 Прибор индикация уровня топлива 14С
A1p4 Индикация наружной температуры 27В
A1p5 Тахометр (спидометр) 26С
A1p6 Электронные часы 27С
A1p8 Электронный спидометр (тахометр) 15В
A1r1 Регулировочный резистор к освещению приборов 13А
А2 Магнитола 12М
А7 Гидравлический блок системы ABS 32М
А37/2 Пневматическое управляющее устройство, система замков дверей с центральным управлением (ZV) 30М
А37/4 Пневматическое управляющее устройство, система замков дверей с центральным управлением (ZV), поддержание разрежения во впускном газопроводе (SRU) 30М
В4/1 Датчик указателя уровня топлива в половине бака слева 29М
В4/2 Датчик указателя уровня топлива в половине бака справа 28М
В11/8 Датчик температуры охлаждающей жидкости, электрофакельное устройство 16М
Е3 Задний габаритный фонарь слева 10М
Е3е1 Мигающий свет 10М
Е4 Задний габаритный фонарь справа 11М
Е4е1 Мигающий свет 11М
Е6/1 Фонарь указателя поворота слева 9М
Е6/1е1 Мигающий свет 9М
Е6/2 Фонарь указателя поворота справа 9М
Е6/2е1 Мигающий свет 9М
Е15/2 Потолочный светильный плафон с задержкой выключения и светильник впереди для чтения 33М
Е19/1 Фонарь освещения номерного знака слева 13М
Е19/2 Фонарь освещения номерного знака справа 13М
F1/1 Розетка предохранителя 12-гнездная, в блоке предохранителей и в блоке реле F1
F1/1-4 Предохранитель 4, клемма 30 16G
F1/1-6 Предохранитель 6, клемма 15 4L
F1/1-12 Предохранитель 12, клемма 15 4L
F3 Розетка предохранителя 18-гнездная, в блоке предохранителей и блоке реле F1
F3-19 Предохранитель 19, клемма 56а 5L
F3-25 Предохранитель 25, клемма 56а 5L
F3-26 Предохранитель 26, клемма 15R 29H
G2 Генератор 2А
N2/2 Управляющее устройство системы GUS с надувной подушкой безопасности АВ 36М 37М
N3/7 Управляющее устройство ERE 26М 27М 38М
N3/8 Управляющее устройство EVE 39М
N7 Устройство контроля ламп 3А 2М
N8/2 Управляющее устройство ARA 18М 19М
N10 Комбинированное реле (мигающее светосигнальное устройство, обогреваемое заднее стекло, двигатель стеклоомывателя) 7М
N14 Реле времени предварительного накала 17М 37М
N15 Реле отключения устройства Kick-down 20М 22М 24М 27М
N15/2 Управляющий прибор частоты вращения вала двигателя 24М
N26 Управляющее устройство системы предупредительной сигнализации о взломе противоугонного приспособления 33G
N30 Управляющее устройство противоблокировочного приспособления тормозной системы 1А 31А
N30/2 Управляющее устройство автоматического блокируемого дифференциала 1М 35М
N37 Управляющий прибор ARF 19М 21М 23М
R3 Прикуриватель с освещением пепельницы впереди 12М
RSe1 Освещение 12М
R3x1 Штеккерное соединение прикуривателя 12К
S1 Поворотный выключатель освещения 14М
S4 Комбинированный выключатель 8М
S4s1 Переключатель указателя поворота 8М
S4x1 Штеккерное соединение комбинированного выключателя 7I
S6 Выключатель аварийной световой сигнализации 6М 15М
S8/1 Контакт предупредительной шумовой сигнализации (зуммера) 29М
S9/1 Выключатель сигнала торможения, 4-полюсный 3М
S10/1 Контактный датчик износа фрикционных тормозных накладок впереди слева 36А 38А
S10/1×1 Штеккерное соединение контактного датчика износа фрикционных тормозных накладок впереди слева 35С 38С
S10/2 Контактный датчик износа фрикционных тормозных накладок впереди справа 35А 37А
S10/2×1 Штеккерное соединение контактного датчика износа фрикционных тормозных накладок впереди справа 35С 37С
S11 Выключатель контроля уровня тормозной жидкости 39А
S12 Выключатель контроля тормозного механизма, стояночной тормозной системы 4А
S17/3 Дверной выключатель освещения в кузове впереди слева 31М
S17/4 Дверной выключатель освещения в кузове впереди справа 33М
S41 Выключатель контроля уровня охлаждающей жидкости 34А
S42 Выключатель контроля уровня воды в стеклоомывателе 33А
S43 Выключатель контроля уровня масла 2А
U67 Действительно для такси
U68 Действительно до 06.1993 г.
U69 Действительно с 07.1993 г.
W1 Основная масса (позади комбинированного прибора)
W6 Масса багажника (вращение колеса слева)
W7 Масса багажника (вращение колеса справа)
W16/3 Масса агрегатного пространства слева, удельная масса
W16/4 Масса агрегатного пространства справа, удельная масса, W18, Масса поперечины рамы сиденья впереди слева
W19 Масса поперечины рамы сиденья впереди справа, место соединения с массой без обозначения, элемент конструкции находится непосредственно на двигателе, ходовой части или кузове
Х11/4 Испытательная муфта для проведения технического диагностирования 18I 19I 21I 22I 24I 25I 26I 27I 36I
X18 Штеккерное соединение между внутренним пространством и жгутом проводов к задним габаритным огням 8G 14H 30I
Х24 Штеккерное соединение жгута проводов к задним габаритным огням, 6-полюсное 8Н
Х26 Штеккерное соединение между внутренним пространством и двигателем 2G 16H 18H 19H 20H 21H 22H 23H 24H 26H 27H
X26/9 Штеккерное соединение между внутренним пространством и агрегатами, 8-полюсное 1G
X26/25 Штеккерное соединение между двигателем и кузовом, 24-полюсное 2Е 16I
X62/12 Соединитель проводов сигнала превышения частоты вращения впереди, однополюсный 31Н 34I
Z2 Концевая втулка TD 23I
Z30/1 Концевая втулка мигающего светосигнального устройства слева, запитывается от комбинированного реле 10Н
Z30/2 Концевая втулка мигающего светосигнального устройства справа, запитывается от комбинированного реле 11Н
Z81 Концевая втулка клеммы 58d 14F
Электросхема – стартер, генератор, аккумулятор (ДД 601/ 604/ 605)
А1 Комбинированный прибор 16А
А1е5 Контроль заряда/ Предупреждающий излучатель генератора 14А
А1е16 Контрольный излучатель предварительного разогрева 18А
В11/8 Температурный датчик охлаждающей жидкости, электрофакельное устройство 19М
С2 Помехозащищенная проводка генератор-аккумулятор 4F
F1/1 Розетка предохранителей на 12 контактов, в блоке реле и предохранителей F1
F1/1-6 Предохранитель 6, клемма 15 13В
F1/1-12 Предохранитель 12, клемма 15 18L
G1 Аккумулятор 2А
G2 Генератор 15М
К38 Реле блокировки стартера (EDW) 8А
М1 Стартер 5М 9M
N3/7 Прибор ERE 10М
N3/8 Прибор EVE 11М
N7 Прибор контроля ламп 16М
N14 Реле предварительного разогрева 20А
N30 Прибор ABS 13М
N35 Прибор света дневной поездки 12М
S2/2 Выключатель начала разогрева 6А
S9/1 Выключатель стоп-сигналов, 4-полюсный 17М
S16/1 Выключатель запрета запуска и выключатель освещения заднего хода 7М
W10 Клемма массы аккумулятора
W16/3 Клемма массы моторного отсека слева, шина массы клемма массы без обозначения, непосредственно на двигателе, соотв., кузове
Х4 Колодка клеммы 30, 3-полюсная, возле ног слева 4F
X4/22 1-полюсный штекер клеммы 30Z 2I
Х12/3 Открытая 3-полюсная колодка клеммы 30/15 3I 15F 21F
X14/3 1-полюсный штекер клеммы 50/EDW 8Е
Х18/18 4-полюсное штеккерное соединение предупреждающего зуммера (кабина/ инфракрасный) 8D
Х26 Штеккерное соединение салон/ двигатель, 7F 14F
Х26/9 8-полюсное штеккерное соединение салон/ агрегаты 13I
Х26/25 24-полюсное штеккерное соединение двигатель/кузов 5I 7I






