Очередная серия электросхем оборудования на Mercedes-Benz W220 1998-2005 г.в. Автомобиль выпускается в двух вариантах исполнения кузова: со стандартной и удлиненной колесной базой (2965 и 3085 мм), с тремя вариантами установленных V-образных бензиновых двигателей (шесть, восемь и двенадцать цилиндров). Дизельные двигатели – рядный 6-цилиндровый и V-образный 8-цилиндровый двигатели с непосредственным впрыском и системой «Common-Rail»- устанавливаются с конца 1999 года. Бензиновые двигатели нового S-класса, благодаря конструкции с 3-мя клапанами и 2-мя свечами зажигания на цилиндр и применению легких сплавов, расходуют топлива на 13-17 процентов меньше, чем двигатели предыдущей модели.
Коды обозначения цвета изоляции электропроводки и назначение выводов и клемм
BLK Черный
BLU Синий
BRN Коричневый
GRN Зеленый
GRY Серый
NCA Любой
ORG Оранжевый
PNK Розовый
PPL Пурпурный
RED Красный
TAN Золотистый
VIO Фиолетовый
WHT Белый
YEL Желтый
— Минус.
+ Плюс.
12VCD Напряжение батареи или регулятора напряжения при работающем двигателе.
15 Коммутируемое питание от батареи (подаётся в положениях 2 и 3).
15g Коммутируемое питание от батареи (защищено предохранителем).
15R Коммутируемое питание от батареи (подаётся в положениях 1, 2 и 3).
15u Коммутируемое питание от батареи (не защищено предохранителем).
15Х Коммутируемое питание от батареи (подаётся в положении 2).
15Z Коммутируемое питание от батареи (подаётся в положениях 2 и 3).
15С Коммутируемое питание от батареи (подаётся до извлечения ключа).
30 Не отключаемое питание от батареи.
30Z Коммутируемое напряжение батареи (подаётся в положениях 2 и 3).
30а Не отключаемое напряжение батареи.
30А Не отключаемое напряжение батареи (сторона «A”).
30В Не отключаемое напряжение батареи (сторона «В”).
30Е Не отключаемое напряжение батареи для электроники.
31 Заземление.
31b Коммутируемое подключение к корпусу.
31е Заземление для электроники.
49 Сигнал прерывателя.
49a Выходной сигнал указателей поворотов.
49L Левый указатель поворотов.
49R Правый указатель поворотов.
50 Сигнал тягового реле стартёра.
53 Низкоскоростной режим функционирования стеклоочистителей.
53b Высокоскоростной режим функционирования стеклоочистителей.
54 Цепь стоп-сигналов.
55 Противотуманные лампы.
56 Фары.
56a Цепь дальнего света.
56b Цепь ближнего света.
58 Цепь задних габаритных/парковочных огней, подсветки приборов и номерного знака.
58d Регулируемая подсветка приборов.
58k Подсветка приборов (необрабатываемая).
58L Левый парковочный огонь.
58R Правый парковочный огонь.
61 Контрольная лампа генератора.
61е Рабочий сигнал генератора.
81 Сигнал задней передачи.
81а Сигнал задней передачи (после переключения трансмиссии).
85 Вывод обмотки на (-) или корпус.
85EDC Сигнал управления реле, электронное управление дизельного двигателя.
85F Управление реле клаксона.
85LP Управление реле воздушного насоса.
86 Вывод начала обмотки.
86КР Управление реле топливного насоса.
87 Входной сигнал.
875А Питание дополнительного оборудования.
87a Первый выходной сигнал (контактная сторона NC).
87ABS Питание ABS.
87b Второй выходной сигнал.
87c Третий выходной сигнал.
87EGAS Напряжение питания электронной педали газа (ЕА).
87GES Напряжение батареи (защищено предохранителем).
87LP Напряжение питания воздушного насоса.
87ME1 87 блока управления 1.
87ME2 87 блока управления 2.
87MOTR Напряжение питания блока управления системы впрыска.
87UG Выход реле (не защищён предохранителем).
87Z Выход реле (защищён предохранителем).
Точки заземления — электросхема
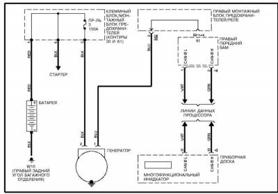
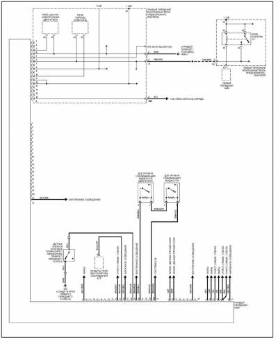
Схема системы заряда на Mercedes-Benz W220
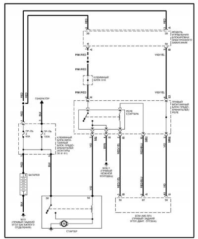
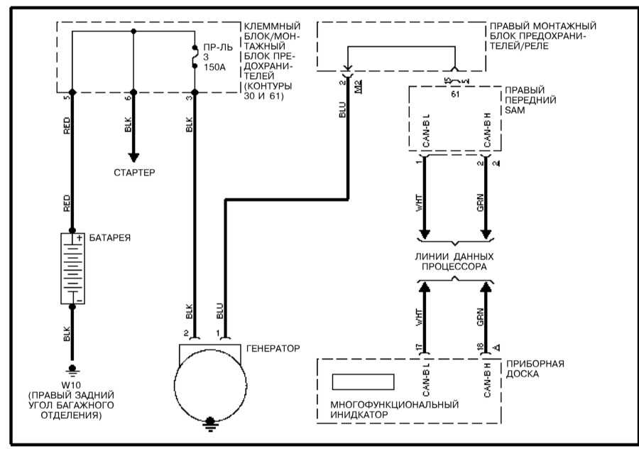
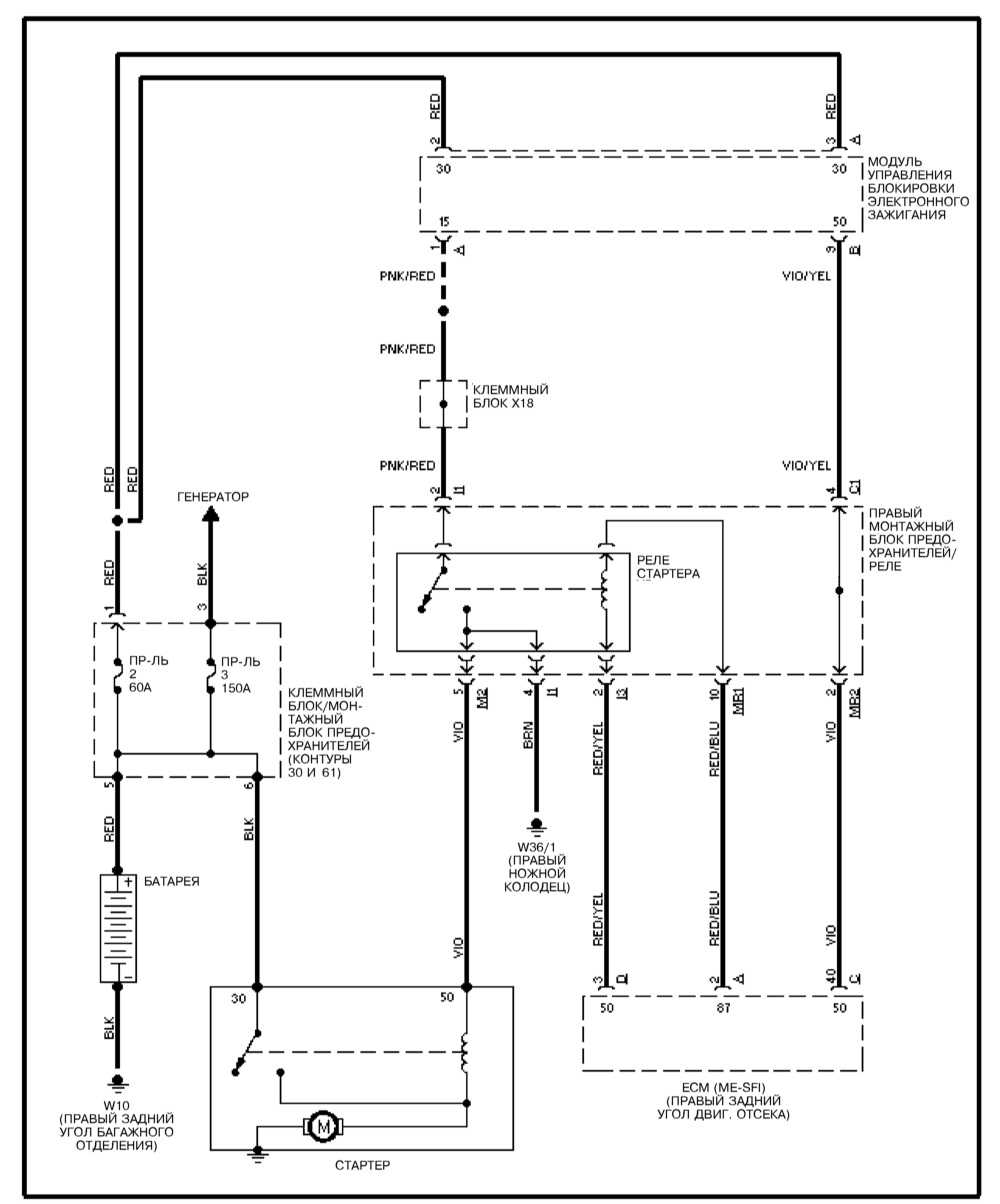
Эл.схема системы запуска на Мерседес Бенц 220
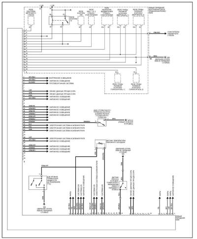
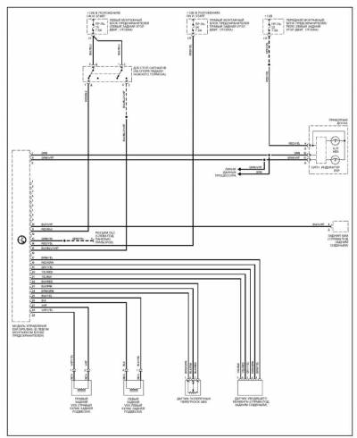
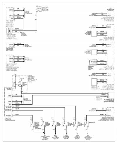
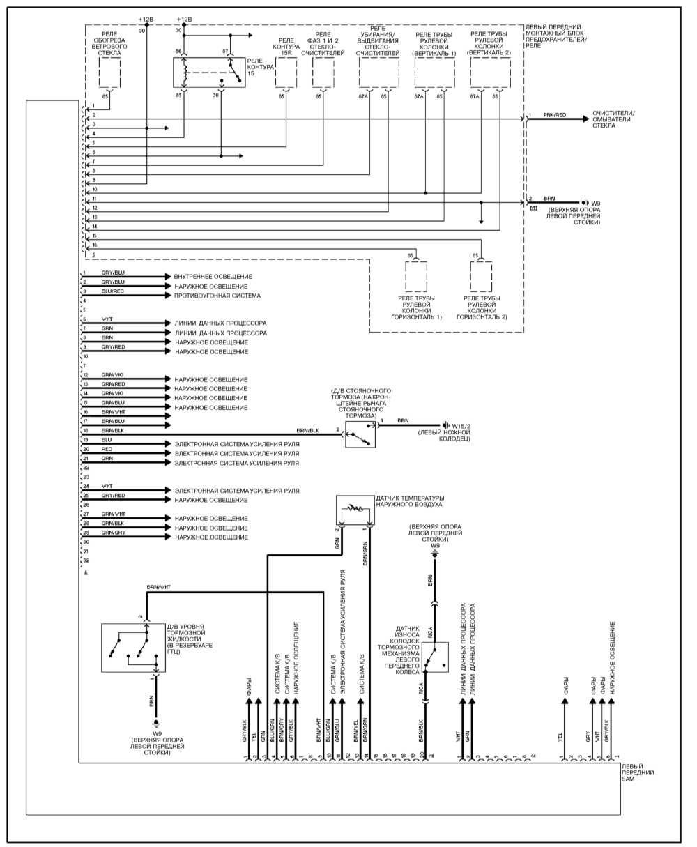
Левый передний блок обработки сигналов и управления (SAM) — схема
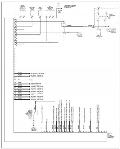
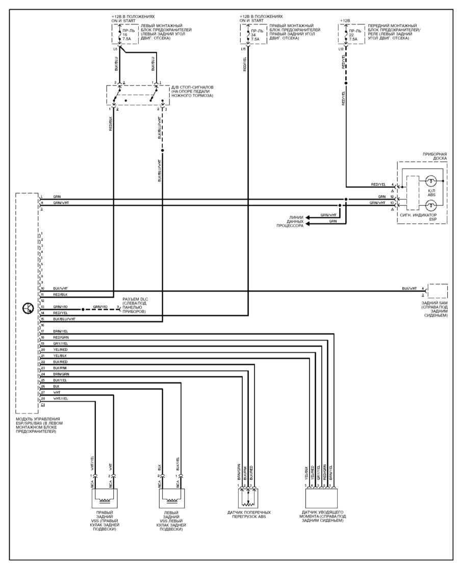
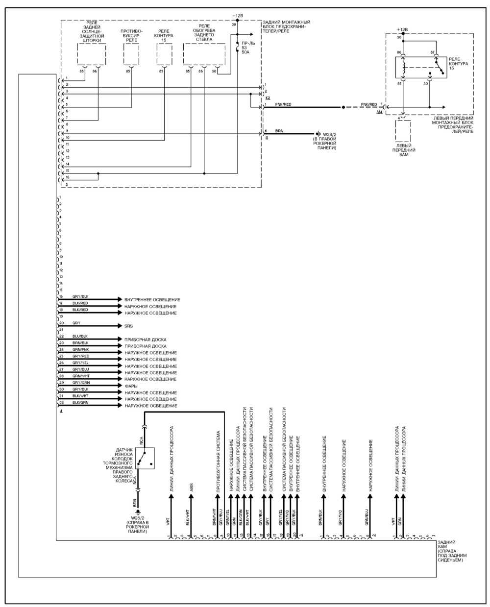
Задний блок обработки сигналов и управления (SAM) — электросхема
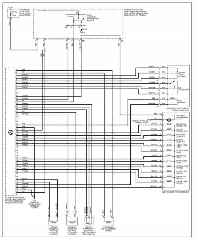
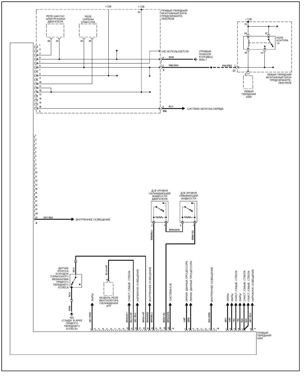
Правый передний блок обработки сигналов и управления (SAM) — эл.схема
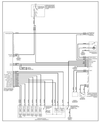
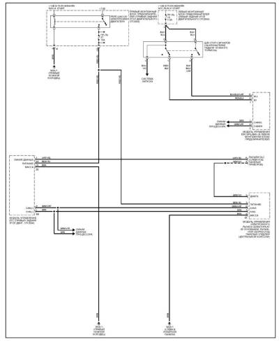
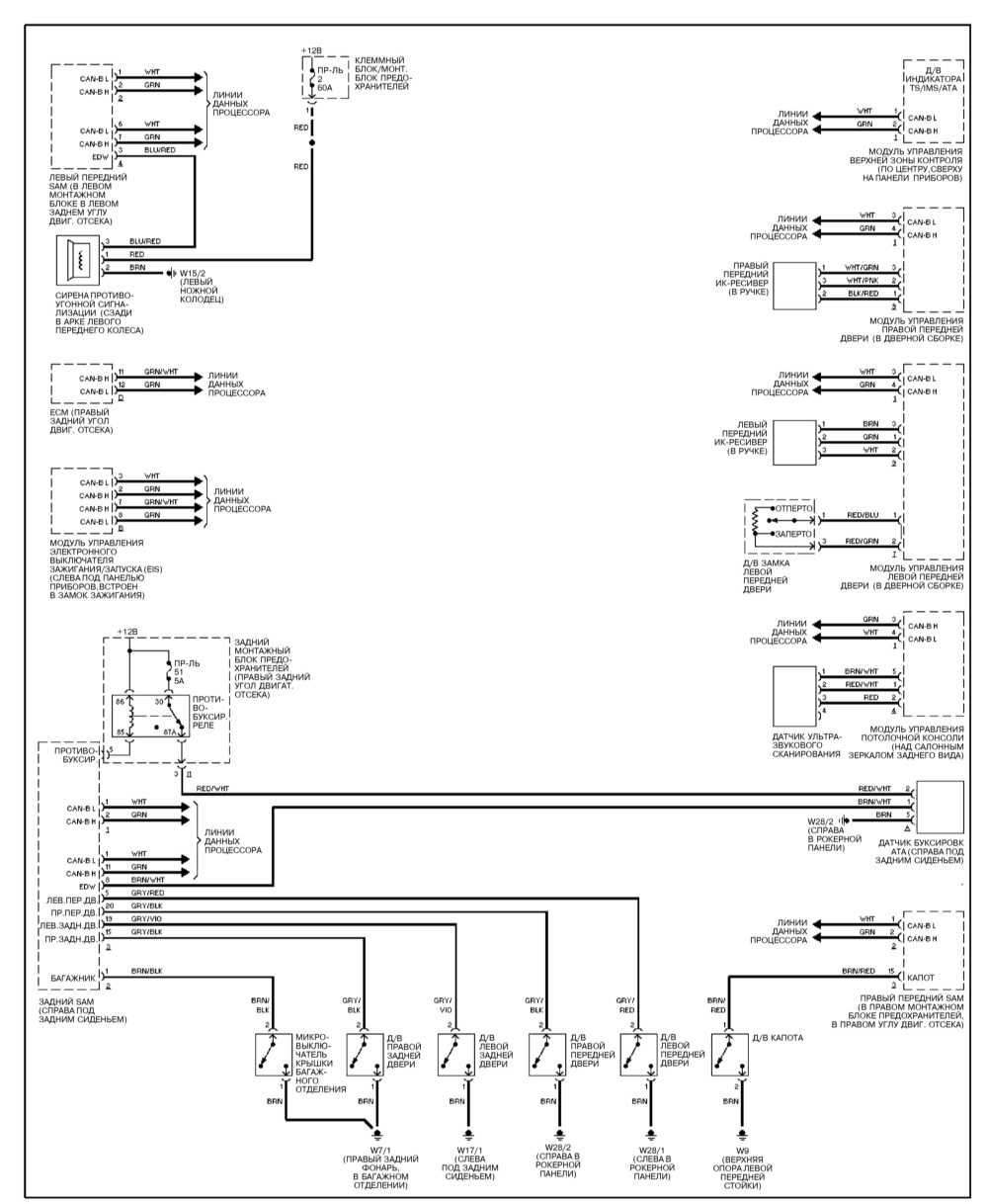
Шина данных CAN — схема на Mercedes-Benz W220
Схема диагностического разъема DLC
Электросхема автоматической системы кондиционирования воздуха
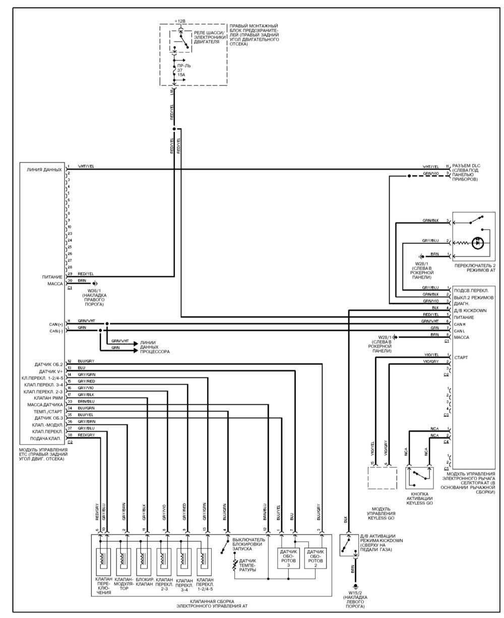
Автоматическая трансмиссия — схема на Мерседес Бенц 220
Эл.схема блокировки переключения трансмиссии
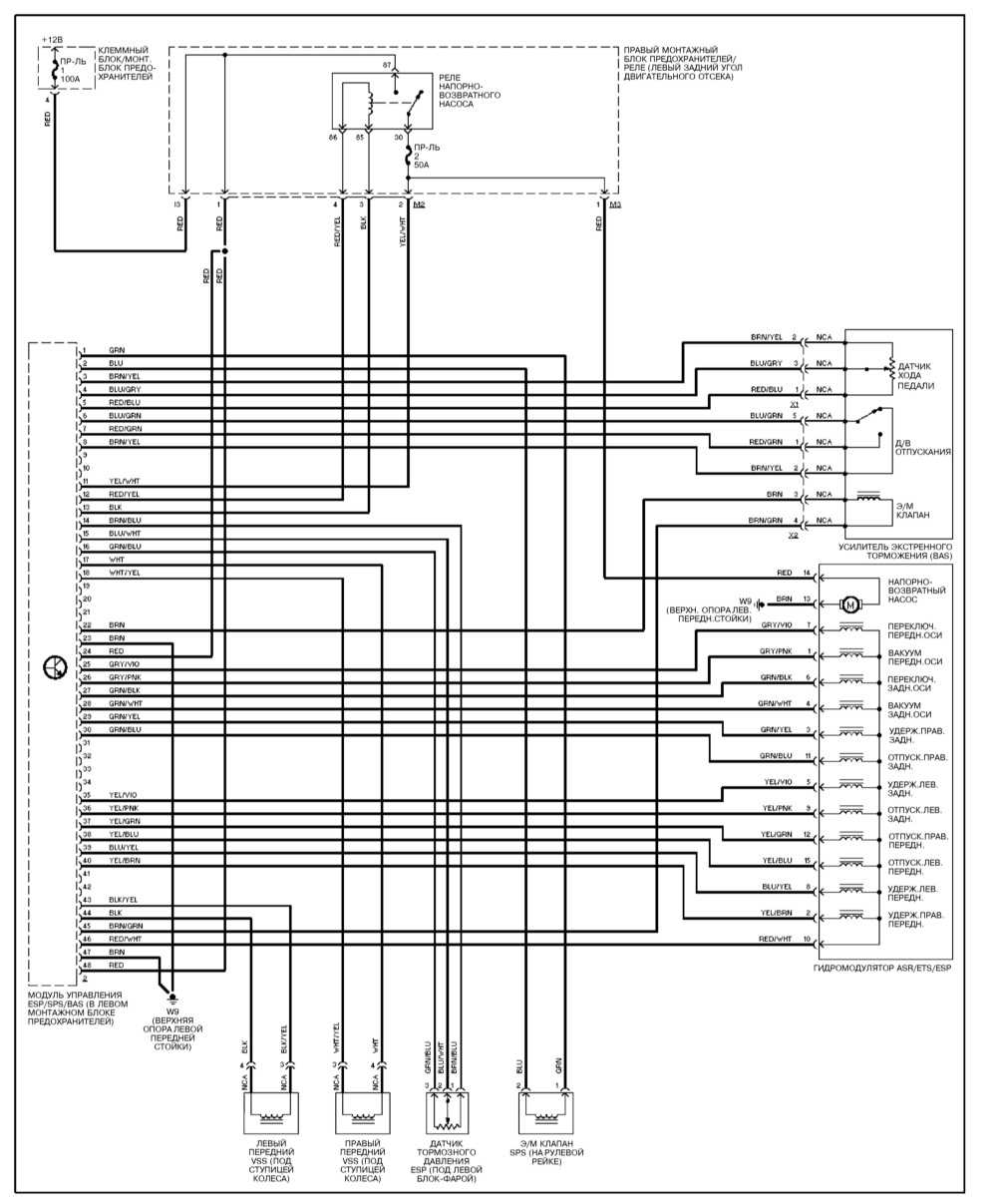
Электросхема ABS на Mercedes-Benz W220
Схема электронной подвески на Мерседес Бенц 220
Противоугонная система (ATA) — эл.схема
Темпостат — схема на Mercedes-Benz W220
Электропривод откидной крыши/верхнего люка — электросхема
Электросхема радиоприемника на Мерседес Бенц 220




















