Схемы электрооборудования на Mercedes-Benz Sprinter 1995-2000 г.в. Большое внимание в автомобилях Sprinter уделено активной безопасности, поскольку работа с полной нагрузкой и в экстремальном режиме требует максимальной отдачи. В этом малотоннажном автомобиле реализован целый комплекс систем, отвечающих за обеспечение жизни и здоровья пассажиров. Установленные на все колеса дисковые тормозные механизмы эффективны даже при резком торможении полностью загруженного автомобиля. Оснащение включает в себя серийно ABS/ABD. Устанавливаемая на заказ противобуксовочная система ASR вкупе с антиблокировочной системой ABS предотвращают пробуксовку колес и гарантируют надежное сцепление с дорожным покрытием на мокрых и скользких дорогах. Для эксплуатации в сложных дорожных условиях существуют модификации с отключаемым полным приводом. Имеет место независимый от рабочего тормоза гидравлический стояночный тормоз Duo-Servo для задних колес. Sprinter отличается хорошими деформационными характеристиками – усиленная конструкция передней части рамы поглощает большую часть энергии при фронтальном столкновении. Для большей безопасности автомобиль может быть укомплектован трехточечными подушками безопасности с натяжителем для водителя и переднего пассажира, а так же трехточечные ремни безопасности на всех сидениях в пассажирском салоне.
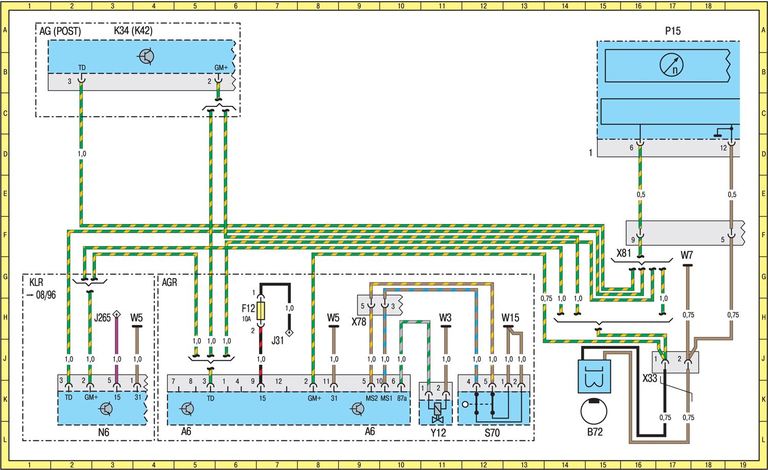
Схема системы управления дизельным двигателем с ТНВД распределительного типа (двигатели мод. 02.980 серий 901, 902, 903 и 904)
А6 ЭБУ системой рециркуляции ОГ (AGR) 5L, 9L
B72 Датчик частоты вращения коленчатого вала 15L
F12 Предохранитель (10 А) ЭБУ системой рециркуляции
ОГ (вывод <15>) 6H
J31 Вывод <15>, защищенный предохранителем 7J
J265 Вывод <15> 3H
K34 Реле автоматического включения пониженной
передачи (система Kickdown) автоматической
коробки передач 4A
N6 ЭБУ компрессором кондиционера 3L
P15 Комбинация приборов 17A
S70 Выключатель системы рециркуляции ОГ (AGR) 13L
W3 Соединение с <массой> в левой фаре 11H
W5 Соединение с <массой> в блоке под сиденьем 4H, 9H
W7 Соединение с <массой> в моторном отсеке 17G
W15 Соединение с <массой> на двигателе 13H
X33 Контактный разъем TD 17K
X78 Контактный разъем жгутов проводов двигателя
и кузова 9H
X81 Контактный разъем жгутов проводов рамы и кузова 16G
Y12 Электромагнитный клапан системы рециркуляции
ОГ (EGR 2) 11L
Система управления дизельным двигателем с ТНВД распределительного типа (автомобили выпуска с октября 1997 г.) — схема
A12 Центральный монтажный блок 1L
26L
48L
A12F5 Предохранитель 15 А 26K
A12F7 Предохранитель 15 А 48K
A12F8 Предохранитель 20 А 49K
A20 ЭБУ двигателем (MSA) 4A
12A
21A
28A
36A
44A
B16 Датчик температуры охлаждающей жидкости 8L
B18 4-контактный выключатель стоп-сигнала
(автомобили с системой круиз-контроля) 29L
B19 2-контактный выключатель стоп-сигнала 24L
B47 Датчик давления (наддува) воздуха во впускном
коллекторе 23L
B49 Датчик момента начала впрыска топлива 10L
B73 Датчик угла поворота коленчатого вала 11L
F15 Предохранитель (15 А) ЭБУ двигателем 6E
G2 Аккумуляторная батарея 2L, 51L
G14 Датчик температуры всасываемого воздуха 19L
J5 Вывод <50> 30E
J6 Вывод <30>, защищенный предохранителем 48H
J8 Вывод стоп-сигнала 2G
24G
29G
J12 Выводы датчиков для соединения с <массой> 8E
11G
15E
19E
22E
J13 Вывод ЭБУ ТНВД (EVE) 5G
17E
J14 Вывод ЭБУ ТНВД (EVE) 17E
J18 Вывод <15>, защищенный предохранителем 1E
J22 Вывод <15>, защищенный предохранителем 47H
J49 Вывод датчика частоты вращения коленчатого вала 44E
J59 Вывод форсунок 6G
14E
28G
35G
J105 Вывод <15> 36G
J149 Вывод датчика частоты вращения коленчатого вала 42E
J210 Вывод <30> 4G
J277 Вывод <15> 31E
K5 Реле питания ЭБУ двигателем 4L
P4 Тахограф 42L
P11 14-контактный диагностический разъем 45L
P15 Комбинация приборов 37L
43L
P15h73 Контрольная лампа системы EDC 37L
R40 Датчик положения педали акселератора 21L
R40s1 Выключатель режима холостого хода 21K
S53 Замок зажигания 53L
S105 Выключатель на педали сцепления 41L
S123 Выключатель системы круиз-контроля 32L
W4 Соединение с <массой> на перегородке
моторного отсека 2H
22H
40H
45G
W7 Соединение с <массой> в моторном отсеке 2E
X78 Разъем жгутов проводов рамы и двигателя 7H
12H
X79 Разъем жгутов проводов рамы и кузова 38G
X81 Разъем жгутов проводов рамы и кузова 42G
Y44 Клапан системы рециркуляции ОГ 6L
Y45 ТНВД с электронным управлением 13L
17L
Y45.1 Разъем электромагнитного клапана муфты
опережения впрыска топлива 13H
Y45.3 Разъем ЭБУ ТНВД 15H
Y45b1 Датчик температуры топлива 18L
Y45l1 Датчик хода рейки ТНВД 16L
Y45l2 Датчик хода рейки ТНВД 15L
Y45y1 Регулятор количества подаваемого топлива 17L
Y45y2 Электромагнитный клапан муфты опережения
впрыска топлива 14K
Y45y3 Электромагнитный клапан прекращения подачи топлива 13L
Y46 Электромагнитный клапан изменения давления
впрыска топлива 35L
Y47 Электромагнитный клапан момента впрыска топлива 34L
Электросхема системы управления дизельным двигателем 602.980 с ТНВД распределительного типа (автомобили выпуска с июля 1998 г.)
A12 Центральный монтажный блок 1L
26L
55L
A12F5 Предохранитель 15 А 26K
A12F7 Предохранитель 15 А 54K
A12F8 Предохранитель 20 А 55K
A20 ЭБУ двигателем (MSA) 4A
12A
21A
28A
36A
44A
51A
B16 Датчик температуры охлаждающей жидкости 8L
B18 4-контактный выключатель стоп-сигнала
(автомобили с круиз-контролем) 29L
B19 2-контактный выключатель стоп-сигнала 24l
B47 Датчик давления (наддува) воздуха во впускном
коллекторе 23L
B49 Датчик момента начала впрыска топлива 10L
B73 Датчик угла поворота коленчатого вала 11L
B101 Измеритель массового расхода воздуха 44L
D3 Выходной каскад системы предпускового подогрева 54A
58A
F15 Предохранитель (15 А) ЭБУ двигателем 6E
G2 Аккумуляторная батарея 2L
59L
G14 Датчик температуры всасываемого воздуха 19L
J5 Вывод <50> 45E
J6 Вывод <30>, защищенный предохранителем 54H
J8 Вывод стоп-сигнала 2G
24G
29G
J12 Вывод датчиков для соединения с <массой> 8E
15E
19E
J13 Вывод ЭБУ ТНВД (EVE) 5G
17E
J14 Вывод ЭБУ ТНВД (EVE) 17E
J18 Вывод <15>, защищенный предохранителем 1E
J22 Вывод <15>, защищенный предохранителем 53H
J49 Вывод датчика частоты вращения коленчатого вала 50E
J59 Вывод форсунок 6G
14E
28G
37G
41G
J105 Вывод <15> 39G
J149 Вывод датчика частоты вращения коленчатого вала 49E
J210 Вывод <30> 4G
J272 Вывод датчиков положения педали акселератора,
давления (наддува) воздуха во впускном
коллекторе и температуры всасываемого воздуха 21E
44G
J277 Вывод <15> 30E
J316 Вывод выключателя режима холостого хода 21G
43G
K5 Реле питания ЭБУ двигателем 4L
P4 Тахограф 48L
P11 14-контактный диагностический разъем 51L
P15 Комбинация приборов 39L
49L
P15h73 Контрольная лампа системы EDC 39L
R13 Свеча накаливания 55E
R14 Свеча накаливания 55E
R15 Свеча накаливания 55E
R16 Свеча накаливания 54E
R17 Свеча накаливания 54E
R40 Датчик положения педали акселератора 21L
R40s1 Выключатель режима холостого хода 22K
S53 Замок зажигания 58L
S105 Выключатель на педали сцепления 47L
S123 Выключатель круиз-контроля 31L
W4 Соединение с <массой> на перегородке
моторного отсека 2H
22H
47H
51G
W7 Соединение с <массой> в моторном отсеке 2E
9D
57E
X78 Разъем жгутов проводов рамы и двигателя 7H
12H
X79 Разъем жгутов проводов рамы и кузова 40G
X81 Разъем жгутов проводов рамы и кузова 49G
Y45 ТНВД с электронным управлением 13L
17L
Y45.1 Разъем электромагнитного клапана муфты
опережения впрыска топлива 13H
Y45.3 Разъем ЭБУ ТНВД 15H
Y45b1 Датчик температуры топлива 18L
Y45l1 Датчик хода рейки ТНВД 16L
Y45l2 Датчик хода рейки ТНВД 15L
Y45y1 Регулятор количества подаваемого топлива 17L
Y45y2 Электромагнитный клапан муфты опережения
впрыска топлива 14K
Y45y3 Электромагнитный клапан прекращения подачи топлива 13L
Y46 Электромагнитный клапан изменения давления
впрыска топлива 38L
Y47 Электромагнитный клапан момента впрыска топлива 37L
Y80 Клапан регулировки давления наддува 42L
Y83 Регулятор давления в системе рециркуляции ОГ 6L
Обогреватель заднего стекла — эл.схема на Мерседес Спринтер
Е60 Правый обогреватель заднего стекла 4L
Е61 Левый обогреватель заднего стекла 8L
F63 Предохранитель (30 А) обогревателя заднего стекла 1Н
J16 Вывод <30> 1L
J19 Вывод <61> 11E
J22 Вывод <15>, защищенный предохранителем 10E
J46 Вывод <58> 11G
J60 Вывод <15>, защищенный предохранителем 1E
K3 Реле обогревателя заднего стекла 4А
11А
S81 Выключатель обогревателя заднего стекла 11L
W1 Соединение с <массой> на крыше 4F
6F
W5 Соединение с <массой> в блоке под сиденьем 2Е
W6 Соединение с <массой> заднем габаритном фонаре 9Е
W8 Соединение с <массой> на кузове 12E
X29 3-контактный разъем жгутов проводов в левой
задней части автомобиля 7H
X32 2-контактный разъем жгута проводов обогревателя
в правой задней части автомобиля 2H
X34 3-контактный разъем жгута проводов в правой
задней части автомобиля 5H
X46 Разъем жгутов проводов рамы и кузова
(дополнительное оборудование) 4E
X80 Разъем жгутов проводов рамы и кузова 10Н
Схема механизма отбора мощности механической коробки передач (двигатели 601 и 602)
B72 Датчик частоты вращения ведомого вала коробки
передач 18L
F32 Предохранитель 15 А 13J
J17 Вывод цепи сигнала включения стояночного тормоза 7Е
J31 Вывод <15>, защищенный предохранителем 13L
J40 Вывод для подключения дополнительного оборудования 4Н
J46 Вывод <58> 12Н
J105 Вывод <15> 7Н
J142 Вывод <15>, защищенный предохранителем 1Е
5Е
13G
J150 Вывод регулятора частоты вращения вала привода
дополнительного оборудования 14Е
М8 Электродвигатель привода дополнительного
оборудования 21L
N6 ЭБУ компрессором кондиционера 16L
P11 14-контактный диагностический разъем 15G
P15 Комбинация приборов 7L
P15h42 Контрольная лампа привода дополнительного
оборудования 7К
S1 Концевой выключатель дополнительного привода 5L
S3 Выключатель ADR 10L
S47 Включатель дополнительного привода 2L
V21 Блок управления поддержанием частоты
вращения вала привода дополнительного
оборудования 5A
12A
20A
W5 Соединение с <массой> в блоке под сиденьем 6Е
W7 Соединение с <массой> в моторном отсеке 4H
18Е
W8 Соединение с <массой> на кузове 3Н
11Н
lX3 Разъем датчика частоты вращения вала двигателя
вспомогательного оборудования 20E
X33 Разъем <TD> 17G
X82 Разъем жгутов проводов рамы и кузова 1H
6H
9E
10Н
Y32 Электромагнитный клапан привода дополнительного
оборудования 4L
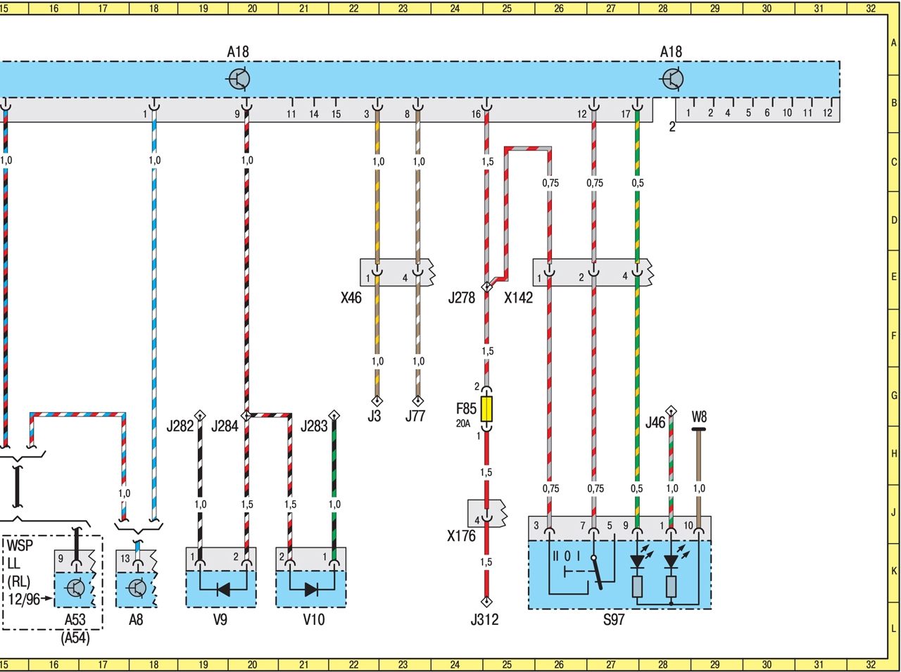
Противоугонная система EDW — электросхема на Mercedes-Benz Sprinter
А8 ЭБУ системой центральной блокировки
замков дверей 18L
A18 ЭБУ сигнализацией и противоугонной системой 5А
12А
20А
28А
А25 Блок дистанционного управления зажиганием 15L
A53 Блок управления иммобилайзером, транспондер LL 17L
A54 Блок управления иммобилайзером, транспондер RL 17L
F85 Предохранитель (20 А) вывода <30> (EDW) 24H
F86 Предохранитель (7,5 А) вывода <15> (EDW) 14E
F87 Предохранитель (7,5 А) указателей левого
поворота (EDW) 7E
F88 Предохранитель (7,5 А) указателей правого
поворота (EDW) 8E
F100 Предохранитель (10 А) звуковой сигнализации (EDW) 5E
H34 Звуковая сигнализация EDW 5L
J3 Вывод системы внутреннего освещения 22H
J22 Вывод <15>, защищенный предохранителем 2H
J31 Вывод <15>, защищенный предохранителем 14H
J46 Вывод <58> 28Н
J77 Вывод системы внутреннего освещения 23H
J80 Вывод правого указателя поворота 8L
J81 Вывод левого указателя поворота 8L
J251 Вывод сигнального устройства 1E
J278 Вывод <15> 3H
24E
J282 Вывод указателя левого поворота прицепа 19H
J283 Вывод указателя правого поворота прицепа 21H
J284 Вывод системы EDW указателей поворота прицепа 20H
J312 Вывод <30>, защищенный предохранителем 25L
J314 Вывод <87> (EDW) 6Е
К37 Реле звукового сигнала 2L
P11 14-контактный диагностический разъем 13L
S18 Контактный выключатель системы EDW на капоте 12L
S45 Выключатель на замке двери водителя 10L
S97 Выключатель режима <сигнализации> 27L
V9 Диод 20L
V10 Диод 21L
W2 Соединение с <массой> в правой фаре 12G
W2.1 Соединение с <массой> в правой фаре (EDW) 4H
W4 Соединение с <массой> на перегородке моторного
отсека 11H
W5 Соединение с <массой> в блоке под сиденьем 11Е
W8 Соединение с <массой> на кузове 28Н
X46 Разъем жгутов проводов рамы и кузова
(дополнительное оборудование) 22E
X142 Разъем жгутов проводов рамы и кузова 25E
X176 Разъем EDW 5H
24K
Указатели поворота, аварийная световая сигнализация — эл.схема
A12 Центральный монтажный блок 4A
12A
20A
28A
36A
A18 ЭБУ сигнализацией и противоугонной системой 13L
A21 Дополнительный ЭБУ № 1 световой сигнализацией 28L
A23 Дополнительный ЭБУ № 2 световой сигнализацией 23L
39L
E67 Левый задний фонарь 18L
19L
E67h22 Лампа левого заднего указателя поворота 18K
20K
E68 Правый задний фонарь 9L
11L
E68h4 Лампа правого заднего указателя поворота 9K
11K
F18 Предохранитель (10 А) дополнительного ЭБУ № 1
световой сигнализацией 27Н
F87 Предохранитель (7,5 А) ламп левых
указателей поворота (EDW) 13Н
F88 Предохранитель (7,5 А) ламп правых
указателей поворота (EDW) 13Н
H2 Лампа (5 Вт) правого переднего указателя поворота 6L
H3 Лампа правого переднего указателя поворота 7L
H5 Лампа (5 Вт) левого переднего указателя поворота 21L
H9 Лампа (21 Вт) правого переднего указателя поворота 6L
H10 Лампа (21 Вт) левого переднего указателя поворота 21L
H21 Лампа левого переднего указателя поворота 22L
H47 Боковой повторитель левого указателя поворота 33L
H48 Боковой повторитель правого указателя поворота 31L
H49 Дополнительный левый указатель поворота 36L
H50 Дополнительный правый указатель поворота 35L
J16 Вывод <30> 27E
J23 Вывод <AS> 38E
J24 Вывод левого указателя поворота на крыше 24H
J25 Вывод правого указателя поворота на крыше 25H
J80 Вывод правого указателя поворота 6Е
J81 Вывод левого указателя поворота 20Е
J147 Вывод соединения с <массой> указателей поворота 32H
J282 Вывод левого указателя поворота прицепа 39G
J283 Вывод правого указателя поворота прицепа 40G
J312 Вывод <30>, защищенный предохранителем 2E
P15 Комбинация приборов 4L
P15h1 Контрольная лампа указателей поворота 5K
W1 Соединение с <массой> на крыше 32F
W2 Соединение с <массой> в правой фаре 7H
W3 Соединение с <массой> в левой фаре 22H
W5 Соединение с <массой> в блоке под сиденьем 27H
W6 Соединение с <массой> задних габаритных фонарей 36H
X18 13-контактный разъем подключения
электрооборудования прицепа 40A
X46 Разъем жгутов проводов рамы и крыши
(дополнительное оборудование) 29H
X73 Разъем подключения электрооборудования прицепа 40A
X79 Разъем жгутов проводов рамы и кузова 3H
X176 Разъем подключения сигнализации и противоугонной
системы 15J
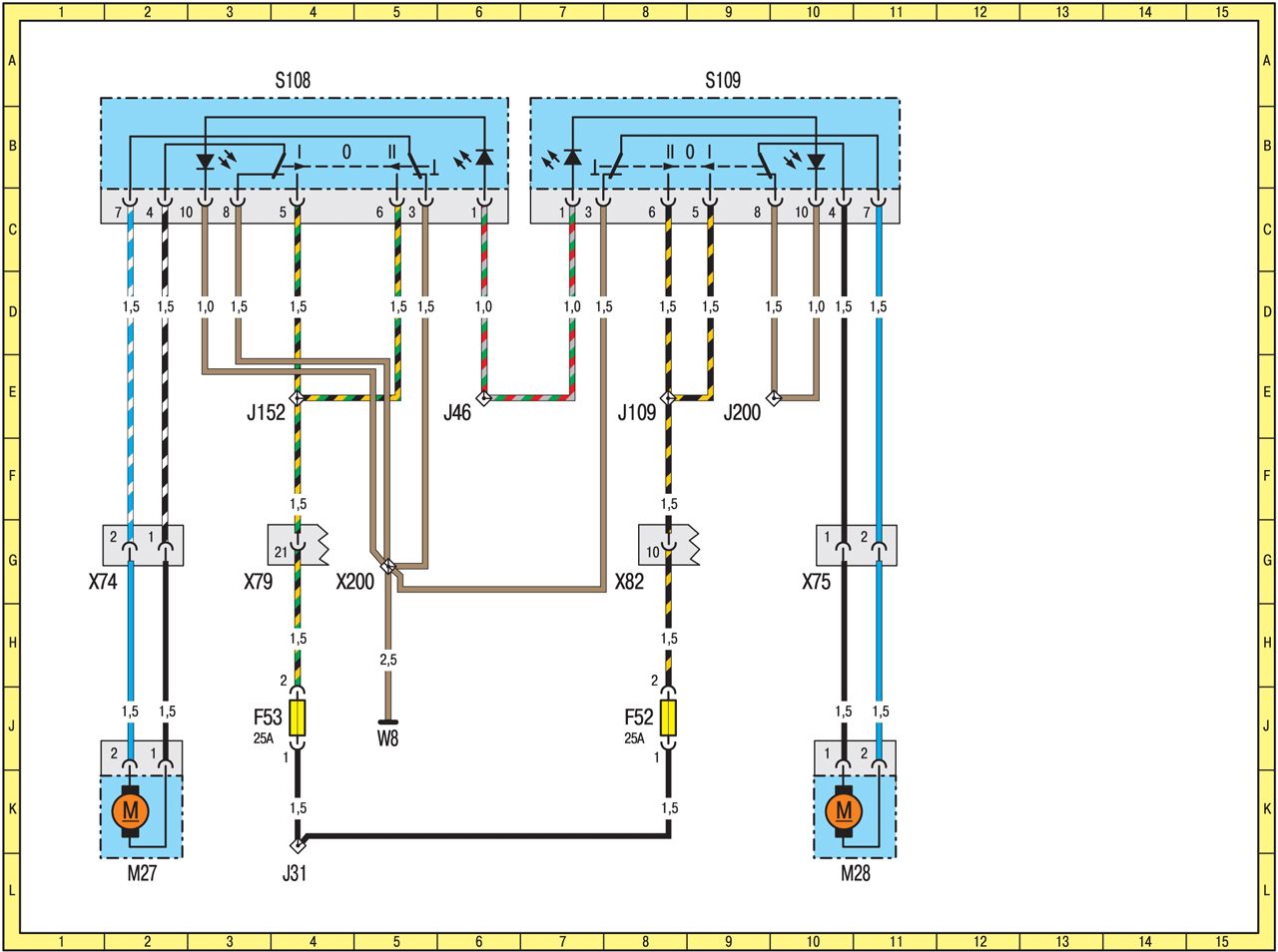
Схема электрических стеклоподъемников на Mercedes-Benz Sprinter
F52 Предохранитель (25 А) стеклоподъемника двери
пассажира 8J
F53 Предохранитель (25 А) стеклоподъемника двери водителя 4J
J31 Вывод <15>, защищенный предохранителем 4L
J46 Вывод <58> 6E
J109 Вывод <15>, защищенный предохранителем 8E
J152 Вывод <15>, защищенный предохранителем 4E
J200 Вывод <массы> электропривода стеклоподъемника 5G
9E
M27 Электродвигатель стеклоподъемника двери водителя 2L
M28 Электродвигатель стеклоподъемника двери пассажира 11L
S108 Переключатель стеклоподъемника двери водителя 4A
S109 Переключатель стеклоподъемника двери пассажира 9A
W8 Соединение с <массой> на кузове 5J
X74 Разъем проводов стеклоподъемника двери водителя 1G
X75 Разъем проводов стеклоподъемника двери пассажира 10G
X79 Разъем жгутов проводов рамы и кузова 38G
X82 Разъем жгутов проводов рамы и кузова 1H
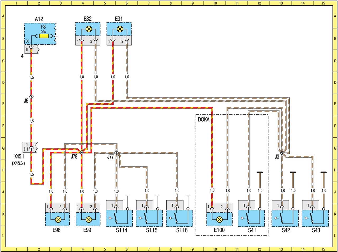
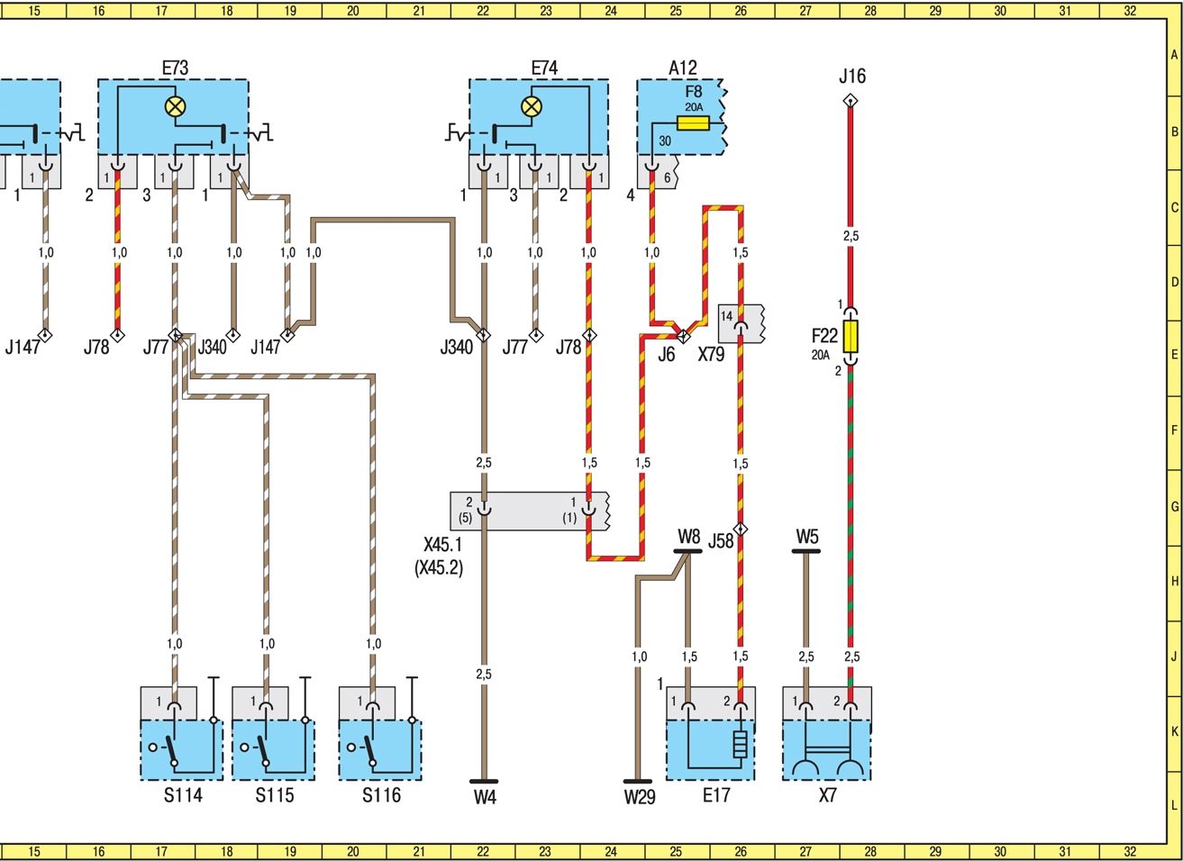
Схема системы освещения салона при открытии дверей
A12 Центральный монтажный блок 2A
A12F8 Предохранитель ламп освещения салона (гнездо 8) 2B
E31 Лампа освещения салона со стороны водителя 6A
D32 Лампа освещения салона со стороны пассажира 4A
E98 Лампа освещения салона у сдвижной двери 3L
E99 Лампа освещения салона у левой сдвижной двери 4L
E100 Лампа освещения салона правой задней двери (Doka) 10L
J3 Вывод системы внутреннего освещения 13H
J6 Вывод <30>, защищенный предохранителем 2E
J77 Вывод системы внутреннего освещения 5H
J78 Вывод системы внутреннего освещения 4H
S41 Контактный выключатель на стойке правой задней
двери (Doka) 12L
S42 Контактный выключатель на стойке левой двери 13L
S43 Контактный выключатель на стойке правой двери 15L
S114 Контактный выключатель на стойке левой
сдвижной двери 6L
S115 Контактный выключатель на стойке правой
сдвижной двери 7L
S116 Контактный выключатель на стойке задней двери 8L
X45.1 Разъем жгутов проводов рамы и крыши
(базовая модификация) 1H
X45.2 Разъем жгутов проводов рамы и крыши (LB5/ L07) 1H
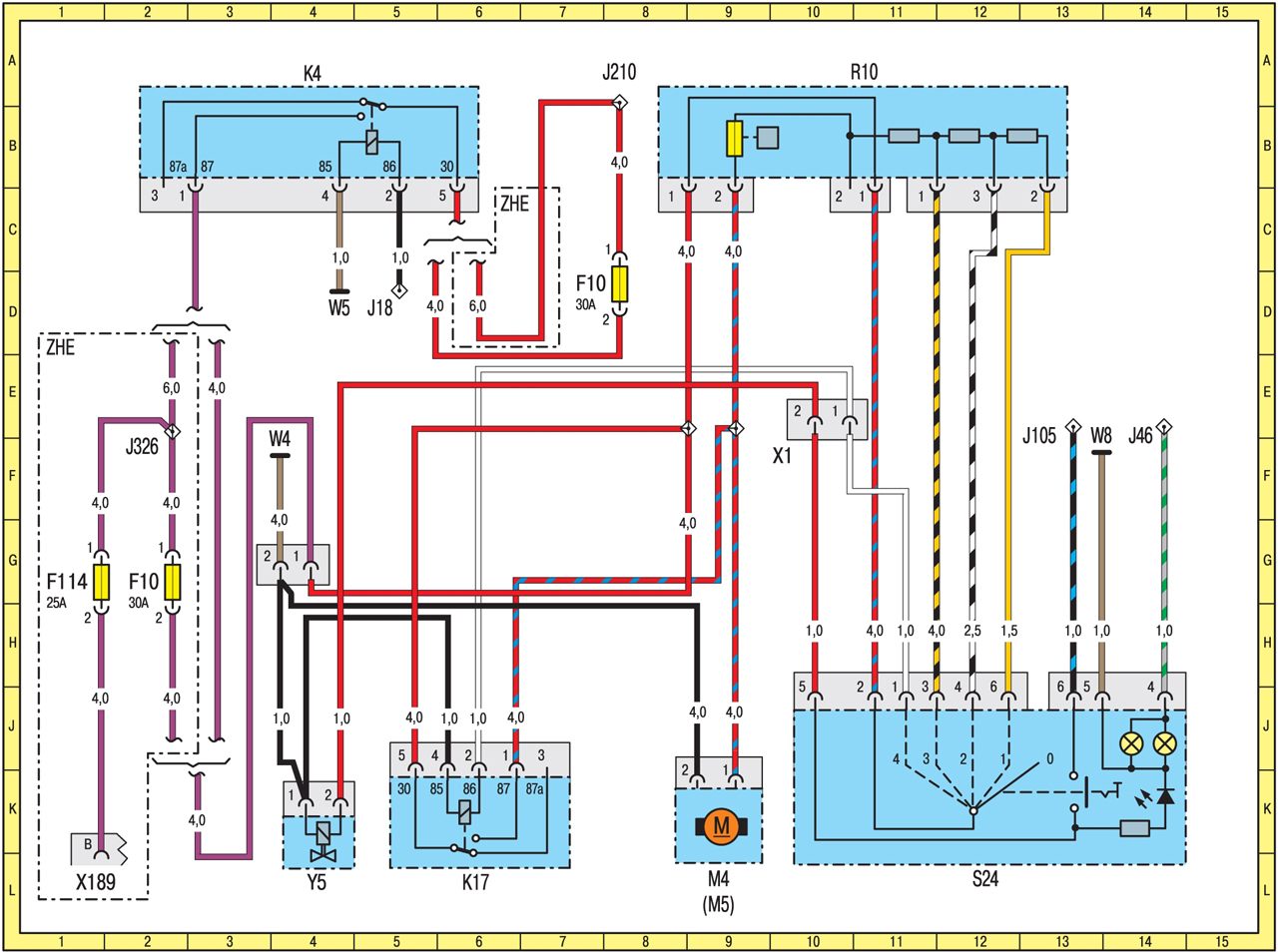
Схема системы отопления салона на Мерседес Спринтер
F10 Предохранитель (30 А) электродвигателя вентилятора
отопителя 2H
8D
F114 Предохранитель (25 А) дополнительного
теплообменника 1H
J18 Вывод <15>, защищенный предохранителем 5D
J46 Вывод <58> 14F
J105 Вывод <15> 13F
J210 Вывод <30> 8A
J326 Вывод <87> 2F
K4 Реле вывода <15> 4A
K17 Реле вентилятора отопителя 6L
M4 Отопление передней части салона LL 9L
M5 Отопление передней части салона RL 9L
R10 Резисторы электродвигателя вентилятора 11A
S24 Выключатель отопления в кабине 12L
S24x1 Разъем выключателя отоления в кабине 10F
W4 Соединение с <массой> на перегородке
моторного отсека 4F
W5 Соединение с <массой> в блоке под сиденьем 4D
W8 Соединение с <массой> на кузове 14F
X189 Разъем дополнительного теплообменника 1L
Y5 Электромагнитный клапан циркуляции охлаждающей
жидкости 4L
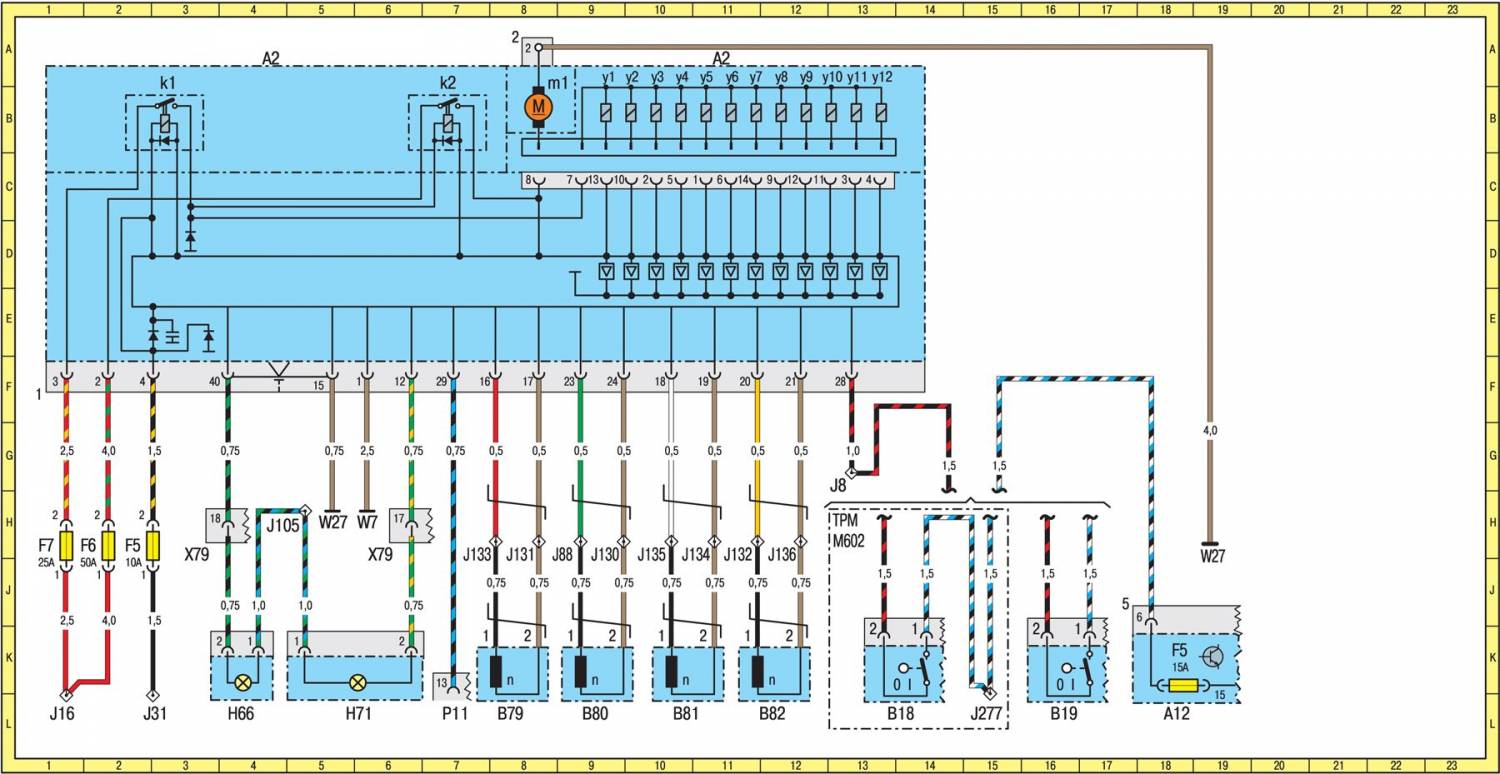
Схема системы ABS/ ABD или ABS/ ETS на Mercedes-Benz Sprinter
A2 Гидромодулятор с ЭБУ 4A
12A
A2k1 Реле клапанов 3A
A2k2 Реле двигателя 7A
A2m1 Насос обратной подачи тормозной жидкости 9A
A2y1 Впускной клапан тормозного механизма левого
переднего колеса 10А
A2y2 Выпускной клапан тормозного механизма левого
переднего колеса 10А
A2y3 Впускной клапан тормозного механизма правого
переднего колеса 10А
A2y4 Выпускной клапан тормозного механизма правого
переднего колеса 11А
A2y5 Впускной клапан тормозного механизма левого
заднего колеса 11А
A2y6 Выпускной клапан тормозного механизма левого
заднего колеса 12А
A2y7 Впускной клапан тормозного механизма правого
заднего колеса 12А
A2y8 Выпускной клапан тормозного механизма правого
заднего колеса 12А
A2y9 Клапан переключения левый задний 13А
A2y10 Впускной клапан левый задний 13А
A2y11 Клапан переключения правый задний 14А
A2y12 Впускной клапан правый задний 14А
A12 Центральный монтажный блок 19L
A12F5 Предохранитель стоп-сигнала и обогревателя сопел
омывателя ветрового стекла (гнездо 5) 19K
B18 4-контактный выключатель стоп-сигнала
(круиз-контроль) 14L
B19 2-контактный выключатель стоп-сигнала 17L
B79 Датчик частоты вращения левого переднего колеса 8L
B80 Датчик частоты вращения правого переднего колеса 9L
B81 Датчик частоты вращения левого заднего колеса 11L
B82 Датчик частоты вращения правого заднего колеса 12L
F5 Предохранитель системы ABS 2J
F6 Предохранитель системы ABS 2J
F7 Предохранитель системы ABS 1J
H66 Сигнальная лампа системы ABS 4L
H71 Сигнальная лампа системы ABD 6L
J8 Вывод сигнала торможения 14H
J16 Вывод <30> 1L
J31 Вывод <15>, защищенный предохранителем 3L
J88 Вывод датчика частоты вращения правого переднего
колеса 9J
J105 Вывод <15> 5H
J130 Вывод соединения с <массой> датчика частоты
вращения правого переднего колеса 10J
J131 Вывод соединения с <массой> датчика частоты
вращения левого переднего колеса 8J
J132 Вывод соединения с <массой> датчика частоты
вращения правого заднего колеса 12J
J133 Вывод датчика частоты вращения левого переднего
колеса 8J
J134 Вывод датчика частоты вращения левого заднего колеса 11J
J135 Вывод соединения с <массой> датчика частоты
вращения левого заднего колеса 10J
J136 Вывод датчика частоты вращения правого заднего
колеса 13J
J277 Вывод <15> 16L
P11 14-контактный диагностический разъем 7L
W7 Соединение с <массой> в моторном отсеке 6H
W27 Соединение с <массой> системы ABS/ABD 5H, 19J
X79 Разъем жгутов проводов рамы и кузова 3J, 6J
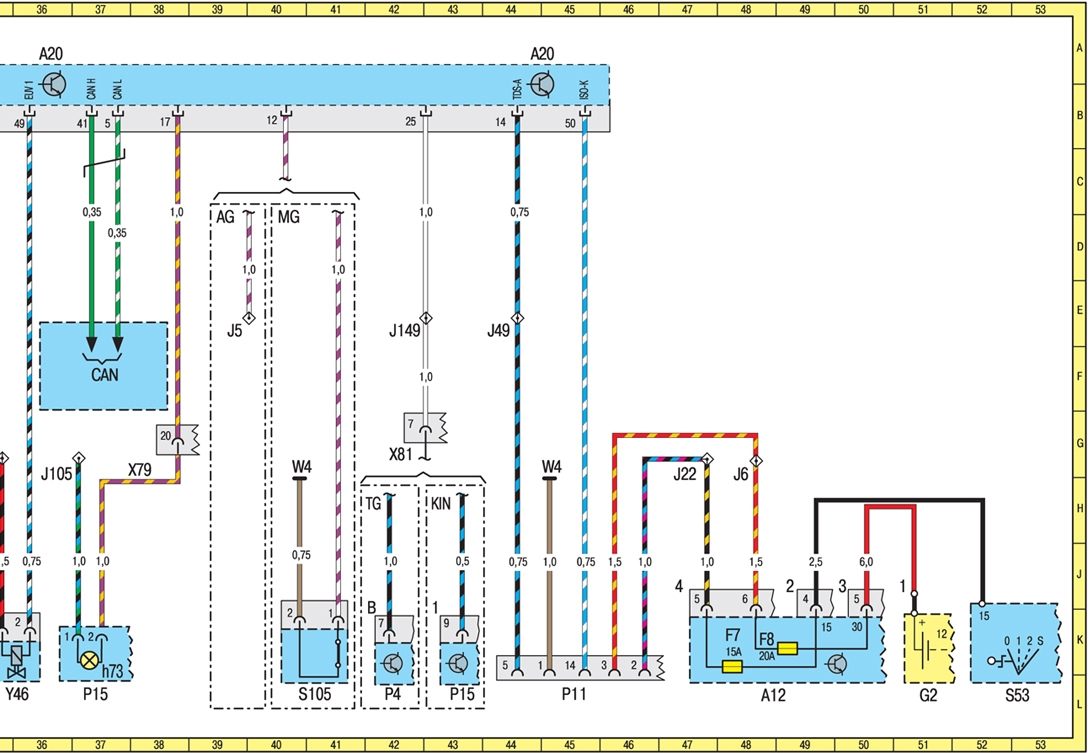
Электросхема звукового сигнала на Мерседес Спринтер
A12 Центральный монтажный блок 4A, 12A
A12F7 Предохранитель звукового сигнала и обогревателя
заднего стекла (гнездо 7) 7A
H17 Звуковой сигнал 12L
J22 Вывод <15>, защищенный предохранителем 6E, 10L
J251 Вывод звукового сигнала 13F
K37 Реле звукового сигнала 7L
R5 Спиральный проводник подушки безопасности 2J
S21 Выключатель звукового сигнала 1G
S53 Замок зажигания 13L
W5 Соединение с <массой> в блоке под сиденьем 7G
W8 Соединение с <массой> на кузове 4G
X81 Разъем жгутов проводов рамы и кузова 6G
X113 Разъем соединения проводов и спирального
проводника подушки безопасности 4J




















