Принципиальные электросхемы оборудования на Mitsubishi Galant 1990-2001 г.в. Славу этой модели принесла передовая по тем временам топ-версия GTI-16V Dynamic 4, с мощным 205-сильным турбомотором с интеркулером и трансмиссией с постоянным полным приводом, оснащенная межосевым шестеренчатым дифференциалом в блоке с вискомуфтой и гидравлическим рулевым управлением задних колес (!), обеспечивавшим их подруливание на скорости свыше 50 км/ч. Эта версия была оснащена ABS и гидропневматическими амортизаторами с регулируемой жесткостью.
Схемы электрических соединений на Митсубиси Галант
B или ВLK — Черный
BL или BLU — Синий
BR или BRN — Коричневый
DBL или DK BLU — Темно-синий
DG или DK GRN — Темно-зеленый
G или GRN — Зеленый
GY или GRY — Серый
LBL или LT BLU — Голубой
LG или LT GRN — Светло-зеленый
NCA — Не определен
О или ORG — Оранжевый
Р или PPL — Пурпурный
PK или PNK — Розовый
R или RED — Красный
Т или TAN — Золотистый
V или VIO — Фиолетовый
W или WHT — Белый
Y или YEL — Желтый
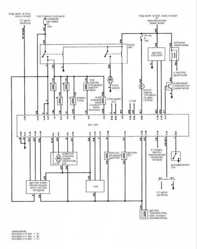
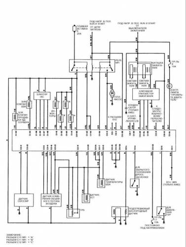
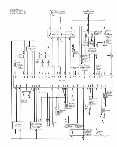
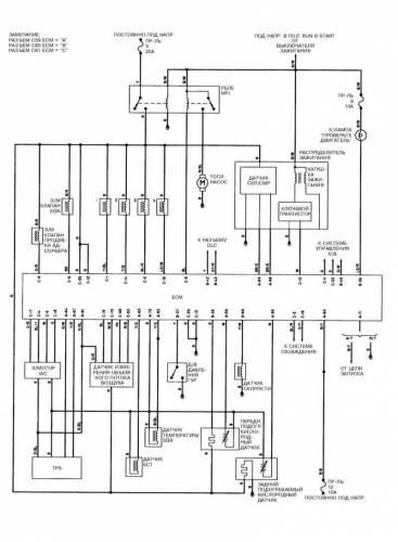
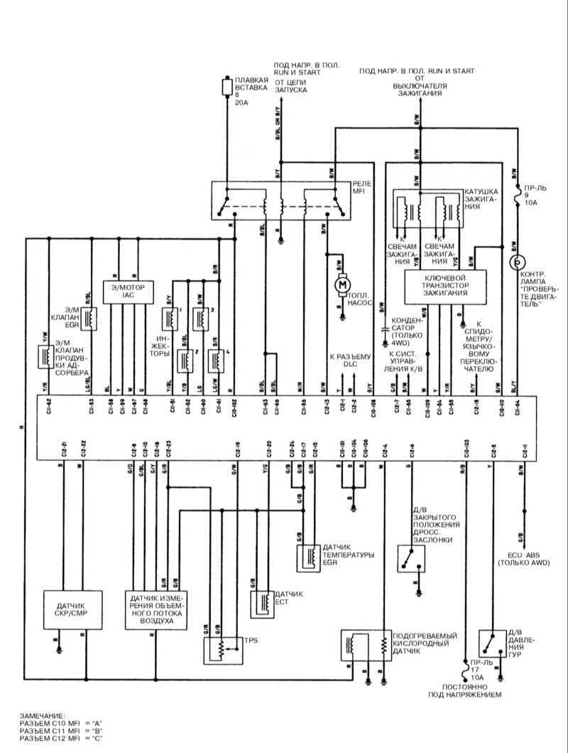
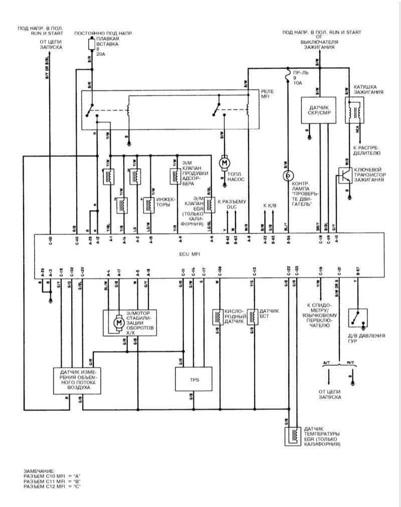
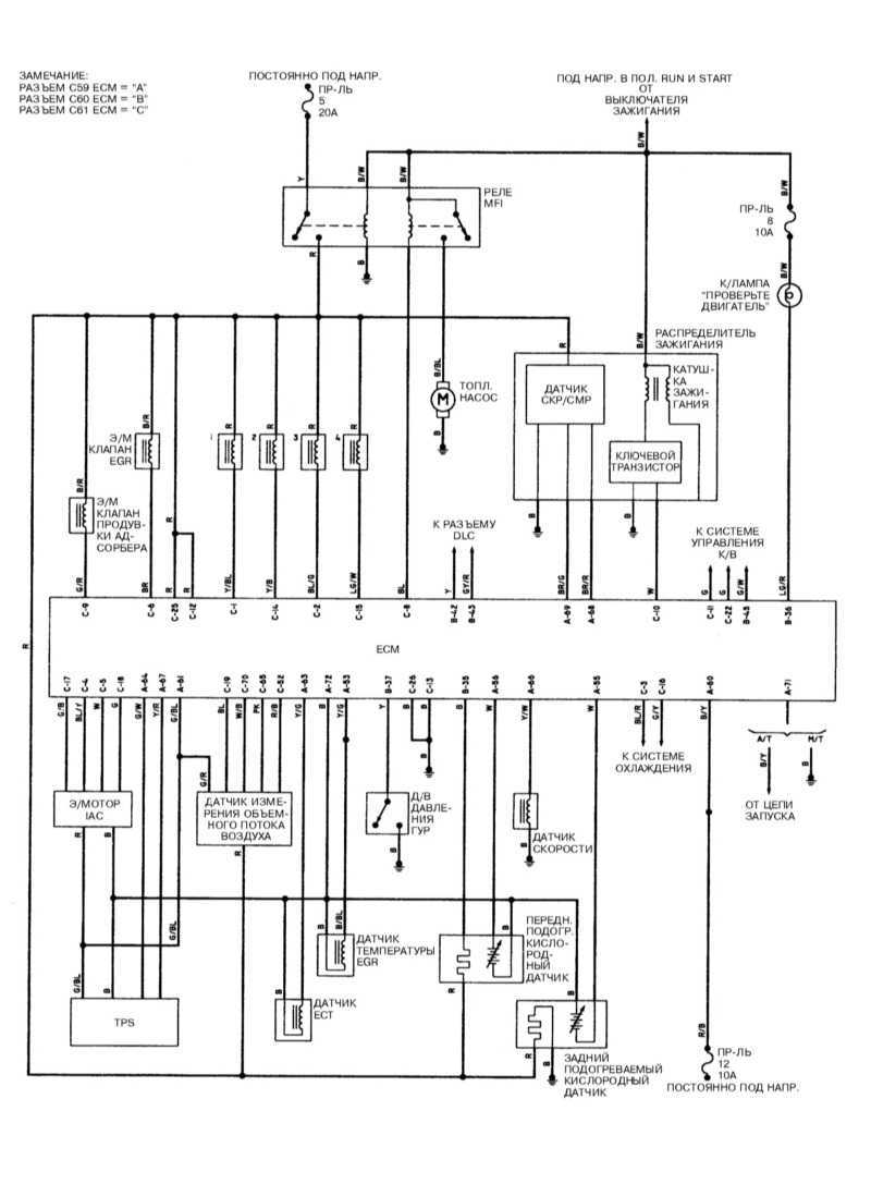
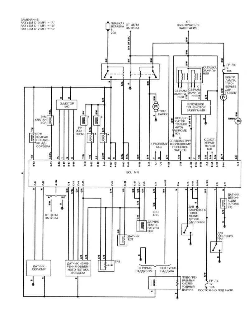
Схема системы управления двигателем, модели Galant 2.0 л SOHC 1993 г, DOHC 1990 г, 1991 — 1993 г.в., 2.4 л DOHC 1994 г.в.
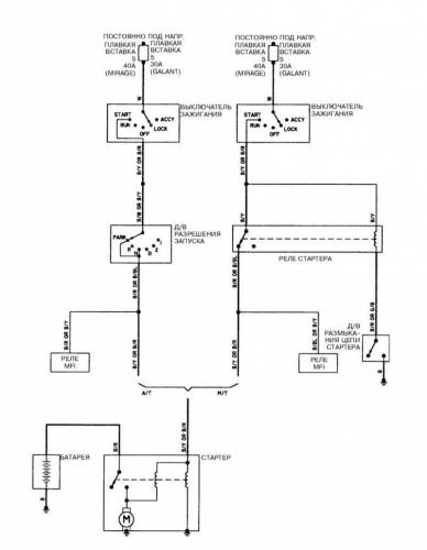
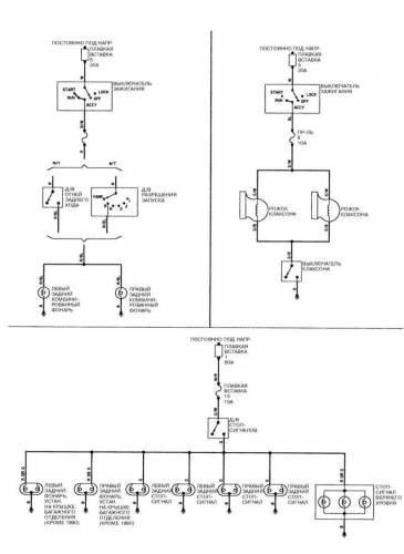
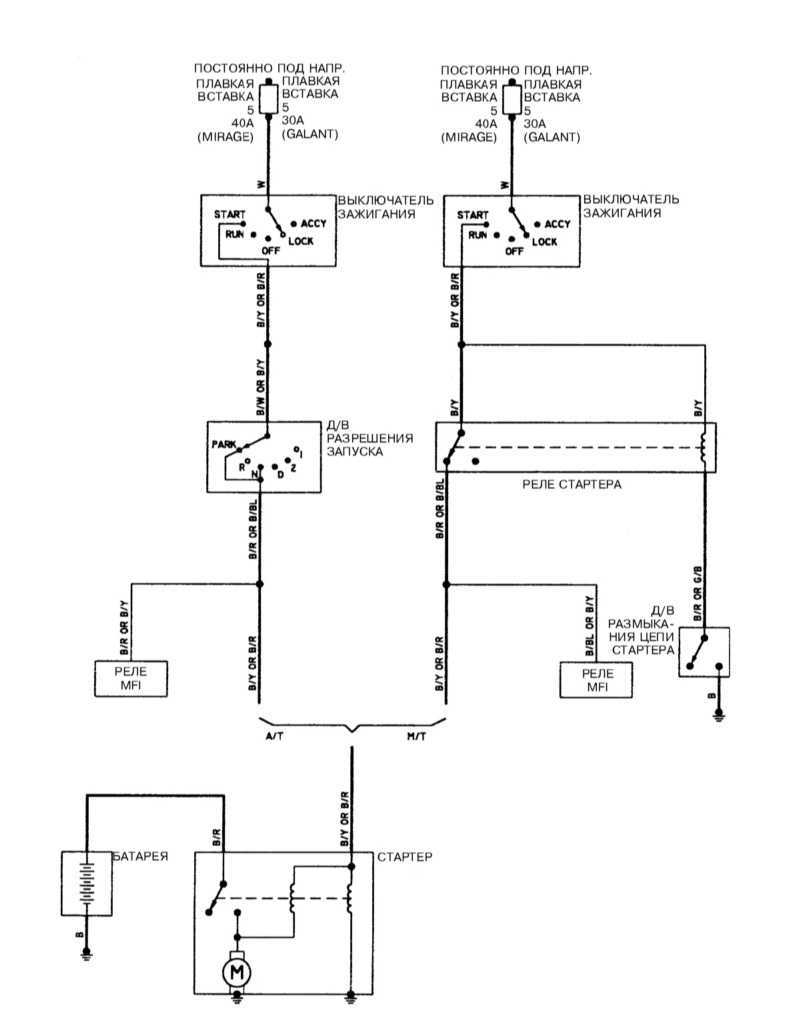
Эл.схема системы запуска, модели Galant/Mirage
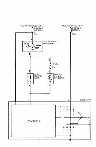
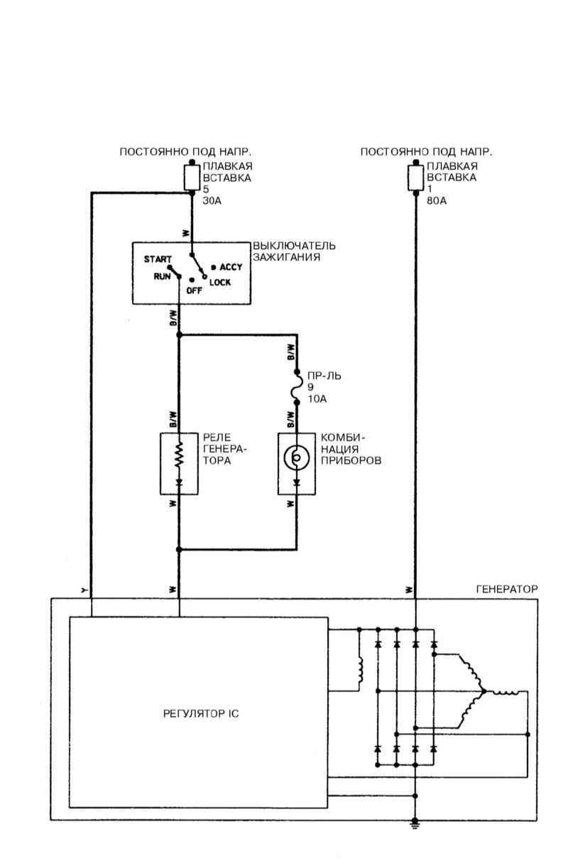
Схема системы зарядки на Митсубиси Галант
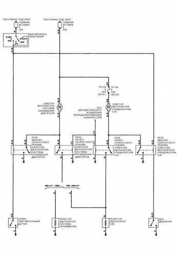
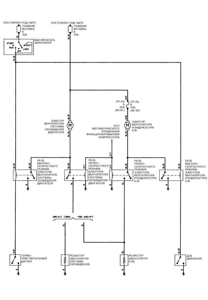
Вентилятор охлаждения, схема на Mitsubishi Galant
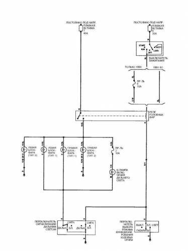
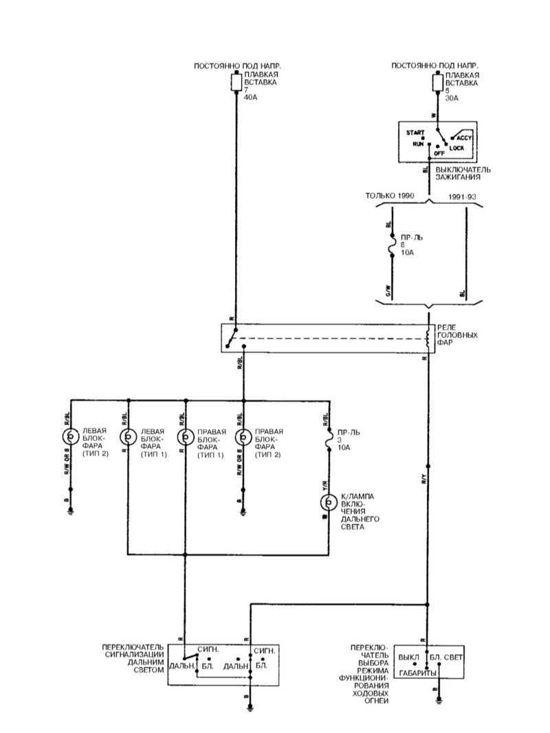
Фары — электросхема на Митсубиси Галант
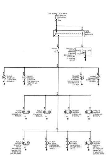
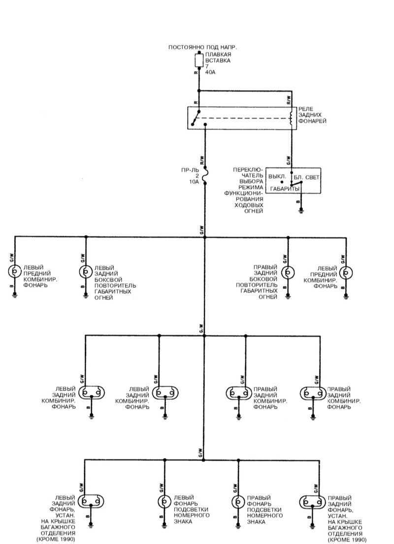
Задние фонари/Парковочный свет — эл.схема
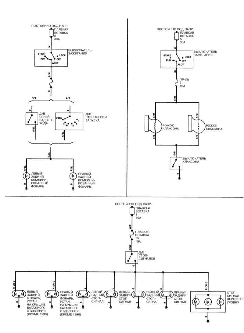
Фонари заднего хода, стоп-сигналы, клаксон — электросхема на Mitsubishi Galant
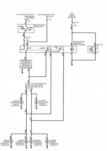
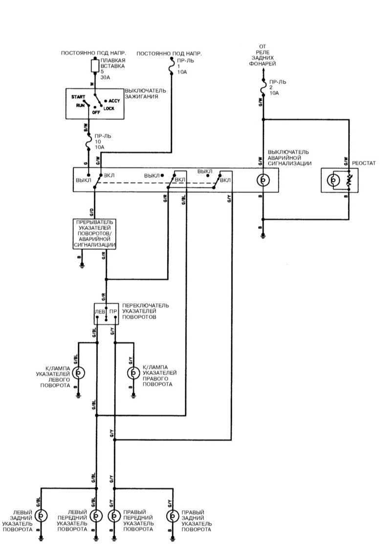
Схема указателей поворотов на Митсубиси Галант
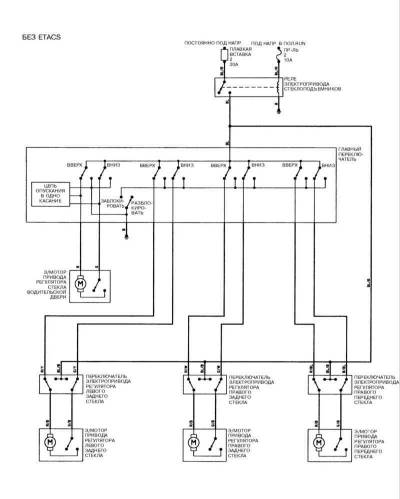
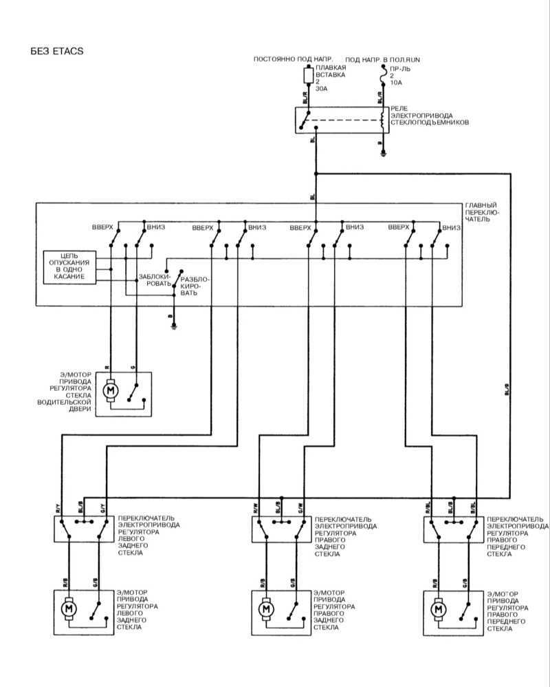
Схема электрооборудование — стеклоподъемников
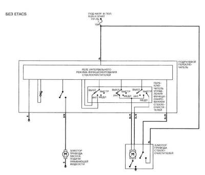
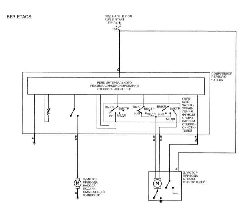
Стеклоочистители/омыватели — схема
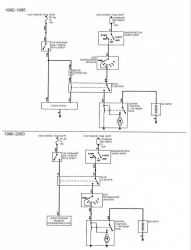
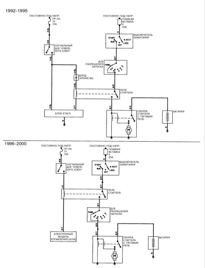
Схема стартера, модели Diamante 1992 — 2000 г.в.
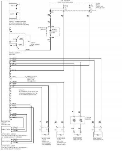
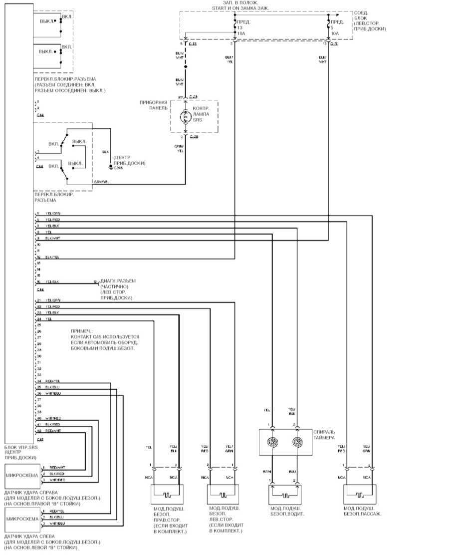
Схема системы обеспечения безопасности (SRS), на Mitsubishi Galant 2000 г.в.
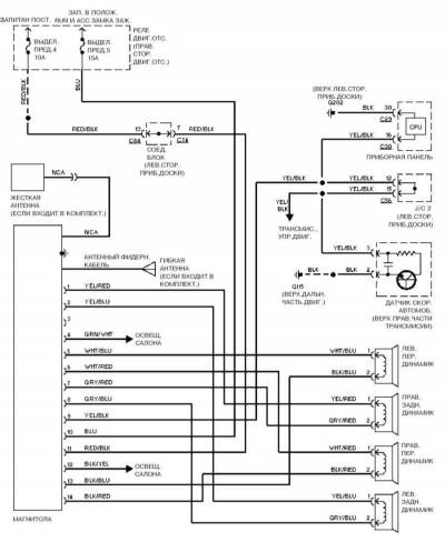
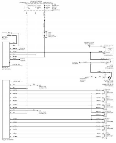
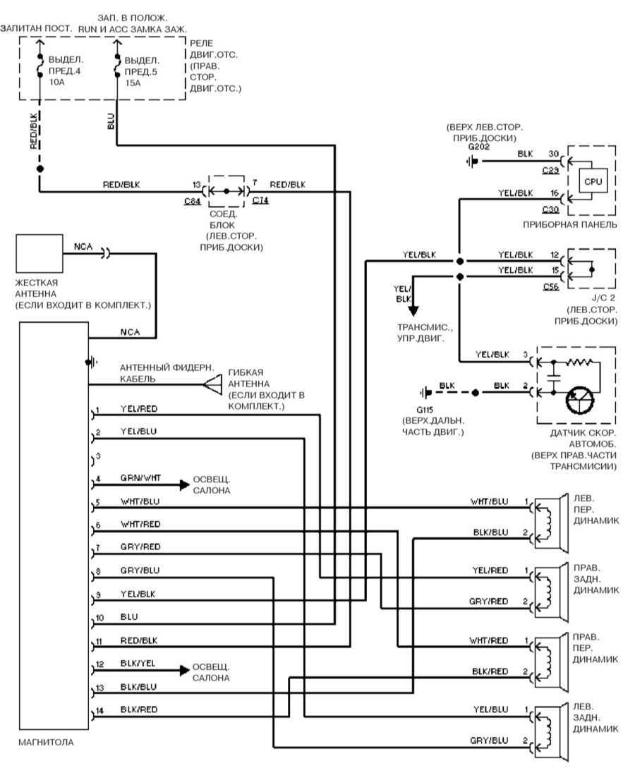
Радио для моделей без усилителя — электросхема
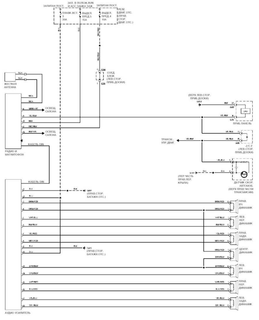
Радио для для моделей с усилителем — эл.схема
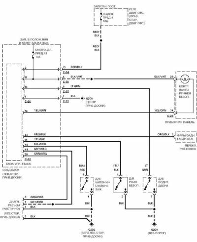
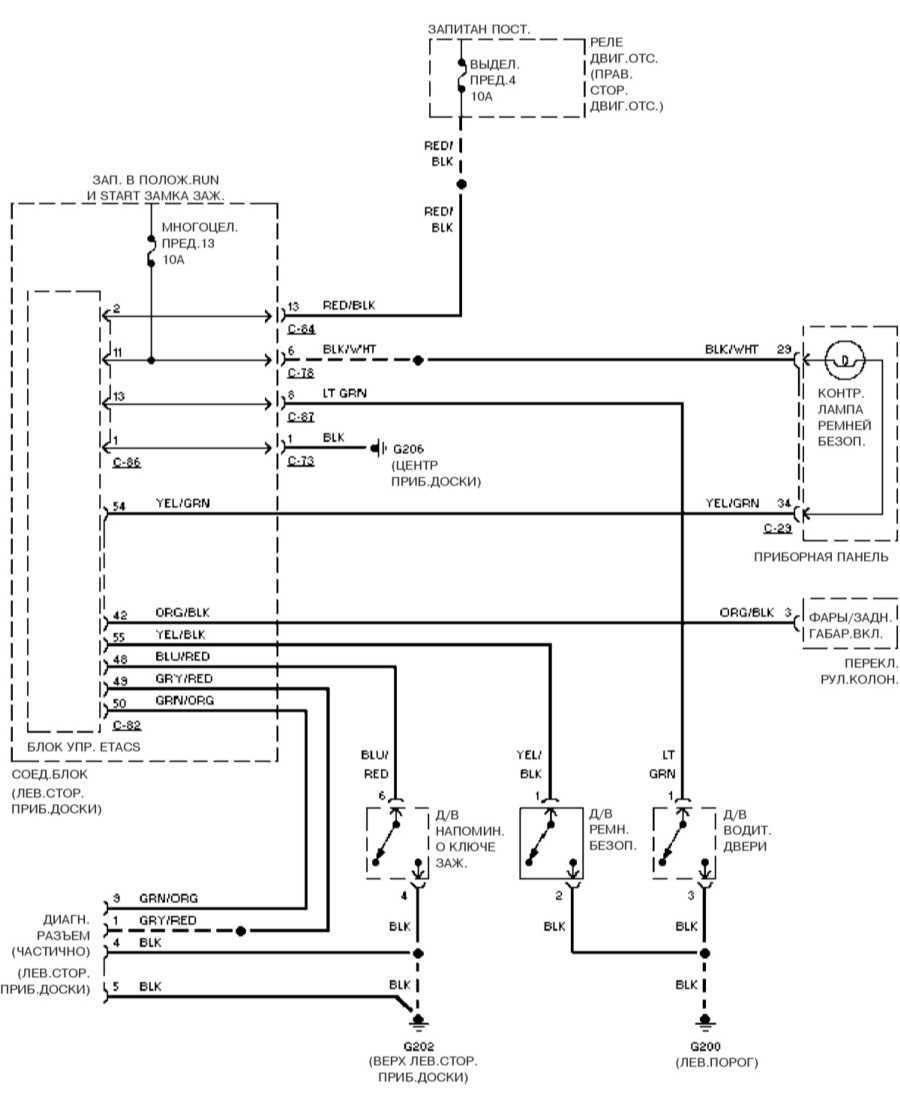
Предупредительная система — схема на Mitsubishi Galant 2000 г.в.
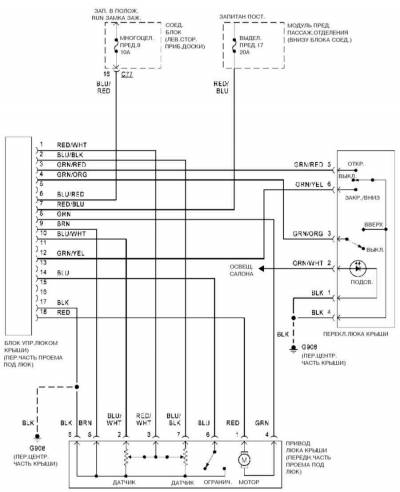
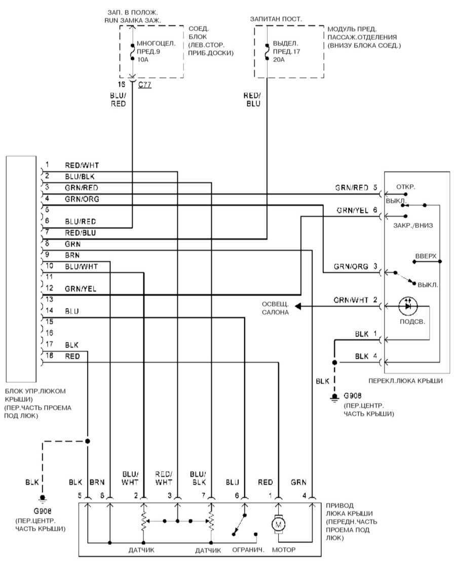
Схема привода управления люком крыши, модели Galant 2000 г.в.




















