Схемы электрооборудования для любителей авто на Mitsubishi Pajero 1982-1998 г.в. Серийный Pajero первого поколения с короткой колесной базой появился в 1982 году, пятидверный длиннобазный Pajero — в 1984-м. С 1983 года Mitsubishi Pajero регулярно выступали в рейдах Париж—Дакар, в Ралли Сафари… Причем речь шла не только о выступлениях прототипов, но и о победах в «почти серийных» классах. Так что лозунг про ралли — не пустые слова. И очевидно, что в конструкции Mitsubishi Pajero второго поколения, который выпускался с 1991 по 2000 годы, раллийный опыт был учтен.
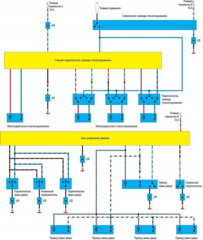
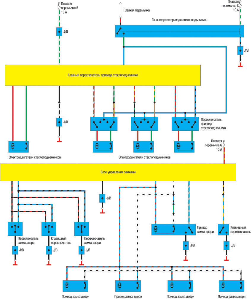
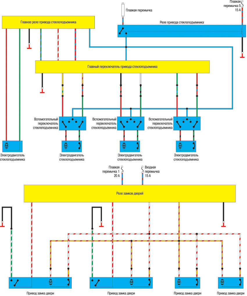
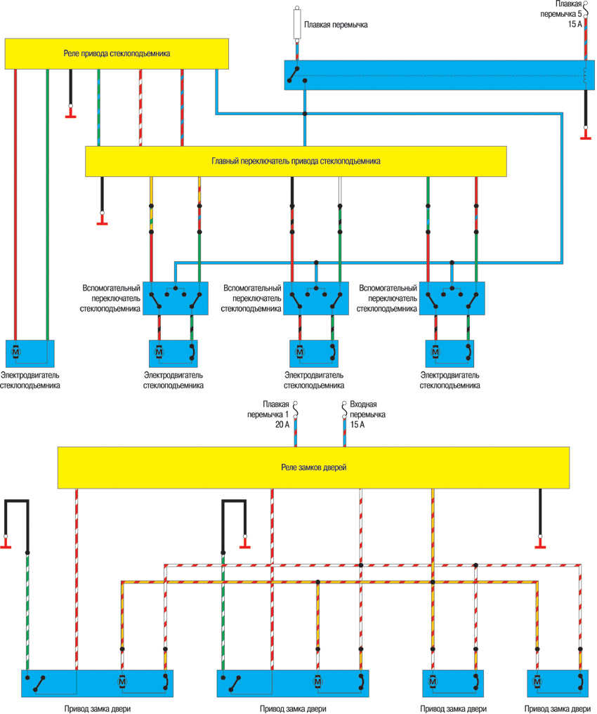
Схема электрооборудования кузова на Митсубиси Паджеро разных годов:
1983-1986 гг 1,6 л. 1983-1987 гг. 1988 г. 1989-1990 гг. 1991 г. 1992-1993 гг. 1994-1998 гг.
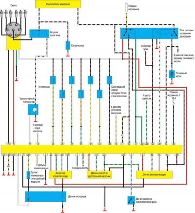
Электросхема оборудования двигателя на Mitsubishi Pajero разных годов:
1984-1986 гг. 1987-1988 гг. 1989-1990 гг 2,6 л. 1989-1990 гг 3,0 л.
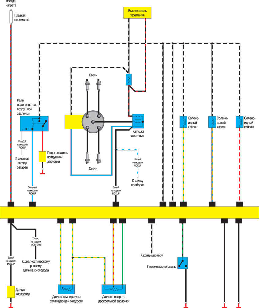
Электрооборудование дизеля 2,3 л — схема
Схема системы управления 24-клапанным двигателем 3,0 л 1992-1993 гг.




















