Электрооборудование, а к нему схемы на Nissan Almera 1995-1999 г.в. В серийную комплектацию входят надувные подушки безопасности для водителя и впереди сидящего пассажира, а также ремни безопасности с механизмом подтягивания. Интерьеры этих автомобилей отличаются большой функциональностью. Четырехцилиндровые 16-клапанные двигатели рабочим объемом 1,4 и 1,6 л от модели Sunny на этом автомобиле были модернизированы, развивая заметно большую мощность (соответсвенно 75 и 90 л.с.) в диапазоне низких частот вращения, что способствовало более быстрому разгону. С 1996 года на Nissan Almera стали устанавливать 2,0-литровый дизель мощностью 75 л.с., привлекающий малым расходом топлива. А также появилась модификация 3-дверный хэтчбек Almera GTI с высокооборотным двухлитровым двигателем мощностью 143 л.с.
Эл.схема включения системы пуска на Nissan Almera
А — автомобили с механической коробкой передач; Б — автомобили с автоматической коробкой передач; 1 — выключатель зажигания или приборов и стартера; 2 — стартер; 3 — селектор; 4 — реле блокировки пуска; 5 — аккумуляторная батарея; 6 — монтажный блок в салоне автомобиля
Цепь зарядки аккумуляторной батареи — электросхема
А — автомобили с бензиновым двигателем; Б — автомобили с дизельным двигателем; 1 — генератор; 2 — монтажный блок в салоне автомобиля; 3 — контрольная лампа зарядки аккумуляторной батареи; 4 — контактный разъем основного жгута проводов; 5 — монтажный блок в моторном отсеке
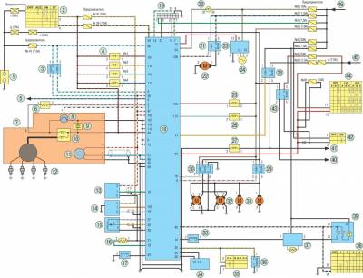
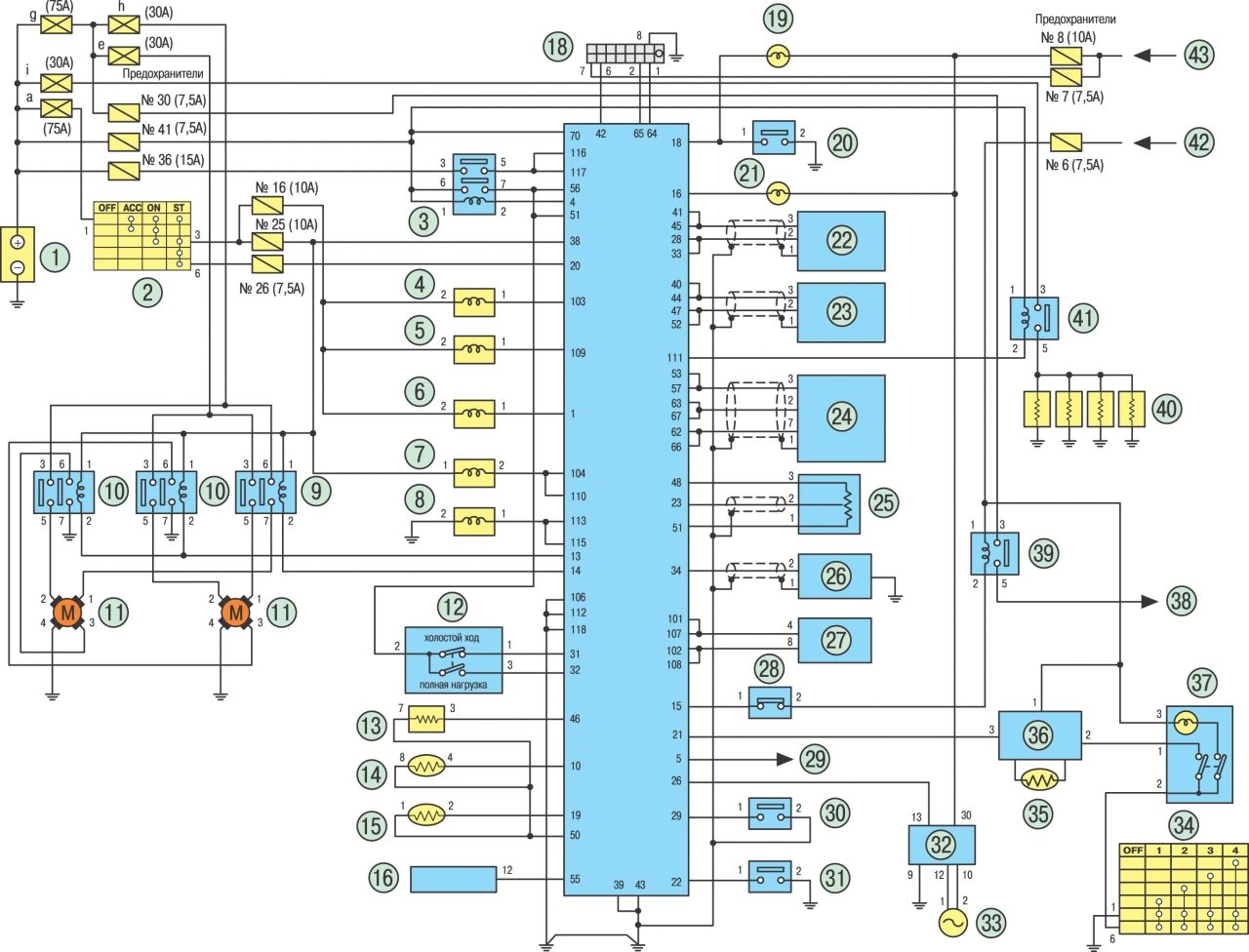
Схема Nissan ECCS двигателей GA14DE и GA16DE
1 — аккумуляторная батарея; 2 — выключатель зажигания; 3 — реле питания; 4 — топливные форсунки; 5 — сигнал на тахометр; 6 — контрольный резистор; 7 — распределитель зажигания; 8 — коммутатор (встроен в блок зажигания); 9 — конденсатор; 10 — катушка зажигания; 11 — датчик положения распределительного вала и частоты вращения коленчатого вала двигателя; 12 — свечи зажигания; 13 — измеритель массового расхода воздуха; 14 — датчик содержания кислорода в отработавших газах; 15 — датчик положения дроссельной заслонки; 16 — датчик температуры охлаждающей жидкости; 17 — датчик давления в системе гидроусилителя рулевого управления; 18 — контроллер КСУД; 19 — разъем диагностики; 20 — контрольная лампа неисправности КСУД; 21 — реле включения топливного насоса; 22 — топливный насос; 23 — тахометр; 24 — датчик скорости движения; 25 — электромагнитный клапан рециркуляции отработавших газов и продувки абсорбера; 26 — регулятор холостого хода; 27 — регулятор ускоренного холостого хода; 28 — реле включения электромагнитной муфты компрессора кондиционера; 29 — реле включения электровентиляторов системы охлаждения двигателя (на автомобилях с механической коробкой передач); 30 — двойное реле включения/ электровентиляторов системы охлаждения двигателя (на автомобилях с автоматической коробкой передач); 31 — односкоростной электровентилятор системы охлаждения двигателя; 32 — двухскоростной электровентилятор системы охлаждения двигателя; 33 — датчик давления хладагента компрессора; 34 — ЭБУ запрета пуска двигателя; 35 — датчик положения рычага переключения передач; 36 — датчик положения рычага селектора; 37 — ЭБУ температуры воздуха в салоне с датчиком испарителя; 38 — органы управления отоплением и вентиляцией; 39 — органы управления климатической установкой; 40 — к реле времени включения обогрева заднего стекла; 41 — к компрессору кондиционера; 42 — выключатель обогрева заднего стекла; 43 — реле включения обогрева заднего стекла; 44 — переключатель наружного освещения; 45 — «+» аккумуляторной батареи; 46 — «+» после выключателя зажигания или «+» при включении стартера
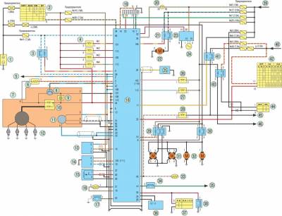
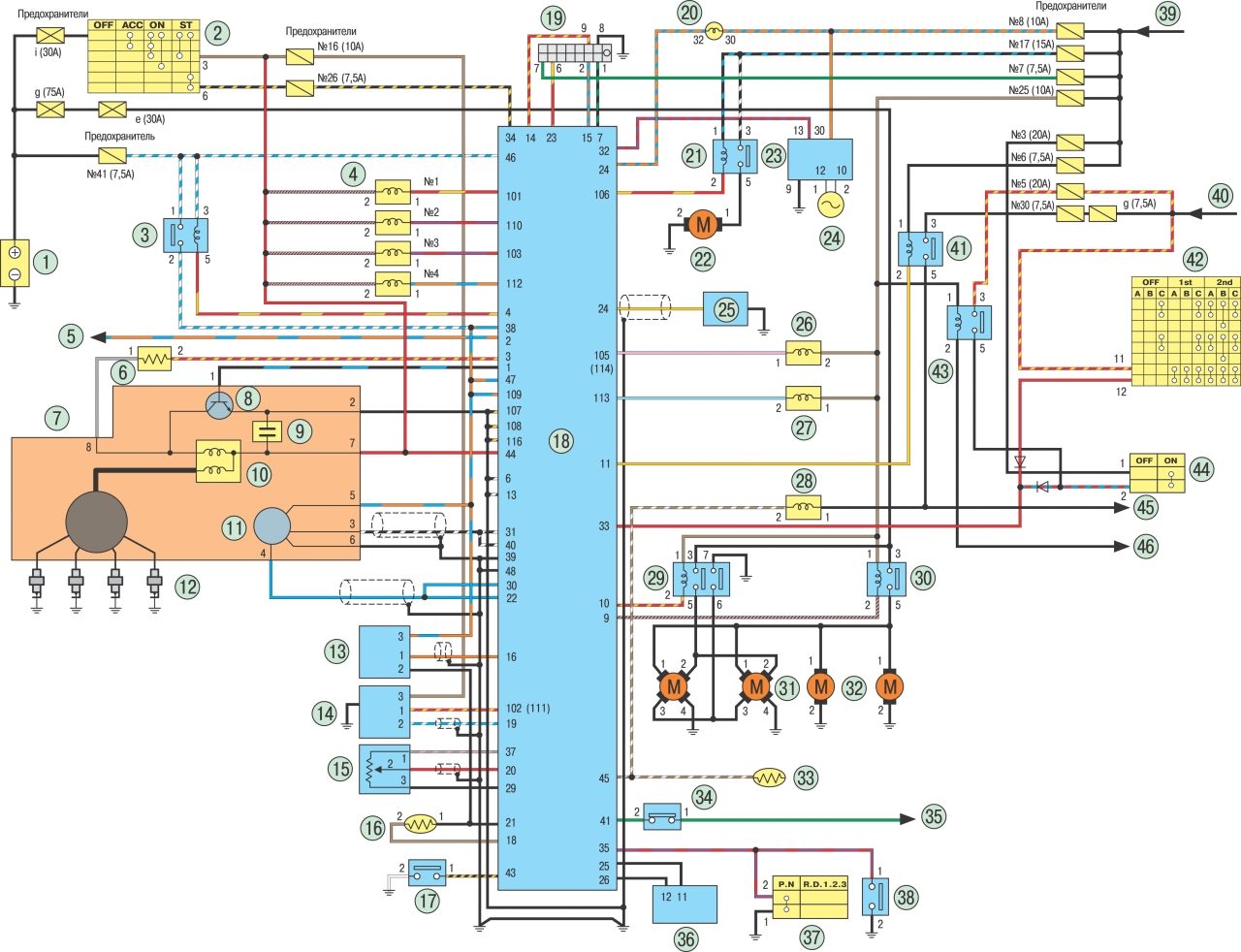
Электросхема КСУД Nissan ECCS двигателя SR20DE автомобиля Almera GTI
1 — аккумуляторная батарея; 2 — выключатель зажигания; 3 — реле включения контроллера; 4 — топливные форсунки; 5 — сигнал на тахометр; 6 — контрольный резистор; 7 — распределитель зажигания; 8 — коммутатор (встроен в распределитель зажигания); 9 — конденсатор (встроен в распределитель зажигания); 10 — катушка зажигания; 11 — датчик положения коленчатого вала и частоты вращения коленчатого вала двигателя; 12 — свечи зажигания; 13 — измеритель массового расхода воздуха; 14 — датчик содержания кислорода в отработавших газах; 15 — датчик положения дроссельной заслонки; 16 — датчик температуры охлаждающей жидкости; 17 — датчик давления в системе гидроусилителя рулевого управления; 18 — контроллер КСУД; 19 — разъем диагностики; 20 — контрольная лампа неисправности КСУД; 21 — реле включения топливного насоса; 22 — топливный насос; 23 — тахометр; 24 — датчик скорости движения; 25 — датчик детонации; 26 — электромагнитный клапан рециркуляции отработавших газов и продувки абсорбера; 27 — регулятор холостого хода; 28 — регулятор ускоренного холостого хода; 29 — двойное реле включения электровентиляторов системы охлаждения двигателя (на автомобилях с автоматической коробкой передач); 30 — реле включения электровентиляторов системы охлаждения двигателя (на автомобилях с механической коробкой передач); 31 — двухскоростной электровентилятор системы охлаждения двигателя; 32 — односкоростной электровентилятор системы охлаждения двигателя; 33 — датчик температуры поступающего воздуха; 34 — датчик давления хладагента кондиционера; 35 — к блоку управления температурой воздуха в салоне; 36 — ЭБУ запрета пуска двигателя; 37 — датчик положения рычага переключения передач; 38 — датчик положения рычага селектора; 39 — «+» после включения зажигания или «+» при включении стартера; 40 — «+» аккумуляторной батареи; 41 — реле включения электромагнитной муфты компрессора кондиционера; 42 — переключатель наружного освещения; 43 — реле включения обогревателя заднего стекла; 44 — выключатель обогревателя заднего стекла; 45 — к компрессору кондиционера; 46 — к реле времени обогревателя заднего стекла
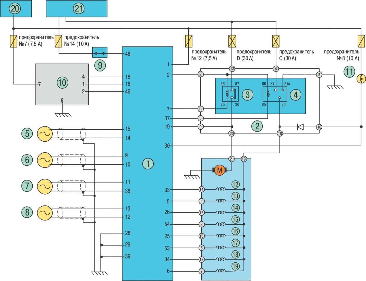
Cистема управления двигателем CD20 — схема на Ниссан Альмера
1 — аккумуляторная батарея; 2 — выключатель приборов и стартера; 3 — датчик оставленного ключа в замке выключателя приборов и стартера; 4 — реле пред- и послепускового подогрева; 5 — свечи подогрева; 6 — реле включения электровентиляторов системы охлаждения двигателя на 1-й скорости; 7 — реле включения электровентиляторов системы охлаждения двигателя на 2-й скорости; 8 — электровентиляторы системы охлаждения двигателя; 9 — электронный блок управления (ЭБУ); 10 — «+» после установки ключа в замке выключателя приборов и стартера в положение «3» или «+» стартера; 11 — «+» вспомогательного оборудования или «+» после включения выключателя приборов и стартера; 12 — «+» от аккумуляторной батареи; 13 — контрольная лампа предпускового подогрева; 14 — спидометр; 15 — датчик скорости движения автомобиля; 16 — ТНВД; 17 — электромагнитный клапан останова дизеля; 18 — электромагнитный клапан регулирования угла опережения впрыска топлива; 19 — датчик частоты вращения коленчатого вала двигателя; 20 — датчик температуры охлаждающей жидкости; 21 — датчик давления хладагента; 22 — электромагнитный клапан ускоренного холостого хода; 23 — к тахометру; 24 — блок управления регулированием температуры воздуха в салоне; 25 — датчик испарителя; 26 — к компрессору кондиционера; 27 — органы управления вентиляцией в салоне; 28 — органы управления кондиционером; 29 — реле включения электромагнитной муфты компрессора кондиционера
Схема ABS на Nissan Almera
1 — электронный блок управления ABS; 2 — блок реле; 3 — реле насоса; 4 — реле управления электромагнитными клапанами; 5 — датчик скорости вращения переднего правого колеса; 6 — датчик скорости вращения переднего левого колеса; 7 — датчик скорости вращения заднего правого колеса; 8 — датчик скорости вращения заднего левого колеса; 9 — выключатель стоп-сигнала; 10 — колодка разъема диагностики; 11 — контрольная лампа неисправности ABS; 12 — сливной электромагнитный клапан переднего левого колеса; 13 — подводящий электромагнитный клапан переднего левого колеса; 14 — сливной электромагнитный клапан переднего правого колеса; 15 — подводящий электромагнитный клапан переднего правого колеса; 16 — сливной электромагнитный клапан заднего левого колеса; 17 — подводящий электромагнитный клапан заднего левого колеса; 18 — сливной электромагнитный клапан заднего правого колеса; 19 — подводящий электромагнитный клапан заднего правого колеса; 20 — «+» после включения выключателя зажигания или выключателя приборов и стартера; 21 — «+» от аккумуляторной батареи
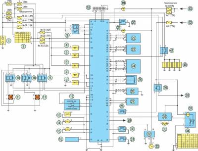
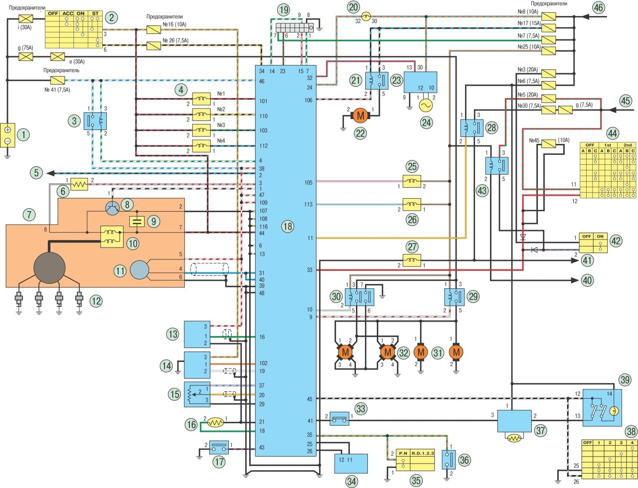
Управление двигателем CD20E — эл.схема
1 — аккумуляторная батарея; 2 — выключатель приборов и стартера; 3 — реле питания системы; 4 — электромагнитный клапан системы РОГ №1; 5 — электромагнитный клапан системы РОГ №2; 6 — электромагнитный клапан воздушной заслонки; 7 — электромагнитный клапан регулирования угла опережения впрыска топлива; 8 — электромагнитный клапан останова дизеля; 9 — реле включения электровентиляторов системы охлаждения двигателя на 1-й скорости; 10 — реле включения электровентиляторов системы охлаждения двигателя на 2-й скорости; 11 — электровентиляторы системы охлаждения; 12 — выключатель холостого хода — полной нагрузки; 13 — калибровочный резистор; 14 — датчик температуры топлива; 15 — датчик температуры охлаждающей жидкости; 16 — блокировочное устройство стартера; 17 — ЭБУ; 18 — колодка разъема диагностики; 19 — контрольная лампа неисправности системы; 20 — датчик наличия воды в отстойнике топливного фильтра; 21 — контрольная лампа включения предпускового подогрева; 22 — датчик положения вала привода ТНВД; 23 — датчик частоты вращения и положения коленчатого вала; 24 — датчик положения регулировочного золотника; 25 — датчик положения педали управления подачей топлива; 26 — датчик подъема иглы форсунки 1-го цилиндра; 27 — актюатор подачи топлива; 28 — реле давления хладагента; 29 — к тахометру; 30 — выключатель педали управления подачей топлива; 31 — датчик положения рычага переключения передач; 32 — спидометр; 33 — датчик скорости движения автомобиля; 34 — органы управления вентиляцией салона; 35 — датчик испарителя; 36 — блок управления регулировкой температуры воздуха в салоне; 37 — выключатель кондиционера; 38 — к компрессору кондиционера; 39 — реле включения кондиционера; 40 — свечи подогрева; 41 — реле включения пред- и послепускового подогрева двигателя; 42 — «+» вспомогательного оборудования или «+» после включения выключателя приборов и стартера; 43 — «+» после включения выключателя приборов и стартера или «+» стартера
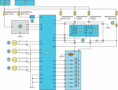
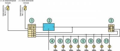
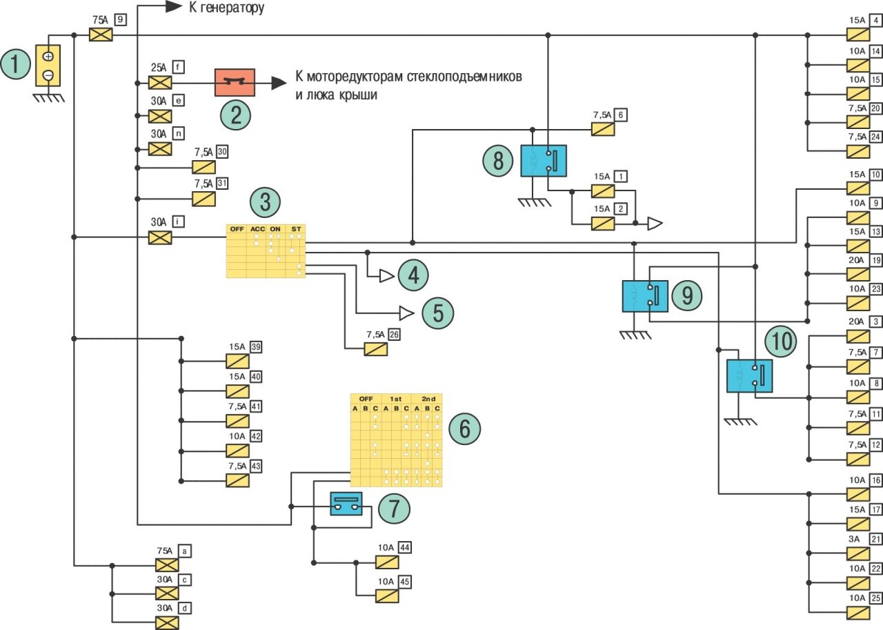
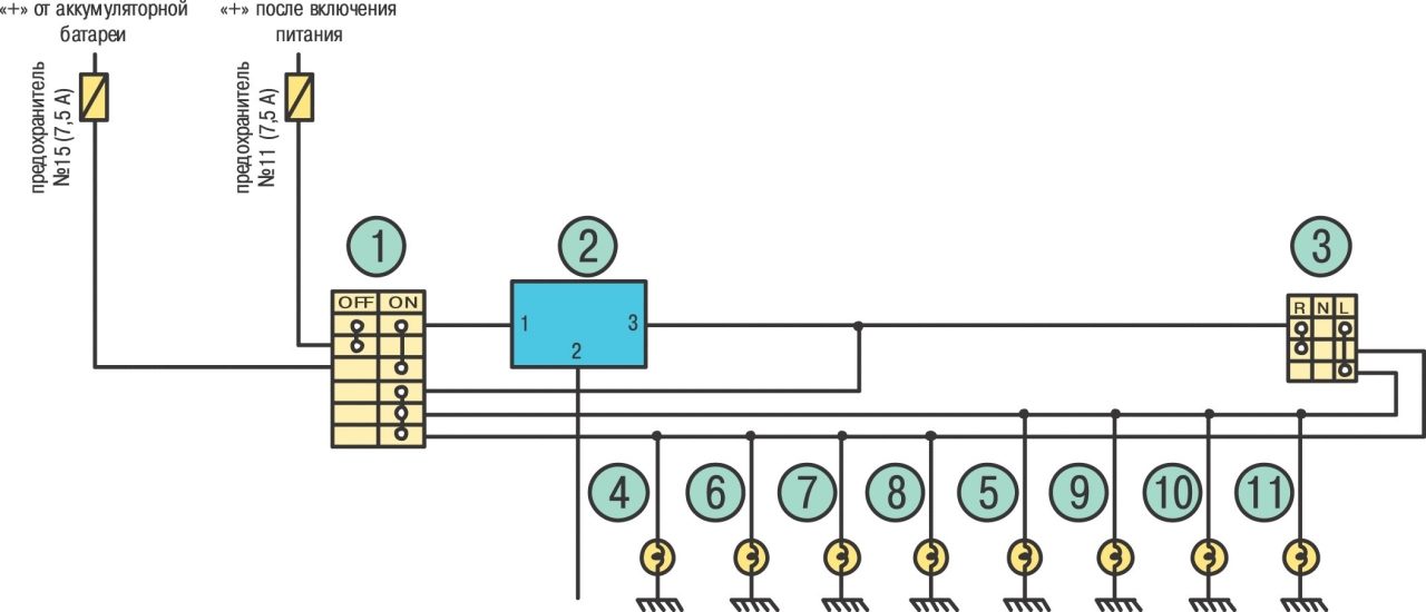
Схема электропитания основного оборудования на Ниссан Альмера
1 — аккумуляторная батарея; 2 — выключатель стеклоподъемников люка крыши; 3 — выключатель зажигания или приборов и стартера; 4 — «+» к форсункам после включения зажигания; 5 — к стартеру; 6 — выключатель освещения; 7 — выключатель передних противотуманных фар; 8 — реле отопления/вентиляции и кондиционера; 9 — основное реле вспомогательного оборудования; 10 — дополнительное реле вспомогательного оборудования
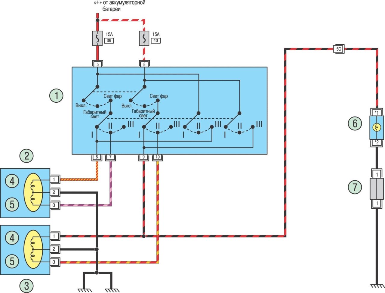
Схема включения света фар
I — дальний свет; II — ближний свет; III — сигнализация дальним светом; 1 — переключатель освещения; 2 — правая фара; 3 — левая фара; 4 — нить дальнего света; 5 — нить ближнего света; 6 — контрольная лампа включения дальнего света; 7 — контактный разъем основного жгута проводов
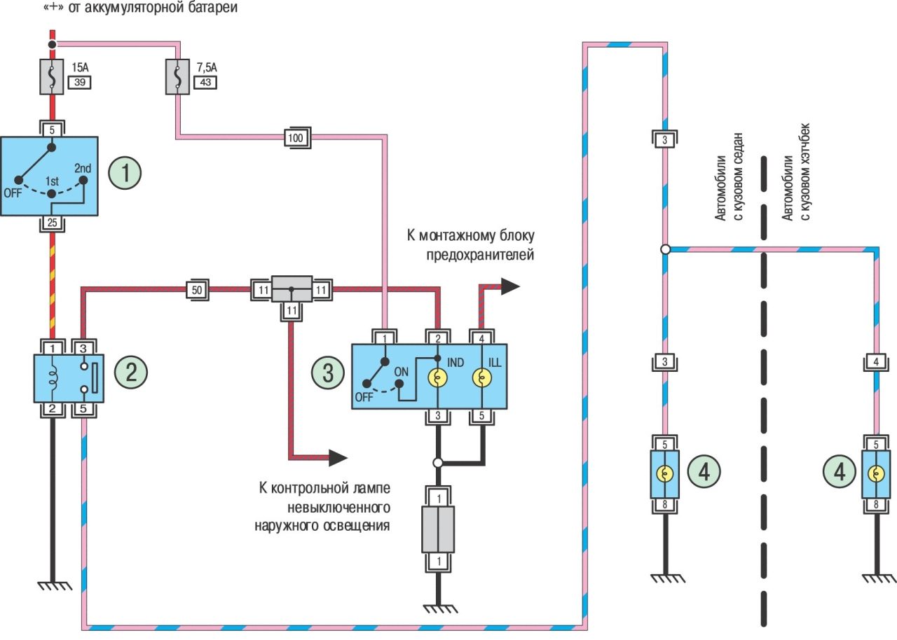
Эл.схема включения габаритного света
А — первый вариант; Б — второй вариант; 1 — переключатель освещения; 2 — выключатель задних противотуманных фонарей; 3 — передний левый габаритный свет; 4 — передний правый габаритный свет; 5 — задний левый габаритный свет; 6 — задний правый габаритный свет; 7 — левая лампа освещения номерного знака; 8 — правая лампа освещения номерного знака
Указатели поворота и аварийной сигнализации — электросхема
1 — выключатель аварийной сигнализации; 2 — реле указателей поворота и аварийной сигнализации; 3 — переключатель указателей поворота; 4 — контрольная лампа правого указателя поворота; 5 — контрольная лампа левого указателя поворота; 6 — задний правый указатель поворота; 7 — правый боковой указатель поворота; 8 — передний правый указатель поворота; 9 — задний левый указатель поворота; 10 — левый боковой указатель поворота
Задние противотуманные фонари — схема
1 — переключатель освещения; 2 — реле включения задних противотуманных фонарей; 3 — выключатель противотуманных фонарей; 4 — противотуманные фонари
Включение противотуманных фар — эл.схема
1 — переключатель освещения; 2 — реле включения противотуманных фар; 3 — выключатель противотуманных фар; 4 — левая противотуманная фара; 5 — правая противотуманная фара
Электросхема включения стоп-сигнала на Ниссан Альмера
1 — выключатель стоп-сигнала; 2 — левый стоп-сигнал; 3 — правый стоп-сигнал; 4 — дополнительный стоп-сигнал
Схема центральной блокировки замков дверей
1 — термовыключатель; 2 — электронный блок управления блокировкой замков дверей; 3 — выключатель блокировки замка двери со стороны водителя; 4 — термовыключатель электродвигателя привода замка двери; 5 — электродвигатель привода замка передней левой двери; 6 — электродвигатель привода замка передней правой двери; 7 — электродвигатель привода замка задней левой двери; 8 — электродвигатель привода замка задней правой двери; 9 — датчик положения привода двери
Включение света заднего хода — схема
А — с кузовом хэтчбек; Б — с кузовом седан; 1 — выключатель света заднего хода; 2 — селектор на автомобилях с автоматической коробкой передач; З — левый фонарь заднего хода; 4 — правый фонарь заднего хода
Схема системы кондиционирования воздуха на Nissan Almera
А — бензиновый двигатель; Б — дизельный двигатель; 1 — электродвигатель привода вентилятора; 2 — сопротивление электродвигателя привода вентилятора; 3 — переключатель режимов кондиционера; 4 — выключатель кондиционера; 5 — блок управления; 6 — электродвигатель привода заслонки воздухораспределения; 7 — выключатель рециркуляции; 8 — реле включения кондиционера; 9 — двойной датчик давления; 10 — термовыключатель компрессора кондиционера; 11 — компрессор кондиционера; 12 — электромагнитный клапан управления принудительным холостым ходом; 13 — первое реле электровентилятора; 14 — второе реле электровентилятора; 15 — третье реле электровентилятора; 16 — электронный блок управления двигателем; 17 — первый электровентилятор; 18 — второй электровентилятор

















