В этой статье электросхемы оборудования на Nissan Patrol 1988-1997 г.в. Все модели Хардтоп и Универсал оборудованы подвеской на винтовых пружинах, на Мини-грузовиках применена рессорная подвеска. На некоторые модели с целью обеспечения возможности увеличения хода подвески установлен задний стабилизатор поперечной остойчивости регулируемого типа. Гидроусилитель руля входит в стандартную комплектацию автомобилей такого класса. В оборудованной вакуумным усилителем тормозной системе применены вентилируемого типа дисковые тормозные механизмы передних колес и дисковые же, либо барабанные — задних.
Обозначения цветов электропроводки
А Светло-коричневый
В Черный
D Золотистый
Е Синевато-серый
G Зеленый
К Розовый
L Синий
M Темно-зеленый
N Коричневый
O Оранжевый
P Пурпурный
R Красный
S Серый
T Темно-синий
V Фиолетовый
W Белый
X Светло-зеленый
Y Желтый
Z Голубой
Электросхема размещения клемм в фаркопных разъемах автомобиля
1 — К жгуту проводов автомобиля
2 — 7-контактное приемное гнездо Bosch, Hella, Utilux
3 — 7-контактный штекер Bosch, Hella, Utilux
4 — Лампа указателя правого поворота прицепа
5 — Лампа габаритного огня прицепа
6 — Лампа стоп-сигнала прицепа 7 — Лама огня заднего хода прицепа
8 — Лампа указателя левого поворота прицепа
9 — 6-контактное приемное гнездо Utilux
10 — 5-контактное приемное гнездо Bosch, Hella
11 — 7-контактное приемное гнездо Brylite
12 — Электрические тормоза прицепа
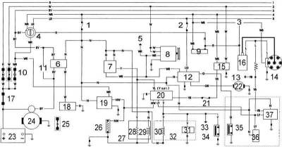
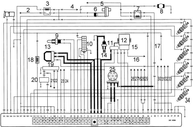
Схема электрических соединений систем запуска, заряда, электрооборудования двигателя и систем снижения токсичности отработавших газов на Ниссан Патрол
1 — предохранитель контура электрооборудования двигателя
2 — предохранитель контура топливного насоса
3 — только модели 3.0 л
4 — замок зажигания
5 — к комбинированному измерителю
6 — реле даичика-выключателя разрешения запуска
7 — реле автоматики запуска
8 — генератор
9 — резистор (только модели 4.2 л)
10 — плавкие вставки
11 — РКПП
12 — блок управления топливного насоса (только модели 3.0 л)
13 — к тахометру
14 — распределитель
15 — реле зажигания
16 — катушка
17 — главная плавкая вставка (только модели 4.2 л с вып. с октября 1994 г.)
18 — датчик-выключатель разрешения запуска
19 — реле нагревателя (только модели 3.0 л) 20 — контрольный разъем
21 — предохранитель измерителя
22 — топливный насос
23 — батарея
24 — стартер
25 — плавкая вставка (только модели 4.2 л вып., устранена с октября 1994 г.)
26 — нагреватель с положительным температурным компонентом (только модели 3.0 л)
27 — карбюратор
28 — автоматика запуска
29 — э/м запорный топливный клапан
30 — э/м клапан (BCDD)
31 — датчик-выключатель скорости
32 — только РКПП
33 — к комбинированному измерителю
34 — датчик-выключатель разрешения запуска
35 — датчик-выключатель давления масла
36 — э/м клапан возврата топлива (только модели 3.0 л)
37 — блок оборотов двигателя
Эл.схема соединений электропроводки внешних осветительных и сигнальных приборов
1 — правый повторитель указателя поворота (только Утилити (Фургон))
2 — предохранитель заднего габаритного огня
3 — предохранитель правой головной фары
4 — предохранитель левой головной фары
5 — предохранитель огня аварийной сигнализации
6 — от реле зажигания
7 — предохранитель стоп-сигнала
8 — правый указатель поворота
9 — к комбинированному измерителю
10 — предохранитель указателя поворота
11 — датчик-выключатель стоп-сигналов
12 — правый задний стоп-сигнал/габаритный огонь
13 — правый парковочный огонь
14 — комбинированный переключатель 15 — переключатель указателей поворотов
16 — датчик-выключатель огней заднего хода
17 — предохранитель огней заднего хода
18 — огонь заднего хода
19 — правая головная фара
20 — выключатель аварийной сигнализации
21 — левый указатель поворота
22 — подсветка номерного знака
23 — блок прерывателя
24 — левый задний стоп-сигнал/ габаритный огонь
25 — левый парковочный огонь
26 — левая головная фара
27 — левый повторитель указателя поворота (только УТИЛИТИ (Фургон))
28 — комбинированный измеритель
Схема соединений электропроводки внутренних осветительных приборов, измерителей и контрольных ламп на Ниссан Патрол
1 — от реле зажигания
2 — датчик-выключатель уровня тормозной жидкости
3 — предохранитель лампы освещения салона
4 — лаппа освещения салона (только УТИЛИТИ)
5 — предохранитель управления устройства AT
6 — реле индикатора нейтрального положения трансмиссии
7 — датчик-выключатель индикатора положения стабилизатора поперечной отстойчивости
8 — стабилизатор поперечной отстойчивости выключен
9 — предохранитель огней заднего хода
10 — передняя лампа освещения салона
11 — задняя лампа освещения салона
12 — контрольная лампа ручного тормоза/ тормозной жидкости
13 — датчик-выключатель разрешения запуска
14 — лампа АТ в положении "Р"
15 — датчик-выключатель нейтрального положения
16 — РКПП
17 — датчик-выключатель взведенного положения стояночного тормоза
18 — датчик-выключатель температуры ATF
19 — дверные выключатели
20 — переключатель режима 4WD 21 — контрольная лампа включения режима режима 4WD
22 — контрольная лампа уровня заряда
23 — к генератору
24 — датчик уровня топлива
25 — датчик скорости
26 — к катушке зажигания
27 — датчик температуры
28 — датчик давления масла
29 — датчик-выключатель давления масла
30 — контрольная лампа давления масла
31 — контрольная лампа температуры ATF
32 — вольтметр
33 — расход топлива
34 — к переключателю блокировки дифференциала
35 — спидометр
36 — тахометр
37 — температура
38 — масло
39 — к блоку управления
40 — контрольная лампа включения питания
Электросхема соединений электропроводки питания передних и заднего стеклоочистителей и омывателей, клаксона, обогревателя заднего стекла, прикуривателя, часов, управления подсветкой и аудиосистемы
1 — реле вспомогательных аксессуаров
2 — предохранитель передних стеклоочистителей/омывателей
3 — предохранитель заднего стеклоочистителя/омывателя
4 — предохранитель клаксона
5 — предохранитель заднего габаритного огня
6 — контрольная лампа положения AT
7 — лампа подстветки пепельницы
8 — предохранитель прикуривателя
9 — предохранитель часов/ аудиосистемы
10 — предохранитель часов/ лампы освещения салона
11 — прикуриватель
12 — потенциометр изменения интенсивности подсветки
13 — мотор привода передних стеклоочистителей
14 — переключатель режимов работы стеклоочичтителей
15 — подсветка измерителя
16 — от реле зажигания
17 — антенна
18 — выключатель привода антенны
19 — часы
20 — мотор передних стеклоомывателей 21 — реле передних стеклоомывателей
22 — реле клаксона
23 — предохранитель обогревателя заднего стекла
24 — мотор привода антенны
25 — магнитофон
26 — мотор привода заднего стеклоочистителя
27 — переключатель режимов работы стеклоочистителя
28 — сирена жесткого звукового сигнала
29 — рожок
30— выключатель клаксона
31 — выключатель обогрева заднего стекла
32 — правый передний громкоговоритель
33 — радиоприемник
34 — правый задний громкоговоритель
35 — мотор заднего стеклоомывателя
36 —реле заднего стеклоомывателя
37 — сирена мягкого звукового сигнала
38 — обогреватель заднего стекла
39 — левый передний громкоговоритель
40 — левый задний громкоговоритель
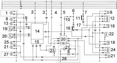
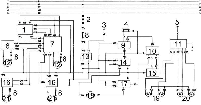
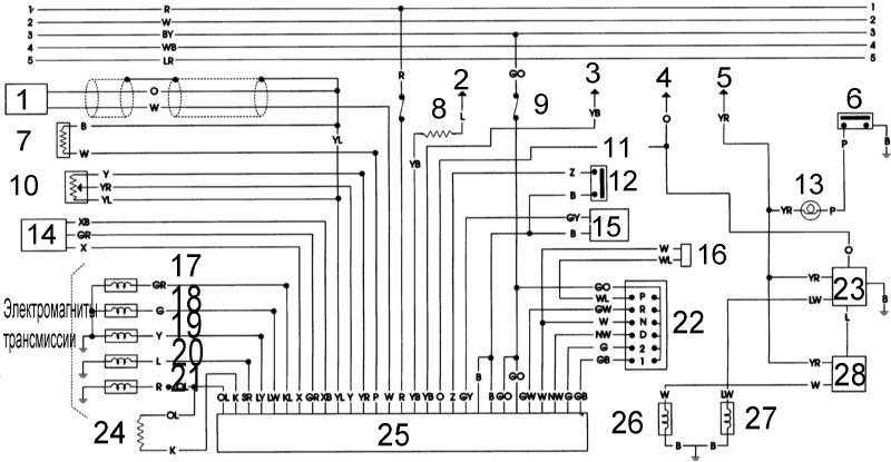
Эл.схема соединений электропроводки автоматической трансмиссии (АТ) и системы блокировки заднего дифференциала на Nissan Patrol
1 — датчик оборотов двигателя
2 — от катушки зажигания
3 — от контрольной лампы переключения мощностных режимов
4 — от спидометра
5 — от измерителя огней заднего хода
6 — датчик-выключатель индикатора блокировки дифференциала
7 — датчик температуры ATF
8 — предохранитель левой головной фары
9 — предохранитель управления AT
10 — датчик положения дроссельной заслонки
11 — только модели с AT
12 — датчик-выключатель режима КИК-ДАУН
13 — контрольная лампа блокировки дифференциала
14 — датчик крайних положений дроссельной заслонки 15 — выключатель переключения мощностных режимов
16 — диод
17 — обгонная муфта
18 — электромагнит переключения A
19 — электромагнит переключения B
20 — блокировка
21 — давление в линии
22 — датчик-выключатель разрешения запуска
23 — устройство блокировки дифференциала
24 — гасящий резистор
25 — блок управления AT
26 — электромагнит 1 блокировки дифференциала
27 — электромагнит 2 блокировки дифференциала
28 — выключатель блокировки дифференциала
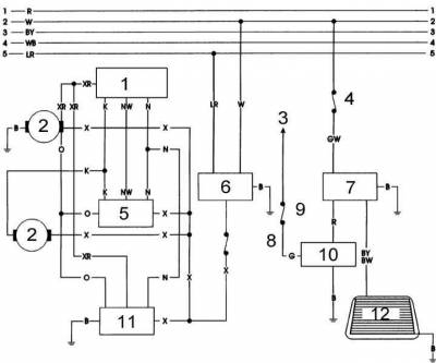
Схема соединений электропроводки стеклоподъемников, верхнего люка и привода зеркал на Ниссан Патрол
1 — усилитель электропривода стеклоподъемников
2 — плавкая вставка
3 — от предохранителя измерителя огней заднего хода
4 — датчик-выключатель безопасности
5 — от предохранителя заднего стеклоочистителя/омывателя
6 — выключатель электропривода стеклоподъемника левой передней двери
7 — выключатель электропривода стеклоподъемника правой передней двери
8 — прерыватель контура
9 — реле безопасности
10 — задний выключатель электропривода верхнего люка
11 — выключатель электропривода дверного зеркала заднего вида 12 — мотор-регулятор стеклоподъемника
13 — реле электропривода стеклоподъемников
14 — реле верхнего люка 2
15 — передний выключатель электропривода верхнего люка
16 — выключатель электропривода стеклоподъемника правой задней двери
17 — реле верхнего люка 1
18 — мотор привода верхнего люка
19 — зеркало левой двери
20 — зеркало правой двери
21 — мотор регулятор стеклоподъемника
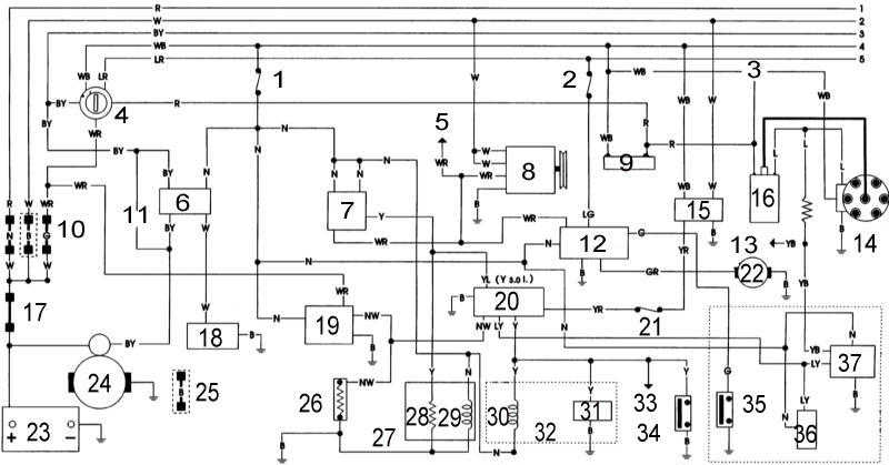
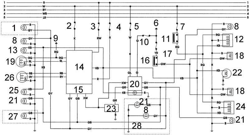
Соединение электропроводки отопителя, кондиционера воздуха и центрального замка — эл.схема
1 — от предохранителя измерителя огней заднего хода
2 — переключатель вкл./выкл. центрального замка 2
3 — реле вентилятора отопителя
4 — предохранитель 2 мотора вентилятора отопителя
5 — мотор вентилятора отопителя
6 — предохранитель мотора вентилятора кондиционера воздуха
7 — резистор
8 — термочувствительный прерыватель контура (ТПК)
9 — таймер центрального замка
10 — переключатель вкл./выкл. центрального замка 1
11 — датчик-выключатель двойного напора
12 — предохранитель 1 мотора вентилятора отопителя
13 — к системе освещения
14 — переключатель вентилятора 15 — выключатель блокировки замка (левая передняя дверь)
16 — усилитель управления температурой
17 — термочувствительный выключатель
18 — реле отключения кондиционера воздуха
19 — реле кондиционера воздуха
20 — выключатель кондиционера воздуха
21 — только модели с АТ
22 — только модели с РКПП
23 — выключатель блокировки замка (левая задняя дверь)
24 — выключатель блокировки замка (дверб задка)
25 — выключатель блокировки замка (правая задняя дверь)
26 — компрессор
27 — электромагнит FICD
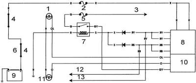
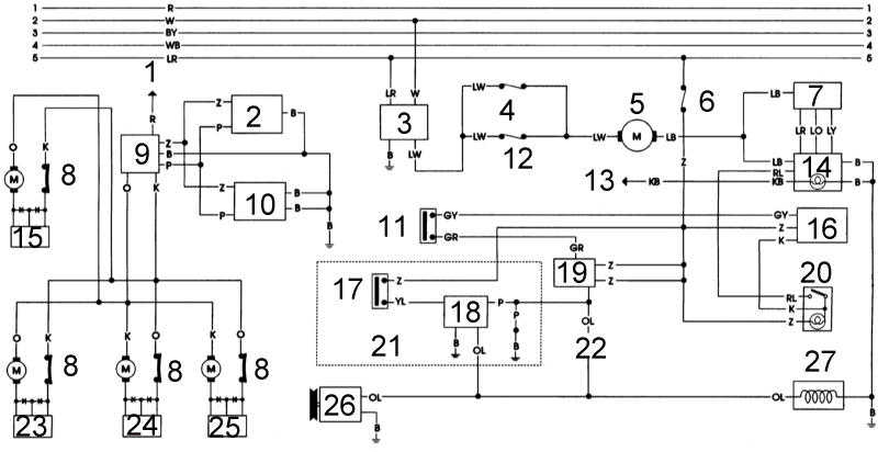
Соединение электропроводки заднего стеклоочистителя и обогревателя заднего стекла моделей с августа 1995 г. — электросхема
1 — переключатель режимов работы стеклоочичтителя
2 — приводной мотор
3 — от реле зажигания
4 — предохранитель на 15 А
5 — усилитель привода заднего стеклоочичтителя
6 — реле вспомогательных аксессуаров 7 — реле обогревателя заднего стекла
8 — предохранитель заднего стеклоомывателя
9 — предохранитель обогревателя заднего стекла
10 — выключатель обогрева заднего стекла
11 — реле заднего стеклоочичтителя
12 — обогреватель заднего стекла
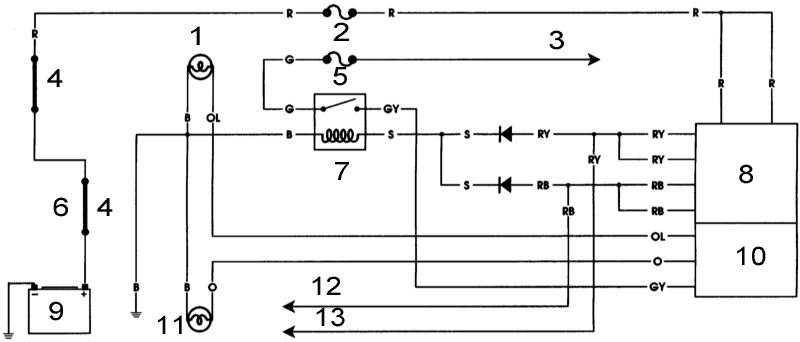
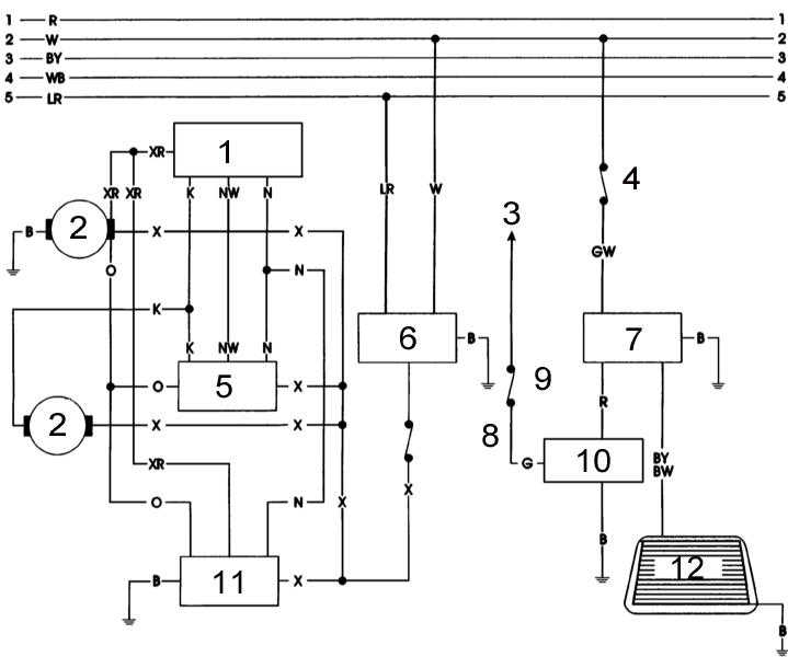
Соединение электропроводки отдельно установленных указателей поворотов — схема на Ниссан Патрол поздних лет выпуска
1 — правый указатель поворота
2 — предохранитель на 15 А
3 — к реле зажигания
4 — плавкая вставка на 25 А
5 — предохранитель на 10 А
6 — главная плавкая вставка
7 — реле указателей поворотов 8 — комбинированный переключатель
9 — батарея
10 — переключатель указателей поворотов
11 — левый указатель поворота
12 — к левой головной фаре
13 — к правой головной фаре
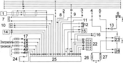
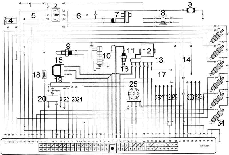
Эл.схема соединений электропроводки систем впрыска топлива и управления двигателем моделей EFI выпуска до октября 1994 г.
1 — э/м клапан продувки угольного адсорбера
2 — предохранитель на 15 А в двигательном отсеке
3 — реле топливного насоса
4 — замок зажигания
5 — воздушный регулятор
6 — реле управления ECC
7 — топливный насос
8 — э/м клапан регулятора давления
9 — датчик температуры охлаждающей жидкости
10 — диагностический разъем
11 — разъем TPS
12 — TPS и выключатель холостого хода
13 — измеритель воздушного потока
14 — лямбда-зонд
15 — разъем выключателя холостого хода
16 — предохранитель зажигания на 10 А
17 — клапан AAC
18 — резистор/конденсатор 19 — блок управления AT
20 — плавкая вставка на 25 А
21 — катушка зажигания
22 — замок и катушка зажигания
23 — тахометр
24 — датчик-выключатель давления в системе гидроусиления руля
25 — распределитель
26 — спидометр
27 — контрольная лампа
28 — блок управления АТ
29 — д/в разрешения запуска РКПП
30 — реле НЕЙТРАЛЬ-ПАРКОВКА
31 — реле кондиционера воздуха
32 — д/в двойного напора кондиционера воздуха
33 — предохранитель двигателя на 10 А
34 — предохранитель батареи на 10 А
35 — мощный ключ выходного каскада
36 — инжекторы
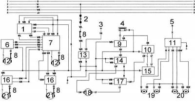
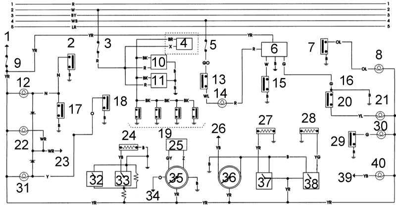
Электросхема соединений электропроводки систем впрыска топлива и управления двигателем моделей EFI выпуска с октября по август 1994 г.
1 — плавкая вставка на 25 А
2 — реле топливного насоса
3 — топливный насос
4 — э/м клапан продувки угольного адсорбера
5 — предохранитель на 15 А в двигательном отсеке
6 — замок зажигания
7 — воздушный регулятор
8 — реле управления ECCS
9 — датчик температуры охладжающей жидкости
10 — диагностический разъем
11 — разъем TPS
12 — TPS и выключатель холостого хода
13 — разъем выключателя холостого хода
14 — предохранитель зажигания на 10 А
15 —измеритель воздушного потока
16 — лямбда-зонд
17 — блок управления АТ 18 — клапан AAC
19 — резистор/конденсатор
20 — мощный ключ выходного каскада
21 — катушка зажигания
22 — замок и катушка зажигания
23 — тахометр
24 — датчик-выключатель давления в системе гидроусиления руля
25 — распределитель
26 — спидометр
27 — контрольная лампа
28 — д/в разрешения запуска РКПП
29— реле НЕЙТРАЛЬ-ПАРКОВКА
30 — реле кондиционера воздуха
31 — реле двойного напора кондиционера воздуха
32 — предохранитель двигателя на 10 А
33 — предохранитель батареи на 10 А
34 — инжекторы
Схема на Ниссан Патрол соединений электропроводки систем впрыска топлива и управления двигателем моделей EFI выпуска с августа 1994 г.в.
1 — э/м клапан продувки угольного адсорбера
2 — предохранитель на 15 А в двигательнолм отсеке
3 — реле топливного насоса
4 — замок зажигания
5 — плавкая вставка на 25 А
6 — воздушный регулятор
7 — реле управления ECCS
8 — топливный насос
9 — датчик температуры охлаждающей жидкости
10 — диагностический разъем
11 — разъем TPS
12 — TPS и выключатель холостого хода
13 — измеритель воздушного потока
14 — лямбда-зонд
15 — разъем выключателя холостого хода
16 — блок управления AT
17 — предохранитель зажигания на 10 А 18 — клапан AAC
19 — резистор/ конденсатор
20 — мощный ключ выходного каскада
21 — катушка зажигания
22 — замок и катушка зажигания
23 — тахометр
24 — датчик-выключатель давления в системе гидроусиления руля
25 — распределитель
26 — спидометр
27 — контрольная лампа
28 — д/в разрешения запуска РКПП
29— реле НЕЙТРАЛЬ-ПАРКОВКА
30 — реле кондиционера воздуха
31 — реле двойного напора кондиционера воздуха
32 — предохранитель двигателя на 10 А
33 — предохранитель батареи на 10 А
34 — инжекторы













