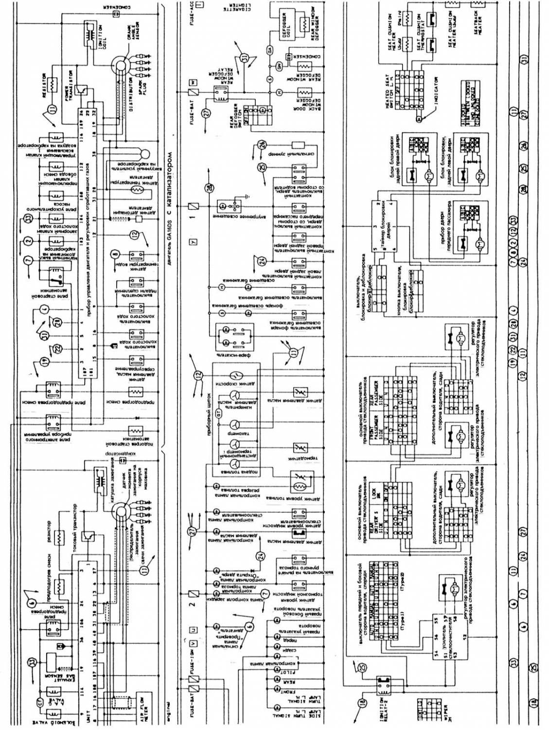
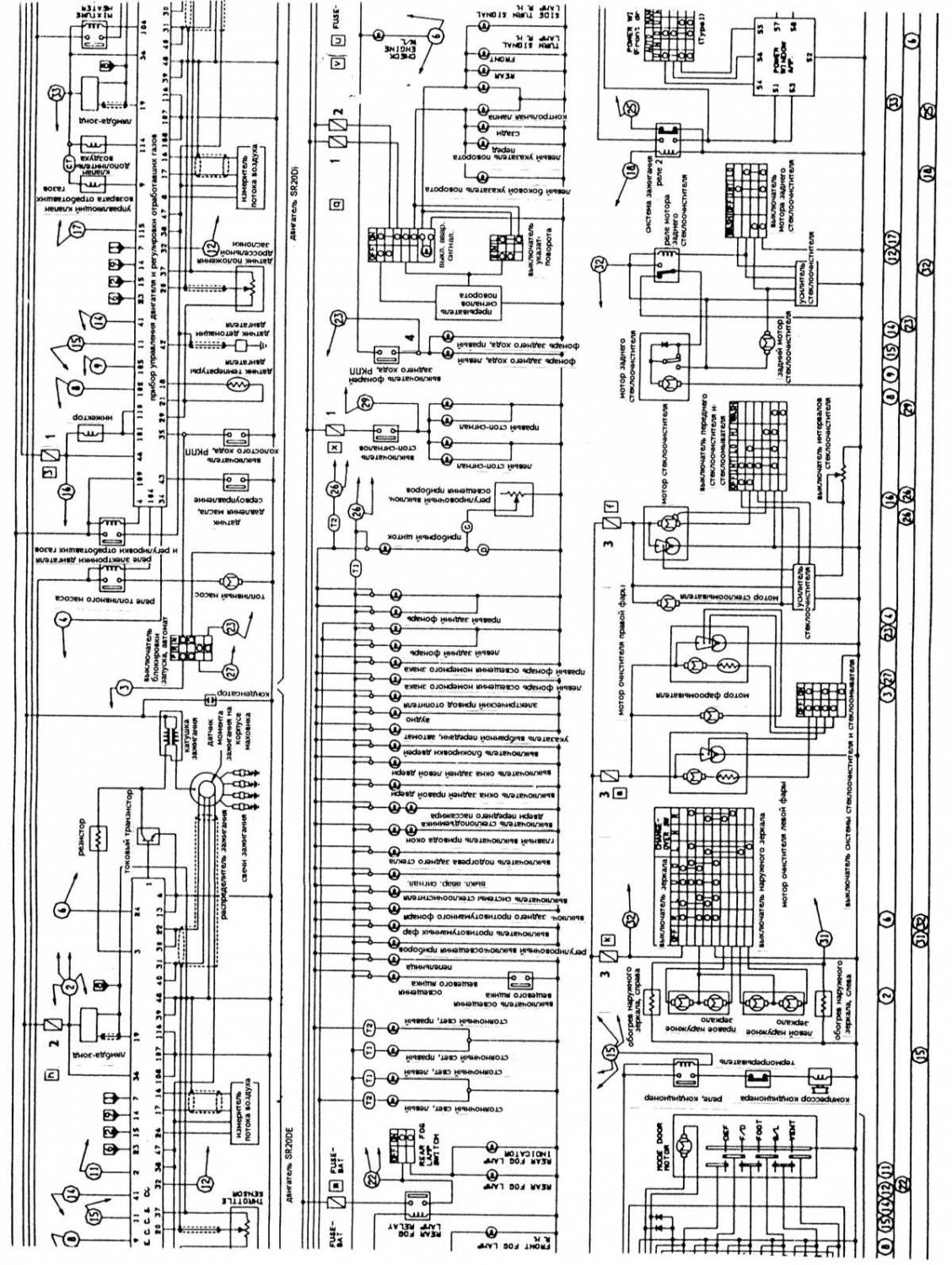
Ниже приведены схемы электрооборудования на Nissan Primera 1990-1992 г.в. Все двигатели имеют четыре цилиндра с двумя расположенными сверху распределительными валами и 16-ю клапанами, которые приводятся в действие одной или двумя приводными цепями (в зависимости от двигателя) от коленвала. В каждом цилиндре установлены 4 клапана под углом 26°, которые имеют или не имеют гидравлические компенсаторы зазоров. Блок цилиндров 2-литровых двигателей изготовлен из легких сплавов. В обоих двигателях используются поршни разных размеров и имеющие разный ход, это значит, что объем отдельного цилиндра не достигается расточкой блока. Двигатель установлен в передней части автомобиля поперек направлению движения.
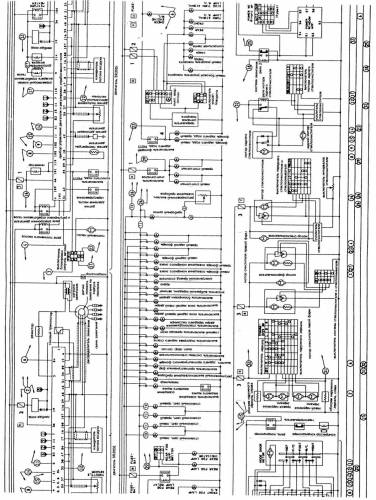
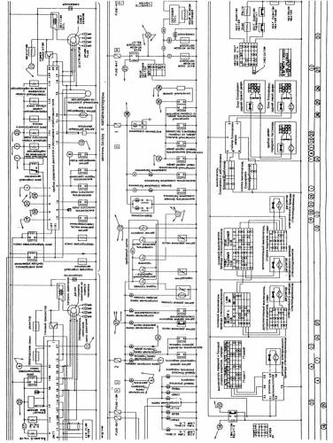
Приведенные ниже диаграммы электрических соединений схем, составлены по схематическому принципу, когда компоненты каждого контура связываются между собой по кратчайшему пути без учета формы прокладки электропроводки вокруг расположенных на пути ее следования компонентов и жгутов




