Тем кто работает в автосервисе посвящается эта страница, схемы электрооборудования на Nissan Primera. Базовая комплектация «Комфорт» имеет климат-контроль, регулируемый в двух направлениях руль с гидроусилителем, ABS c усилителем экстренного торможения, электропривод стеклоподъемников и обогреваемых зеркал, стереосистема с шестью динамиками, обогрев передних сидений и противотуманные фары. Не так давно на всех машинах появились 6 подушек безопасности, цветные камера заднего вида и дисплей. Исполнение «Элеганс» для 1,6-, 1,8- и 2 — литровых машин предлагает велюровую обивку, кожаную оплетку руля с управлением аудиосистемой, круиз-контроль, датчик дождя и 16-дюймовые диски из легкого сплава. Люк с электроприводом устанавливается за отдельную плату. Двухлитровые машины предлагаются минимум в «Элегансе» с «механикой» или вариатором. Комплектация «Tekna» для 1,8 и 2-х литровых автомобилей с механической коробкой передач или вариатором оснащается 17-дюймовыми дисками из легкого сплава, датчиком давления в шинах и встроенным в центральную консоль CD-чейнджером на 6 дисков.
Ключи к схемам электрооборудования
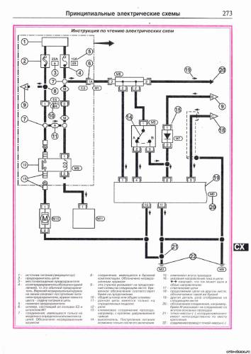
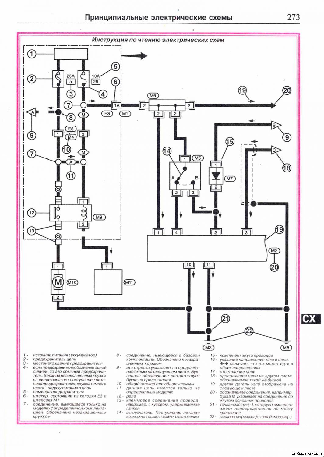
Инструкция чтения электросхем
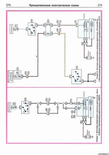
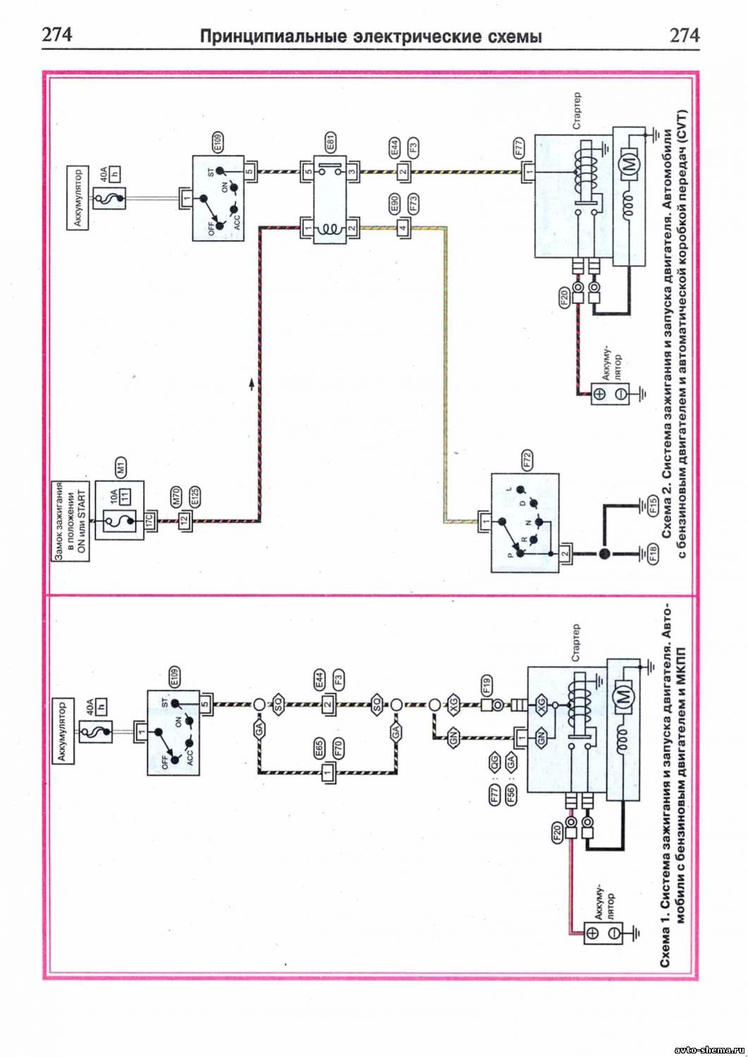
Схема зажигания и запуска разных двигателей
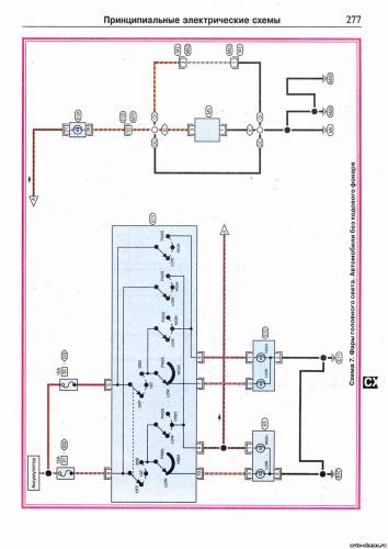
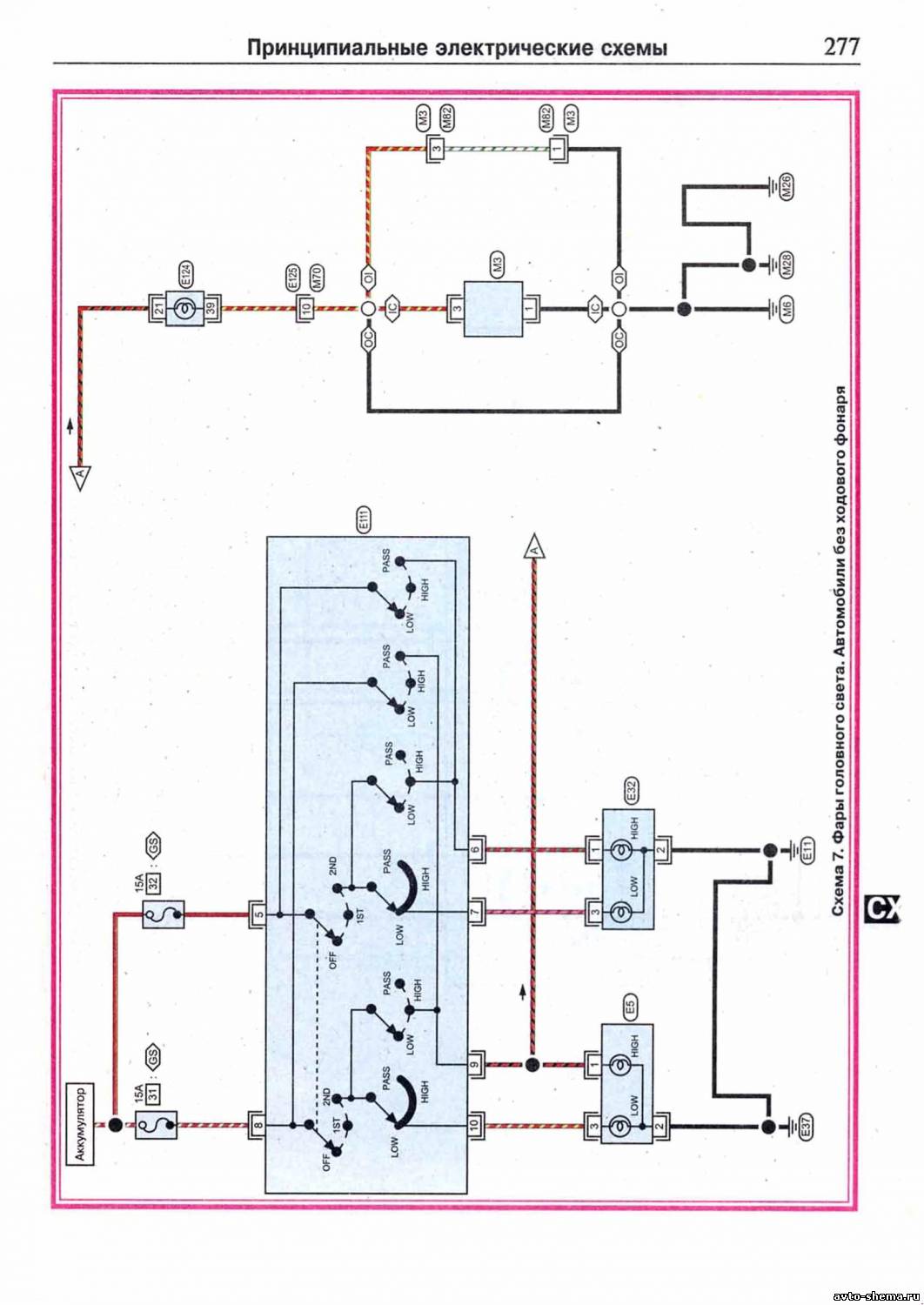
Электросхема фар головного света
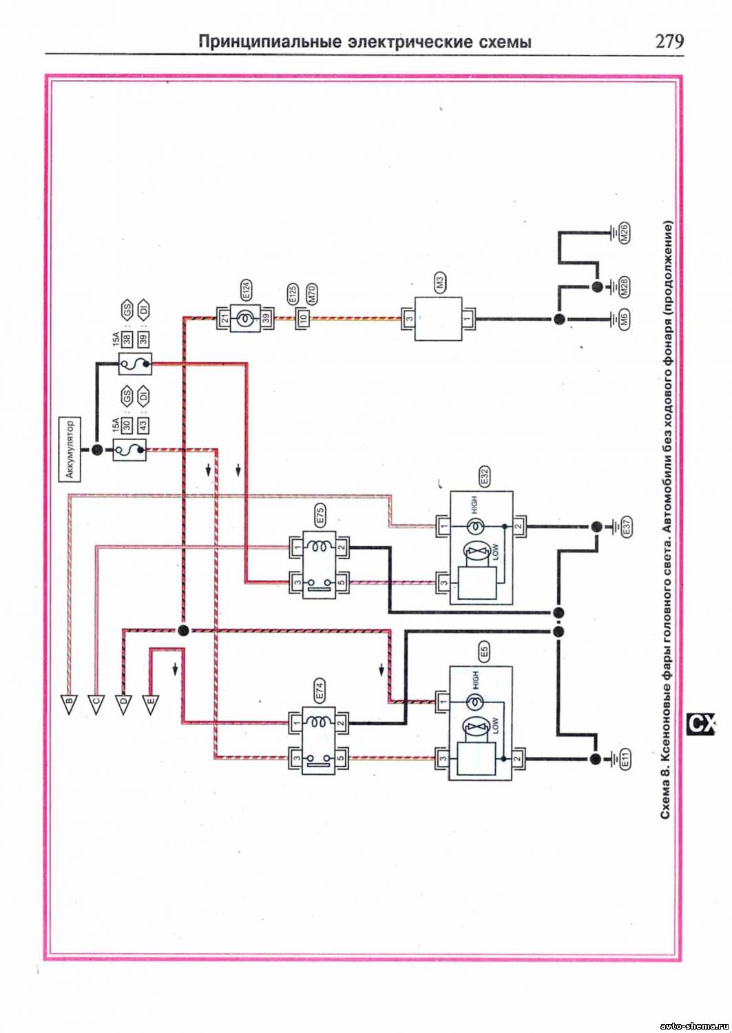
Эл.схема ксеноновых фар головного света
Схема задних фар, фонарей освещения номерного знака и стояночных-габаритных огней
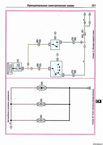
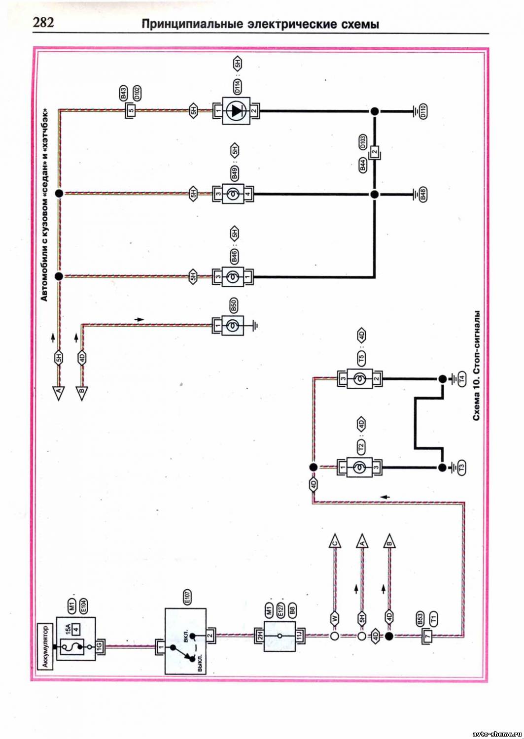
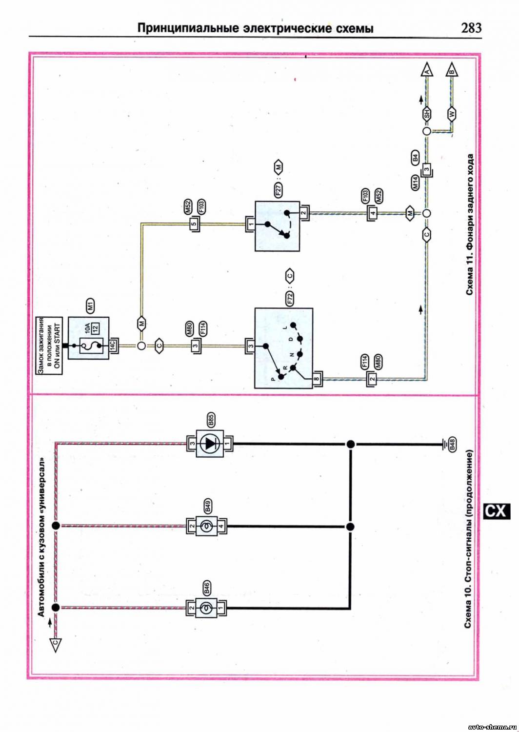
Электросхема стоп-сигналов и фонарей заднего хода
Схема противотуманных фар
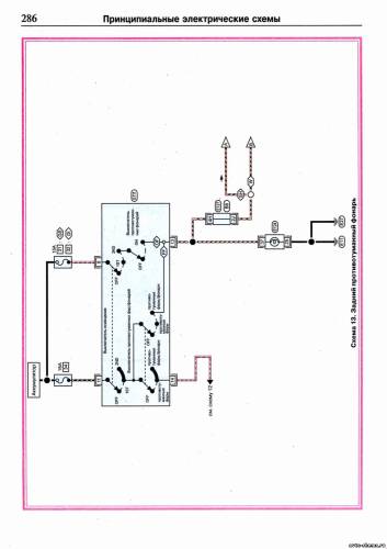
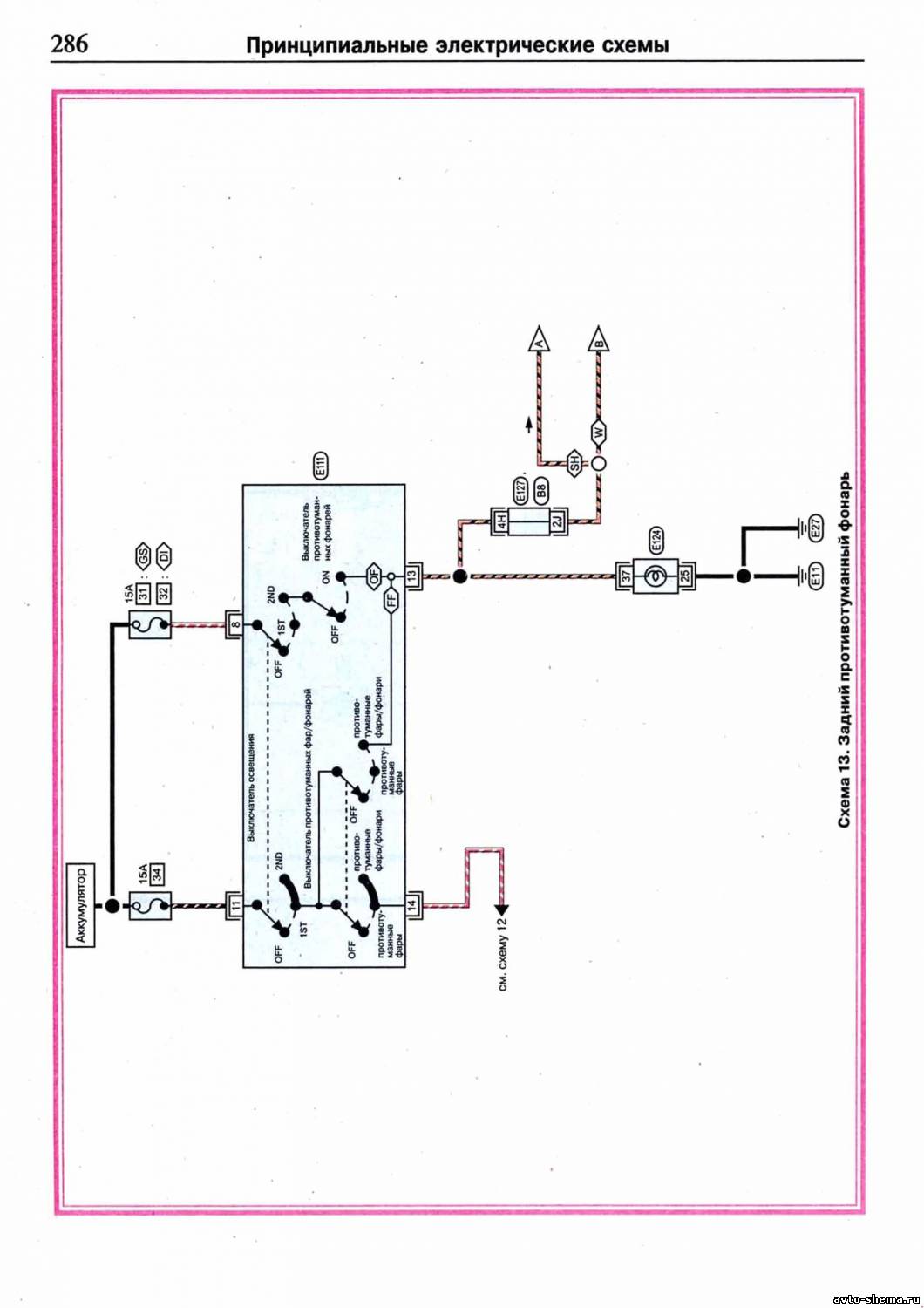
Эл.схема задних противотуманных фонарей
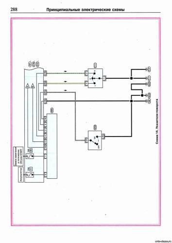
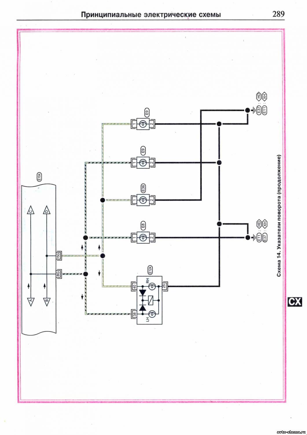
Электросхема указателей поворота




















