Предлагаем для общего ознакомления всем автовладельцам цветные схемы электрооборудования на Nissan Qashqai с 2007 г.в.и Nissan Qashqai +2 с 2008 г.в. Машина хорошо работает на высоко- и средне- профильных шинах. Попытки некоторых автолюбителей ставить низкий профиль считаются излишними, делающую из машины бронетранспортер для борьбы с собственной подвеской. Очень динамичная машина с эластичным движком, продуманным комфортным салоном и сильной выносливой подвеской. Но есть и минус, немного валковатая подвеска и слишком упругий, "спортивный" руль. Иногда при критических перестроениях в городе эта упругость мешает, особенно, когда водит женщина и водит энергично.
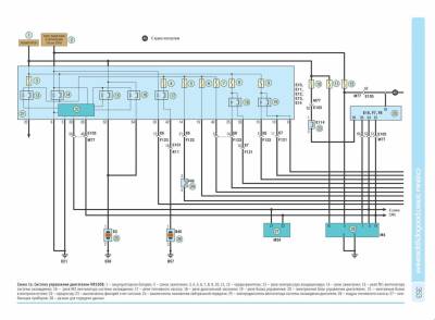
Схема системы управления двигателем HR16DE
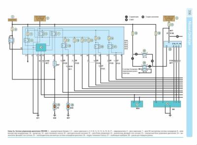
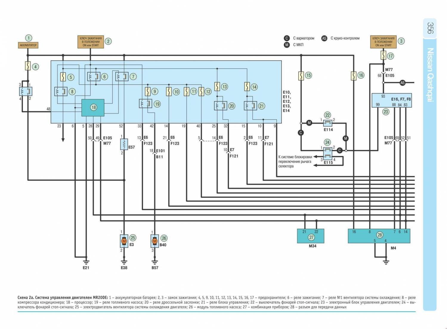
Электросхема системы управления двигателем MR20DE
Эл.схема управления трансмиссией с вариатором CVT
Схема управления полным приводом и ABS без системы ESP
Электросхема ABS с системой ESP и блока электроусилителя рулевого управления
Схема сигнализаторов не пристегнутых ремней безопасности и системы пассивной безопасности SRS
Схема системы пассивной безопасности SRS (продолжение)
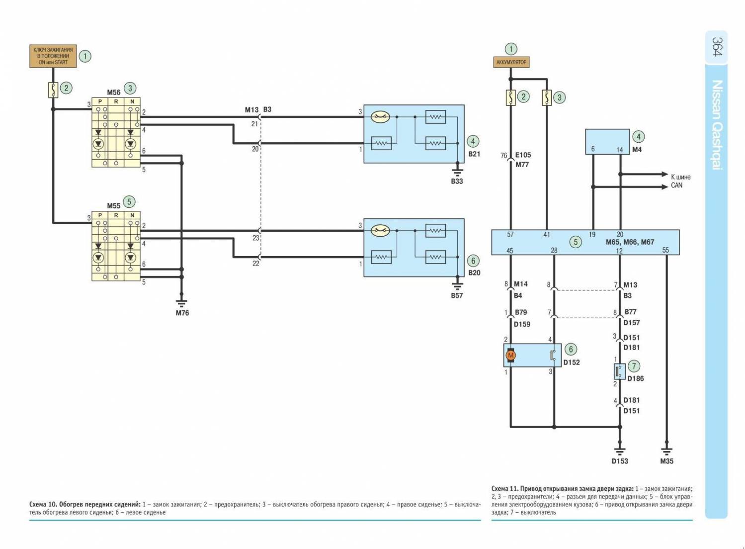
Электросхема обогрева передних сидений и привода открывания замка двери задка
Эл.схема привода наружных зеркал заднего вида и внутреннего зеркала заднего вида с антибликовой защитой
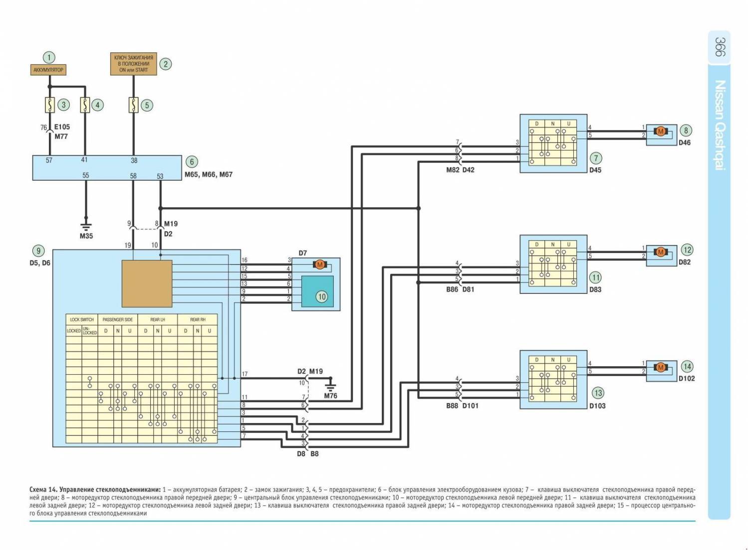
Схема управления стеклоподъемниками














