Поговорим об электросхемах к оборудованию на Opel Kadett 1984-1991 г.в. Выпускались юбилейные серии, приуроченные к выпуску 2000000 автомобиля с велюровыми салонами и формованными обивками дверей. После снятия модели с конвеера в Рюссельсхайме, лицензию на их производство приобрела фирма ДЭУ и выпускала их до 1995г. под маркой ДЭУ Рэйсер с моторами 1.5л., а после рестайлинга модель получила имя ДЭУ Нексия, которая выпускается до сих пор в Узбекистане, на заводе «Уз-Деу», правда только одной модификации — седан.
Общие сведения сокращений
N Описание Номера координат
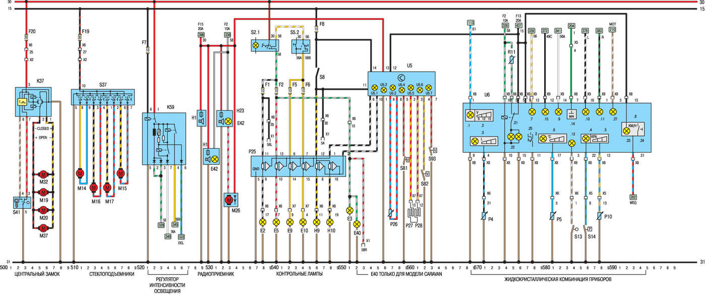
E1 Габаритный фонарь, левый 235
E2 Задний фонарь, левый 237, 440
E3 Освещение номерного знака 238, 451
E4 Габаритный фонарь, правый 231
E5 Задний фонарь, правый 232, 438
E6 Фонарь освещения моторного отсека 240
E7 Дальний свет, правый 246
E8 Дальний свет, левый 245
E9 Ближний свет, правый 249, 444
Е10 Ближний свет, левый 248, 442
E11 Освещение приборов 242
E12 Лампа освещения панели рычага селектора (автоматическая коробка передач) 346
E13 Лампа подсветки багажника 285
E14 Освещение салона 291
E15 Подсветка вещевого ящика 339
E16 Лампа подсветки прикуривателя 338
E17 Правый фонарь заднего хода 336
E18 Левый фонарь заднего хода 335
E19 Обогреватель заднего стекла 202
E20 Левая передняя противотуманная фара 257
E21 Правая передняя противотуманная фара 258
E24 Задний противотуманный фонарь 253
E25 Обогреватель левого переднего сидения 368
E30 Обогреватель правого переднего сидения 372
E32 Лампа подсветки часов 297
E33 Лампа подсветки пепельницы 347
E34 Лампа подсветки панели управления отопителем 242
E38 Лампа подсветки бортового компьютера 355
E39 Задний противотуманный фонарь 254
E40 Лампа освещения номерного знака (Универсал) 239, 452
E41 Освещение салона, включающееся с задержкой 287, 289
E42 Освещение радиоприемника 431, 433
F1 – F2 Предохранители Разные
F22 Плавкий предохранитель (подогрев топливной смеси) 164
F25 Стабилизатор напряжения комбинации приборов 213
G1 Аккумулятор 101
G2 Генератор 113
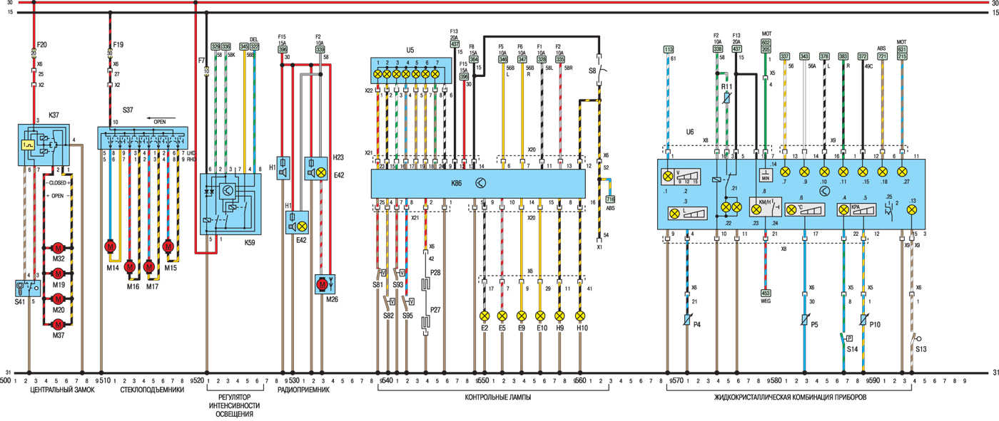
H1 Радиоприемник 429, 431
H2 Звуковой сигнал 211
H3 Контрольная лампа указателя поворотов 279
H4 Контрольная лампа датчика давления масла 221
H5 Контрольная лампа уровня тормозной жидкости 219
Н6 Контрольная лампа аварийной световой сигнализации 276
H7 Контрольная лампа зарядки аккумулятора 113
H8 Контрольная лампа дальнего света 247
H9 Правый стоп-сигнал 269, 448
Н10 Левый стоп-сигнал 268, 446
H11 Передняя правая лампа указателя поворотов 281
H12 Задняя правая лампа указателя поворотов 282
H13 Передняя левая лампа указателя поворотов 277
H14 Задняя левая лампа указателя поворотов 278
H16 Контрольная лампа работы свечей накаливания (дизельные модели) 195
H17 Контрольная лампа указателя поворотов прицепа 273
H19 Зуммер предупреждающий о оставленных включенных фарах 293
H20 Контрольная лампа открытой воздушной заслонки 340
Н21 Контрольная лампа ручного тормоза 218
H23 Радиоприемник (с автоматической антенной) 432, 433
Н25 Контрольная лампа обогрева наружного зеркала 383, 392
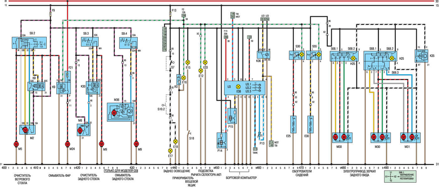
К1 Реле обогревателя заднего стекла 201, 202
K2 Прерыватель указателей поворотов и аварийной световой сигнализации 274
К5 Реле передних противотуманных фар 258, 259
К8 Реле прерывистой работы стеклоочистителя ветрового стекла 305 – 308
К9 Реле омывателя фар 312 – 314
К10 Реле указателей поворотов/ аварийной световой сигнализации 273, 274
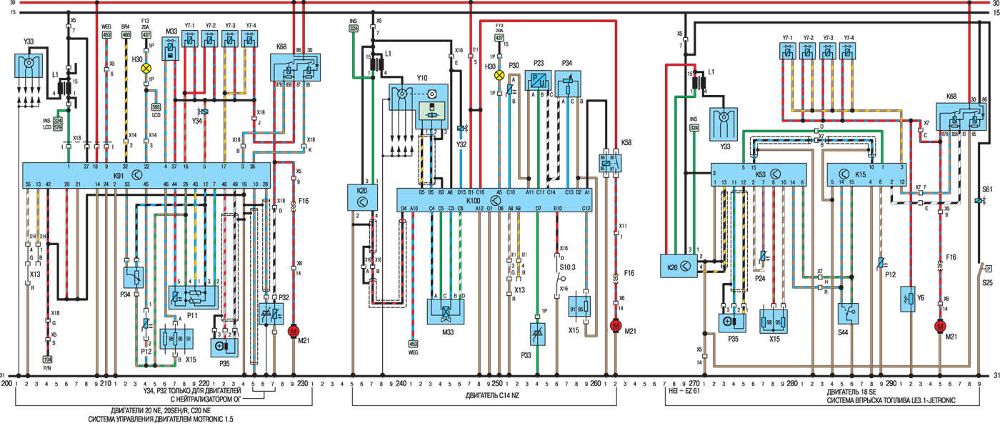
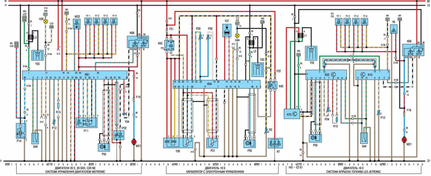
K15 Блок регулировки впрыска топлива 173 – 183
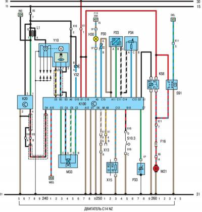
K20 Блок управления зажиганием (электронное зажигание) 118, 119
К25 Реле свечи накаливания (дизельные модели) 195 – 198
K28 Реле дальнего света (Великобритания) 421, 422
К30 Реле прерывистой работы стеклоочистителя заднего стекла 319 – 321
К31 Реле топливного насоса (система впрыска топлива) 169 – 171
К35 Реле подогрева наружного зеркала 397, 399
K36 Реле бортового компьютера 360 – 362
К37 Блок управления центральным замком 402 – 408
K39 Реле люка 160, 162
К45 Реле подогрева топливной смеси 164 – 166
K46 Управление углом опережения зажигания 145 – 150
K52 Блок зажигания 142, 143
K53 Управление углом опережения зажигания 134 – 139
L1 Катушка зажигания (с прерывателем контактов) 109
L2 Катушка зажигания (бесконтактная система) 117, 126, 143
L3 Катушка зажигания 136
М1 Стартер 105 – 107
М2 Двигатель стеклоочистителя 303 – 306
M3 Двигатель вентилятора отопителя 205 – 207
М4 Двигатель вентилятора радиатора 210
M5 Насос омывателя ветрового стекла 302
М8 Двигатель заднего стеклоочистителя (кроме GTE) 317 – 319
M9 Насос омывателя заднего стекла 322, 330
M12 Стартер (Дизельные модели) 193, 194
M14 Двигатель левого переднего стекла 411
M15 Двигатель правого переднего стекла 417
M16 Двигатель левого заднего стекла 413
M17 Двигатель правого заднего стекла 415
М18 Двигатель центрального замка в двери водителя 404, 407
М19 Двигатель центрального замка в левой задней двери 404, 407
М20 Двигатель центрального замка в правой задней двери 404, 407
M21 Топливный насос (система впрыска топлива) 169
M24 Насос омывателя фар 314
М26 Двигатель антенны с электроприводом 433, 434
М30 Двигатель наружного зеркала в двери водителя 368 – 381, 387 – 390
М31 Двигатель наружного зеркала в двери пассажира 394 – 397
M36 Двигатель стеклоочистителя заднего стекла (только GTE) 327 – 330
М37 Двигатель центрального замка задней двери/ крышки багажника 404, 407
Р1 Указатель уровня топлива 214
Р2 Указатель температуры охлаждающей жидкости 206
P3 Часы 296
Р4 Датчик уровня топлива 214, 471
Р5 Датчик температуры охлаждающей жидкости 216, 481
P7 Тахометр 225
P10 Датчик давления масла 488
Р11 Измеритель потока воздуха (система впрыска топлива) 188 – 190
Р12 Датчик температуры охлаждающей жидкости (система впрыска топлива) 188 – 190
Р13 Датчик наружной температуры бортового компьютера 360
Р14 Датчик пробега 133, 134, 156, 157, 351, 352, 492, 493
Р15 Расходомер топлива 353, 354
Р23 Датчик давления 135 – 137
Р24 Датчик температуры 138,139
P25 Датчик неисправности ламп накаливания 438 – 448
P26 Датчик уровня моторного масла 457, 458
P27 Датчик износа передней левой тормозной колодки 460
Р28 Датчик износа передней правой тормозной колодки 461
R1 Помехоподавляющий резистор (зажигание) 109
R2 Обогреватель карбюратора 341
R3 Прикуриватель 337
R5 Свечи накаливания (дизельные модели) 188 – 190
R7 Подогрев топливной смеси 164
R11 Реостат освещения приборов 475
R12 Обогреватель автоматической воздушной заслонки 343
S1 Замок зажигания 106, 107
S2.1 Переключатель освещения 239, 240, 439, 440
S2.2 Выключатель подсветки салона 289
S3 Выключатель вентилятора отопителя/ обогревателя заднего стекла 203 – 207
S2 Переключатель ближнего света фар 247, 248, 444
S3 Переключатель указателя поворотов 280, 281
S5. 5 Включатель (кнопка) звукового сигнала 211
S6 Распределитель зажигания (с прерывателем контактов) 109, 111
S7 Выключатель фонаря заднего хода 335
S8 Выключатель стоп-сигнала 2 68,446
S9.2 Выключатель стеклоочистителя 302 – 306
S9.3 Выключатель заднего стеклоочистителя (кроме GTE) 320, 321
S9.4 Выключатель заднего стеклоочистителя (GTE) 329, 330
S10 Выключатель блокировки стартера (автоматической коробки передач) 107
S11 Датчик уровня тормозной жидкости 219
S13 Индикатор затянутого ручного тормоза 218, 484
S14 Датчик давления масла 221, 486
S15 Выключатель освещения багажного отделения 285
S16 Выключатель освещение салона, включающийся при открытии правой двери 290
S17 Выключатель освещение салона, включающийся при открытии левой двери 291
S18 Выключатель лампы освещения вещевого ящика 339
S21 Выключатель передних противотуманных фар 260, 262
S22 Выключатель задних противотуманных фонарей 253, 255
S29 Выключатель вентилятора радиатора 210
S30 Выключатель подогрева сидения водителя 368, 370
S37 Переключатель стеклоподъемников 410 – 418
S41 Выключатель центральной блокировки двери водителя 402, 403
S44 Датчик положения дроссельной заслонки (система впрыска топлива) 188 – 190
S47 Выключатель освещение салона, включающийся при открытии двери водителя 292, 293
S50 Выключатель контрольной лампы дроссельной заслонки 340
S52 Выключатель аварийной световой сигнализации 274 – 278
S55 Выключатель обогревателя сидения пассажира 372 – 3 74
S60 Выключатель педали сцепления 159
S66 Вакуумный выключатель 148
S68.1 Переключатель регулировки положения внешнего зеркала 377 – 380, 385 – 389м
S68.2 Переключатель обогревателя наружного зеркала 383, 392
S68.3 Переключатель на правое или левое внешнего зеркала 386 – 390
S73 Выключатель предварительного подогрева топливной смеси 165
S74 Датчик температуры 151
S75 Датчик температуры масла 151
S77 Выключатель пробега 153 – 156
S81 Датчик уровня тормозной жидкости 459
S82 Датчик уровня жидкости в бачке омывателя 462
U1 Преобразователь уменьшения яркости света фар 422 – 426
U3 Управление компьютера 352 – 361
U3.1 Переключатель часов 359
U3.2 Переключатель функций часов 359
U3.3 Повторная установка/ регулировать часов 359
U5 Дисплей 454 – 462
U5.1 Предупреждающая лампа перегорания ламп внешнего освещения 454
U5.2 Предупреждающая лампа перегорания ламп стоп-сигнала 456
U5.3 Контрольная лампа уровня масла/ охлаждающей жидкости 457
U5.4 Контрольная лампа уровня тормозной жидкости 458
U5.5 Контрольная лампа износа тормозной колодки 460
U5.6 Контрольная лампа уровня жидкости в бачке стеклоомывателя 461
U6 Жидкокристаллическая комбинация приборов 469 – 492
U6.1 Предупреждающий символ низкого напряжения 469
U6.2 Вольтметр 470 – 4 72
U6.3 Датчик уровня топлива 471
U6.4 Предупреждающий символ давления масла 486
U6.5 Датчик давления масла 488
U6.6 Датчик температуры 481
U6.7 Управление лампами 478
U6.8 Привод спидометра 491, 492
U6.9 Управление лампами дальнего света 482
U6.10 Контрольная лампа левого указателя поворотов 486
U6.11 Контрольная лампа правого указателя поворотов 488
U6.13 Контрольная лампа затянутого ручного тормоза 484
U6.14 Тахометр 484
U6.15 Контрольная лампа указателя поворотов прицепа 480
U6.21 Реле (освещения) 474 – 476
U6.22 Освещение 475, 476
U6.23 Освещение спидометра 491
U6.24 Переключатель 493
U6.25 Переключатель калибровки 478
V4 Диод (задние противотуманные фонари) 253
V5 Диод (задние противотуманные фонари) 257
V6 Диод (стояночные огни) 240
X1 Разъемы прицепа Различные
X2 Вспомогательные разъемы Различные
X5 Разъем жгута проводов Различные
X6 Задние разъем жгута проводов Различные
X7 Передний разъем жгута проводов Различные
X8 Разъем жидкокристаллической комбинации приборов (с 26 контактами) 469 – 492
X9 Разъем жидкокристаллической комбинации приборов(с 16 контактами) 476 – 490
X10 Разъем установки угла опережения зажигания 138 – 140
Y5 Электромагнитный клапан остановки двигателя (Дизель) 199
Y6 Вспомогательный пневмоклапан (топливные форсунки) 188 – 190
Y7 Топливные форсунки 188 – 190
Y10 Распределитель зажигания (с датчиком Холла) 122
Y11 Датчик Холла 108, 109, 145 – 147
Y14 Индуктивный датчик 135 – 137
Y15 Индуктивный датчик с блоком зажигания 125, 126
Y17 Электромагнитный клапан 342
Y18 Электромагнитный клапан люка 159
Y22 Распределитель зажигания 147
Y23 Распределитель зажигания (с индуктивным датчиком) 129
Y24 Распределитель зажигания 139
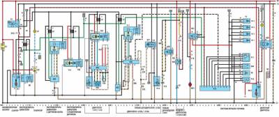
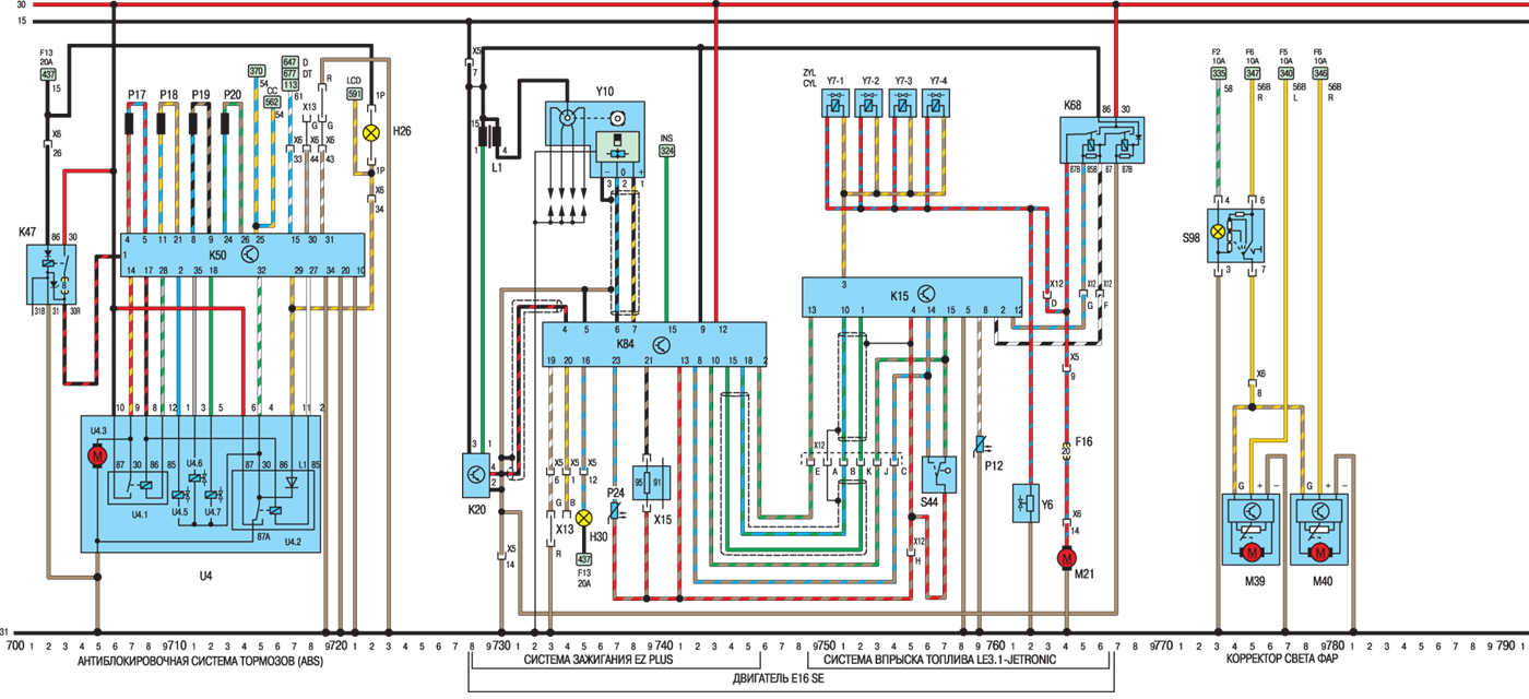
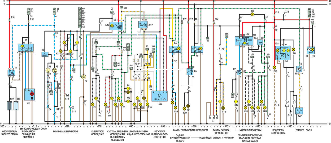
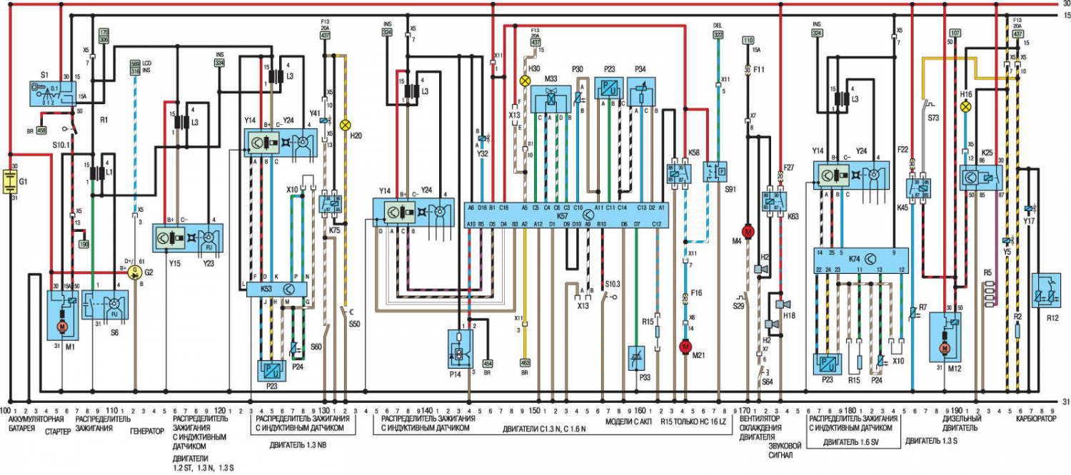
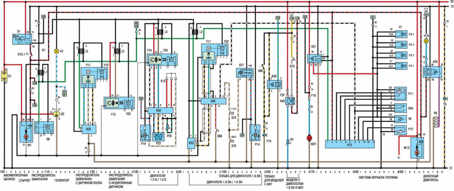
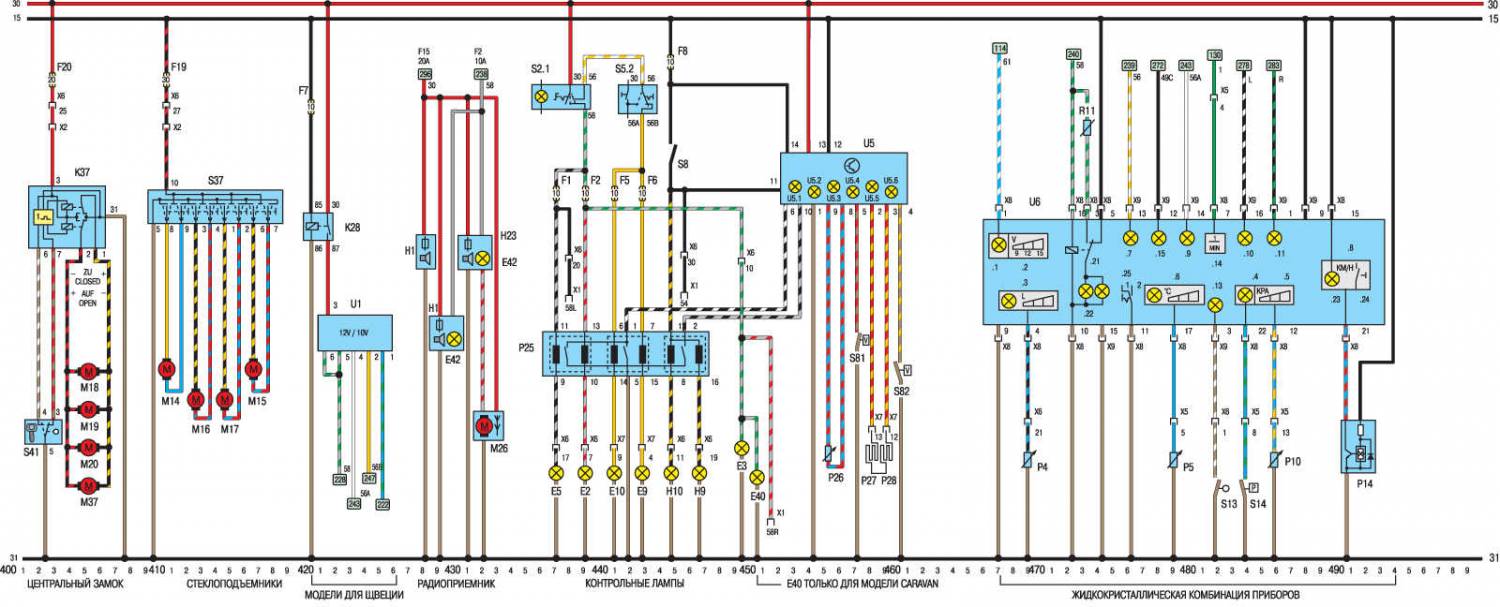
Электросхемы оборудования выпуска с 1986 г.
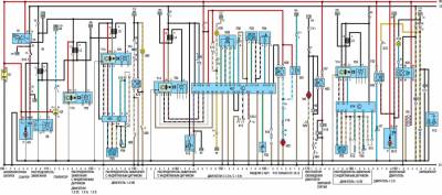
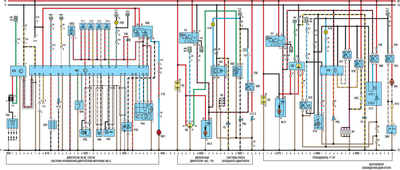
Схемы электрооборудования выпуска с 1990 г.
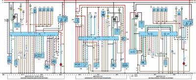
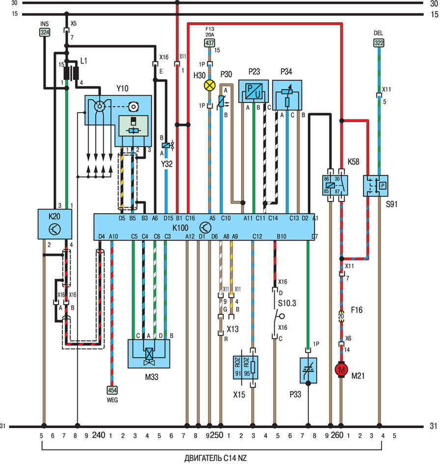
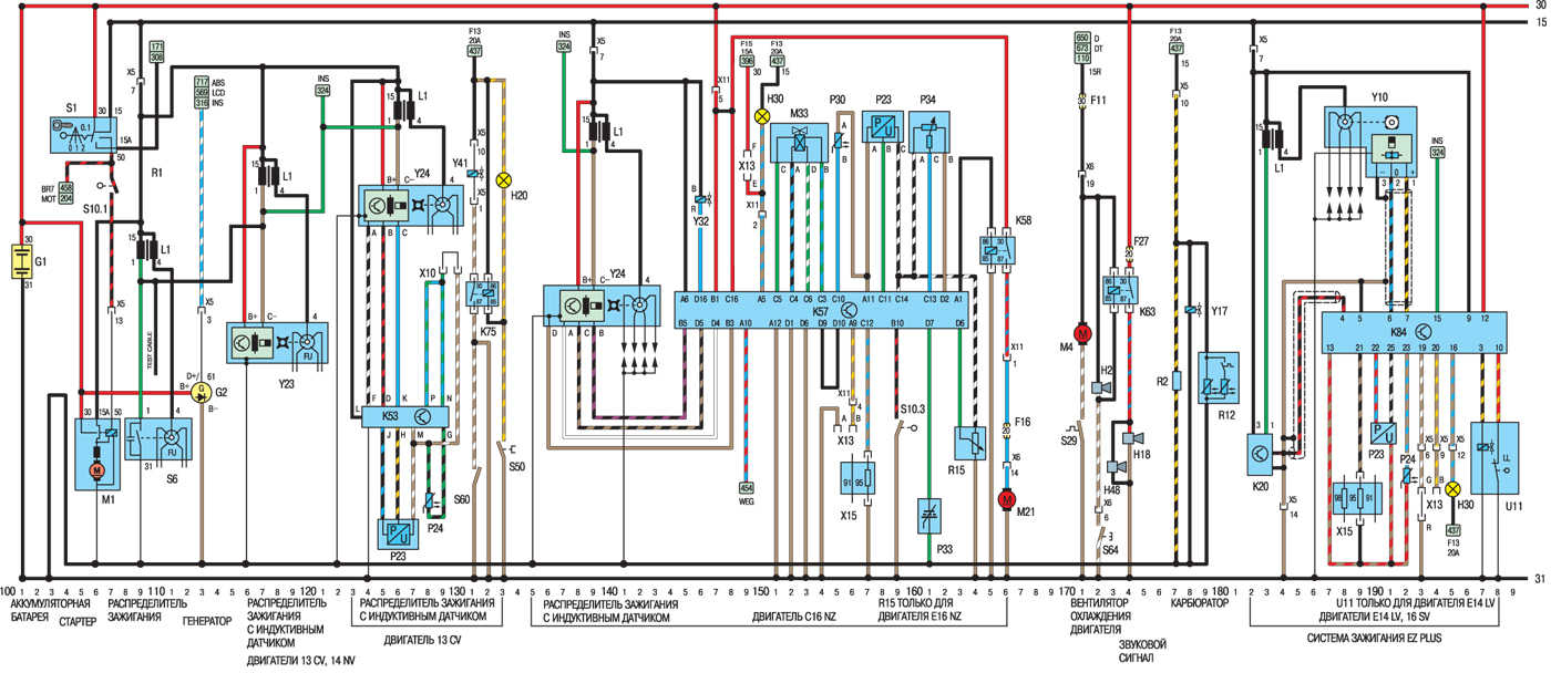
Схема системы управления двигателем MULTEC

















