В данной статье мы расскажем о схеме электрооборудования на Opel Vectra B 1995-2002 г.в. Динамичность автомобиля играет далеко не последнюю роль в обеспечении безопасности движения. Силовой агрегат Vectra, сердцем которого является бензиновый двигатель 2.0 16V серии Ecotec, обладающий запасом мощности во всем диапазоне скоростей, позволит Вам без проблем совершить любой маневр. Технология Ecotec (экономичность/экология/технология) обеспечивает качество и надежность двигателя. Благодаря двум балансировочным валам, вибрации двигателя сведены к минимуму, что в сочетании с великолепной шумоизоляцией превращает движение при любых оборотах двигателя в удовольствие.
Описание к электросхемам на Опель Вектра В
E1 Габаритный фонарь, левый 338
E2 Задний фонарь, левый 341
E3 Освещение номерного знака 347 – 350
E4 Габаритный фонарь, правый 352
E5 Задний фонарь, правый 355
E7 Дальний свет, левый 301
E8 Дальний свет, правый 304
E9 Ближний свет, левый 307
E10 Ближний свет, правый 310
E11 Освещение 714 – 716
E12 Освещение автоматической трансмиссии 644, 645
E13 Лампа подсветки багажника 1328
E15 Вещевой ящик 1350
E16 Освещение прикуривателя 1356
E17 Фонарь заднего хода, левый 1344
E18 Фонарь заднего хода, правый 1345
E19 Обогреватель стекла 803, 1723
E20 Противотуманная фара, левая 650, 871
E21 Противотуманная фара, правая 651, 873
E24 Противотуманный фонарь 645, 877
E25 Обогрев сидения, левый 1886
E27 Задний свет, левый 1331, 1332
E28 Задний свет, правый 1334, 1335
E30 Обогрев сидения, правый 1893
E37 Лампа подсветки, левая 1338
E39 Противотуманный фонарь 879
E40 Лампа подсветки, правая 1340
E41 Освещение салона 1322 – 1325
E42 Обогрев охлаждающей жидкости 1472 – 1489
E42.1 Блок управления отопителя 1472 – 1489
E42.2 Двигатель вентилятора 1478
E42.3 Свеча 1480
E42.4 Датчик охлаждающей жидкости 1482
E42.5 Датчик охлаждающей жидкости 1484
E42.6 Датчик перегрева 1486
E50 Сигнал открытой двери водителя 1306
E51 Сигнал открытой двери пассажира 1309
E52 Сигнал открытой задней двери 1313
E53 Сигнал открытой задней двери 1317
F2 Предохранитель двигатель вентилятора 122
F3 Предохранитель обогревателя стекла 137
F6 Предохранитель правого ближнего света 310
F7 Предохранитель стояночного света 352
F8 Предохранитель правого дальнего света 304
F9 Предохранитель насос омывателя фар 126
F10 Предохранитель звукового сигнала 139
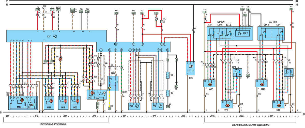
F11 Предохранитель центральной блокировки 141
F12 Предохранитель противотуманных фар 128
F14 Предохранитель стеклоочистителя 175
F16 Предохранитель противотуманных фонарей 130
F17 Предохранитель стеклоподъемника 143
F18 Предохранитель лампы номерного знака 348
F20 Предохранитель стеклоподъемника 145
F21 Предохранитель контакта W 104
F22 Предохранитель контакта 30 132
F24 Предохранитель ближнего света 307
F25 Предохранитель стояночного света 338
F26 Предохранитель левого дальнего света 301
F28 Предохранитель обогрева охлаждающей жидкости 147
F29 Предохранитель контакта 15 160
F30 Предохранитель люка 149
F32 Предохранитель света 323
F33 Предохранитель трейлера 30 151
F34 Предохранитель CD 153
F35 Предохранитель ABS/ TC 164
F36 Предохранитель контакта 15 167
F37 Предохранитель прикуривателя 169
F38 Предохранитель контакта 15 171
F39 Предохранитель автоматической КП 155
F40 Предохранитель контакта 15A 115
F41 Предохранитель зеркала 157
F50 Предохранитель вентилятора радиатора 1562, 1596, 1622, 1660, 1691
F52 Предохранитель вентилятора радиатора 1505, 1516, 1544, 1578, 1605, 1641, 1672
F56 Предохранитель обогрева фильтра 194
F59 Предохранитель блока управления 196
FV1 Предохранитель контакта 30 103
FV2 Предохранитель контакта 30 136
FV3 Предохранитель контакта 30 125
FV4 Предохранитель ABS / TC 103
FV5 Предохранитель 103
FV6 Предохранитель блока управления 103
G1 Аккумулятор 101
G2 Генератор 112 – 114
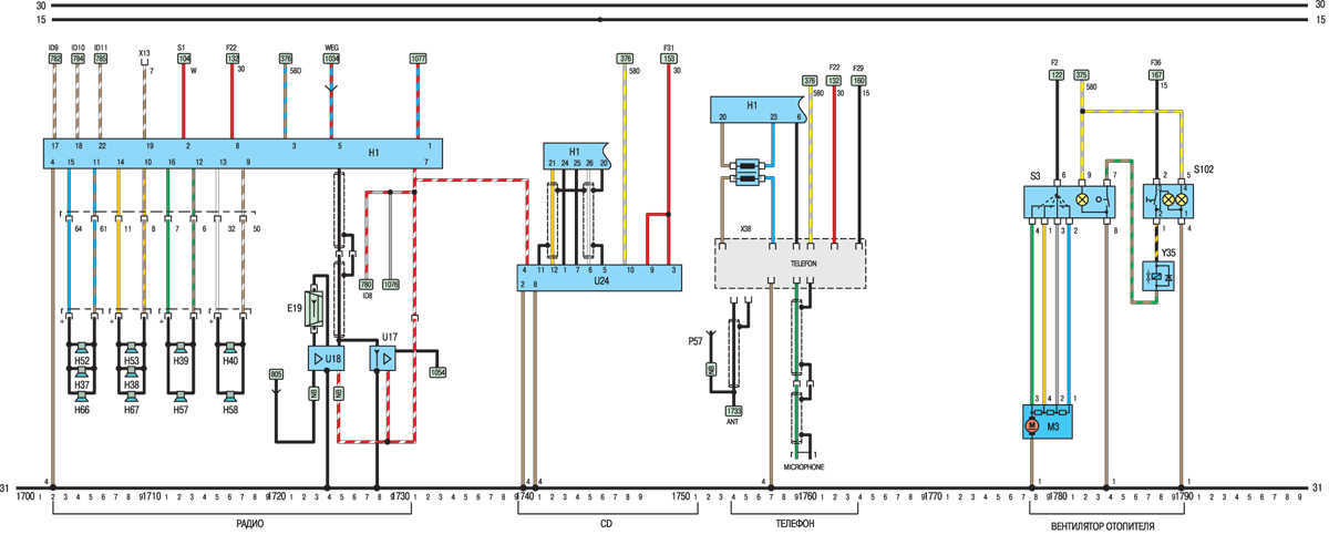
H1 Радио 1701 – 1731, 1742 – 1759
H3 Лампа сигнализации указателей поворотов 721
H4 Лампа сигнализации давления масла 736
H5 Лампа сигнализации уровня тормозной жидкости 731
H7 Лампа сигнализации генератора 734
H8 Лампа сигнализации дальнего света 725
H9 Стоп-сигнал, левый 1253, 1285
H10 Стоп-сигнал, правый 1256, 1288
H11 Передний указатель поворотов 379
H12 Задний указатель поворотов 380
H13 Передний указатель поворотов 386
H14 Задний указатель поворотов 387
H15 Лампа сигнализации топлива 714
H16 Лампа сигнализации свечи накаливания 740
H17 Лампа сигнализации указателя поворотов трейлера 719
H18 Звуковой сигнал 1067, 1069
H22 Лампа сигнализации противотуманного фонаря 727
H23 Лампа сигнализации подушки безопасности 746
H24 Противоугонная сирена 961 – 963
H26 Лампа сигнализации ABS 738
H27 Зуммер 1878 – 1880
H28 Лампа сигнализации привязного ремня 748
H30 Лампа сигнализации двигателя 729
H33 Повторитель поворотов, левый 381
H34 Повторитель поворотов, правый 388
H36 Стоп-сигнал 1249, 1281
H37 Громкоговоритель 1703 – 1705
H38 Громкоговоритель 1707 – 1709
H39 Громкоговоритель 1711 – 1713
H40 Громкоговоритель 1715 – 1717
H42 Лампа сигнализации автоматической КП 744
H46 Лампа сигнализации температуры катализатора 719
H47 Противоугонный звуковой сигнал 952
H51 Лампа сигнализации тяги 742
H52 Громкоговоритель ВЧ 1703 – 1705
H53 Громкоговоритель ВЧ 1707 – 1709
H57 Громкоговоритель ВЧ 1711 – 1713
H58 Громкоговоритель ВЧ 1715 – 1717
H65 Лампа сигнализации противотуманной фары 723
H66 Настройка громкоговорителя 1703, 1705
H67 Настройка громкоговорителя 1707, 1709
K1 Реле обогревателя стекла 381, 382, 803
K5 Реле противотуманной фары 385, 386, 871
K6 Реле кондиционера 1146 – 1148, 1815 – 1817, 1851 – 1853
K7 Реле вентилятора 1819, 1820, 1855, 1856
K12 Реле индукции 255 – 257
K14 Блок управления круиз-контроля 1052 – 1058
K28 Реле вентилятора радиатора 1614 – 1616
K31 Блок управления подушкой безопасности 1080 – 1098
K34 Реле задержки вентилятора радиатора 1542 – 1544, 1576 – 1578
K37 Блок управления блокировкой двери 901 – 954
K43 Реле форсунок 243, 244, 293, 294, 440, 441
K44 Реле топливного насоса 247, 248, 298, 299, 444, 445
K50 Блок управления ABS 1001 – 1030
K51 Реле вентилятора радиатора 1561, 1562, 1595, 1596, 1622, 1623, 1660, 1661, 16 91, 1392
K52 Реле вентилятора радиатора 1557 – 1559, 1591 – 1593, 1618 – 1620, 1656 – 1658, 1687 – 1689
K53 Реле вентилятора радиатора 1547 – 1549, 1581 – 1583, 1609 – 1611, 1644 – 1646, 1675 – 1677
K57 Блок управления Multec 471 – 498, 503 – 544, 576 – 596
K58 Реле топливного насоса Multec 475, 476, 507, 508, 579, 580
K59 Реле управления 323 – 328
K60 Реле компрессора кондиционера 1153 – 1155, 1810 – 1812, 1846 – 1848
K61 Блок управления Motronic 202 – 247, 268 – 297
K63 Реле звукового сигнала 1069, 1070
K64 Реле вентилятора кондиционера 1824, 1825, 1860, 1861
K67 Реле вентилятора радиатора 1520, 1521,1625, 1626
K69 Блок управления Simtec 402 – 445, 402 – 445
K70 Дизельный блок управления 1404 – 1459
K73 Реле дальнего света 315, 316
K74 Реле вентилятора радиатора 1649, 1650,1680,1681
K76 Блок управления накаливанием 1415 – 1419
K80 Реле обогрева топливного фильтра 1461 (дизель), 1462
K85 Блок управления автоматической КП 613 – 641
K87 Реле вентилятора радиатора 1515, 1516, 1604, 1605, 1640, 1641, 1671, 1672
K88 Блок температуры катализатора 651 – 653
K89 Реле противотуманного фонаря 387, 388, 877
K94 Противоугонный блок управления 901 – 954
K95 Блок управления ABS и TC 1001 – 1030
K96 Реле вентилятора радиатора 1552 – 1554,1586 – 1588, 1652 – 1654, 1683 – 1685
K97 Реле омывателя фар 1219 – 1221
K101 Зеркало 856 – 859
K114 Реле управления двигателем 1465, 1466
K117 Блок управления иммобилайзером 1038 – 1043
K120 Реле стеклоочистителя 377, 378, 1226
K121 Реле зеркала 382, 384, 831, 854
K122 Реле индикатора 381 – 383
K123 Реле индикатора 388 – 390
K124 Реле стеклоочистителя 379, 380, 1204, 1205
K128 Блок управления топливного насоса 1442 – 1445
L1 Катушка зажигания 572, 573
L2 Катушка зажигания (DIS) 201 – 204, 267 – 269, 401 – 403, 469 – 472, 501 – 504
М1 Стартер 105, 106
M2 Двигатель стеклоочистителя 1202 – 1205
M3 Двигатель вентилятора отопителя 1778 – 1781
M4 Двигатель вентилятора радиатора 1519, 1520, 1559, 1560, 1593, 1594, 1620, 1621, 1658, 1659, 1689, 1690
M8 Двигатель стеклоочистителя задней двери 1224 – 1226
M10 Двигатель кондиционера 1134 – 1139, 1820 – 1823, 1856 – 1859
M11 Двигатель вентилятора радиатора 1582 – 1584, 1645 – 1647, 1676 – 1678
M12 Двигатель вентилятора радиатора 1548 – 1550, 1610 – 1612
M13 Двигатель люка 1182 – 1188
M18 Центральный двигатель блокировки, дверь водителя 901 – 910
M19 Центральный двигатель блокировки, левая задняя дверь 918 – 920
M20 Центральный двигатель блокировки, правая задняя дверь 922 – 924
M21 Топливный насос 261
M24 Насос омывателя фар 1221
M27 Вторичная индукция 256
M30 Зеркало с электроподогревом 822 – 825, 842 – 848
M30.1 Двигатель зеркала 822 – 824, 842 – 844
M30.2 Обогреватель зеркала 825, 845
M30.3 Двигатель зеркала 847, 848
M31 Зеркало с электроподогревом 828 – 830, 851 – 857
M31.1 Двигатель зеркала 828 – 831, 851 – 853
M31.2 Обогреватель зеркала 831, 854
M31.3 Двигатель зеркала 856, 858
M32 Центральный двигатель блокировки, дверь пассажира 913 – 915
M33 Блок оборотов холостого хода 283, 284, 423, 424, 445 – 488, 527 – 530, 583 – 586
M35 Двигатель вентилятора радиатора 1505
M39 Корректор фар 312 – 314
M40 Корректор фар 317 – 319
M41 Центральный двигатель блокировки, топливная створка 918
M47 Двигатель стеклоподъемника, дверь водителя 967 – 970
M48 Двигатель стеклоподъемника, дверь пассажира 985 – 988
M49 Двигатель стеклоподъемника, левая задняя дверь 973 – 976
M50 Двигатель стеклоподъемника, правая задняя дверь 991 – 995
M54 Регулировка опережения зажигания 1638
M55 Насос омывателя 1213
M57 Насос системы охлаждения 250
M69 Топливный насос 1489
M74 Исполнительный механизм 1104 – 1107
M74 Исполнительный механизм 1109 – 1112
M74 Исполнительный механизм 1114 – 1117
M74 Исполнительный механизм 1119 – 1122
P1 Указатель топлива 702
P2 Указатель температуры охлаждающей жидкости 704
P4 Датчик уровня топлива 702
P5 Датчик температуры охлаждающей жидкости 704
P7 Тахометр 707
P13 Датчик температуры воздуха 771
P17 Датчик на переднем левом колесе 1001
P18 Датчик на переднем правом колесе 1004
P19 Датчик на заднем левом колесе 1007
P20 Датчик на заднем правом колесе 1010
P23 Датчик МАР 484 – 486, 520 – 522, 590 – 592
P24 Датчик температуры моторного масла 1438
P25 Датчик проверки ламп 308, 309, 342 – 357,1253 – 1256, 1285 -1288
P27 Датчик износа тормозной колодки 793
P28 Датчик износа тормозной колодки 793
P29 Датчик температуры впускного коллектора 218, 291, 421, 525
P30 Датчик температуры охлаждающей жидкости 219, 292, 423, 474, 507, 588, 1436
P32 Датчик кислорода 241, 242, 436 – 429
P33 Датчик кислорода 497, 539
P34 Потенциометр дросселя 221, 222, 294, 295, 414 – 416, 481, 482, 517, 518, 593 – 595
P35 Датчик коленвала 232 – 234, 273 – 275, 425 – 428, 490 – 492, 535 – 537, 579 – 581, 1409 – 1411
P36 Датчик кислорода 244, 245
P38 Датчик температуры трансмиссионной жидкости 632
P39 Датчик проверки ламп трейлера 1260 – 1262, 1292 – 1294
P41 Датчик температуры 1128
P43 Привод спидометра 710
P44 Измеритель потока воздуха 247, 248, 297, 298, 443 – 446, 1403 – 1407
P45 Датчик оборотов двигателя автоматической КП 623,624
P46 Датчик детонации 213, 214, 287, 288, 410, 411, 488, 489, 527, 528
P47 Датчик идентификация цилиндра 235 – 237, 431 – 433, 530 – 532
P48 Датчик автоматической трансмиссии 622, 621
P50 Датчик температуры катализатора 652, 653
P51 Датчик 1125
P53 Противоугонный датчик 942 – 945
P53 Противоугонный датчик 949 – 952
P56 Датчик детонации 215, 216
P57 Антенна 1752
P58 Противоугонный датчик 954
P59 Противоугонный датчик 954
P65 Датчик нагрузки 1 452, 1453
P67 Датчик положения педали 1415 – 1423
P69 Датчик давления рулевого привода с усилителем 224,225
P71 Датчик подушки безопасности 1093 – 1095
P72 Датчик подушка безопасности 1096 – 1098
R3 Прикуриватель 1355
R5 Свечи зажигания 1416 – 1419
R19 Резистор двигатель вентилятора радиатора 1649, 1680
S1 Выключатель зажигания 103 – 109
S2 Переключатель света 349 – 365
S3 Переключатель вентилятора отопителя 1778 – 1784
S4 Переключатель стеклоподъемника 811 – 813
S5.2 Переключатель ближнего света 316, 317
S5.3 Переключатель указателя поворотов 392, 393
S5.4 Переключатель габаритного света 337 – 339
S7 Переключатель фонаря заднего хода 1344
S 8 Выключатель стоп-сигнала 1241, 1273
S 9 Переключатель стеклоочистителя
S 9.1 Переключатель стеклоочистителя 1202 – 1205
S 9.5 Переключатель омывателя задней двери 1214 – 1216
S 10 Переключатель селектора АКП 602 – 811
S 11 Уровень тормозной жидкости 732
S 13 Ручной тормоз 731
S 14 Датчик давления масла 736
S 15 Выключатель подсветки багажника 1328
S 16 Выключатель подсветки салона 1303, 1304
S 17 Выключатель подсветки салона 1308,1309
S 20 Датчик давления 1161 – 1163, 1808, 1830, 1866
S 20.1 Выключатель низкого давление компрессора 1163, 1830, 1866
S 20.2 Выключатель высокого давление компрессора 1163, 1830, 1866
S 20.3 Выключатель высокого давление компрессора 1161, 1808
S 24 Выключатель вентилятора компрессора 1820 – 1827, 1856 – 1863
S 29 Выключатель температуры охлаждающей жидкости 1505,1543
S 30 Выключатель обогрева сидения 1886 – 1888
S 31 Выключатель подсветки салона 1312, 1313
S 32 Выключатель подсветки салона 1316, 1317
S 33 Выключатель системы ЕТС 1029, 1030
S 37 Переключатель стеклоподъемника 968 – 994
S 37.1 Переключатель стеклоподъемника 968 – 970
S 37.2 Переключатель стеклоподъемника 986 – 988
S 37.3 Переключатель стеклоподъемника 974 – 976
S 37.4 Переключатель стеклоподъемника 992 – 994
S 37.5 Переключатель безопасности 972, 973
S 37.7 Автоматическое управление стеклоподъемником 978 – 982
S 41 Противоугонный выключатель блокирования 907, 908
S 43 Переключатель круиз-контроля 1055 – 1058, 1446 – 1449
S 45 Муфта круиз-контроля 1052, 1452
S 52 Переключатель аварийной сигнализации 395 – 397
S 55 Выключатель обогрева сидения 1893 – 1895
S 57 Выключатель люка 1180 – 1183
S 59 Противотуманные фары трейлера 884 – 886
S 63 Переключатель дисплея 796, 797
S 63.1 Выключатель 796
S 63.2 Переключатель функций 797
S 64 Выключатель звукового сигнала 1072
S 65 Датчик давления охлаждающей жидкости 1613 – 1617, 1648 – 1652, 1679 – 1683
S 66 Термодатчик 1674 – 1676
S 67 Дистанционное управление радио 1060 -1066
S 68 Выключатель зеркала 820 – 825, 840 – 847
S 68.1 Регулировка зеркала 821 – 825, 841 – 845
S 68.2 Зеркало с электроподогревом 821 – 825, 841 – 845
S 68.4 Зеркало с электроподогревом 846
S 69 Переключатель обогрева воздуха 1476
S 70 Переключатель рециркуляции воздуха 1784
S 78 Переключатель стеклоподъемника 977 – 979
S 79 Переключатель стеклоподъемника 995 – 997
S 82 Выключатель уровня в бачке омывателя 791
S 84 Выключатель рычага селектора 648
S 85 Выключатель зажигания 646
S 86 Противоугонный выключатель 935 – 937
S 88 Термодатчик 1515, 1516, 1547, 1548, 1608, 1609, 1643, 1644
S 89 Выключатель ремня безопасности 1884, 1891
S 92 Замок чехла 931 – 933
S 93 Выключатель уровня охлаждающей жидкости 789
S 95 Выключатель уровня масла 787
S 101 Переключатель компрессора 1124 – 1126, 1829, 1830, 1865, 1866
S 102 Переключатель рециркуляция 1132 до 1134, 1788 – 1790, 1834 – 1836, 1870 – 1872
S 104 Механизм включения пониженной передачи 636
S 105 Переключатель АКП 640 – 642
S 106 Переключатель режима АКП 638
S 116 Переключатель стоп-сигнала 1244, 1245, 1276,1277
S120 Противоугонный переключатель капот 939
S 121 Температурный переключатель 1824, 1860
S 128 Температура охлаждающей жидкости 1603, 1604, 1636, 1637
S 131 Переключатель обогревателя 1827, 1863
U12 Нагреватель топливного фильтра 1462
U13 Блок клапанов автоматической трансмиссии 626 – 631
U13. 1 Электромагнитный клапан 627
U13. 2 Электромагнитный клапан 628
U13. 3 Электромагнитный клапан преобразователя 629
U13. 4 Электромагнитный клапан давление 630
U13.5 Нейтральный электромагнитный клапан 626
U15 Дисплейный блок 770 – 797
U16 Дисплейный блок 515 – 533
U17 Воздушный усилитель 1728, 1729
U18 Воздушный усилитель 1726 – 1725
U20 Контакт воздушной подушки безопасности 1073 – 1082
U21 Воздушная подушка безопасности 1080 – 1082
U21.1 Петарда воздушной подушки безопасности 1080 – 1082
U22 Воздушная подушка безопасности 1084 – 1086
U22.1 Петарда воздушной подушки безопасности 1084 – 1086
U24 Переключатель CD 1740 – 1749
U25 Таймер 370 – 397
U26 Натяжитель ремня безопасности 1095, 1096
U26.1 Петарда натяжителя ремня безопасности 1095, 1096
U27 Натяжитель ремня безопасности 1098, 1099
U27.1 Петарда натяжителя ремня безопасности 1098, 1099
U28 Электронный климат 1103 – 1140
U28.1 Датчик температуры салона 1129
U29 Передатчик 1753 – 1757
U30 Воздушная подушка безопасности 1087 – 1089
U30.1 Петарда воздушной подушки безопасности 1087 – 1089
U31 Воздушная подушка безопасности 1090 – 1092
U31.1 Петарда воздушной подушки безопасности 1090 – 1092
V8 Диод компрессора 1152, 1806, 1842
V21 Противоугонный диод 1071
Y1 Муфта компрессора кондиционера 1154,1809,1844
Y7 Топливные форсунки 222 – 233, 283 – 290, 426 – 433, 517 – 524
Y14 Электромагнитный клапан 1137, 1824,1860
Y18 EGR клапан 227 – 230, 419, 420, 476 – 479, 511 – 514, 1427
Y19 Электромагнитный клапан впускного коллектора 238, 417, 418
Y21 Магнит ключа зажигания 140 – 144, 201 – 208
Y23 Распределительный элемент 140 – 144, 201 – 208
Y28 Электромагнитный клапан регулирования 1425
Y29 Электромагнитный клапан регулирования давления 1423
Y32 Топливная форсунка 473, 577
Y33 Распределительный элемент 570 – 572
Y34 Клапан вентиляции топливного бака 236, 292, 421, 422, 479, 511
Y35 Воздушный клапан рециркуляции 1788, 1789, 1834, 1835, 1870, 1871
Y46 Электромагнитный клапан впускного коллектора 240
Y47 Магнит рычага селектора 648
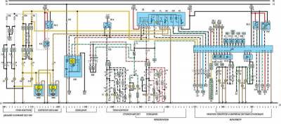
Схема электрооборудования Opel Vectra, трасса 100 – 200
Схема электрооборудования, трасса 200 — 300
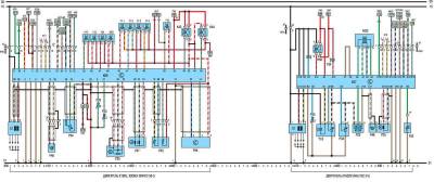
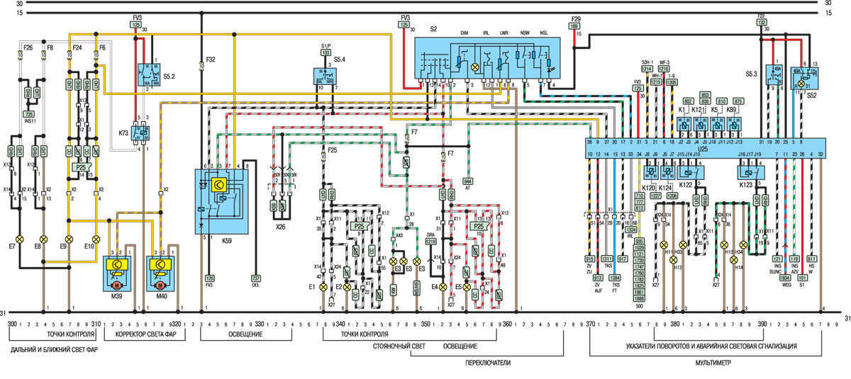
Трасса 300 — 400
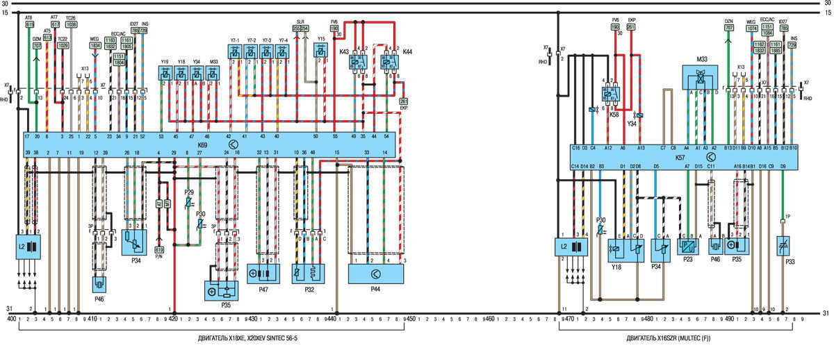
Трасса 400 — 500
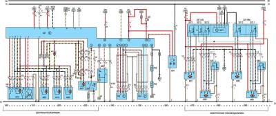
Трасса 500 — 600
Трасса 600 — 700
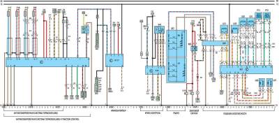
Трасса 700 — 800
Трасса 800 — 900
Трасса 900 — 1000
Трасса 1000 — 1100
Трасса 1100 — 1200
Трасса 1200 — 1300
Трасса 1300 — 1400
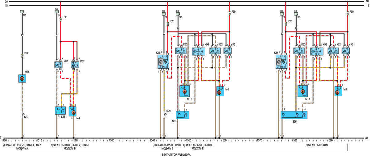
Трасса 1400 — 1500
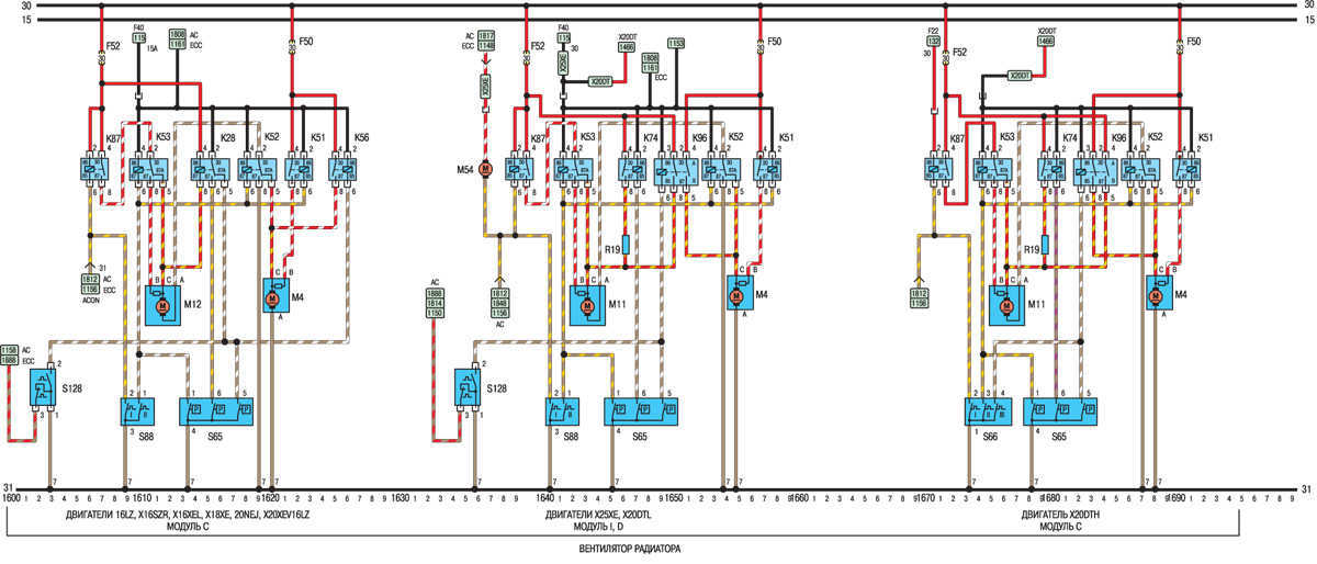
Трасса 1500 — 1600
Трасса 1600 — 1700
Трасса 1700 — 1800
Трасса 1800 — 1900


















