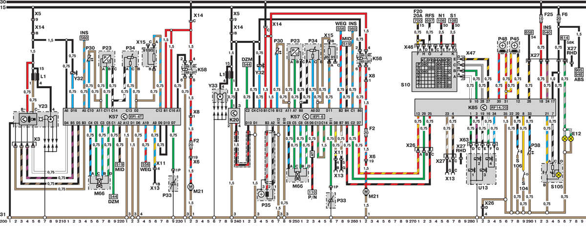
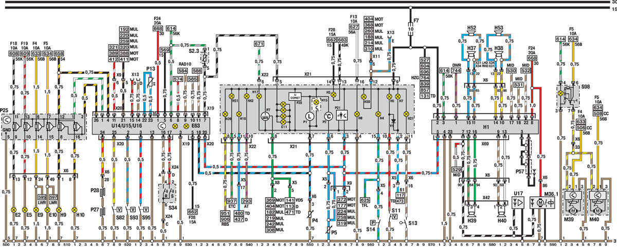
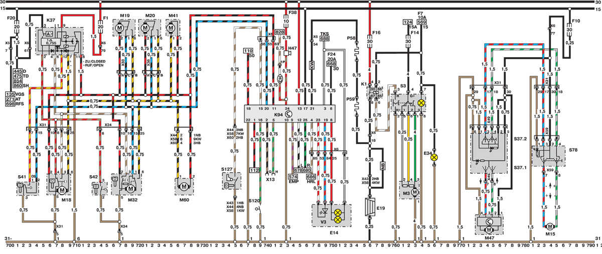
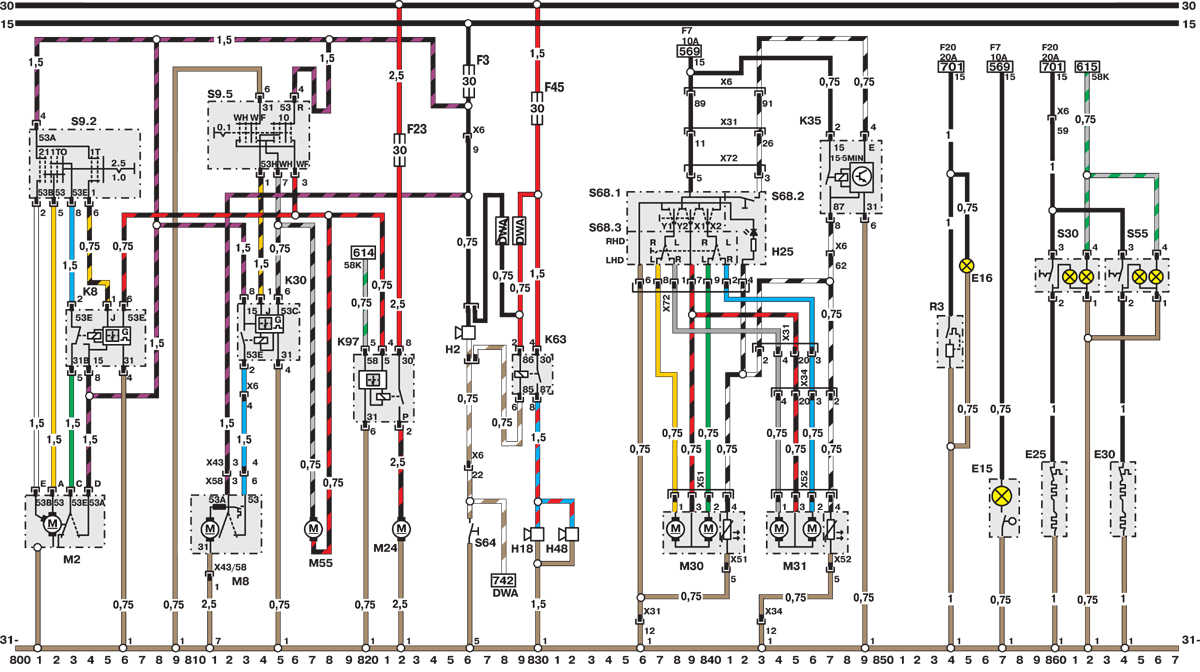
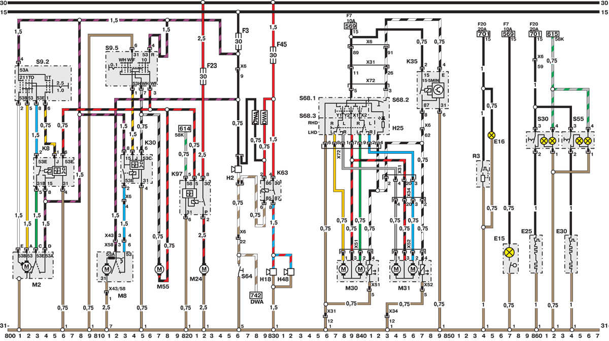
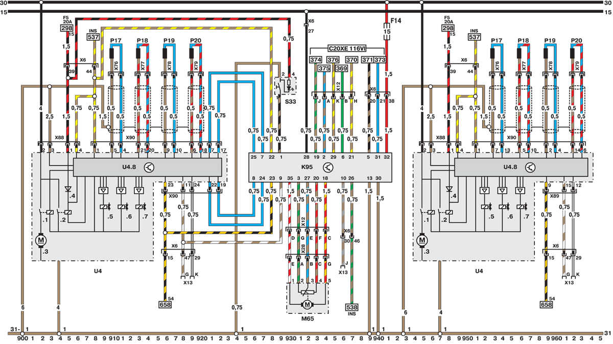
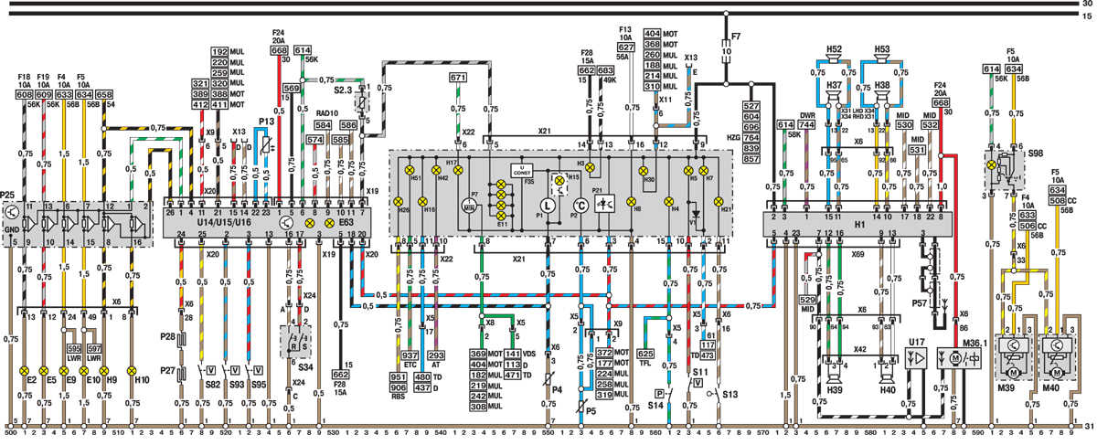
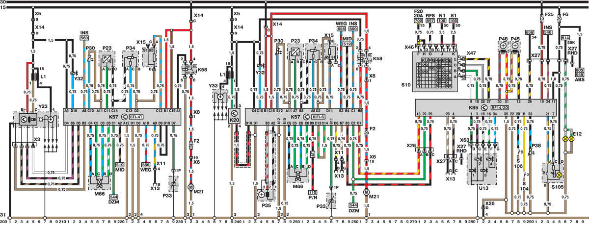
Ниже приведены схемы электрооборудования на Opel Astra A 1991-1998 г.в. Именно на Astra держится успех Opel, потому что более дорогие и выгодные для производителя модели — Vectra или Omega — расходятся далеко не такими огромными тиражами. Отчасти такой успех Astra можно объяснить наличием большого количества модификаций и версий: есть и спортивные хэтчбеки, и утилитарные дизельные универсалы, и «легкомысленные» кабриолеты, и представительные седаны. Универсал Сaravan, кстати, является одной из наиболее популярных версий, так как он составляет почти половину всего «тиража»! Причем это актуально для обоих поколений модели: в обоих случаях универсал получился наиболее удачным.
Описания к схемам электрооборудования на Опель Астра A
Е01 Левый подфарник 604
Е02 Левый габаритный огонь 501, 602
Е03 Лампочка освещения номерного знака 613 – 616
Е04 Правый подфарник 609
Е05 Правый габаритный огонь 503, 611
Е07 Левая фара дальнего света 629
Е08 Правая фара дальнего света 631
Е09 Левая фара ближнего света 505, 630
Е11 Правая фара ближнего света 507, 632
Е12 Освещения панели рычага автоматической коробки передач 296, 297
Е13 Лампочка освещения багажника 687
Е14 Лампочки освещения салона 689, 750, 752
Е15 Лампочка освещения бардачка 857
Е16 Лампочка освещения зажигалки 855
Е17 Левый фонарь заднего хода 698
Е18 Правый фонарь заднего хода 699
Е19 Обогреватель заднего стекла 756
Е20 Передний левый противотуманный фонарь 650
Е21 Передний правый противотуманный фонарь 651
Е24 Задний левый противотуманный фонарь 645
Е25 Обогреватель левого сидения 860
Е27 Левая лампочка для чтения карт 692
Е28 Правая лампочка для чтения карт 694
Е30 Обогреватель правого сидения 864
Е34 Освещения панели регулировки температуры в салоне 756
Е39 Задний правый противотуманный фонарь 646
F01 – F30 Предохранители в блоке предохранителей Различные
F14** Предохранитель вентилятора печки 762
F35 Стабилизатор напряжения 548
F36 Предохранитель нагревательного элемента топливного фильтра 450, 495
F38** Предохранитель рожка противоугонной сигнализации 743
F41 Предохранитель свечей предпускового подогрева 440, 487
F42 Предохранитель вентилятора охлаждения радиатора 120
F45 Предохранитель звукового сигнала 830
F46* Предохранитель вентилятора печки 762
F48* Предохранитель рожка противоугонной сигнализации 743
G01 Аккумулятор 100
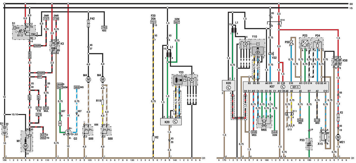
G02 Генератор 115
G06 Генератор (дизельного двигателя) 469 – 472
Н01 Радиоприемник/стереопроигрыватель 571 – 587
Н02 Рожок звукового сигнала (однотональный) 826
Н03 Сигнальная лампочка указателей поворотов 554
Н04 Сигнальная лампочка низкого давления масла 561
Н05 Сигнальная лампочка низкого уровня тормозной жидкости 563
Н06 Сигнальная лампочка аварийной сигнализации 674
Н07 Сигнальная лампочка генератора 565
Н08 Сигнальная лампочка включения фар дальнего света 558
Н09 Левый огонь стоп-сигнала 509, 659
Н10 Правый огонь стоп-сигнала 511, 660
Н11 Передний левый указатель поворотов 675
Н12 Задний левый указатель поворотов 676
Н13 Передний правый указатель поворотов 683
Н14 Задний правый указатель поворотов 684
Н15 Сигнальная лампочка низкого уровня топлива 551
Н16 Сигнальная лампочка свечей предпускового подогрева 539
Н17 Сигнальная лампочка указателей поворотов прицепа 542
Н18 Звуковой сигнал (многотональный) 830
Н19 Звуковой сигнал, предупреждающий о включении фар головного света 695, 696
Н21 Сигнальная лампочка постановки автомобиля на ручной тормоз 566
Н25 Сигнальная лампочка обогревателей зеркал заднего вида 842
Н26 Сигнальная лампочка АБС 537
Н30 Сигнальная лампочка двигателя 559
Н33 Левый боковой указатель поворотов 679
Н34 Правый боковой указатель поворотов 681
Н37 Передний левый динамик 576, 577
Н38 Передний правый динамик 581, 582
Н39 Задний левый динамик 576, 577
Н40 Задний правый динамик 581, 582
Н42 Сигнальная лампочка автоматической коробки передач 540
Н47 Рожок противоугонной сигнализации 743
Н48 Рожок (двухтональный) 832
Н51 Сигнальная лампочка электронного блока управления противобуксовочной системы 538
Н52 Передний левый высокочастотный динамик 576
Н53 Передний правый высокочастотный динамик 581
К01 Реле обогревателя заднего стекла 756, 757
К03 Реле, стартер 111, 112
К05 Реле передних противотуманных фар 651, 652
К08 Реле стеклоочистителей (лобового стекла) 803 – 806
К10 Прерыватель указателей поворотов 670 – 672
К20 Модуль зажигания/катушка зажигания 137 – 141, 170 – 172, 239, 240, 302, 303, 362 – 365
К25 Реле свечей предпускового подогрева 437 – 440
К30 Реле стеклоочистителя (заднего стекла) 813 – 815
К35 Реле обогревателя зеркал заднего вида 847 – 849
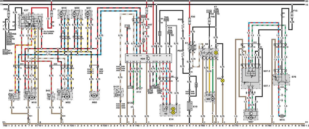
К37 Электронный блок управления центрального замка 705 – 711
К57 Электронный блок управления Multec (одноточечная система впрыска) 175 – 194, 211 – 230, 242 – 261
К58 Реле топливного насоса 196, 197, 231, 232, 261, 262, 332, 333
К59 Реле фар дневного света 619 – 625
К61 Электронный блок управления Motronic 367 – 397, 402 – 426
К63 Реле двухтонального звукового сигнала 829, 830
К68 Реле блока впрыска топлива 395 – 399, 428 – 432
К76 Электронный блок управления свечей предпускового подогрева 479 – 484
К77 Реле свечей предпускового подогрева 486, 487
К78 Резистивное реле 489, 490
К79 Реле указателя зарядки 472 – 474
К80 Реле обогревателя топливного фильтра (дизель) 449, 450, 494, 495
К82 Реле скорости работы двигателя 444, 445
К85 Электронный блок управления автоматической коробки передач 271 – 294
К89 Реле задних противотуманных фонарей 639 – 641
К91 Электронный блок управления Multec (многоточечная система впрыска) 305 – 332, 345
К94 Электронный блок управления противоугонной системы 737 – 750
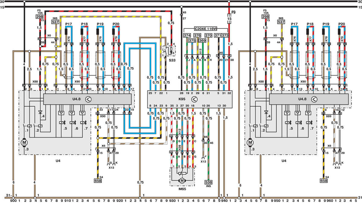
К95 Электронный блок управления противобуксовочной системы 926 – 941
К97 Реле задержки стеклоомывателей фар головного света 820 – 822
L01 Катушка зажигания 138, 172, 205, 239, 303, 362, 406
L02 Катушка зажигания (модуль распределения зажигания) 338 – 343
М01 Стартер 105, 106
М02 Двигатель стеклоочистителей лобового стекла 801 – 804
М03 Вентилятор печки 761 – 763
М04* Вентилятор охлаждения радиатора 120, 123
М04** Вентилятора охлаждения радиатора 120, 123, 127
М08 Двигатель стеклоочистителя заднего стекла 811 – 813
М15 Двигатель стеклоподъемника на передней правой двери 783, 785
М18 Привод центрального замка на левой передней двери 706 – 709
М19 Привод центрального замка на левой задней двери 717 – 719
М20 Привод центрального замка на правой задней двери 721 – 723
М21 Топливный насос 197, 232, 262, 333, 399, 429
М24 Насос омывателей фар головного света 822
М26 Двигатель подъемника антенны 587, 588
М26.1 Реле двигателя подъемника антенны 590
М30 Привод левого зеркала заднего вида 838 – 841
М31 Привод правого зеркала заднего вида 844 – 847
М32 Привод центрального замка на передней правой двери 717 – 720
М33 Привод системы холостого хода 377, 378, 414, 415
М39 Двигатель регулировки левой фары головного света 592 – 594
М40 Двигатель регулировки правой фары головного света 596 – 598
М41 Привод центрального замка на заслонке заливной горловины топливного бака 725, 726
М47 Двигатель стеклоподъемника на левой передней двери 773 – 776
М55 Насос омывателей лобового стекла/заднего стекла 817
М60 Привод центрального замка крышки багажника/задней двери 726, 728
М65 Привод дроссельной заслонки противобуксовочной системы 930 – 934
М66 Привод регулировки подачи воздуха 178 – 181, 215 – 218, 249 – 252, 314 – 317
Р01 Датчик уровня топлива на приборном щитке 550
Р02 Датчик температуры охлаждающей жидкости на приборном щитке 553
Р04 Датчик уровня топлива 550
Р05 Датчик температуры охлаждающей жидкости 553
Р07 Тахометр 543
Р12 Датчик температуры охлаждающей жидкости 371 – 373, 413
Р13 Датчик температуры окружающего воздуха 524
Р14 Датчик расстояния 478, 479
Р17 Колесный датчик переднего левого колеса 910, 953
Р18 Колесный датчик переднего правого колеса 913, 956
Р19 Колесный датчик левого заднего колеса 916, 959
Р20 Колесный датчик правого заднего колеса 919, 962
Р21 Датчик расстояния 556
Р23 Датчик давления во впускном коллекторе 188 – 190, 217 – 219, 249 – 251, 319 – 321
Р25 Датчик состояния лампочек 500 – 513
Р27 Датчик износа тормозных накладок переднего левого колеса 516
Р28 Датчик износа тормозных накладок переднего правого колеса 516
Р29 Датчик температуры во впускном коллекторе 315, 410
Р30 Датчик температуры охлаждающей жидкости 186, 215, 247, 317
Р32 Кислородный датчик (с подогревом) 392, 393, 426, 427
Р33 Кислородный датчик 190, 229, 256, 330
Р34 Потенциометр дроссельной заслонки 191 – 193, 221 – 223, 252 – 254, 323 – 325, 411, 412
Р35 Импульсный датчик коленчатого вала 244 – 246,
311 – 313,
381, 383,
421 – 423
Р38 Датчик температуры жидкости автоматической коробки передач 290
Р44 Датчик потока воздуха 394 – 398, 417 – 419
Р45 Датчик скорости работы двигателя 287, 288
Р46 Датчик детонационного сгорания топлива 385, 386
Р47 Датчик Холла 388, 389
Р48 Датчик расстояния 285, 286
Р55 Датчик температуры охлаждающей жидкости 482
Р57 Антенна 587
Р58 Датчик противоугонной системы на стекле левой задней двери 754
Р59 Датчик противоугонной системы на стекле правой задней двери 754
R02 Система подогрева карбюратора 135
R03 Зажигалка 854
R05 Свечи предпускового подогрева 438 – 440, 485 – 487
R19* Резистор вентилятора охлаждения радиатора 123
R19** Резистор вентилятора охлаждения радиатора 123, 127
R22 Резистор свечей предпускового подогрева 490
S01 Замок зажигания
S02 Выключатель фар
S02.1 Выключатель фар
S02.2 Выключатель лампочек освещения салона
S02.3 Переключатель яркости освещения приборного щитка 533
S03 Выключатель вентилятора печки/обогревателя заднего стекла 760 – 764
S05 Выключатель указателей поворотов
S05.2 Переключатель ближнего-дальнего света фар 630 – 631
S05.3 Выключатель указателей поворотов 682 – 684
S07 Выключатель фонарей заднего хода 698
S08 Выключатель огней стоп-сигнала 660
S09 Выключатель стеклоочистителей
S09.2 Переключатель режима работы стеклоочистителей (лобового стекла) 801 – 804
S09.5 Выключатель стеклоочистителя/омывателя заднего стекла 814 – 816
S010 Переключатель на автоматической коробке передач 271 – 277
S011 Выключатель сигнальной лампочки низкого уровня тормозной жидкости 563
S013 Выключатель сигнальной лампочки ручного тормоза 566
S014 Выключатель сигнальной лампочки низкого давления масла 561
S015 Выключатель лампочки освещения багажника 687
S017 Выключатель лампочек освещения салона на передней правой двери 694
S021 Выключатель передних противотуманных фонарей 652 – 654
S022 Выключатель задних противотуманных фонарей 645 – 647
S029** Выключатель сигнальной лампочки перегрева охлаждающей жидкости 120
S030 Выключатель обогревателя переднего левого сидения 860 – 862
S031 Выключатель лампочек освещения салона на левой задней двери 691
S032 Выключатель лампочек освещения салона на правой задней двери 692
S033 Выключатель противобуксовочной системы 929, 930
S034 Выключатель многофункционального дисплея 526, 527
S037 Выключатель стеклоподъемников (на двери водителя)
S037.1 Выключатель стеклоподъемника двери водителя 774, 775
S037.2 Выключатель стеклоподъемника двери пассажира 772 – 777
S041 Выключатель системы центрального замка на двери водителя 702 – 704
S042 Выключатель замка на двери пассажира 714
S047 Выключатель лампочек освещения салона на двери водителя 695, 696
S052 Выключатель аварийной сигнализации 672 – 676
S055 Выключатель обогревателя правого переднего сидения 864 – 866
S064 Выключатель звукового сигнала 826
S068
Выключатель привода зеркала заднего вида
S068.1 Регулятор положения зеркала заднего вида 836 – 840
S068.2 Выключатель обогревателей зеркал заднего вида 842
S068.3 Регулятор положения зеркала заднего вида по горизонтали 836 – 841
S078 Выключатель привода зеркала заднего вида (на двери пассажира) 782 – 785
S082 Выключатель сигнальной лампочки низкого уровня омывающей жидкости 518
S088* Выключатель сигнальной лампочки высокой температуры охлаждающей жидкости 119 – 124
S088** Выключатель сигнальной лампочки высокой температуры охлаждающей жидкости 123 – 128
S093 Выключатель сигнальной лампочки низкого уровня охлаждающей жидкости 520
S095 Выключатель сигнальной лампочки низкого уровня масла 522
S098 Выключатель привода фар головного света 591 – 593
S104 Выключатель понижения передачи автоматической коробки передач 289
S105 Выключатель «зимнего» режима работы автоматической коробки передач 293 – 295
S106
Переключатель «экономичного/спортивного» режима работы автоматической коробки передач 288
S107 Выключатель дроссельной заслонки 374 – 379
S120 Выключатель противоугонной сигнализации под капотом 739
S127 Выключатель замка крышки багажника/задней двери 735
U04 Гидравлический модулятор АБС
U04.1 Реле насоса 902, 903, 945, 946
U04.2 Реле электромагнитного клапана 904, 905, 947, 948
U04.3 Насос 902, 945
U04.4 Диод 905, 948
U04.5 Электромагнитный клапан, передний левый 909, 952
U04.6 Электромагнитный клапан, передний правый 911, 954
U04.7 Электромагнитный клапан, задняя ось 913, 956
U04.8 Электронный блок управления АБС 906 – 912, 949 – 963
U12 Обогреватель топливного фильтра 449, 450, 494, 495
U13 Блок клапанов автоматической коробки передач 280 – 283
U14 Дисплей часов 515 – 533
U15 Дисплей часов/радиоприемника 515 – 533
U16 Дисплей часов/радиоприемника/компьютера 515 – 533
U17 Усилитель антенны 584, 585
V01 Диод контрольного лампочки уровня тормозной жидкости 564
V03 Сигнальная лампочка/диод противоугонной сигнализации 749
Х01 Разъем подключения прицепа 606, 607, 657, 658
Х02-Х90 Разъемы подключения Различные
Y05 Клапан прекращения подачи топлива 443, 476
Y07 Инжекторы топлива 323 – 330, 380 – 387, 416 – 423
Y10 Распределитель (система зажигания высокого напряжения) 174 – 179
Y23 Распределитель (система зажигания высокого напряжения) 140 – 144, 201 – 208
Y30 Клапан дополнительной подачи топлива системы холодного старта 445
Y32 Топливный инжектор одноточечной системы впрыска 181, 212, 244
Y33 Распределитель (многоточечной системы впрыска) 303 – 305, 361 – 363, 401, 237
Y34 Клапан вентиляции топливного бака 391, 422
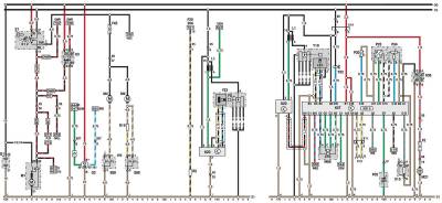
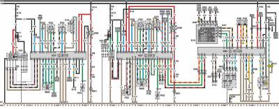
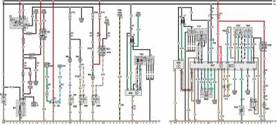
Схема электрооборудования на Opel Astra А – выпуска до февраля 1992 г.
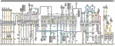
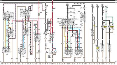
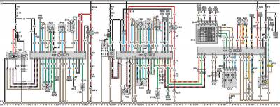
Модели выпуска с марта 1992 г.


















