Ниже приведены схемы электрооборудования на Opel Astra В 1998-2004 г.в. Полностью независимая подвеска передних колес состоит из стоек МакФерсона и поперечных нижних рычагов. Подвеска задних колес — полунезависимая с торсионной балкой и двумя продольными рычагами. Рулевое управление — реечное, с гидроусилителем, рулевой механизм расположен за двигателем. Электрогидравлический рулевой насос установлен непосредственно на рулевом механизме и не требует обслуживания. Резервуар гидравлической жидкости встроен в насосную сборку.
Схема электрооборудования на Опель Астра — общая информация
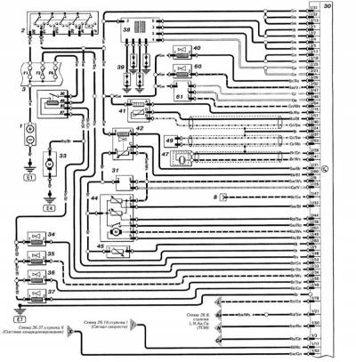
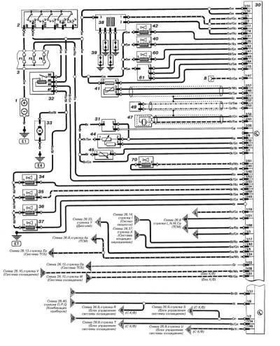
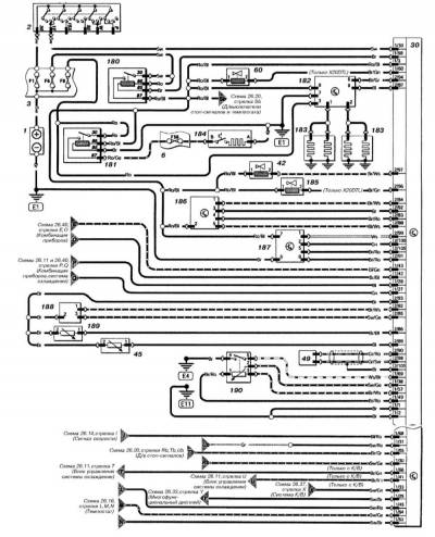
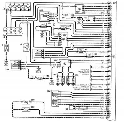
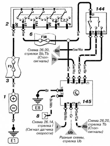
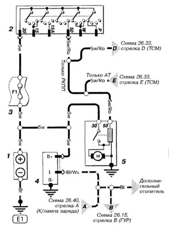
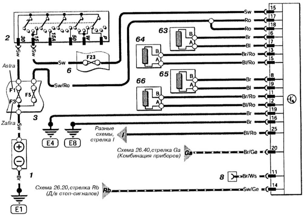
1 Аккумуляторная батарея
2 Выключатель зажигания
3 Предохранители двигателя
4 Генератор
5 Стартер
6 Главный монтажный блок предохранителей
7 Радиоприемник
8 Диагностический разъем DLC
9 Телефонный разъем
10 CD-проигрыватель
11 Антенна
12 Левый передний громкоговоритель
13 Левый передний ВЧ динамик
14 Правый передний ВЧ динамик
15 Правый передний громкоговоритель
16 Левый задний громкоговоритель
17 Левый задний ВЧ динамик
18 Правый задний ВЧ динамик
19 Правый задний громкоговоритель
20 Модуль управления SRS
21 Аварийный натяжитель ремня безопасности левого переднего сиденья
22 Аварийный натяжитель ремня безопасности правого переднего сиденья
23 Водительская фронтальная подушка безопасности
24 Спиральный контактный барабан
25 Пассажирская фронтальная подушка безопасности
26 Пассажирская боковая подушка безопасности
27 Водительская боковая подушка безопасности
28 Датчик направленных перегрузок пассажирской боковой подушки безопасности
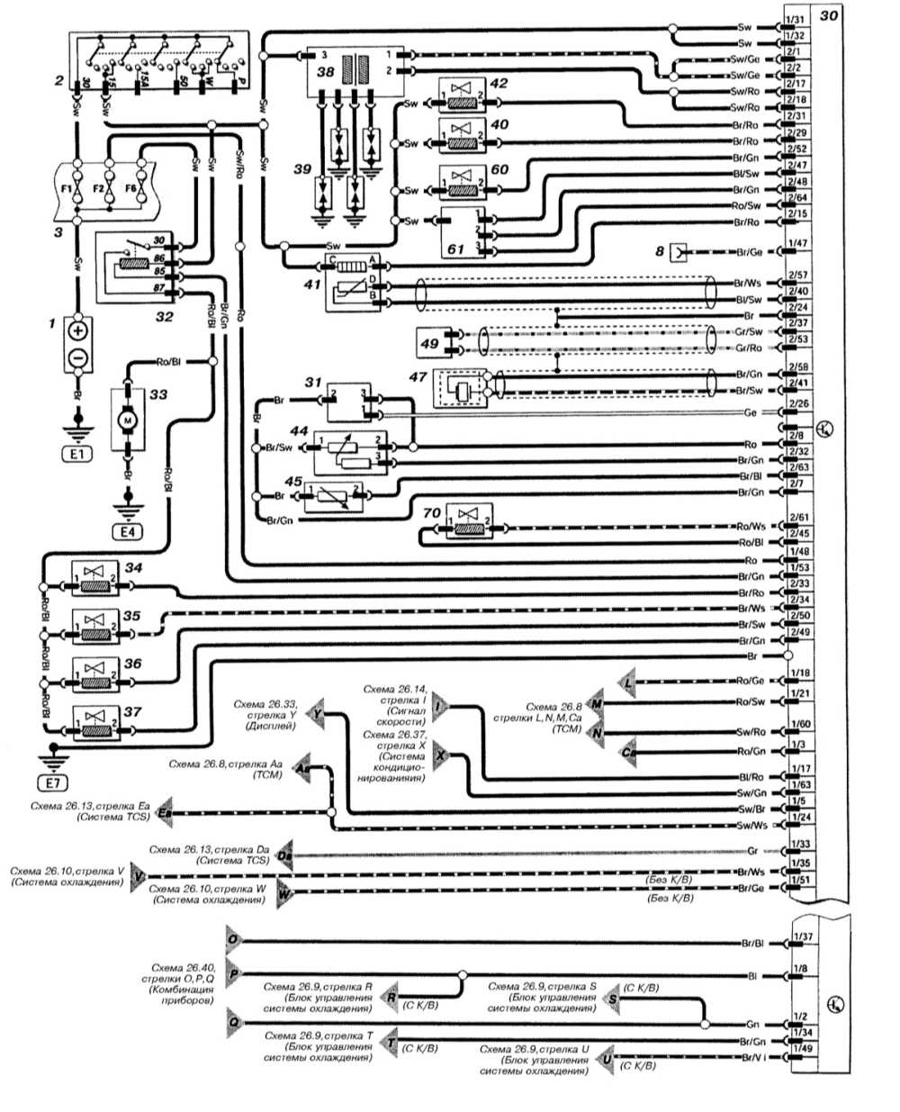
29 Датчик направленных перегрузок водительской боковой подушки безопасности
30 Модуль управления двигателем (ECM)
31 Датчик положения распределительного вала (CMP)
32 Реле топливного насоса
33 Топливный насос
34 Инжектор 1-го цилиндра
35 Инжектор 2-го цилиндра
36 Инжектор 3-го цилиндра
37 Инжектор 4-го цилиндра
38 Катушка зажигания
39 Свечи зажигания
40 Электромагнитный клапан продувки угольного адсорбера
41 Лямбда-зонд
42 Электромагнитный клапан EGR
43 Датчик абсолютного давления в трубопроводе (MAP)
44 Датчик положения дроссельной заслонки (TPS)
45 Датчик температуры охлаждающей жидкости (ECT)
46 Датчик температуры всасываемого воздуха (IAT)
47 Датчик детонации (KS)
48 Шаговый электромотор холостого хода
49 Датчик положения коленчатого вала (CKP)
50 Панель переключателей управления функционированием стеклоподъемников (водительская дверь)
51 Индивидуальный переключатель управления стеклоподъемником передней пассажирской двери
52 Индивидуальный переключатель управления стеклоподъемником левой задней двери
53 Индивидуальный переключатель управления стеклоподъемником правой задней двери
54 Электромотор привода стеклоподъемника водительской двери
55 Электромотор привода стеклоподъемника передней пассажирской двери
56 Электромотор привода стеклоподъемника левой задней двери
57 Электромотор привода стеклоподъемника правой задней двери
58 Инжектор
59 = 30 Модуль управления двигателем (ECM)
60 Клапан переключения впускного трубопровода
61 Датчик измерения массы воздуха (MAF)
62 Модуль управления ABS/TCS
63 Датчик оборотов левого переднего колеса
64 Датчик оборотов правого переднего колеса
65 Датчик оборотов левого заднего колеса
66 Датчик оборотов правого заднего колеса
67 Выключатель TCS
68 Модуль преобразования сигналов
69 Датчик скорости движения автомобиля (VSS)
70 Клапан регулировки оборотов холостого хода
71 Реле электромотора привода насоса подачи жидкости омывания фар
72 Насос подачи жидкости омывания фар
73 Переключатель управления функционированием очистителей/омывателей
74 Насос подачи жидкости омывания ветрового стекла
75 Реле электромотора привода очистителей ветрового стекла
76 Электромотор привода очистителей ветрового стекла
77 Реле электромотора насоса подачи жидкости омывания заднего стекла
78 Электромотор насоса подачи жидкости омывания заднего стекла [привода очистителя]
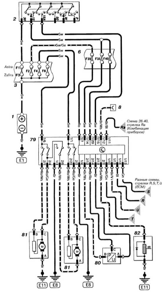
79 Блок управления охлаждением двигателя
80 Датчик давления К/В
81 Электромотор привода вентилятора системы охлаждения
82 Муфта сцепления компрессора К/В
83 Реле электромотора привода вентилятора системы охлаждения
84 Трехфункциональный дисплей
85 Датчик температуры наружного воздуха
86 Выключатель дальнего света фар
87 Реле дальнего света фар
88 Переключатель управления функционированием осветительных приборов
89 Сервопривод корректировки положения левой блок-фары
90 Сервопривод корректировки положения правой блок-фары
91 Левая передняя блок-фара
Указатель поворота
Дальний свет
Ближний свет
Габаритный огонь
Противотуманное освещение
92 Правая передняя блок-фара (см. 91)
93 Гнездо электропитания фаркопа
94 Реле передних противотуманных фар
95 Реле задних туманных фонарей
96 Левый задний комбинированный фонарь
Указатель поворота
Стоп-сигнал
Освещение прицепа
Огонь заднего хода
Туманный свет
97 Правый задний комбинированный фонарь (см. 96)
98 Выключатель гнезда электропитания фаркопа
99 Реле указателей левого поворота
100 Реле указателей правого поворота
101 Боковой повторитель указателей левого поворота
102 Боковой повторитель указателей правого поворота
103 Датчик-выключатель огней заднего хода
104 Одиночный фонарь подсветки номерного знака
105 Левый фонарь подсветки номерного знака
106 Правый фонарь подсветки номерного знака
107 Датчик-выключатель педали сцепления (темпостат)
108 Датчик-выключатель стоп-сигналов (с темпостатом)
109 Датчик-выключатель стоп-сигналов (без темпостата)
110 Стоп-сигнал верхнего уровня
111 Реле обогрева заднего стекла
112 Нагревательный элемент обогрева заднего стекла
113 Датчик-выключатель водительской двери
114 Датчик-выключатель передней пассажирской двери
115 Датчик-выключатель левой задней двери
116 Датчик-выключатель правой задней двери
117 Освещение салона с таймером задержки
118 Левый задний индивидуальный светильник
119 Правый задний индивидуальный светильник
120 Освещение багажного отделения
121 Датчик-выключатель двери задка/крышки багажного отделения
122 Прикуриватель
123 Мультитаймер
124 Выключатель аварийной сигнализации
125 Переключатель указателей поворотов
126 Кнопка клаксона
127 Реле клаксона
128 Рожки клаксона
129 Выключатель подсветки вещевого ящика
130 Модуль единого замка
131 Электромотор активатора замка водительской двери
132 Электромотор активатора замка передней пассажирской двери
133 Электромотор активатора замка левой задней двери
134 Электромотор активатора замка правой задней двери
135 Электромотор активатора замка двери задка
136 Электромотор привода замка крышки лючка заливной горловины топливного бака
137 Электромотор привода верхнего люка
138 Переключатель управления функционированием электропривода верхнего люка
139 Электромотор рулевого сервопривода
140 Реле обогрева дверных зеркал заднего вида
141 Переключатель управления функционированием электропривода дверных зеркал
142 Зеркало заднего вида водительской двери
143 Зеркало заднего вида пассажирской двери
144 Выключатель темпостата
145 Модуль управления темпостата
146 Модуль управления функционированием отопителя
147 Электромотор привода заслонки выбора режима циркуляции
148 Балластный резистор электромотора вентилятора отопителя
149 Электромотор привода вентилятора отопителя
150 Модуль управления К/В
151 Актюатор охлаждающей жидкости
151 Защитный выключатель антифриза
153 Селектор АТ
154 Модуль управления АТ (TCM)
155 Дисплей селектора
156 Датчик-выключатель разрешения запуска
157 Запорный электромагнит ключа зажигания
158 Выключатель запорного электромагнита ключа зажигания
159 Кнопка режима АТ
160 Выключатель электромагнита рычага селектора
161 Датчик-выключатель активации режима kickdown
162 Электромагнитный клапан управления режимом «N»
163 Блок электромагнитов АТ [Клапанная сборка АТ
164 Входной датчик АТ
165 Выходной датчик АТ
166 Датчик температуры ATF
167 Многофункциональный дисплей
168 Датчик износа колодок тормозного механизма левого переднего колеса
169 Датчик износа колодок тормозного механизма правого переднего колеса
170 Датчик-выключатель уровня омывающей жидкости
171 Датчик-выключатель уровня антифриза
172 Датчик-выключатель уровня двигательного масла
173 Выключатель дисплея
174 Панель приборов (бензиновый двигатель)
Контрольные лампы и измерители:
Контрольная лампа заряда аккумуляторной батареи
Контрольная лампа давления масла
Контрольная лампа SRS
Контрольная лампа ABS
Контрольная лампа отказов (MIL)
Индикатор режимов АТ
Контрольная лампа антипробуксовочной системы (TCS)
Контрольная лампа АТ
Контрольная лампа К/В
Контрольная лампа тормозной системы
Индикатор указателей поворотов
Измеритель температуры охлаждающей жидкости
Световой индикатор запаса топлива
Указатель расхода топлива
Тахометр
Спидометр
Световой индикатор перегрева двигателя
Подсветка приборов
Контрольная лампа задних туманных фонарей
* Контрольная лампа дальнего света
Контрольная лампа дальнего света (тахометр)
* Контрольная лампа противотуманных фар
Контрольная лампа противотуманных фар (тахометр)
Контрольная лампа правого поворота
Контрольная лампа левого поворота
175 Панель приборов (дизельный двигатель)
Контрольные лампы и измерители:
Контрольная лампа заряда аккумуляторной батареи
Контрольная лампа давления масла
Контрольная лампа SRS
Контрольная лампа ABS
Контрольная лампа преднакала (дизельные модели)
Контрольная лампа отказов (MIL)
Измеритель температуры охлаждающей жидкости
Контрольная лампа тормозной системы
Индикатор указателей поворотов
Измеритель температуры охлаждающей жидкости
Световой индикатор запаса топлива
Указатель расхода топлива
Тахометр
Спидометр
Световой индикатор перегрева двигателя
Подсветка приборов
Контрольная лампа задних туманных фонарей
* Контрольная лампа дальнего света
Контрольная лампа дальнего света (тахометр)
* Контрольная лампа противотуманных фар
Контрольная лампа противотуманных фар (тахометр)
Контрольная лампа левого поворота
Контрольная лампа правого поворота
176 Датчик-выключатель аварийного давления масла
177 Датчик-выключатель аварийного уровня тормозной жидкости
178 Контактный датчик-выключатель стояночного тормоза
179 Датчик уровня топлива
180 Реле ECM
181 Реле подогрева фильтра
182 Блок управления свечами накаливания
183 Свеча накаливания
184 Нагревательный элемент подогрева фильтра
185 Электромагнитный клапан регулятора давления наддува
186 Измеритель массы воздуха (MAF)
187 Модуль управления ТНВД
188 Датчик давления наддува
189 Датчик температуры двигательного масла
190 Потенциометр дроссельной заслонки
191 Электромагнитный клапан
192 ТНВД
193 Реле электромагнитного клапана
194 Датчик начала впрыска
195 Датчик положения вала ТНВД
196 Датчик температуры топлива
197 Датчик атмосферного давления (BARO)
198 Балластный резистор электромотора вентилятора системы охлаждения
199 Дополнительный отопитель (дизельные модели)
200 Реле указателей поворотов
201 Выключатель дополнительного отопителя (дизельные модели)
202 Электромагнит рычага селектора
203 Задний индивидуальный светильник
Схема системы управления двигателем Х16SZR, Х18XE-1, Х20ХЕV, Х17DTL и Х20DTL, Y17DT, Y20DTH
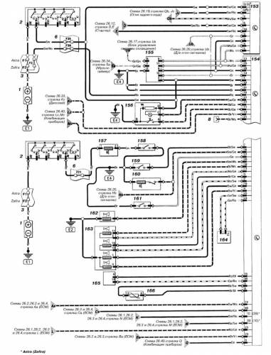
Автоматическая трансмиссия — электросхема
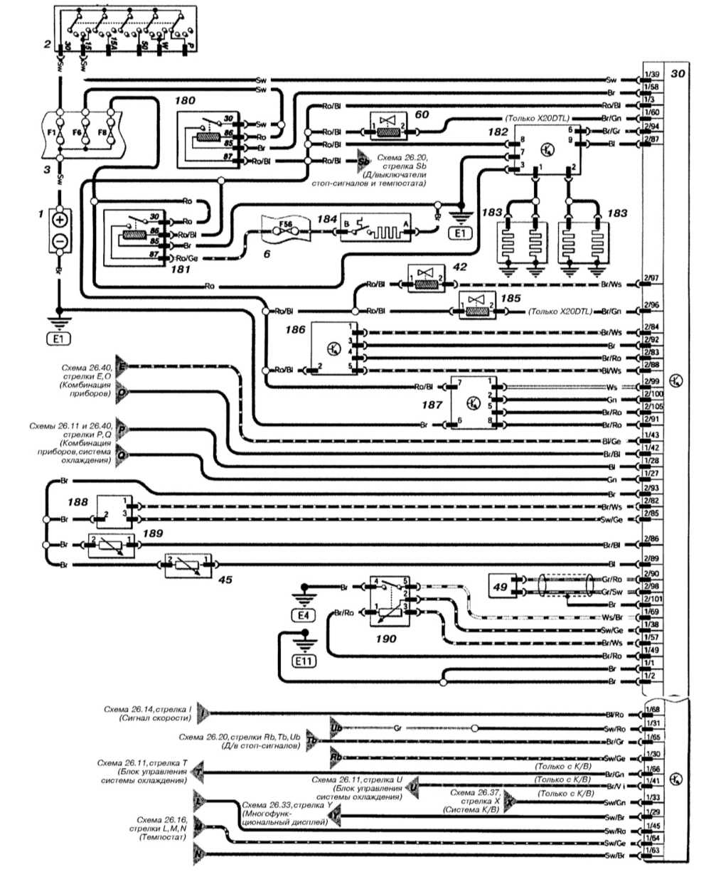
Эл.схема системы охлаждения с К/В (Astra и Zafira бензин)
Схема системы охлаждения без К/В (Astra и Zafira бензин)
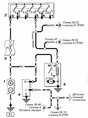
Схема электрооборудования системы запуска и заряда (Astra дизель)
Электросхема системы запуска и заряда (кроме Astra дизель)
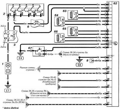
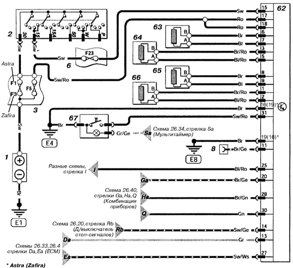
ABS и антипробуксовочная система (TCS) (Astra и Zafira бензин) — схема
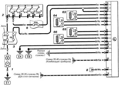
ABS и антипробуксовочная система (TCS) (Astra и Zafira дизель) — эл.схема
Датчик скорости (VSS) без ABS (Astra бензин) и (кроме Astra бензин) — электросхема
Датчик скорости (VSS) с ABS (Astra дизель) — схема
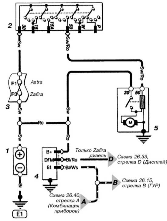
Схема системы гидроусиления руля на Opel Astra
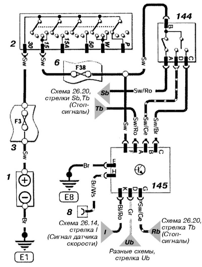
Темпостат — Astra бензин и дизель




















