Ищите назначение и расположение реле и предохранителей на Opel Senator с 1983 г.в.? Тогда вы на правильном пути… Недешев в обслуживании, но все или почти все можно подобрать с опелей и американо-немецкого автопрома или от автомобилей принадлежащих концерну GM ну и кое что вообще с тазика или даже с москвича, немного замороченная проводка. Надежный, мощный, просторный, хорошо и комфортно управляемый, не чувствуется даже большая скорость, по дороге "идет, как корабль". В целом авто нормальное, на 4,5 баллов!
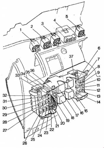
Обозначение на схеме реле и предохранителей
Предохранители и реле с февраля 1983 г.
1 — реле бортового компьютера,
2 — реле стояночного света (подфарника) (регулируемое рулевое управление),
3 — реле сигнала (регулируемое рулевое управление),
4 — реле центрального замка дверей,
5 — реле регулировки скорости,
6 — сдвижная крышка,
7 — тепловое реле защиты центрального замка дверей,
8 — тепловое реле защиты электрических стекло-подъемников и обогрева сидений,
9 — дополнительные фары,
10 — дальний свет справа,
11 — дальний свет слева,
12 — противотуманные фары, трансформатор напряжения для дневного света,
13 — ближний свет справа, задняя противотуманная фара,
14 — ближний сеет слева,-
15 — реле противотуманной фары, предохранитель №18,
16 — реле фары дальнего света, предохранитель №15,
17 — реле-прерыватель указателей поворотов,
18 — реле обогреваемого заднего стерла, предохранитель №11,
19 — участок резервных предохранителей,
20 — не занято,
21 — центральный замок дверей,
22 — электрический стеклоподъемник,
23 — радио, автоматическая антенная, предохранитель №4,
24 — автоприцеп клемма 30 (розетка автоприцепа "2/54g"),
25 — вентилятор отопления, подогрев автоматики запуска" карбюратора, приборы, регулировка клиренса, повышение числа, оборотов, вентилятор охлаждения, кондиционер,
26 — тормозной сигнал, сигнал поворота, муфта преобразователя автоматической коробки передач, регулятор скорости,
27 — прикуриватель, освещение бардачка, фары заднего хода, реле противотуманных фар, деблокировка багажника, освещение часов, прикуриватель и выключатель света, электрическое управление зеркала и обогрев, бортовой компьютер, центральный замок дверей,
28 — передний и задний стеклоочистители, замедляющее реле водяного насоса, сигнальный рожок, фанфары, реле вентилятора охлаждения, реле сигнала и реле стояночного света, регулируемый руль,
29 — система аварийной сигнализации, фонарь багажника, фонарь салона, радио, антенна,
30 — подфарник и габаритный свет справа,
31 — подфарник и габаритный свет слева,
32 — фонарь номерного знака, фонарь моторного отсека, лампы приборов, предупредительный зуммер, освещение обогреваемых стекол, Заднего стеклоочистителя, противотуманных фар и задней противотуманной фары, вентилятора обогрева, выключателя обогрева сидений; реле системы очистки фар, таксометр, фонарь "ТАХI",
33 — освещение радио, освещение выключателя обогрева сидений, предохранитель №3,
34 — деблокировка багажника, электроника радио Indianapolis, Choke ручное управление запуском, электрическое управление и обогрев зеркал, предохранитель №6,
35 — обогреваемое стекло,
36 — система впрыска,
37 — сдвижной люк, предохранитель №12.

