Простые схемы электрооборудования на Peugeot 307, начиная с 2000 г. и выше. Peugeot 307 комплектуется одним из пяти двигателей: трех бензиновых с рабочими объемами 1,4; 1,6/ 110 л.с., 2,0/ 138 л.с. и двух дизельных с технологией впрыска Common Rail объемом 2,0 л (EW 10 J4 и DW 10 TD) мощностью 90 л.с. и 110 л.с. Кроме механической 5-ступенчатой КПП, на автомобили с бензиновыми двигателями 1.6 л и 2.0 л возможна установка адаптивной автоматической КПП с системой Tiptronic. В ней совмещаются преимущества механической и автоматической трансмиссий. Передняя подвеска типа MacPherson, задняя — многорычажная со скручивающейся поперечиной.
Кодовое обозначение элементов на электросхемах
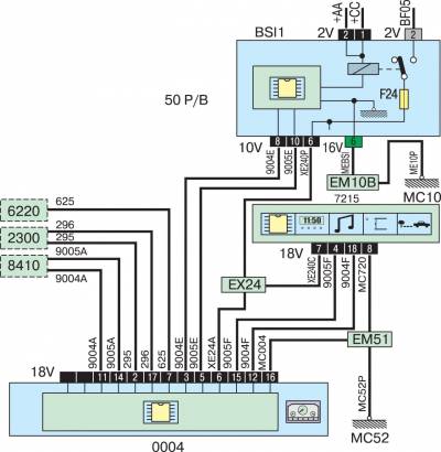
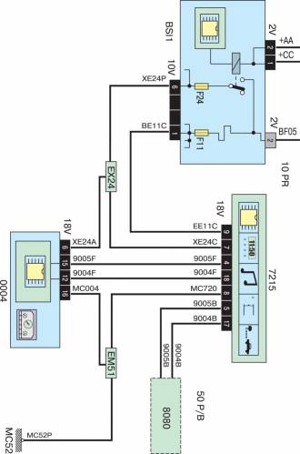
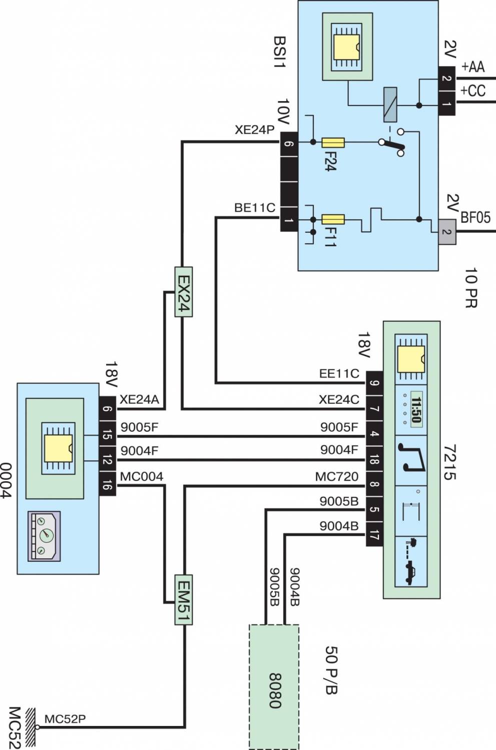
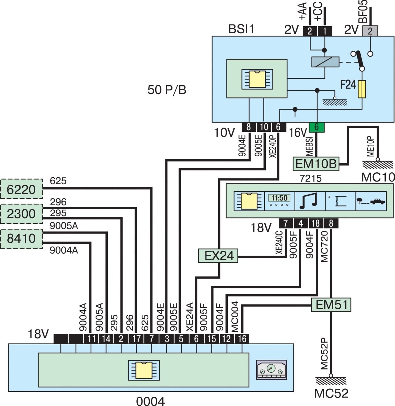
0004 — комбинация приборов
1005 — реле автоматической коробки передач для блокировки стартера
1010 — стартер
1020 — генератор
1211 — топливный насос, датчик уровня топлива
1215 — электрический клапан системы улавливания паров топлива
1500 — реле вентилятора радиатора
1506 — двухскоростной вентилятор радиатора
1508 — реле питания малой скорости электродвигателя вентилятора
1509 — реле питания большой скорости электродвигателя вентилятора
1510 — вентилятор радиатора
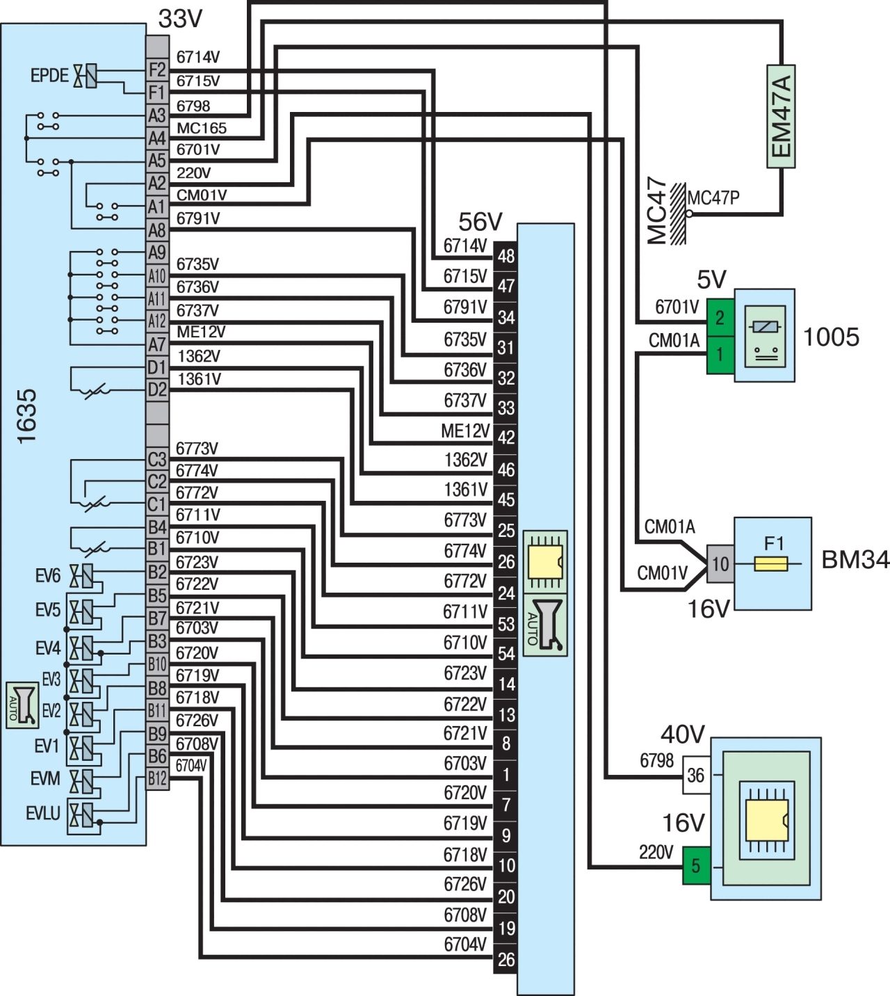
1630 — блок управления автоматической коробки передач
1635 — электрогидравлический блок автоматической коробки передач
1640 — селектор программ работы автоматической коробки передач
2100 — выключатель сигнала торможения
2110 — дополнительный сигнал торможения
2300 — выключатель аварийной световой сигнализации
2521 — низкочастотный звуковой сигнал
2522 — высокочастотный звуковой сигнал
2610 — левая фара
2615 — правая фара
2630 — задний левый фонарь
2633 — левый фонарь освещения номерного знака
2635 — задний правый фонарь
2636 — правый фонарь освещения номерного знака
3060 — лампа подсветки туалетного зеркала со стороны водителя
3061 — лампа подсветки туалетного зеркала со стороны переднего пассажира
4010 — датчик уровня охлаждающей жидкости
5015 — электродвигатель очистителя ветрового стекла
5115 — насос омывателя ветрового и заднего стекол
5215 — электродвигатель очистителя заднего стекла
5405 — насос омывателя фар
6031 — стеклоподъемник двери переднего пассажира
6032 — стеклоподъемник двери водителя
6202 — замок в двери водителя
6207 — замок в двери переднего пассажира
6220 — концевой выключатель блокировки дверей
6565 — подушка безопасности водителя
6600 — корректор света фар
6670 — блок подушек безопасности и пиротехнических натяжителей
6811 — электродвигатель привода подъемно-сдвижной панели крыши
7020 — блок управления ABS
7215 — многофункциональный дисплей
7306 — выключатель цепи регулирования скорости
7800 — блок управления ESP
8080 — блок управления кондиционером
8410 — автомагнитола
8602 — блок охранной сигнализации
BM34 — коммутационный блок двигателя с 34 электрическими предохранителями
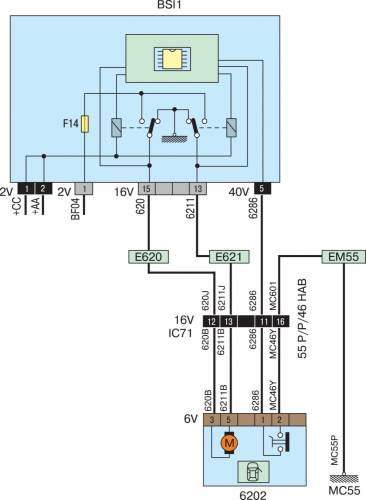
BSI1 — электронный коммутационный блок
BB00 — аккумуляторная батарея
CA00 — замок зажигания
CV00 — подрулевой переключатель COM 2000
Схемы электрооборудования на Peugeot 307




















