Схемы электрооборудования на Renault Megane 2 2003+ г.в., для всех сервисов и просто автолюбителей. Универсал Renault Megane, как и новый седан, построен на удлиненной на шесть сантиметров платформе. Общая длина Renault Megane универсала почти на 23 сантиметра превышает длину 3- и 5-дверного хэтчбека, что позволило разработчикам не только разместить с комфортом пятерых пассажиров, но и оставить место для вместительного багажного отсека, объем которого составляет 485 литров. При сложенных задних сиденьях Renault Megane, размер багажника может достигать 1 510 литров.
Базовое отопление — схема
Схема генератора и стартера
Климатическая установка с автоматическим управлением — эл.схема
Дополнительный обогреватель в салоне — электросхема
Электросхема обогревателя заднего стекла на Рено Меган 2
Эл.схема подогрева сидений
Схема электрооборудования — прикуриватель на Renault Megane 2
Звуковой сигнал — схема
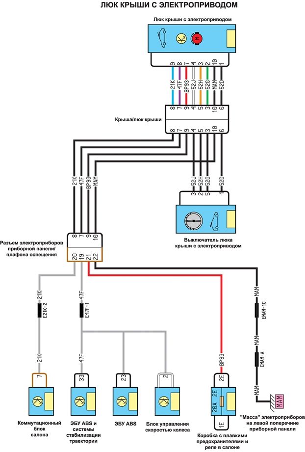
Люк крыши с электроприводом — эл.схема









