В данной статье, мы предоставили все возможные схемы электрооборудования на Renault 19 1989-1996 г.в. Дизайн Renault 19 был разработан фирмой «Рено дизайн” («Renault Design”) в тесном сотрудничестве с известным итальянским дизайнером Джорджио Джиуджаро. Одной из основных задач, поставленных перед дизайнерами и инженерами, было создать автомобиль с наилучшей аэродинамикой. Планировался выпуск, прежде всего, спортивной версии модели с тем, чтобы впоследствии использовать особенности подвески, тормозов и аэродинамики кузова для серийных моделей.
Обозначения на схемах
101 Прикуриватель
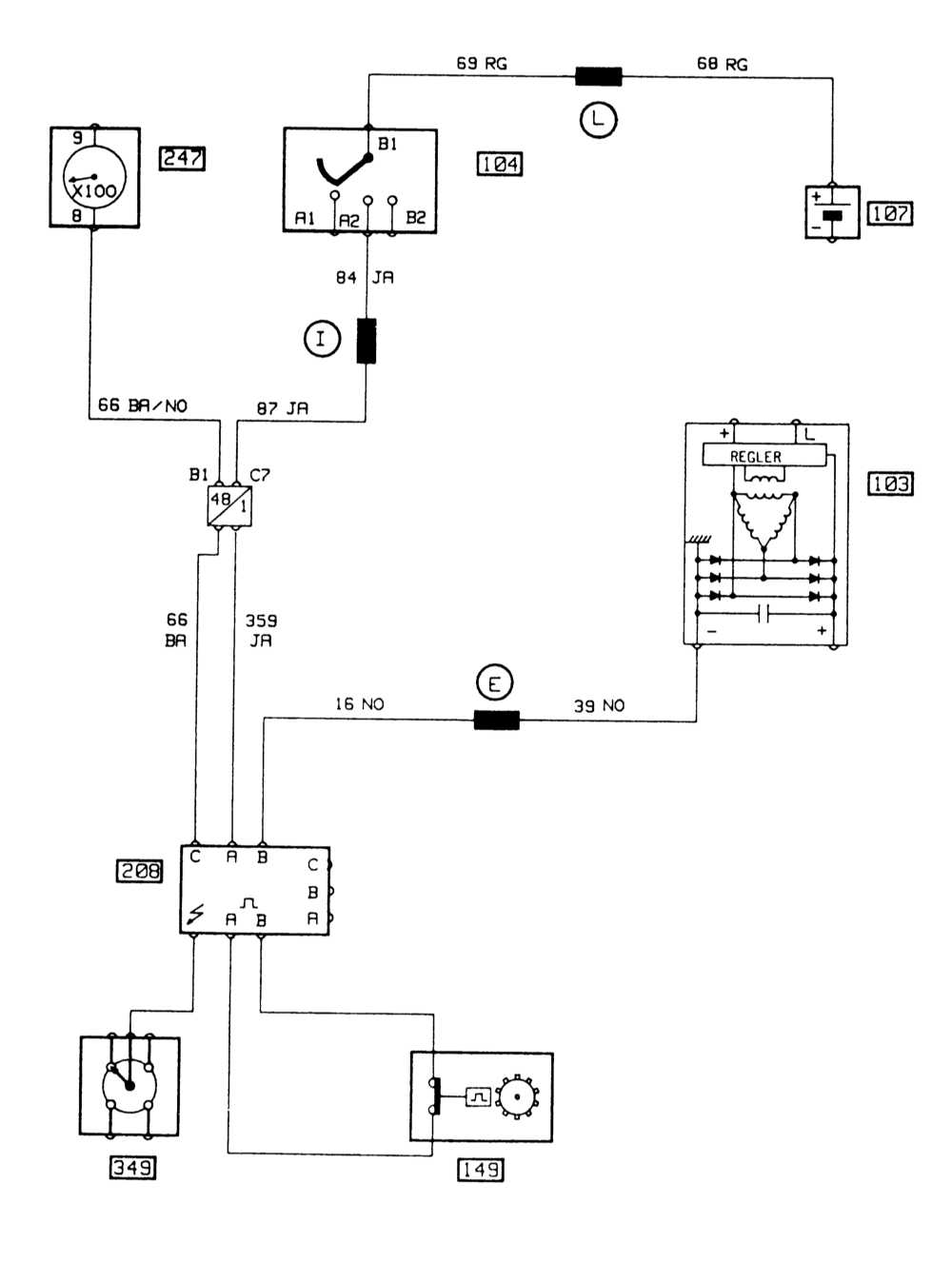
103 Генератор
104 Замок зажигания
107 Аккумулятор
108 Катушка зажигания
109 Бортовой компьютер
111 Транзисторный модуль устройства зажигания
113 Прерыватель работы переднего очистителя
117 Предупредительный сигнал «Включен свет»
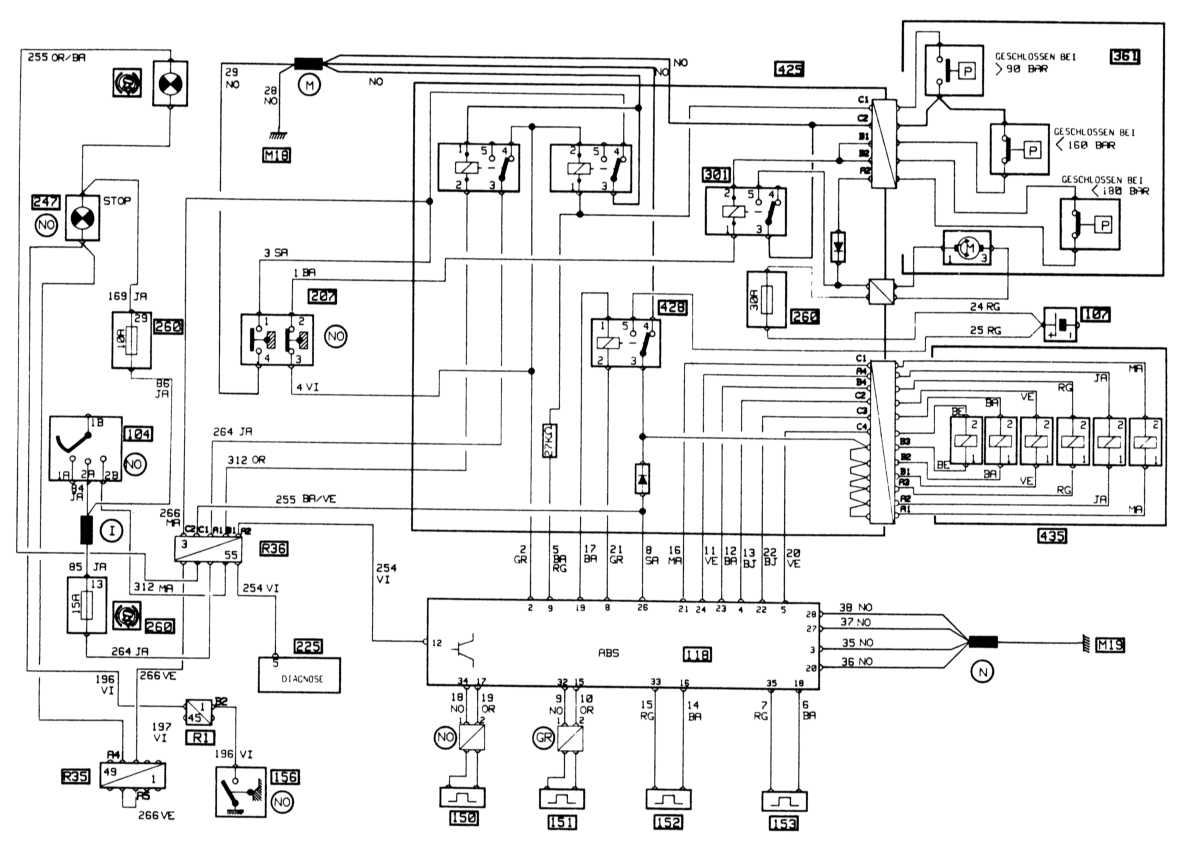
118 Электронное управление ABS
119 Электронное управление автоматической коробкой передач
120 Электронное управление впрыска
121 Переключатель задних противотуманных фар
122 Переключатель передних противотуманных фар
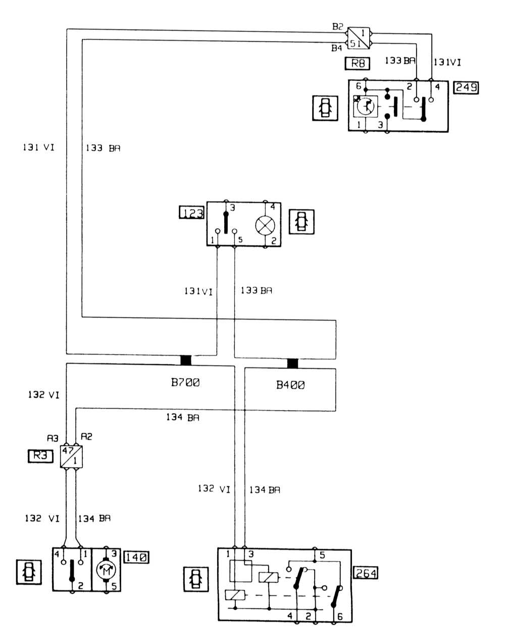
123 Переключатель электронной блокировки дверей
125 Переключатель аварийных огней
126 Переключатель холодного воздуха
127 Переключатель омывателя заднего стекла
128 Переключатель нагрева заднего стекла
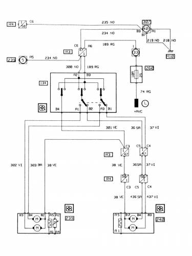
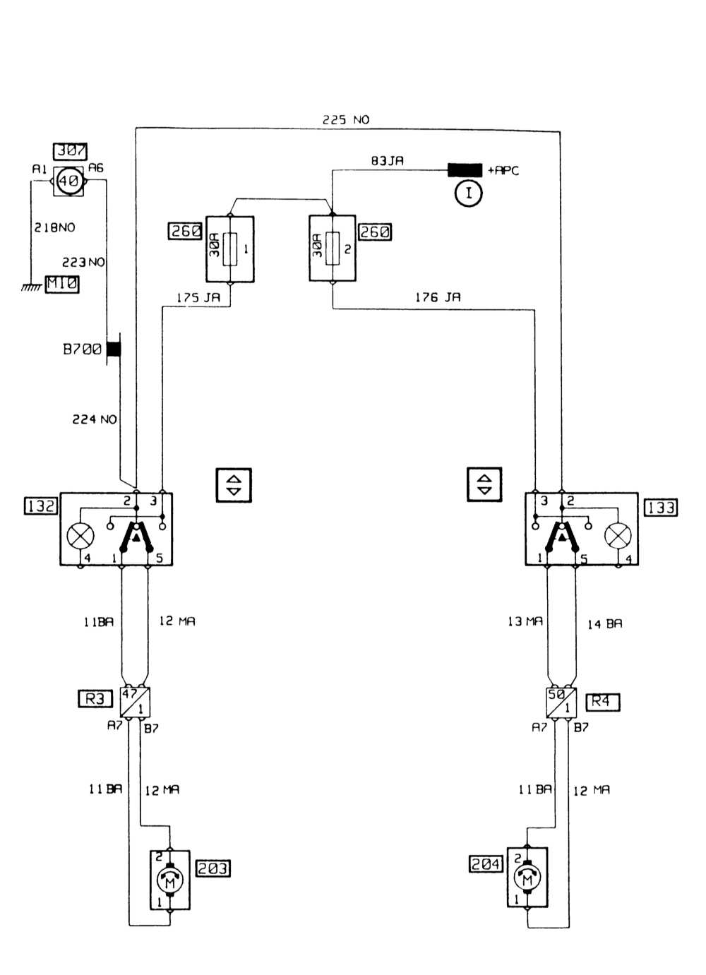
132 Переключатель левого стеклоподъемника
133 Переключатель правого стеклоподъемника
134 Переключатель электрической регулировки наружного зеркала
137 Реле указателя поворотов
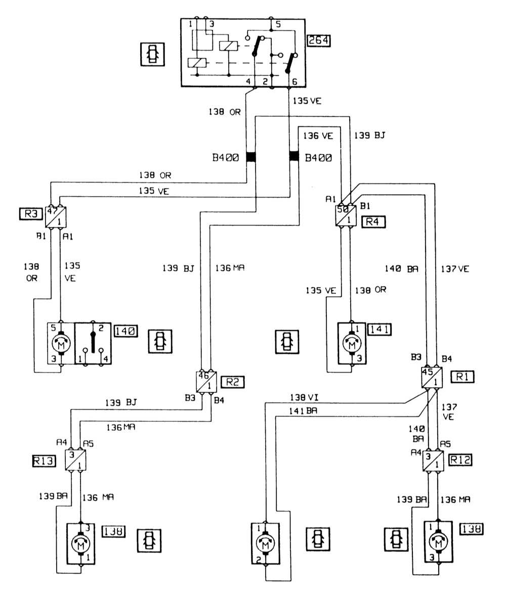
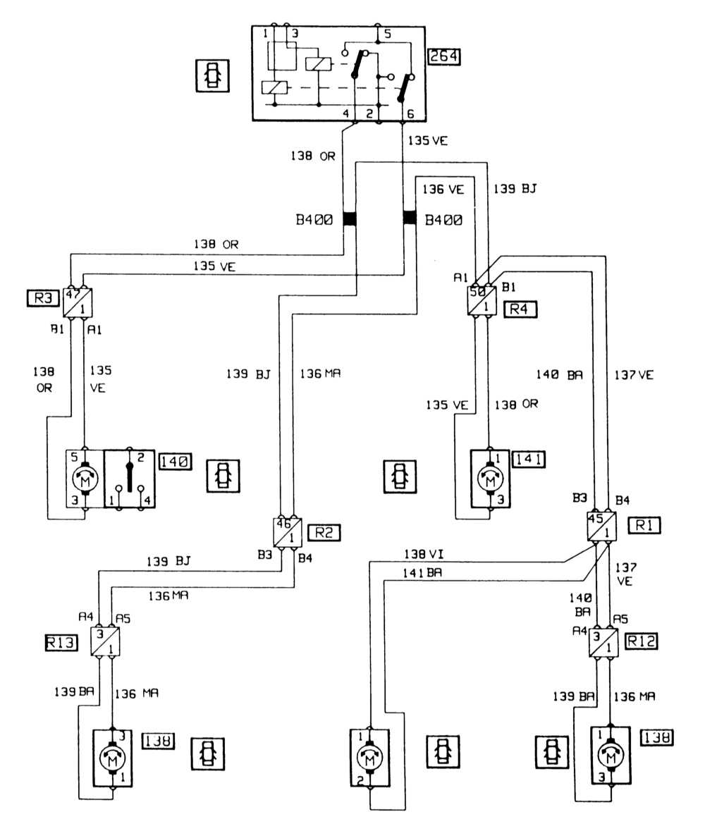
138 Электродвигатель блокировки задней правой двери
139 Электродвигатель блокировки задней левой двери
140 Электродвигатель блокировки двери водителя
141 Электродвигатель блокировки двери переднего пассажира
142 Электродвигатель блокировки крышки багажника
145 Переключатель омывателя и стеклоочистителя переднего стекла
146 Датчик камеры сгорания
147 Датчик давления всасывающей трубы
148 Датчик давления масла
149 Датчик положения ВМТ и импульсный датчик
150 Датчик угловой скорости правого заднего колеса
151 Датчик угловой скорости левого заднего колеса
152 Датчик угловой скорости правого переднего колеса
153 Датчик угловой скорости левого переднего колеса
154 Переключатель освещения крышки багажника
155 Переключатель света заднего хода
156 Переключатель сигнализации стояночного тормоза
160 Переключатель стоп-сигналов
161 Переключатель освещения вещевого ящика
162 Датчик расхода топлива (бортовой компьютер)
163 Стартер
164 Вентилятор холодного воздуха
165 Освещение багажника
166 Правая лампа, освещающая задний номерной знак
167 Левая лампа, освещающая задний номерной знак
168 Освещение вещевого ящика
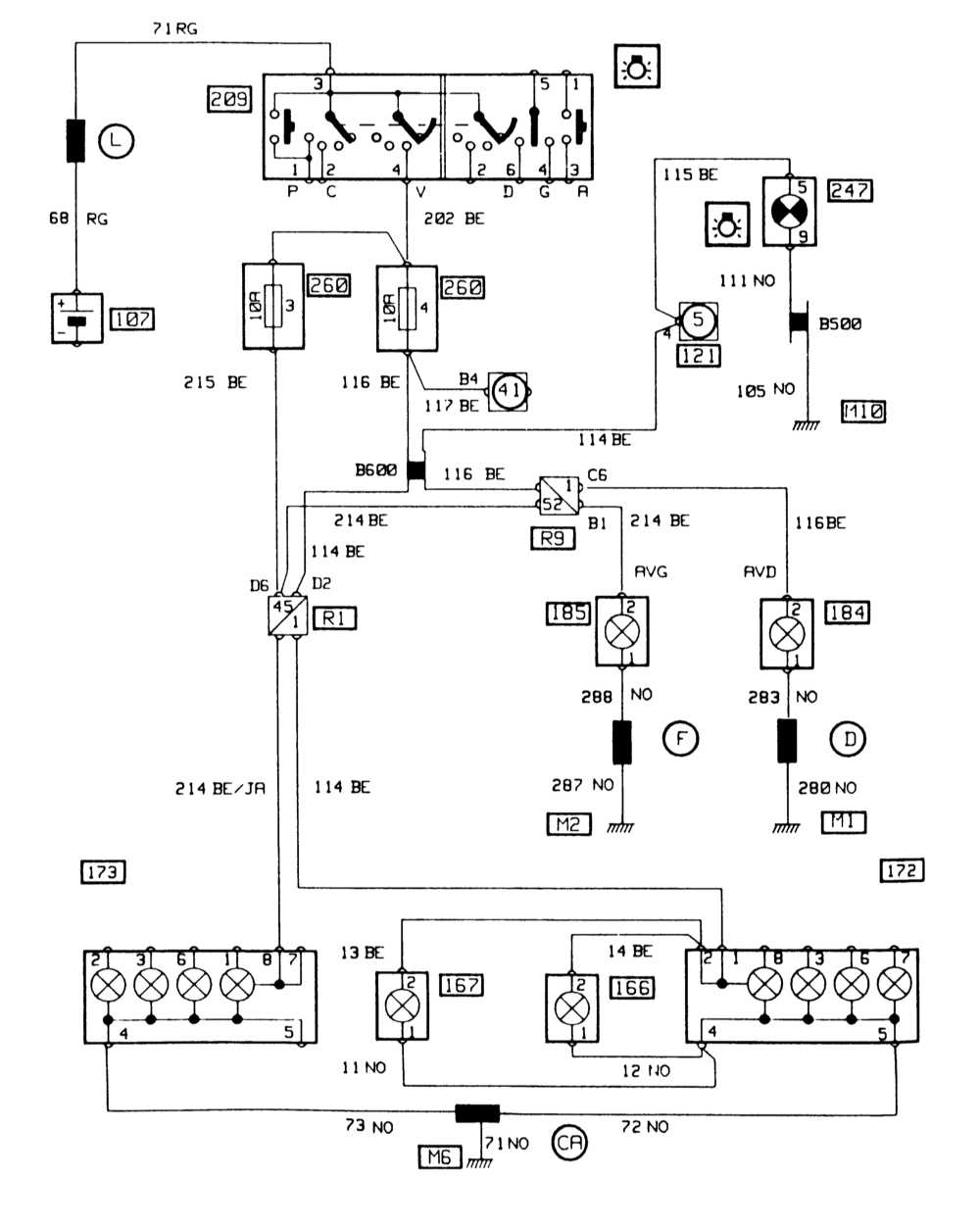
172 Лампа задняя правая
173 Лампа задняя левая
174 Противотуманный свет задний правый
175 Противотуманный свет задний левый
176 Противотуманный свет передний правый
177 Противотуманный свет передний левый
178 Дверной переключатель освещения задний правый
179 Дверной переключатель освещения задний левый
180 Дверной переключатель со стороны водителя
181 Дверной переключатель со стороны переднего пассажира
182 Свет заднего хода правый
183 Свет заднего хода левый
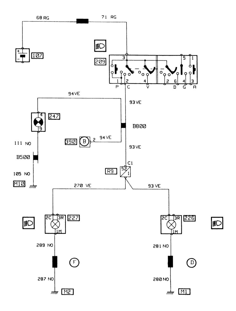
184 Габаритный свет передний правый
185 Габаритный свет передний левый
188 Вентилятор радиатора
191 Динамик в двери передней правой
192 Динамик в двери передней левой
193 Форсунка 1
194 Форсунка 2
195 Форсунка 3
196 Форсунка 4
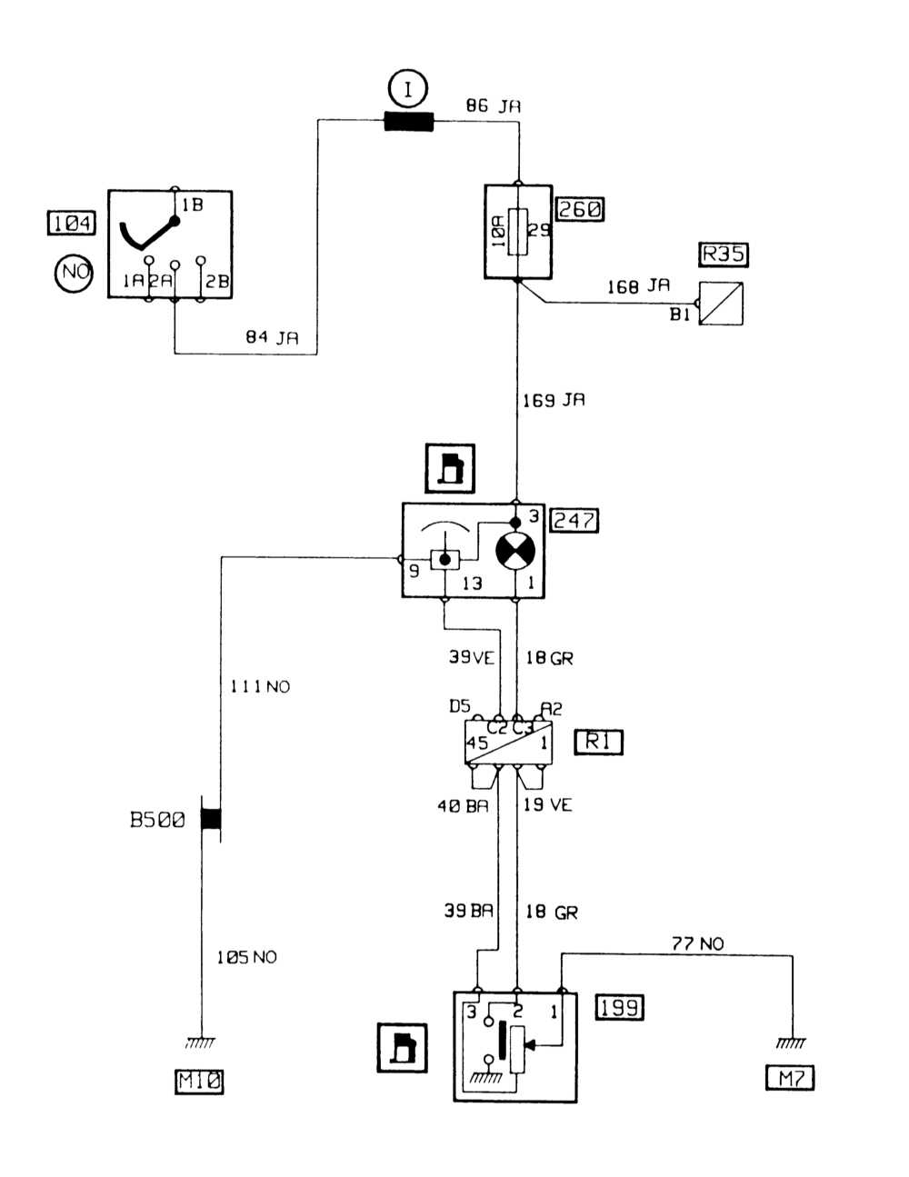
199 Датчик уровня топлива
200 Нагрев заднего стекла
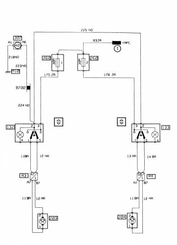
203 Подъемник в двери водителя
204 Подъемник правой передней двери
205 Переключатель давления масла
206 Трехпозиционный переключатель давления кондиционера
207 Датчик минимального уровня тормозной жидкости
208 Модуль зажигания
209 Совмещенный переключатель
210 Часы
211 Двигатель очистителя заднего стекла
212 Двигатель очистителя переднего стекла
213 Внутреннее освещение
216 Фрикционные накладки правые передние (тормоз)
217 Фрикционные накладки левые передние (тормоз)
218 Топливный насос
220 Насос омывателя заднего стекла
221 Насос омывателя переднего стекла
222 Потенциометр дроссельной заслонки
223 Потенциометр регулировки холостого хода
225 Гнездо диагностики
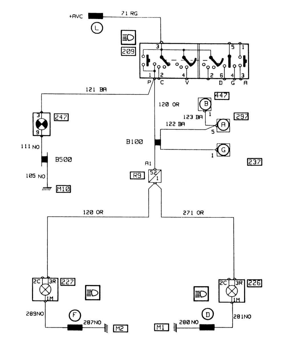
226 Правая фара
227 Левая фара
228 Регулятор холостого хода
230 Реле задних противотуманных огней
231 Реле передних противотуманных огней
232 Реле стартера
234 Реле вентилятора радиатора
235 Реле нагрева заднего стекла
236 Реле топливного насоса или клапанов впрыска
238 Реле безопасности устройства впрыска
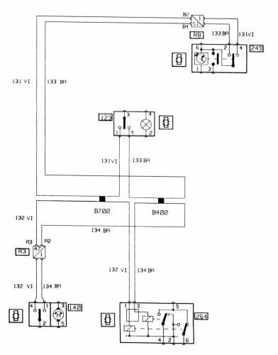
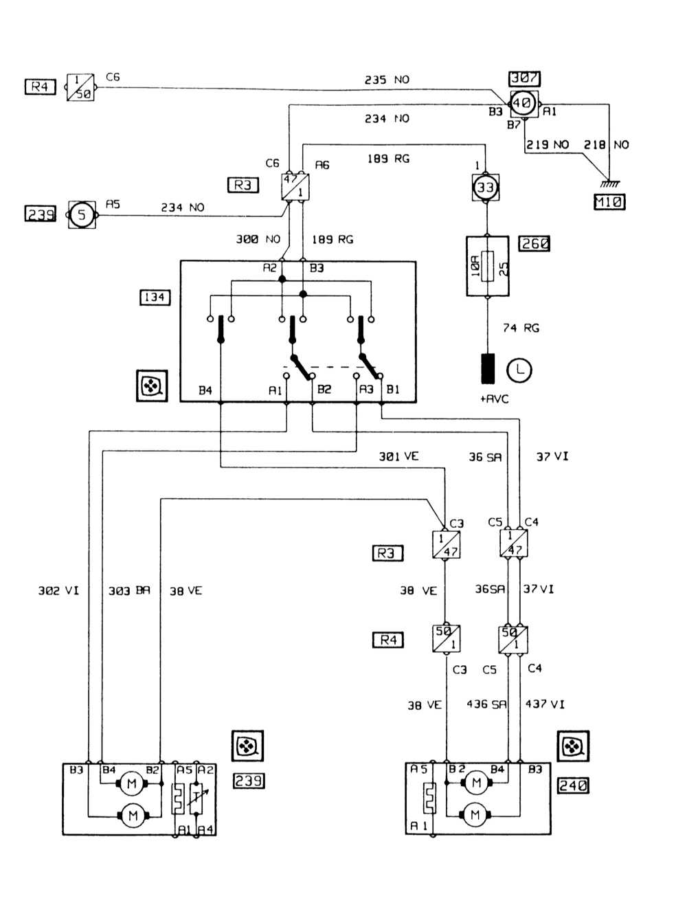
239 Электрическая регулировка наружного зеркала со стороны водителя
240 Электрическая регулировка наружного зеркала со стороны пассажира
241 Реостат или шунт освещения индикаторной группы
242 Лямбда-зонд
243 Датчик уровня масла
244 Датчик температуры охлаждающей жидкости
246 Отключающий клапан (дизель)
247 Панель приборов
248 Термовыключатель вентилятора радиатора
249 Приемник инфракрасных сигналов центрального замка
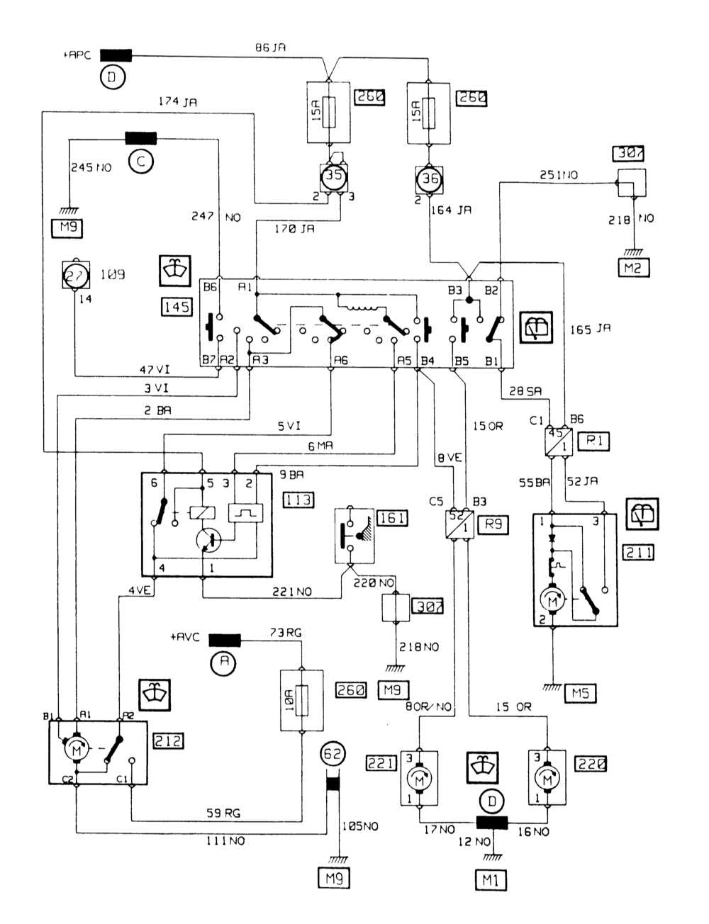
250 Импульсный датчик и датчик положения ВМТ и частоты оборотов двигателя
253 Динамик правый
253 Динамик левый
254 Лампа указателя поворота правая
254 Лампа указателя поворота левая
257 Устройство предварительного нагрева
258 Свечи накаливания
259 Тепловой включатель вентилятора радиатора
260 Коробка предохранителей
261 Радио
262 Вентилятор радиатора (модели с кондиционером)
264 Реле задержки срабатывания центрального замка
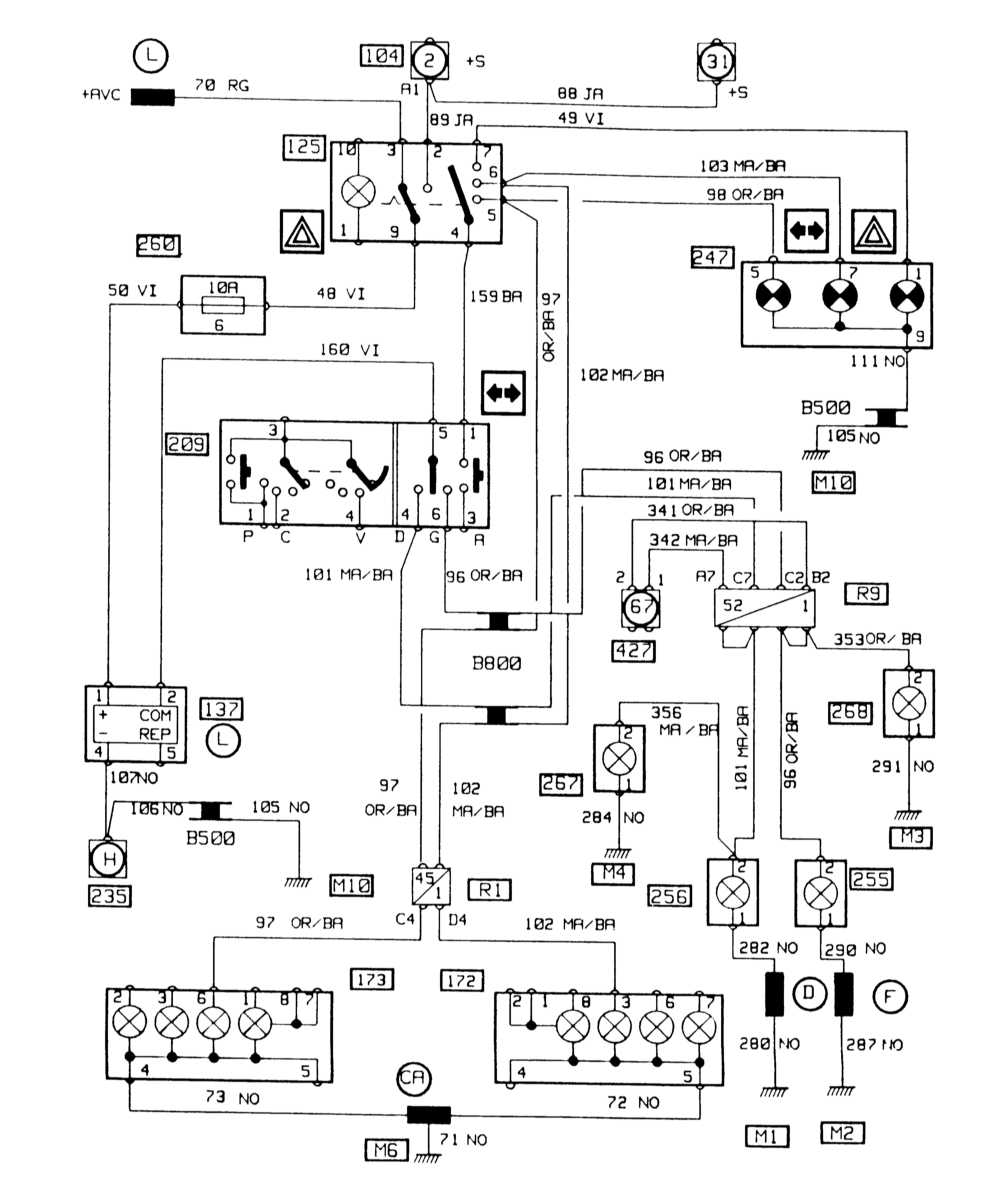
265 Переключатель внутреннего освещения для чтения
272 Датчик температуры всасываемого воздуха
273 Датчик частоты оборотов выходящего вала автоматической коробки передач
274 Клапан ускоренного холостого хода
275 Реле времени вспомогательного топливного насоса
279 Реле, запускающее систему перекачки топлива после выключения двигателя
281 Реле ближнего света
289 Реле габаритных огней (экспорт)
290 Реле ближнего света (экспорт)
296 Реле передних противотуманных огней
306 Тепловой включатель коррекции зажигания
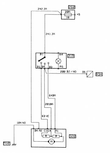
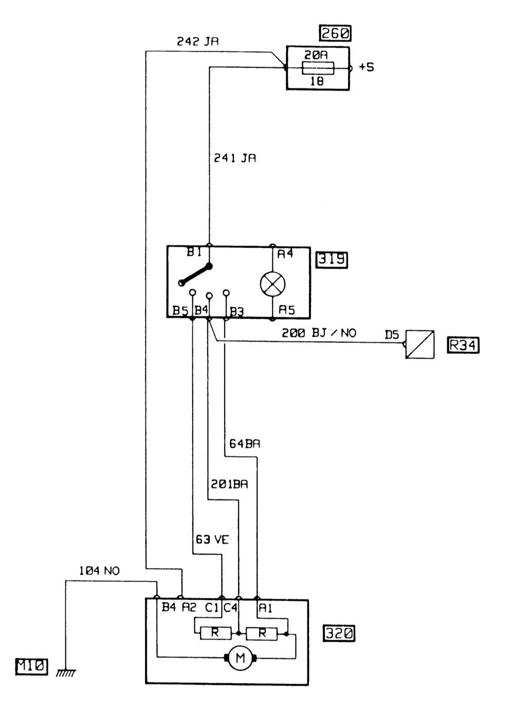
319 Группа переключателей кондиционера
320 Вентилятор охладителя (для машины с кондиционером)
321 Резистор вентилятора охладителя (для машины с кондиционером)
325 Дистанционный пульт радио
339 Клапан холодного запуска
349 Распределитель зажигания
361 Гидравлическая система AБС
382 Реле всасывающего коллектора
397 Вентилятор охлаждения карбюратора
403 Звуковой сигнал
406 Тепловой переключатель устройства предварительного нагрева
427 Устройство управления противоугонной системой
442 Сирена противоугонного устройства
459 Временной прерыватель заднего очистителя
466 Группа шунтов
469 Переключатель для инструктора
492 Радиотелефон
565 Узел дроссельной заслонки
567 Насос охлаждающей жидкости
568 Временной переключатель насоса охлаждающей жидкости
578 Электромагнитный клапан рециркуляции ОГ (дизель)
582 Электрический термовыключатель насоса охлаждающей жидкости
589 Топливный насос высокого давления (ТНВД) (дизель)
599 Реле замедленного действия электрического насоса охлаждающей жидкости
Соединений электрических проводов
R1 Панель приборов/сзади справа
R2 Панель приборов/сзади слева
R3 Панель приборов/дверь водителя
R7 Панель приборов/радио
R8 Панель приборов/крыша справа
R14 Задняя дверь/сзади справа
R35 Панель приборов/узел педали
R36 Панель приборов/АБС
R37 Система впрыска
R67 Моторный отсек функции двигателя
R106 Буфер/функции двигателя
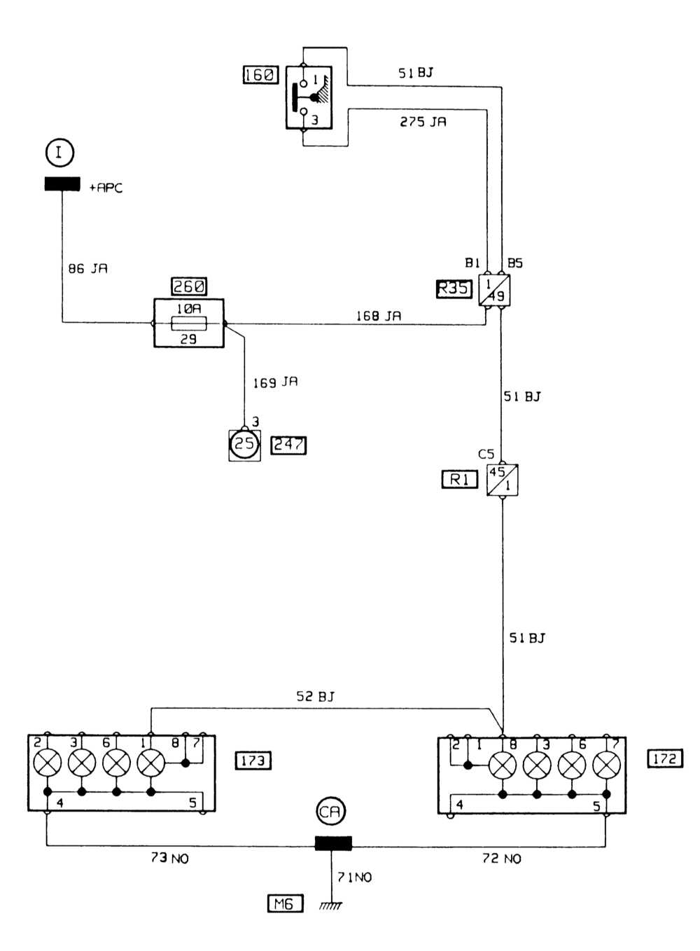
R107 Панель приборов/функции двигателя
R141 Внутреннее освещение/спереди/двигатель
R191 Спереди /омыватель/стеклоочиститель фар
R193 Жгут проводов багажника сзади справа
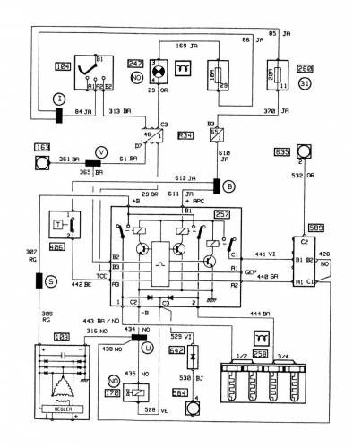
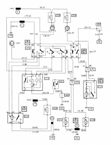
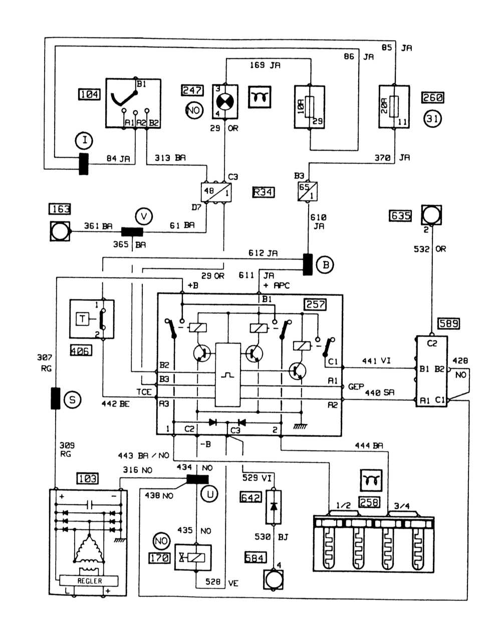
Схема системы зажигания
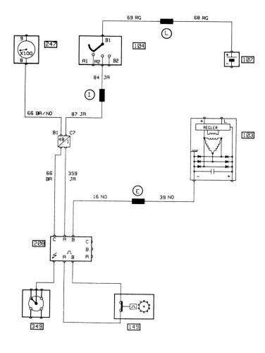
Устройство предварительного нагрева дизеля — схема
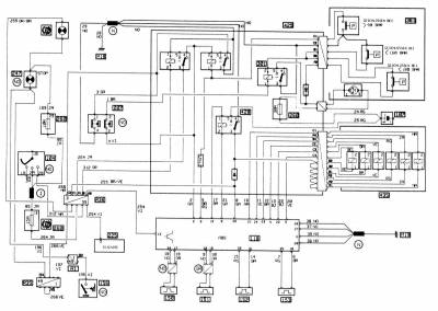
АВС — эл.схема на Рено 19
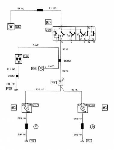
Электросхемы освещения на Renault 19:
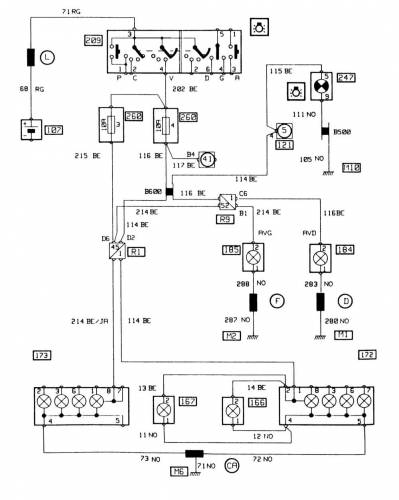
Ближний свет
Дальний свет
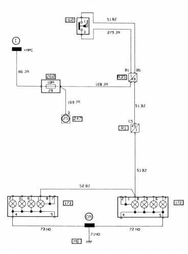
Противотуманный свет
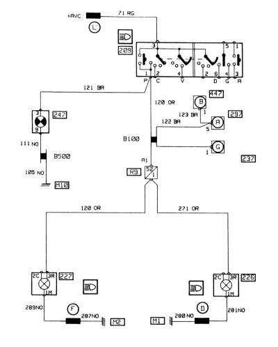
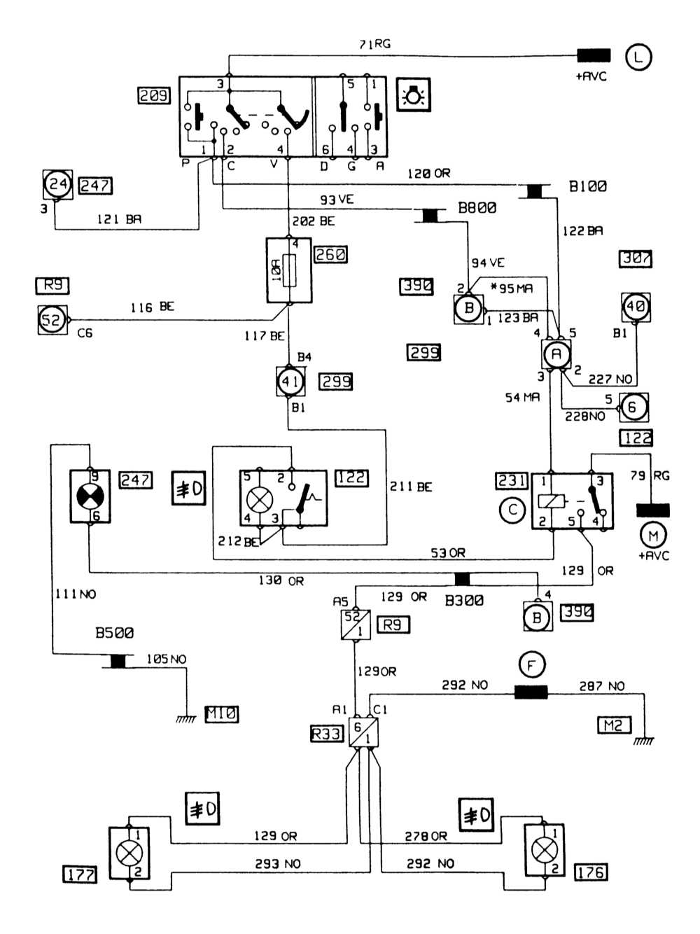
Габариты
Стоп-сигналы
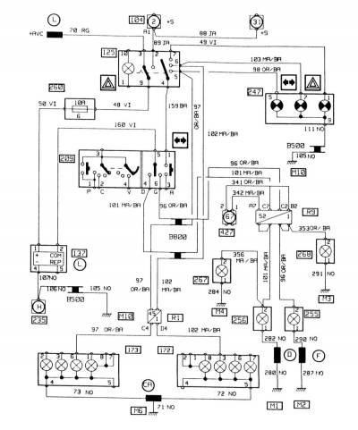
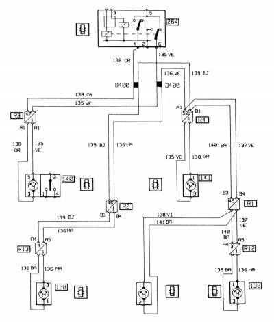
Сигналы поворота и аварийный сигнал
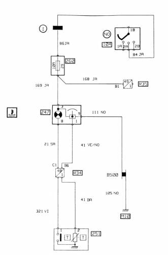
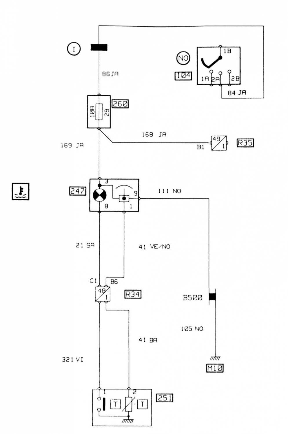
Электросхема датчика температуры охлаждающей жидкости
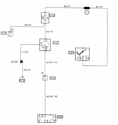
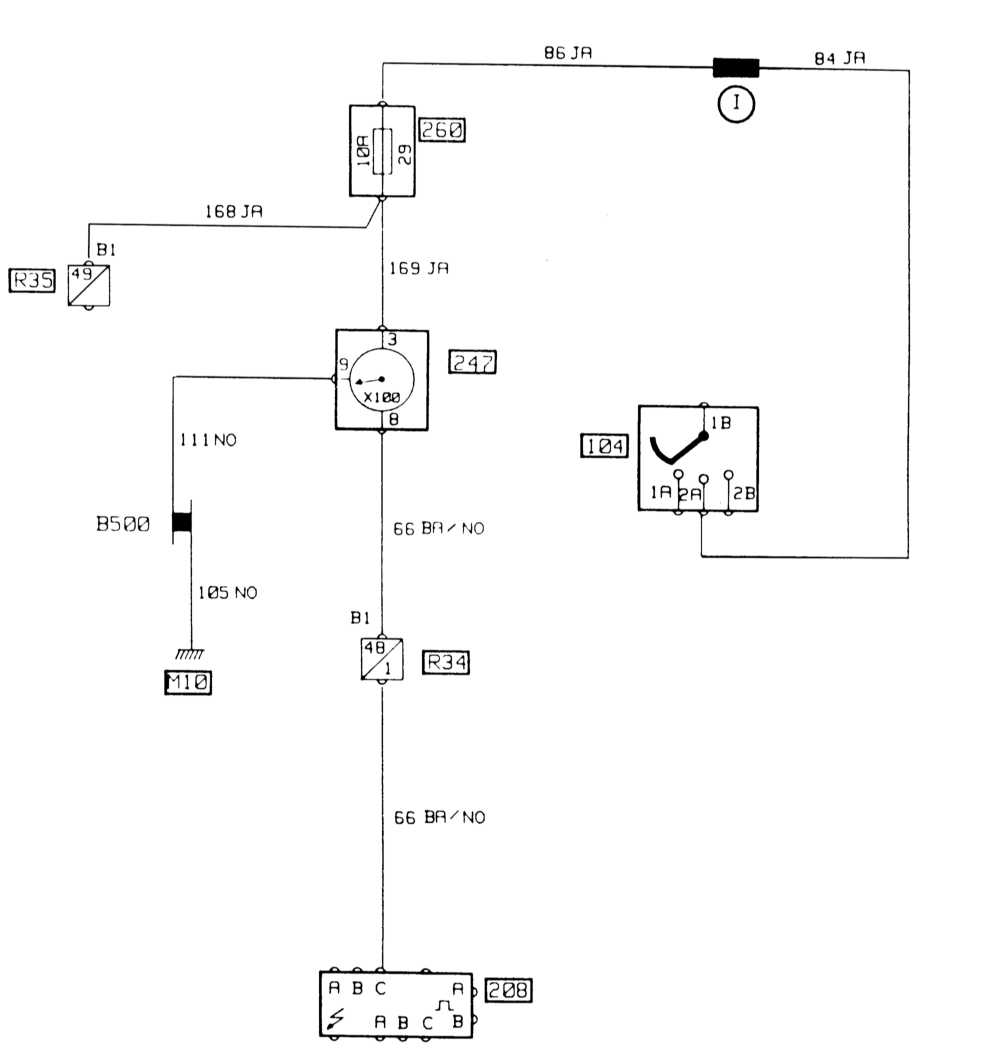
Датчик количества оборотов — эл.схема
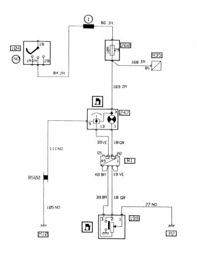
Индикация уровня топлива в баке — схема
Схема стеклоочистителей и омывателей переднего и заднего стекла
Вентилятор радиатора — эл.схема на Renault 19
Электросхема подачи воздуха
Электрические стеклоподъемники — схема
Эл.схема регулировки зеркал
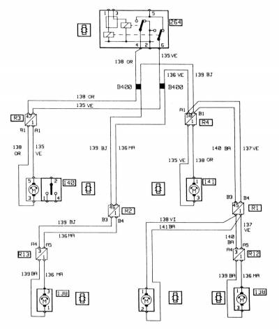
Центральный замок — схема на Renault 19:
Запирание и отпирание
Схема управления
Схема электропитания




















