Электросхемы оборудования на Saab 95 1997-2004 г.в. Полностью независимая подвеска передних колёс состоит из стоек Мак-Ферсона, поперечных рычагов и стабилизатора. Задняя полностью независимая подвеска включает в себя продольный рычаг, 2 поперечные тяги и стабилизатор. Тормоза оснащены вакуумным усилителем. Все тормозные механизмы дисковые. Штатно установлена система ABS. В качестве дополнительного оборудования могут устанавливаться системы управления устойчивостью автомобиля (TCS и ESP). Рулевое управление реечное, с гидроусилителем. На все модели серийно устанавливаются подушки безопасности водителя и переднего пассажира, а также боковые подушки безопасности.
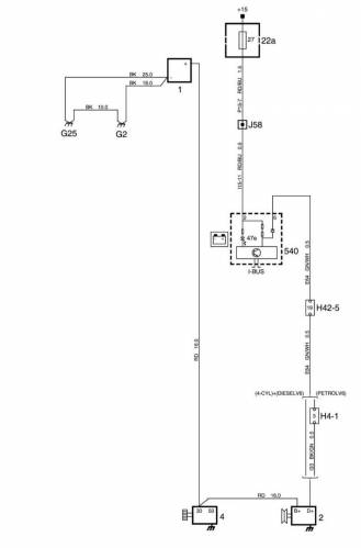
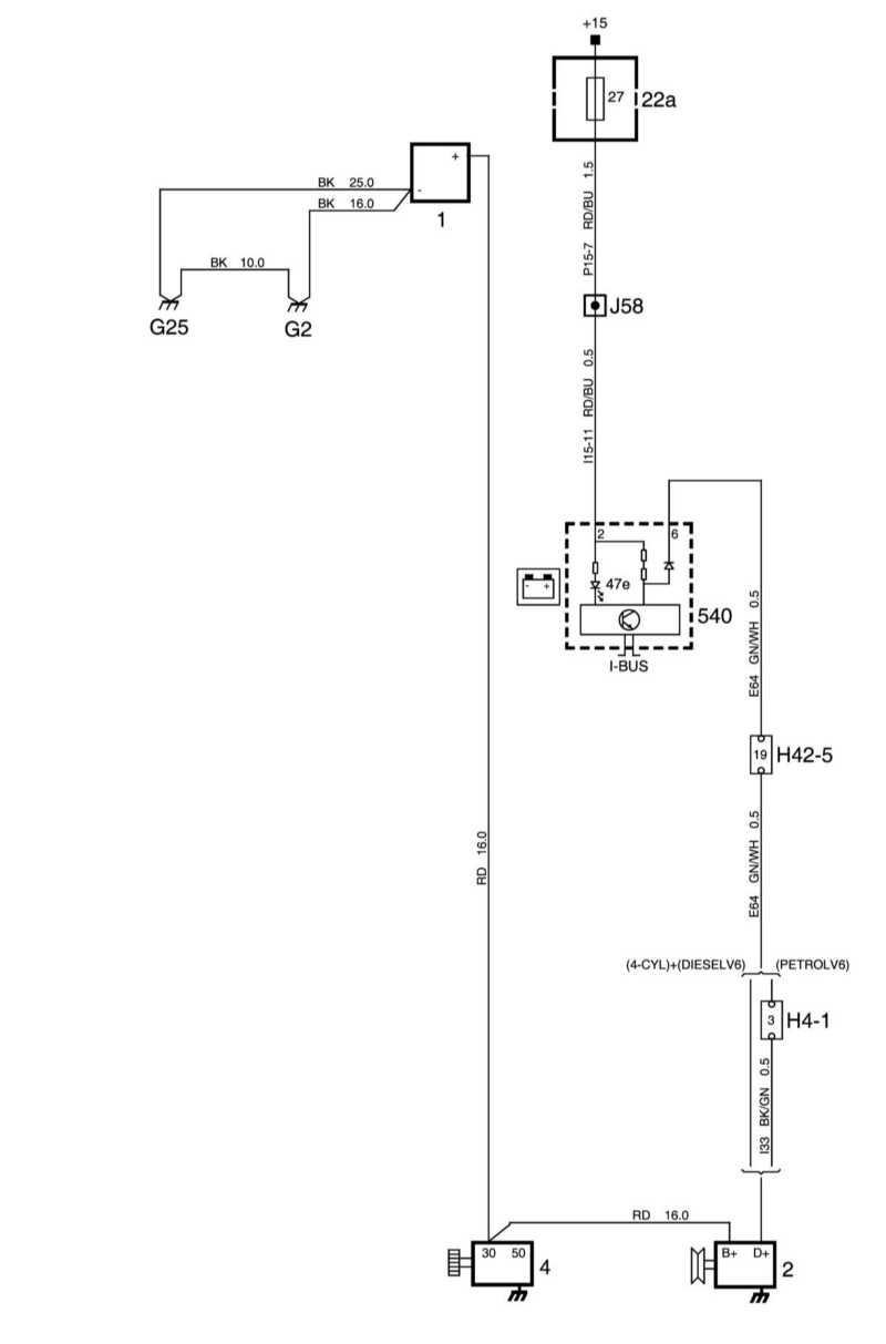
Схема системы заряда батареи на Saab 95
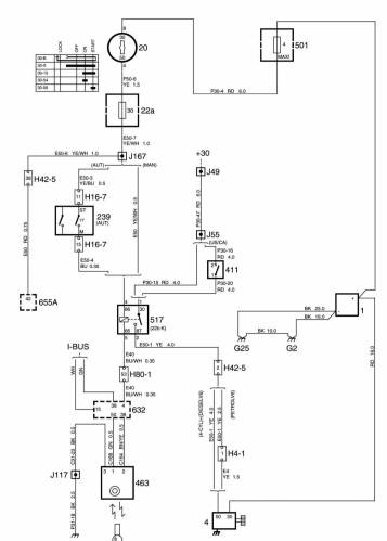
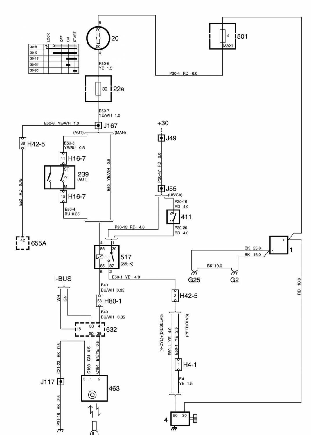
Схема системы запуска с иммобилизатором двигателя
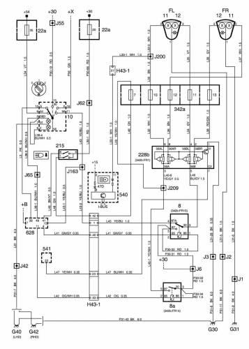
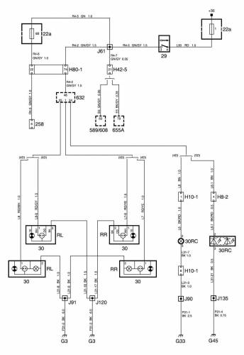
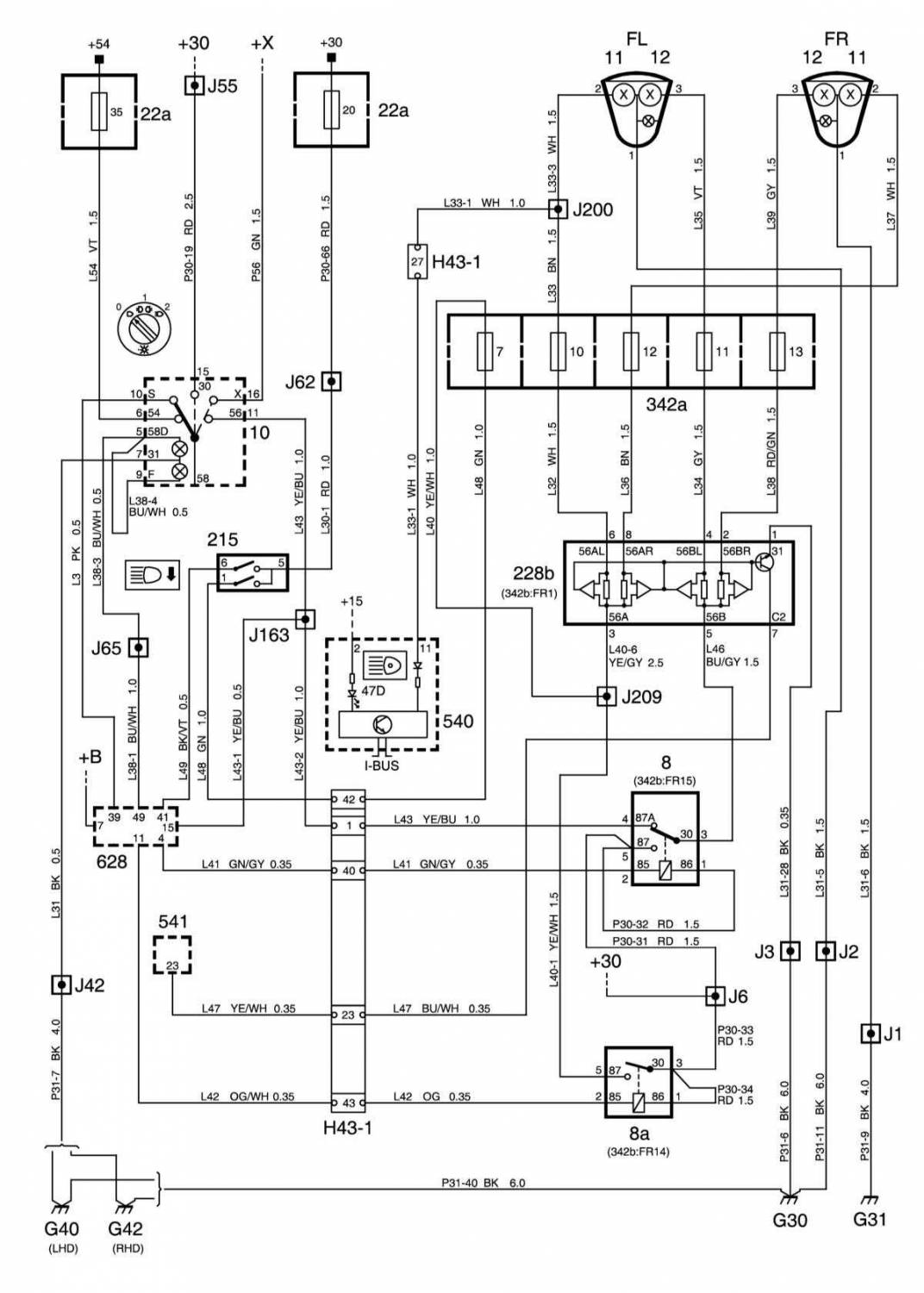
Галогенные фары — электросхема
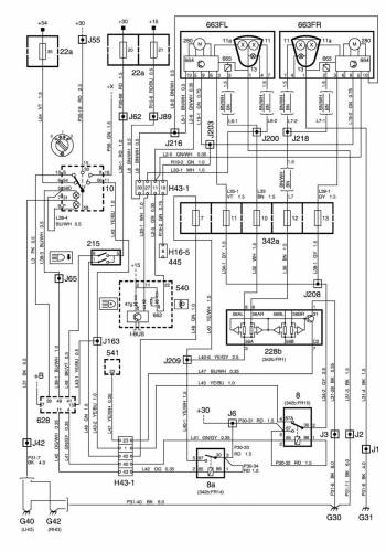
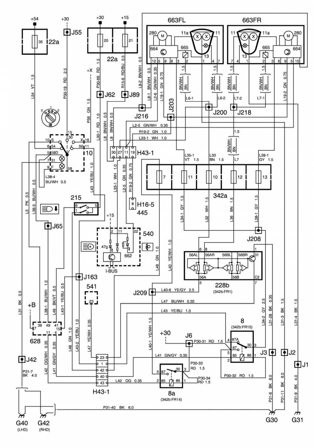
Ксеноновые фары — эл.схема
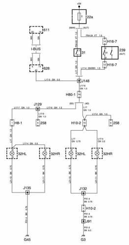
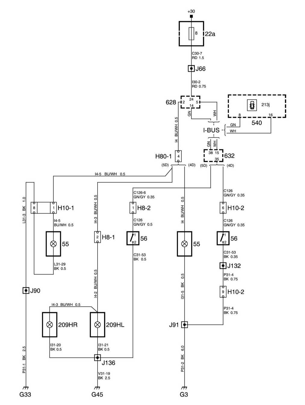
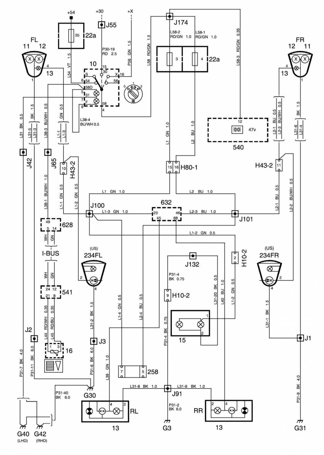
Стояночные огни — схема на седан и универсал
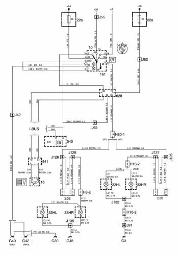
Противотуманные фары — схема
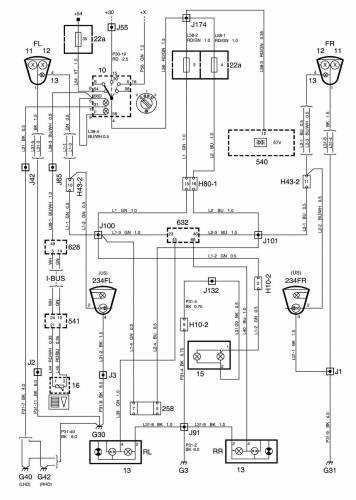
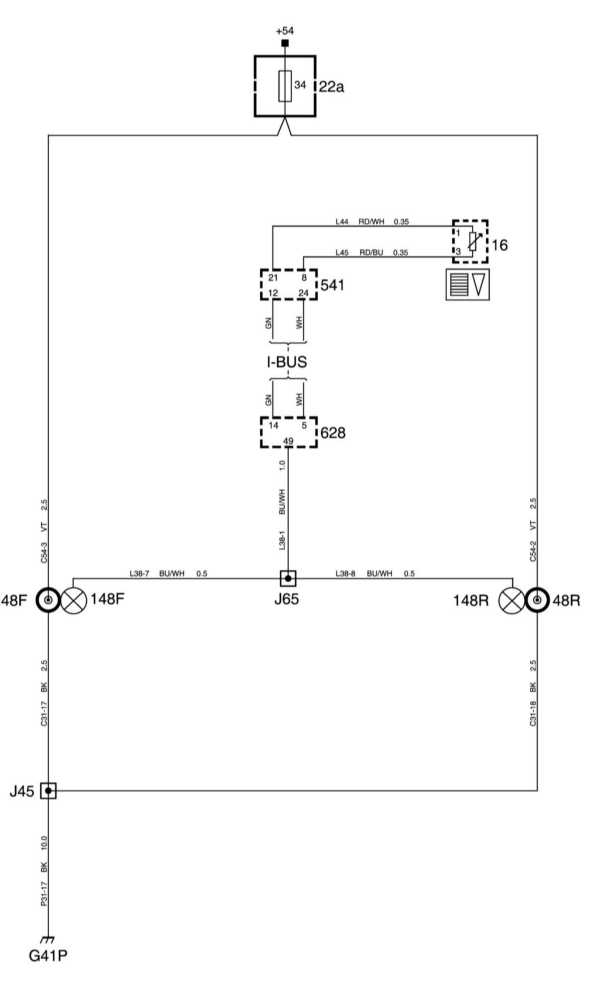
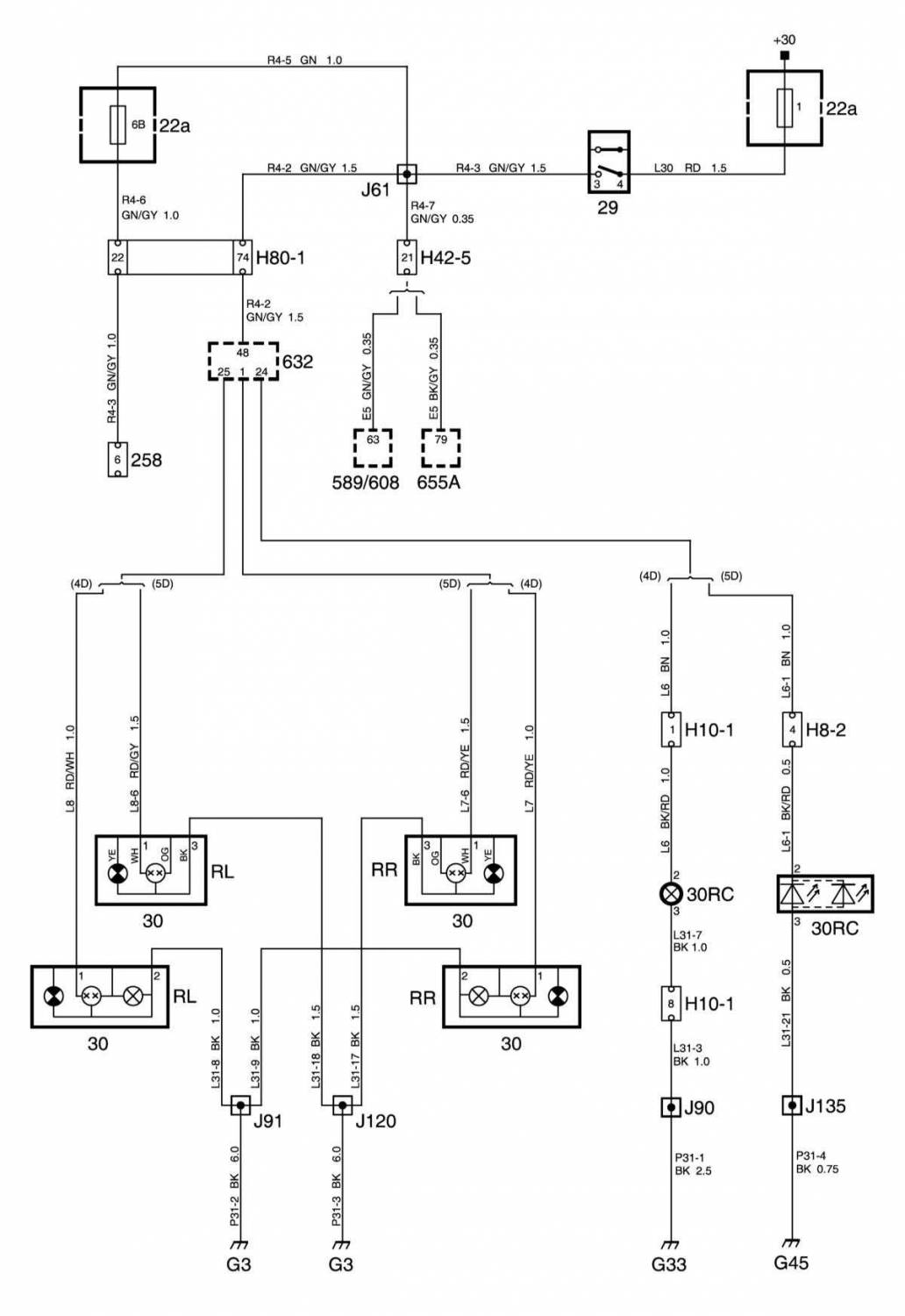
Стоп-сигналы — электросхема
Фонари заднего хода — эл.схема
Задние туманные фонари — схема
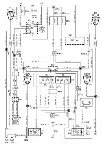
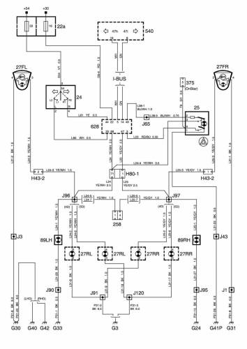
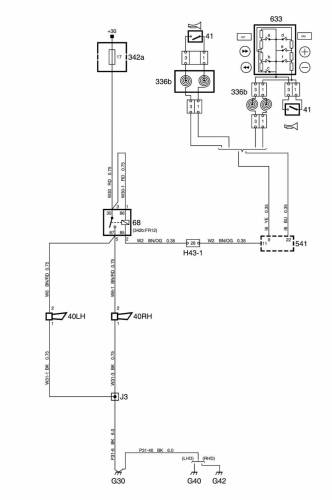
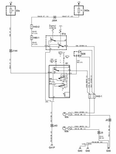
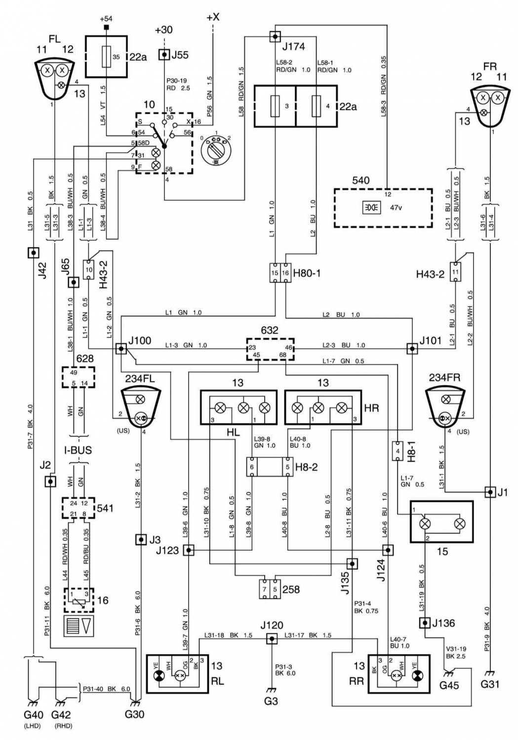
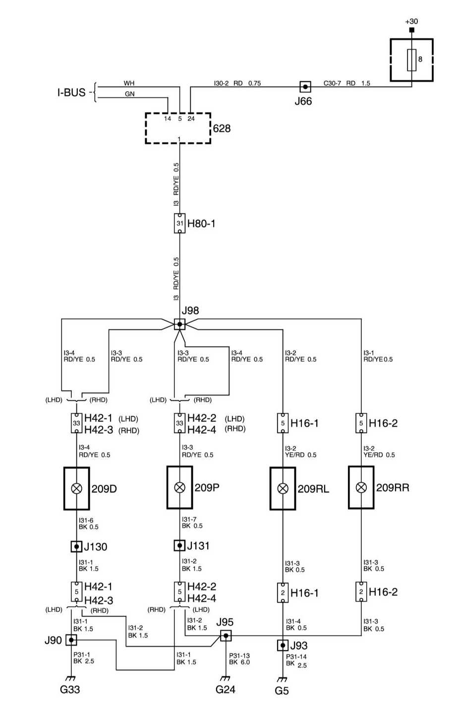
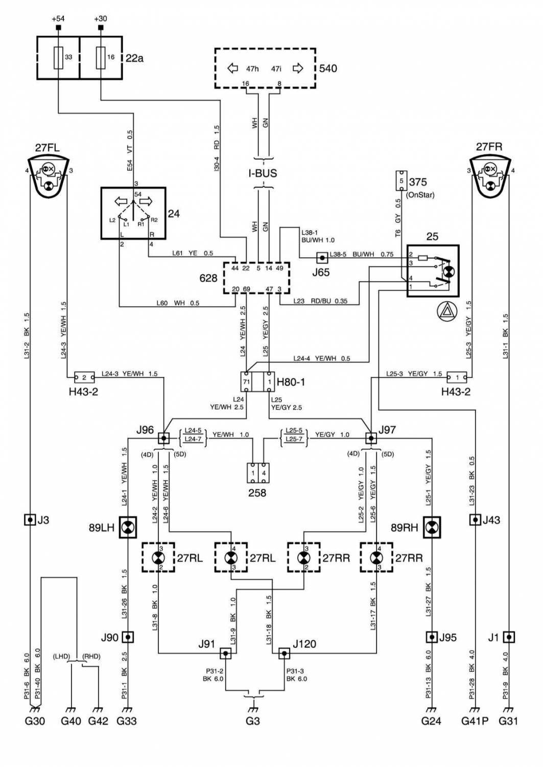
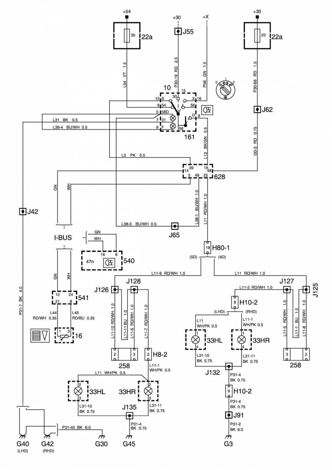
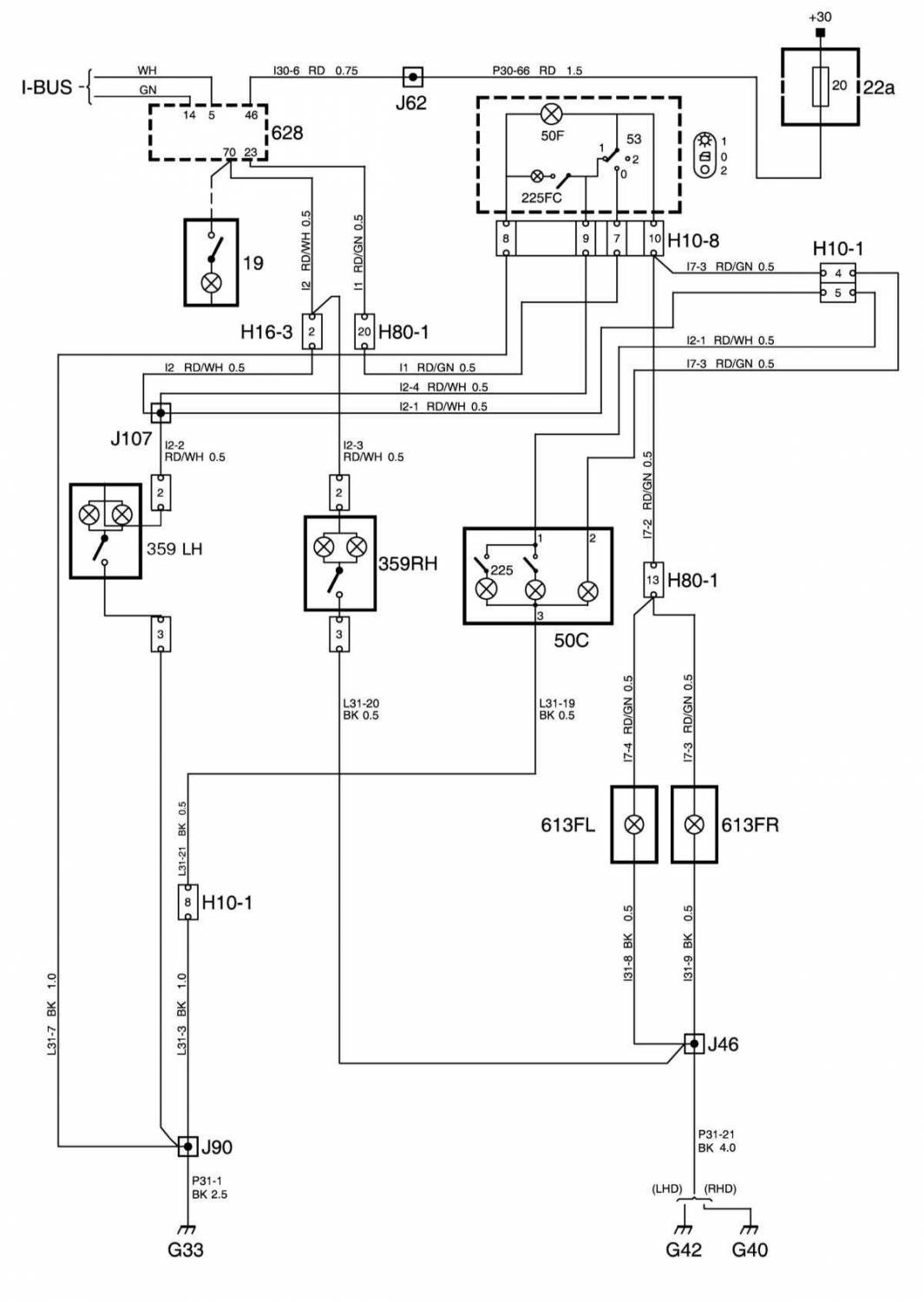
Указатели поворотов и аварийная сигнализация — электросхема
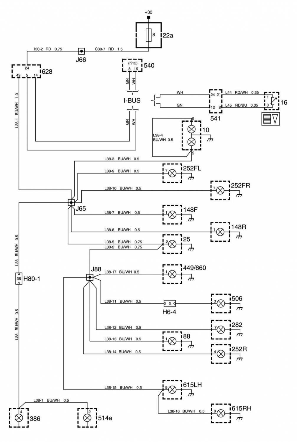
Внутреннее освещение, лампы для чтения — эл.схема на Сааб 95
Освещение в дверях — схема на Saab 95
Освещение багажного отделения — схема
Освещение вещевого ящика — электросхема
Схема подсветки приборов на Saab 95
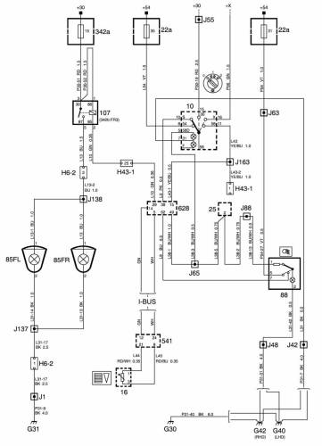
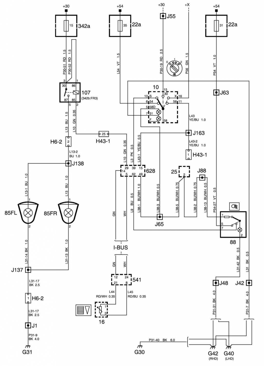
Ручная регулировка наклона галогенных фар — эл.схема
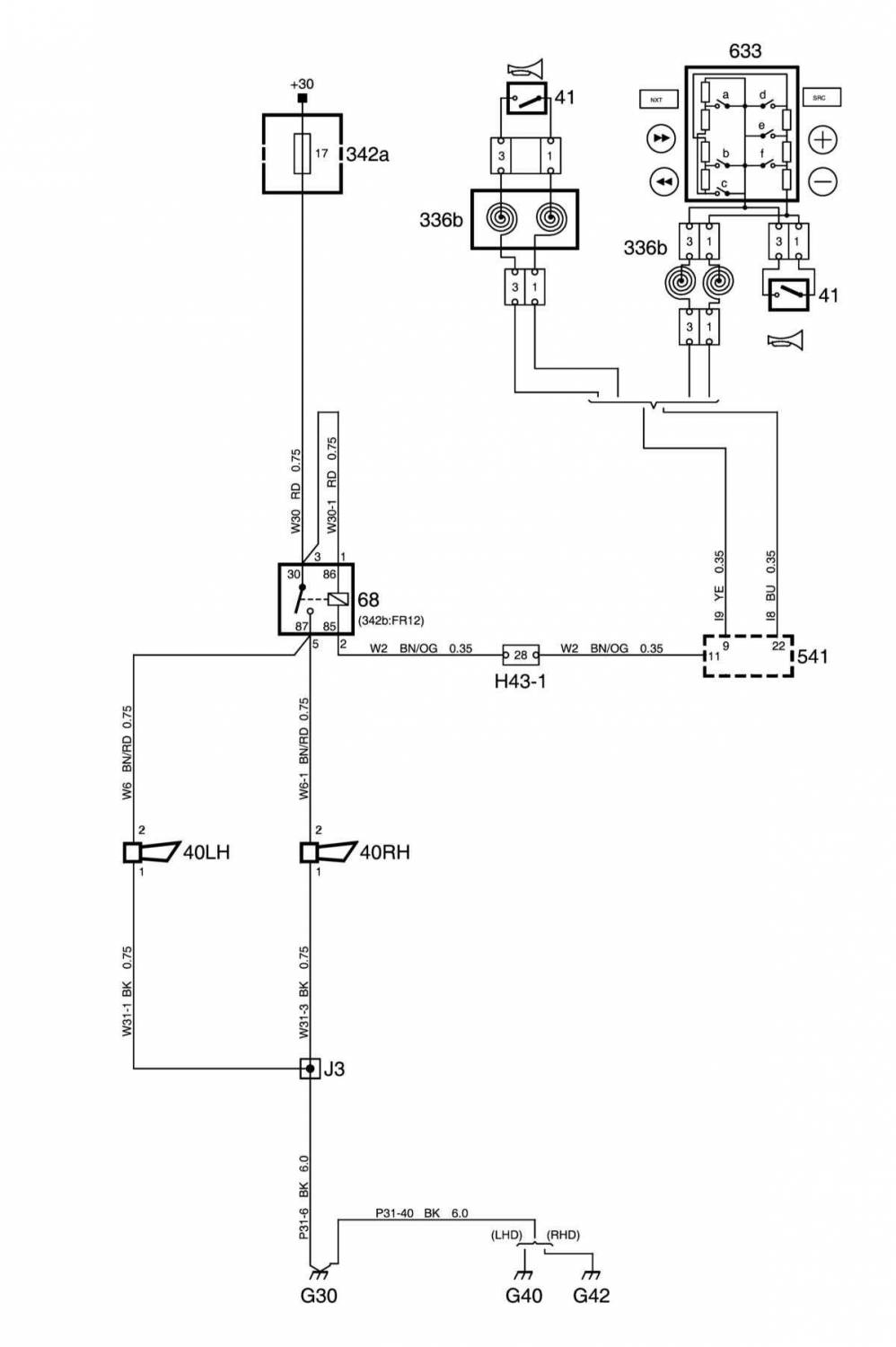
Клаксон — схема на Saab 95
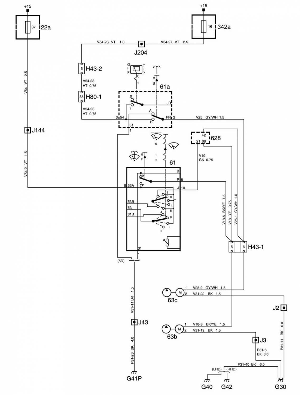
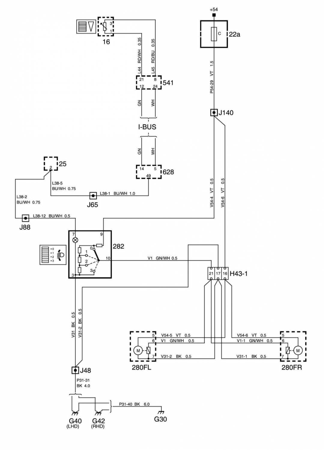
Омыватели стёкол и линз фар — электросхема
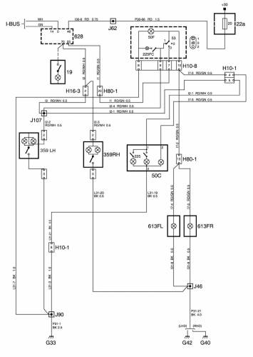
Прикуриватель — эл.схема на Saab 95




















