Представляем принципиальные схемы электрооборудования на Saab 9000 1985-1997 г.в. Все двигатели имеют шестнадцатиклапанную конструкцию с двумя, расположенными сверху распредвалами, версия с объемом двигателя 2290 см3 представлена в конце 1989 года на моделях 9000i и CDi. На этом двигателе установлена система прямого зажигания SAAB с раздельными катушками зажигания для каждой свечи совместно с системой электронного контроля взамен предыдущей системы зажигания, с распределителем, основанной на эффекте Холла. Первоначально двигатель оснащался системой впрыска топлива BOSCH LH- Jetronic. Система фирмы SAAB TRIONIK, установленная на моделях с объемом 2290 см 3 в 1993 году, является единой системой управления двигателем, управляющей впрыском топлива, зажиганием и турбонаддувом. Позже эта система применяется также и на моделях, не оснащенных турбонаддувом. На всех двигателях установлены гидравлические толкатели клапанов, а на поздних двигателях также установлены балансировочные валы.
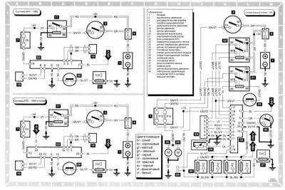
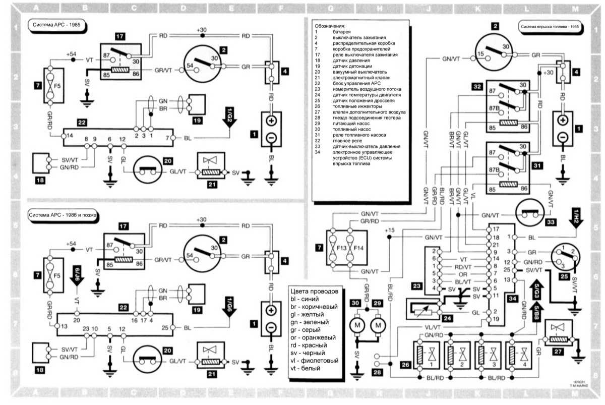
Схема системы APC и впрыска топлива LH-Jetronic (1985)
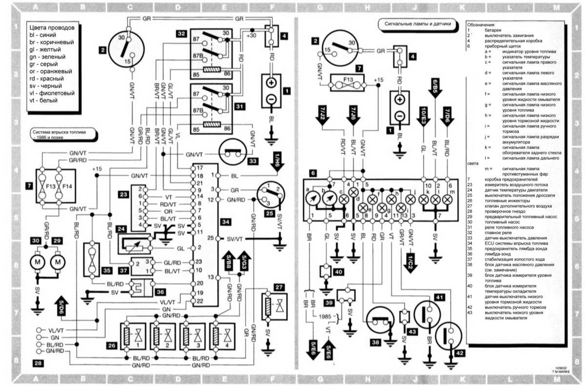
Эл.схема системы впрыска топлива LH-Jetronic (1986 и позже), сигнальные лампы и датчики
Электросхема сегментного индикатора (монитора), натяжителя ремней безопасности и сигнальных лам
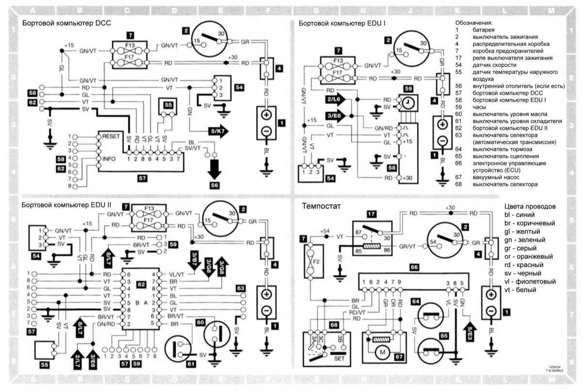
Схема путевых компьютеров и системы управления скоростью (темпостата)
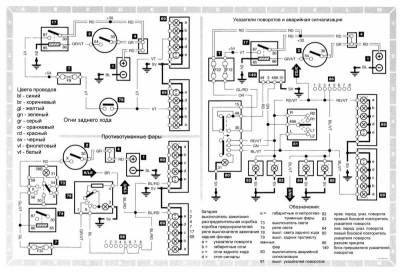
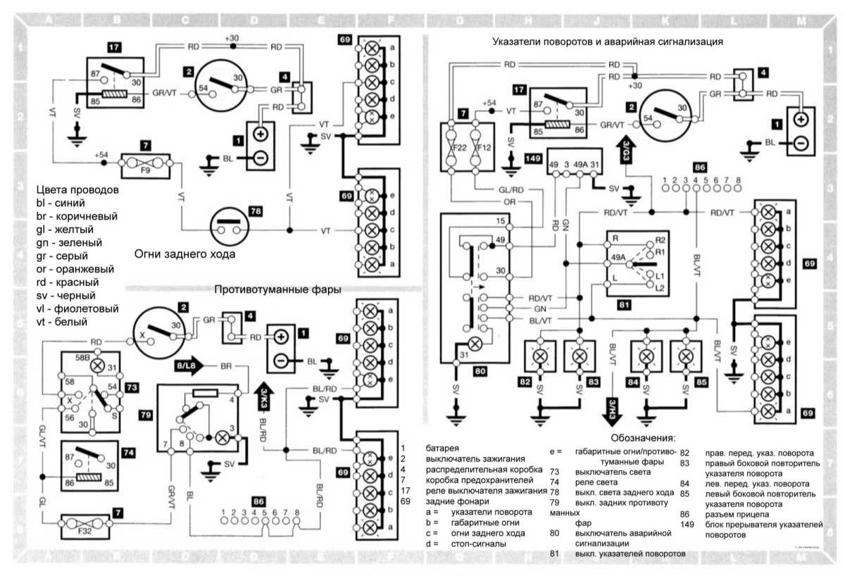
Эл.схема внешнего освещения на Saab 9000
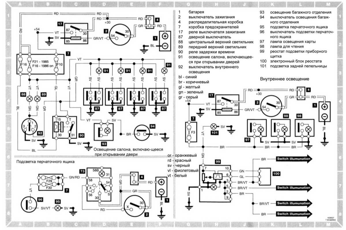
Электросхема внутреннего освещения на Сааб 9000
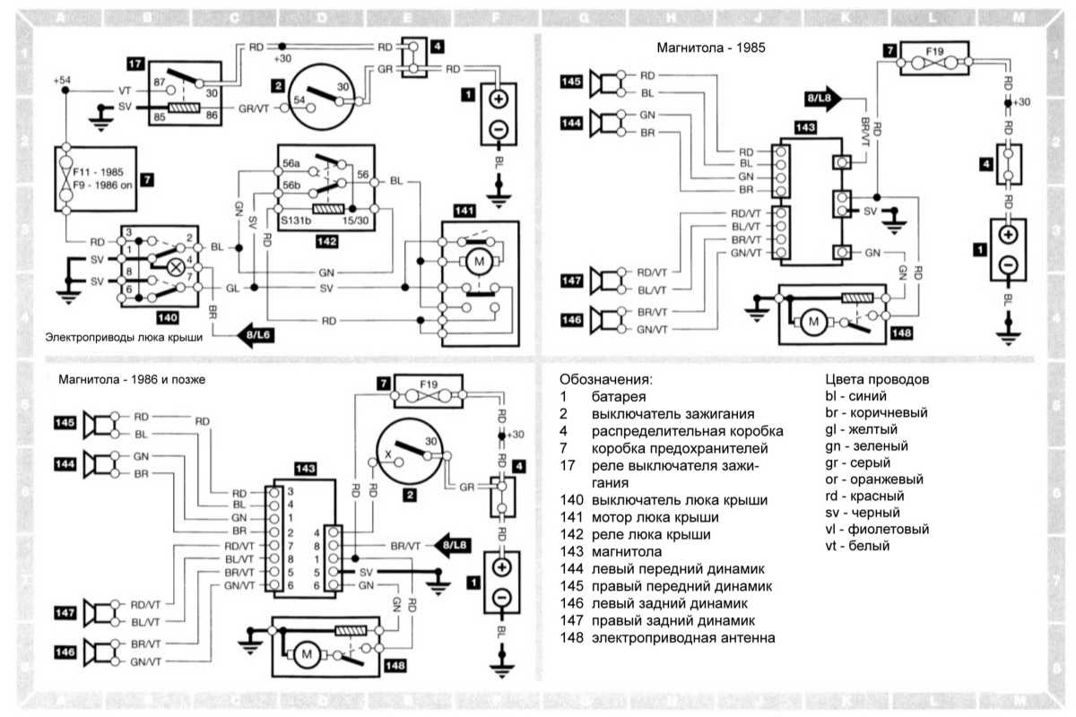
Схема электроприводной панели люка крыши и магнитолы
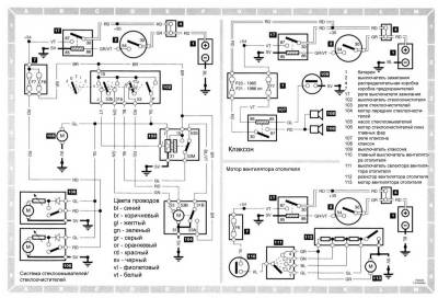
Эл.схема стеклоочистителей/стеклоомывателей, клаксона и вентилятора отопителя
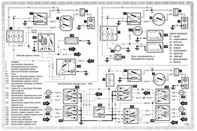
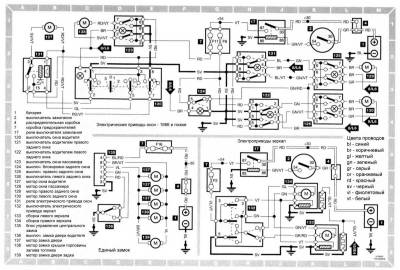
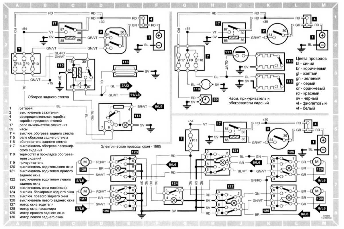
Схема обогрева сидений, обогрева заднего стекла, прикуривателя и электропривода окон (1985)
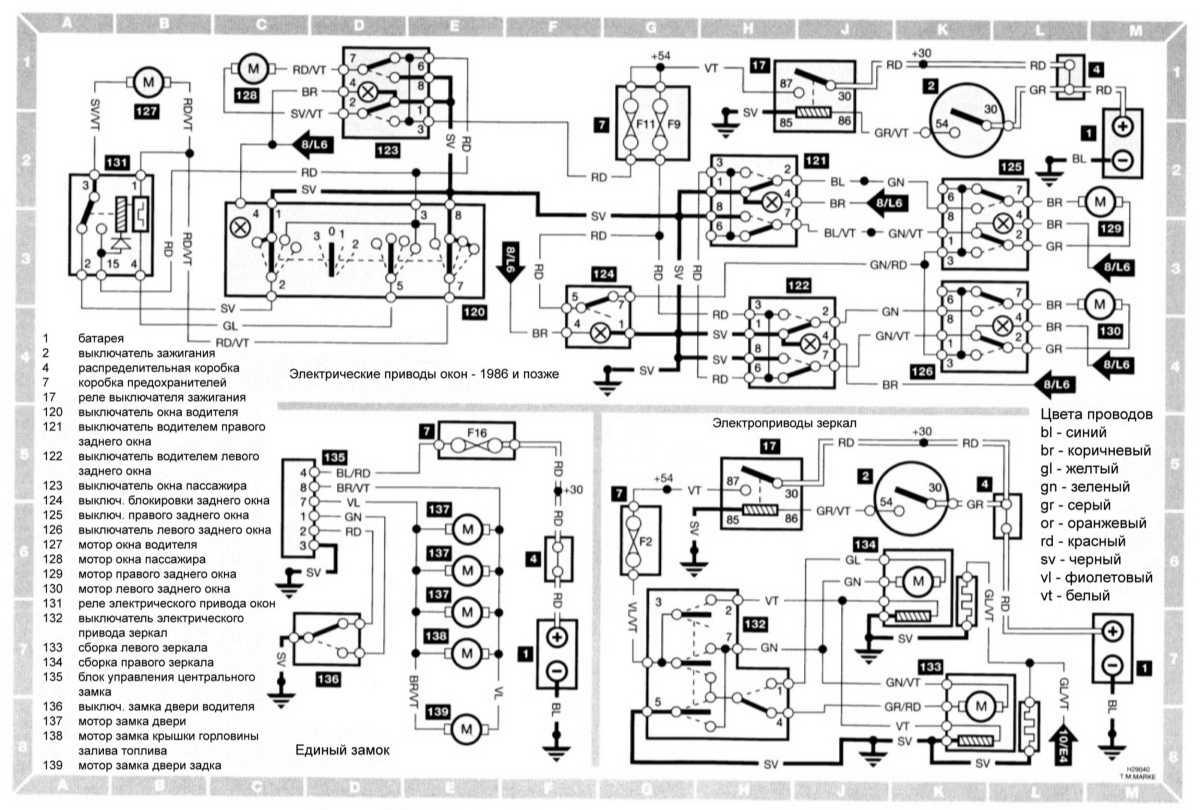
Электросхема электрических приводов окон (1986 и позже), единого замка и электроприводов зеркал
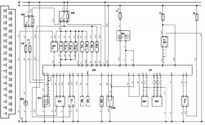
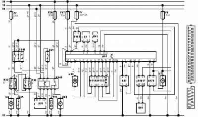
Схема управления и разъема блока управления Bosch Jetronic 2.4 на моделях по 1991 г.
A4 Блок управления зажиганием
A5 Комбинация приборов
A15 Блок управления темпостатом
A19 Путевой компьютер
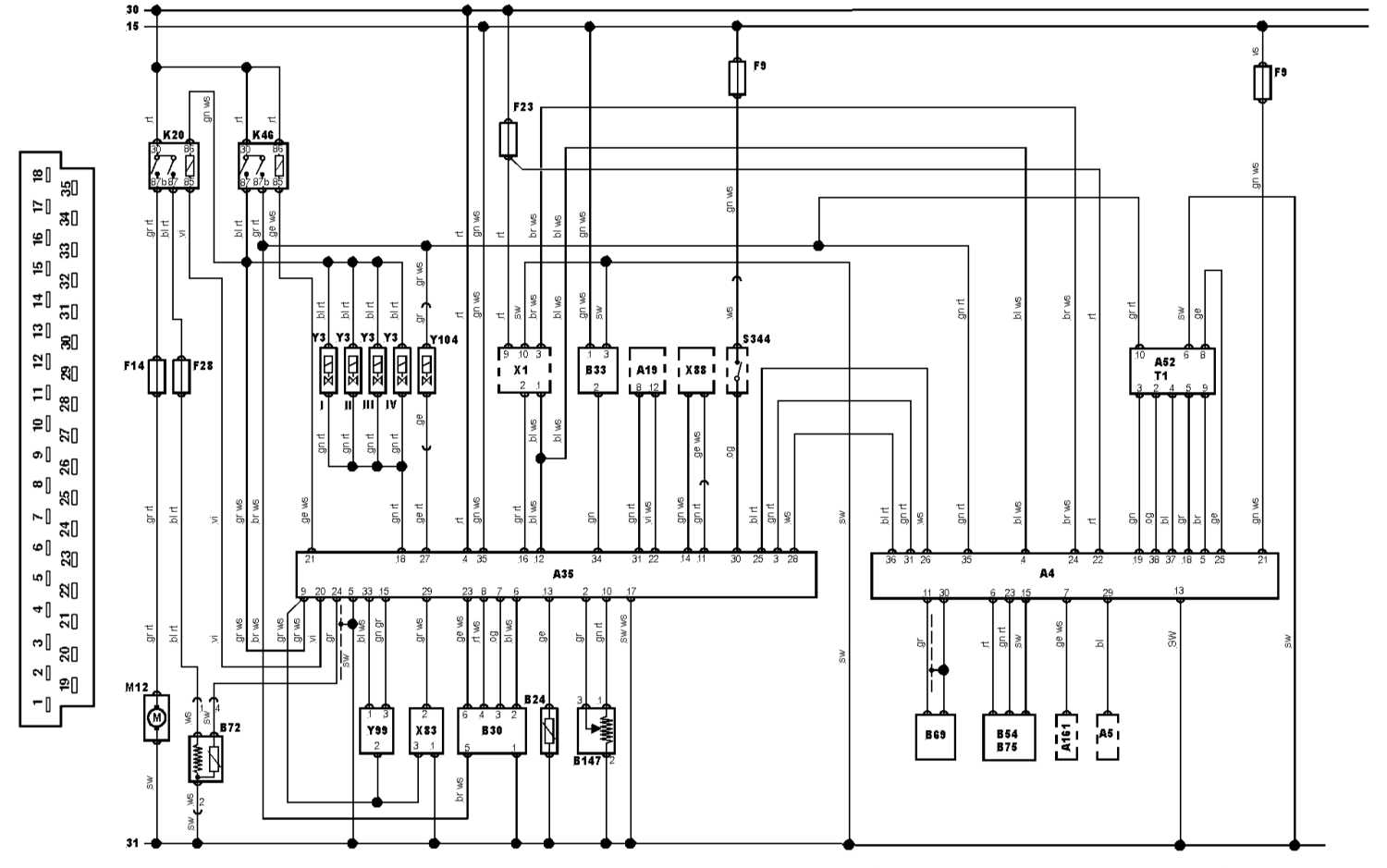
A35 Электронный модуль управления (ECM)
A52 Усилитель зажигания
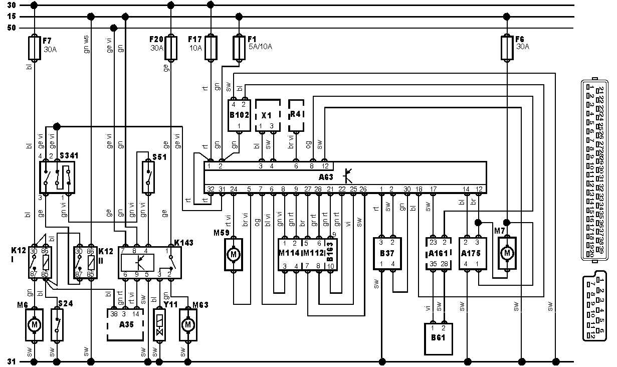
A63 Блок управления кондиционера воздуха
A128 Модуль управления положением дроссельной заслонки
A161 Многофункциональный цифровой дисплей
A175 Усилитель кондиционера воздуха
B24 Датчик температуры охлаждающей жидкости (ECT)
B25 Датчик температуры всасываемого воздуха (IAT)
B28 Датчик температуры рециркулирующего газа системы EGR
B30 Измеритель массы воздуха (MAF)
B33 Датчик скорости автомобиля
B37 Датчик температуры воздуха в салоне
B54 Датчик положения коленчатого вала (CKP)
B61 Датчик температуры внешнего воздуха
B69 Датчик детонации
B72 Подогреваемый кислородный датчик
B75 Датчик оборотов двигателя
B83 Датчик абсолютного давления в трубопроводе (MAP)
B102 Датчик солнечного излучения системы кондиционирования воздуха
B147 Датчик положения дроссельной заслонки (TPS)
B163 Датчик температуры впускного воздуха отопителя/КВ
F Предохранитель
H63 Контрольная лампа отказов двигателя (MIL)
K12 Реле мотора вентилятора радиатора
K20 Реле топливного насоса
K46 Управляющее реле двигателя
K143 Реле муфты компрессора кондиционера воздуха
K152 Реле насоса подмешивания воздуха
M1 Стартер
M6 Мотор вентилятора радиатора
M7 Мотор вентилятора отопителя/КВ
M12 Топливный насос
M32 Топливоподкачивающий насос в топливном баке
M59 Мотор рециркуляции кондиционера воздуха
M63 Мотор вентилятора конденсатора кондиционера воздуха
M112 В Мотор привода заслонки направления воздушных потоков отопителя/К
M114 Мотор привода заслонки смешивания воздуха отопителя/КВ
P7 Тахометр
R4 Реостат регулировки подсветки приборов
R6 Резистор оборотов вентилятора отопителя
S3 Выключатель фар
S13 Датчик-выключатель стоп-сигнала
S17 Выключатель мотора вентилятора отопителя/КВ
S24 Температурный датчик-выключатель мотора вентилятора радиатора
S28 Выключатель лампы заднего хода
S29 Выключатель разрешения запуска
S51 Датчик-выключатель температуры испарителя кондиционера воздуха
S104 Датчик-выключатель положения дроссельной заслонки
S149 Главный выключатель кондиционера воздуха
S249 Датчик-выключатель положения селектора АТ
S339 Выключатель направления потока воздуха отопителя/КВ
S340 Выключатель рециркуляции отопителя/КВ
S341 Тройной датчик-выключатель давления хладагента
S344 Датчик-выключатель положений P и N трансмиссии
T1 Катушка зажигания
X1 Диагностический разъем DLC
X56 Разъем регулировки зажигания
X60 Соединение регулировки оборотов холостого хода
X83 Разъем модуля кодировки
X88 Разъем кондиционера воздуха
Y3 Инжектор
Y11 Сцепление компрессора кондиционера воздуха
Y14 Инжектор холодного запуска
Y28 Э/магнитный клапан рециркуляции отработавших газов (EGR)
Y56 Исполнительное устройство системы стабилизации оборотов холостого хода (ISC)
Y63 Э/магнит управления давлением топлива
Y68 Клапан регулировки сброса турбокомпрессора
Y81 Исполнительное устройство привода распределительного вала
Y99 Клапан управления воздухом холостого хода (IAC)
Y102 Э/магнитный клапан воздуха впускного трубопровода
Y104 Клапан продувки угольного адсорбера системы EVAP
15 Положение ON замка зажигания
30 «+” батареи
31 «-” батареи
50 Замок зажигания – сигнал запуска
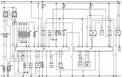
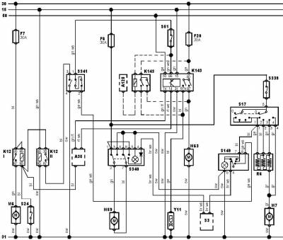
Эл.схема управления и разъема блока управления Bosch Jetronic 2.4 на моделях 1992 — 1994 г.
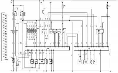
Электросхема управления и разъема блока управления Bosch Jetronic 2.4.2
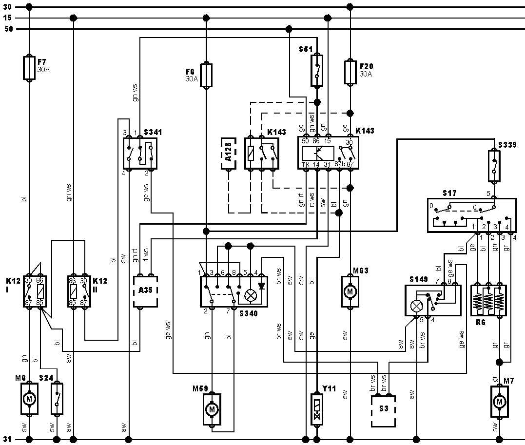
Схема автоматического кондиционирования воздуха, модели с 1993 г.
Эл.схема кондиционирования воздуха, модели с 1993 г.
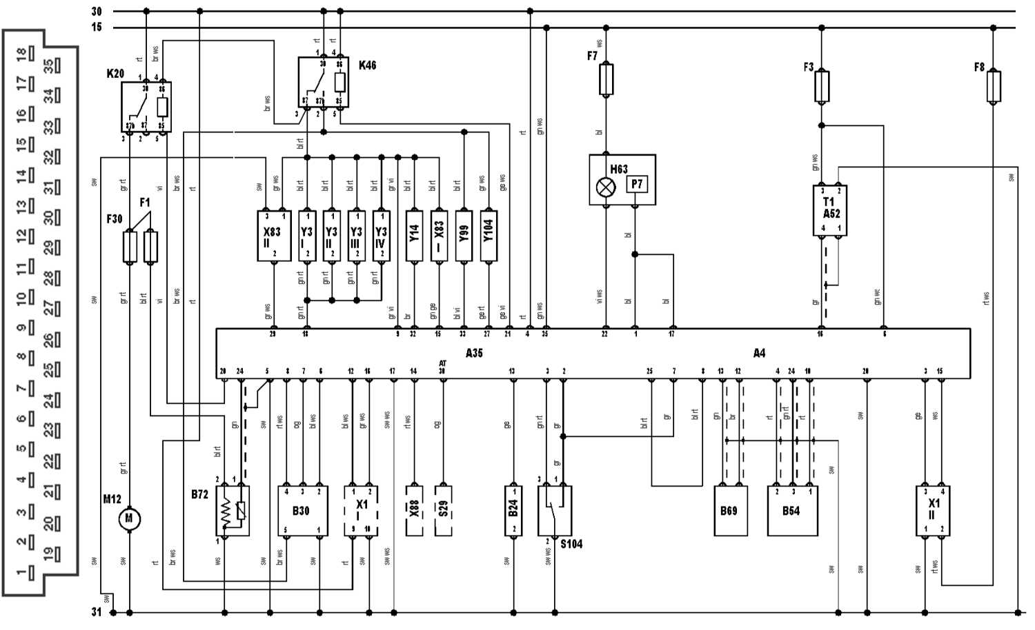
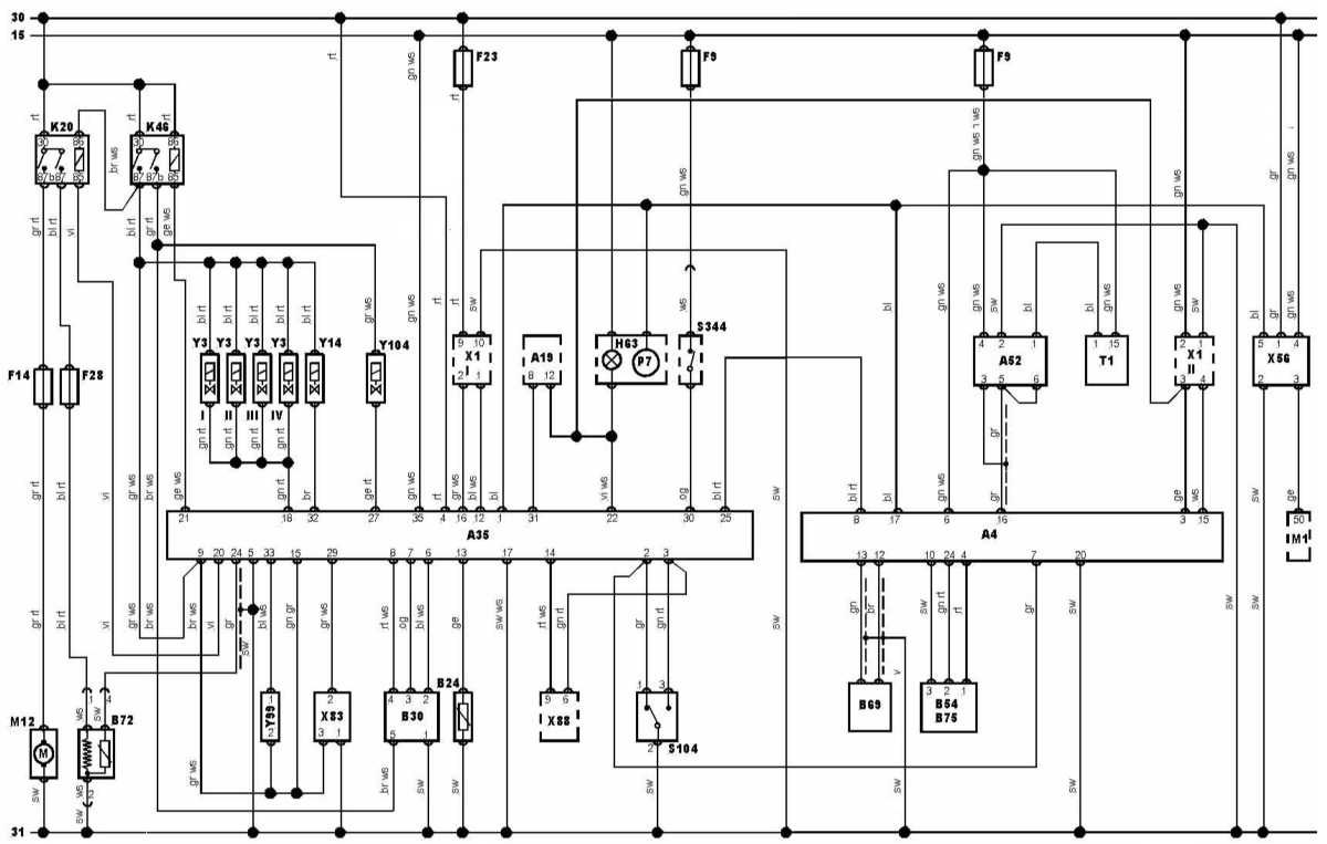
Схема системы зажигания, запуска, зарядки и электрического вентилятора системы охлаждения двигателя

















