Ниже приведены эл.схемы Citroenа Xantia начиная с 1993 по 1998 год, в помощь как начинающим, так и проффесиональным автолюбителям. Прежде чем приступать к демонтажу силового агрегата, вычистите моторный отсек и наружную поверхность двигателя, что поможет сохранить в чистоте и порядке используемый инструмент. Необходимым условием успешного проведения работ является также наличие лебедки, А-образной рамы или другого подходящего подъемного оборудования. Проследите, чтобы оборудование и такелаж соответствовали по своим грузоподъемным характеристикам суммарной массе силового агрегата (двигатель с трансмиссией). Не забывайте о необходимости строго соблюдения требований правил техники безопасности. Если извлечение двигателя производится механиком-любителем впервые, следует заручиться поддержкой ассистента. Полезным окажется вовремя поданный совет более опытного механика. В процессе извлечения агрегата из двигательного отсека возникает множество ситуаций, когда несколько процедур должно быть выполнено одновременно, что невозможно произвести силами одного человека.
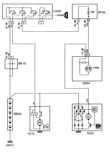
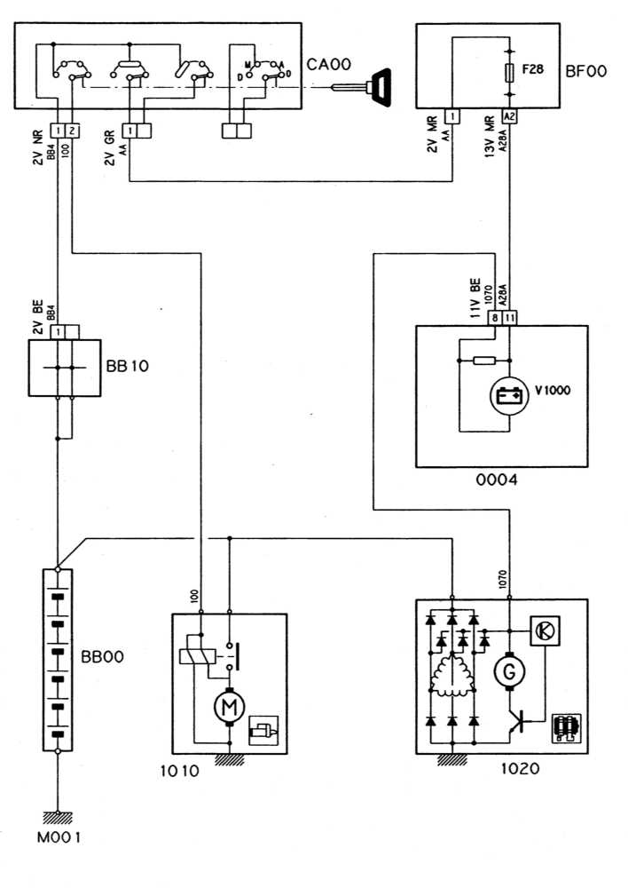
Эл.схема системы запуска и заряда
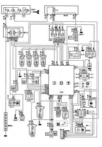
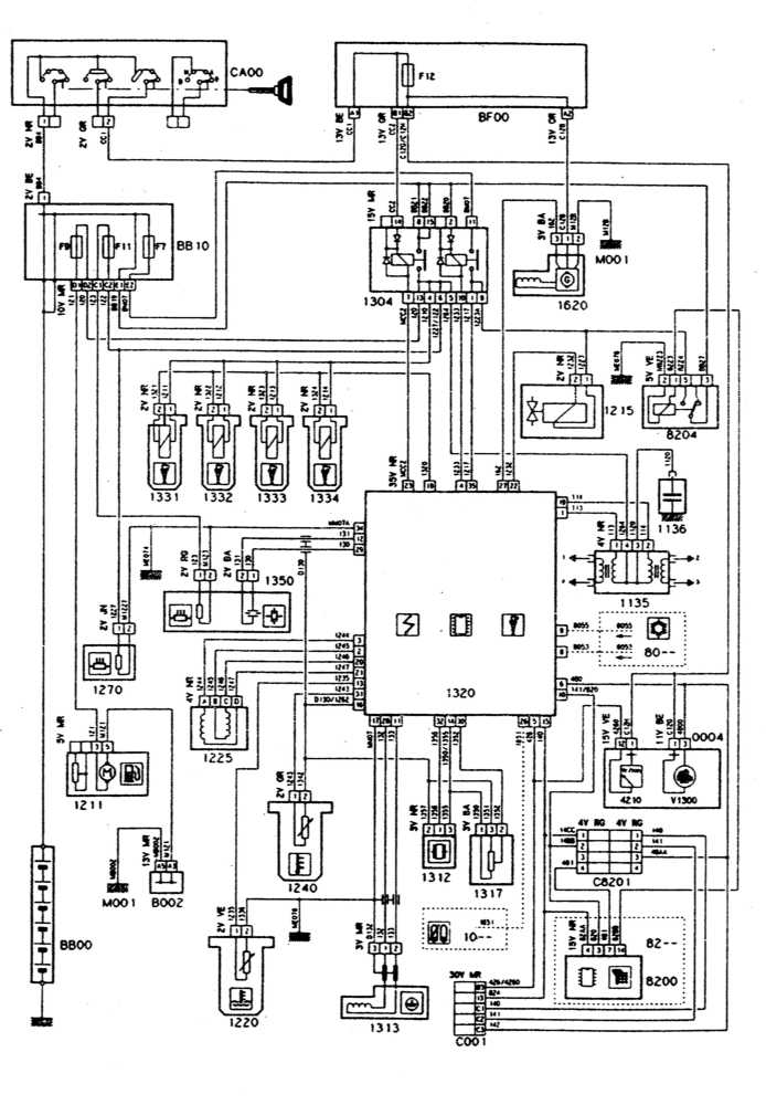
Схема системы впрыска и зажигания
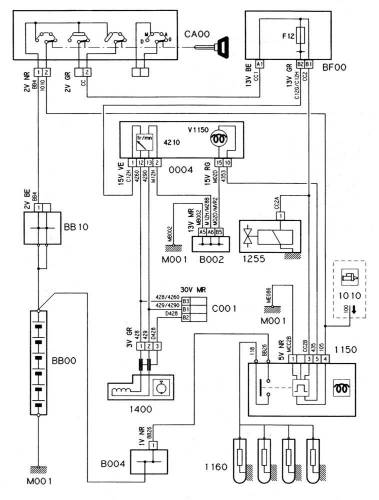
Схема системы преднакала дизельного двигателя
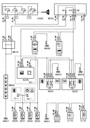
Вентилятор системы охлаждения на Citroen Xantia
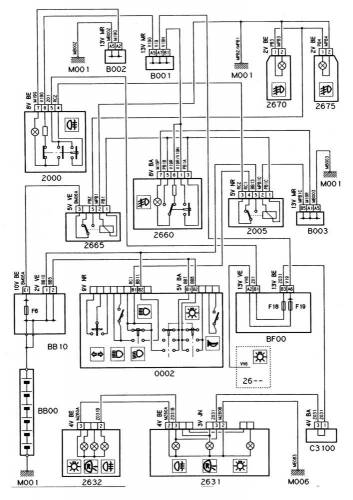
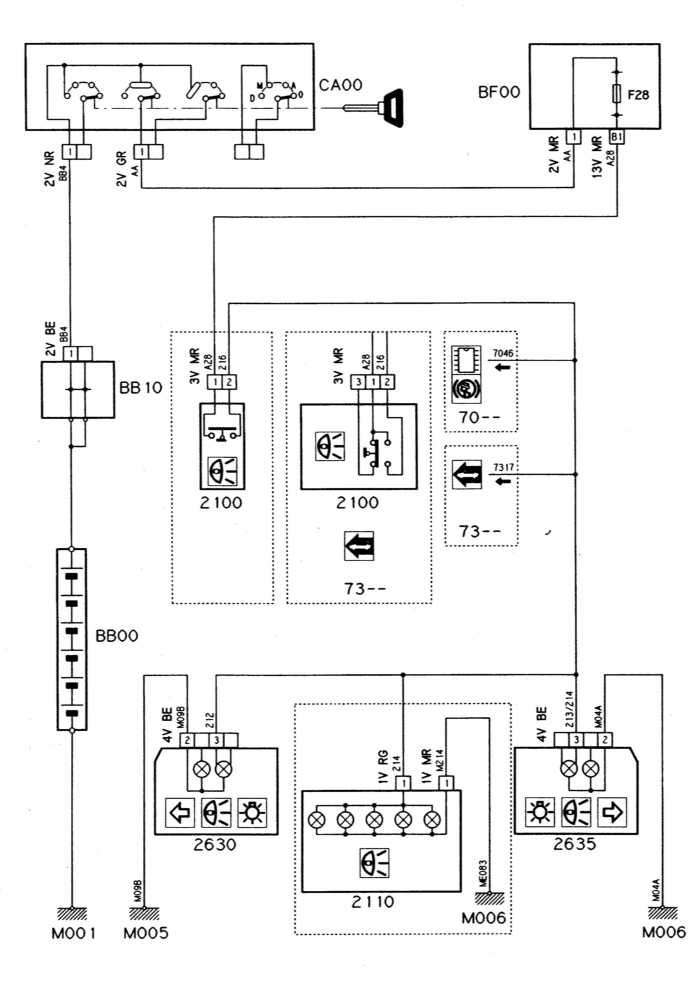
Эл.схема противотуманных фар и фонарей
Схема стоп-сигналов на Citroen Xantia
Огни заднего хода-схема
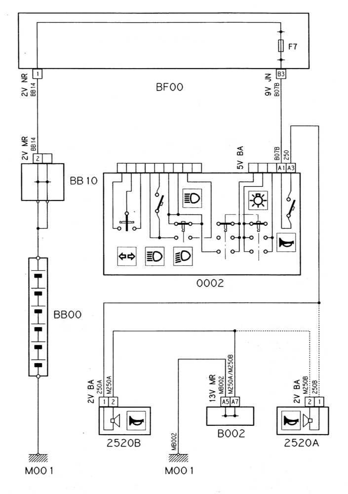
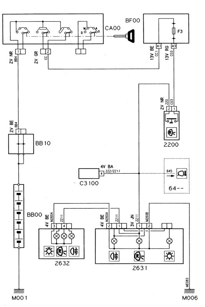
Клаксон-эл.схема
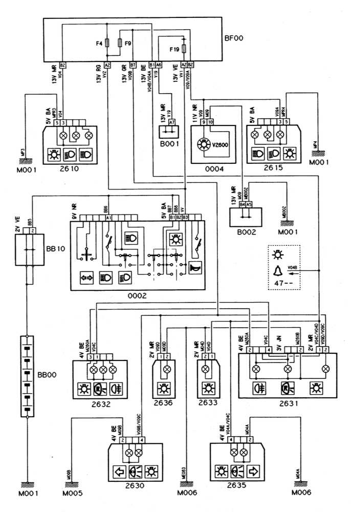
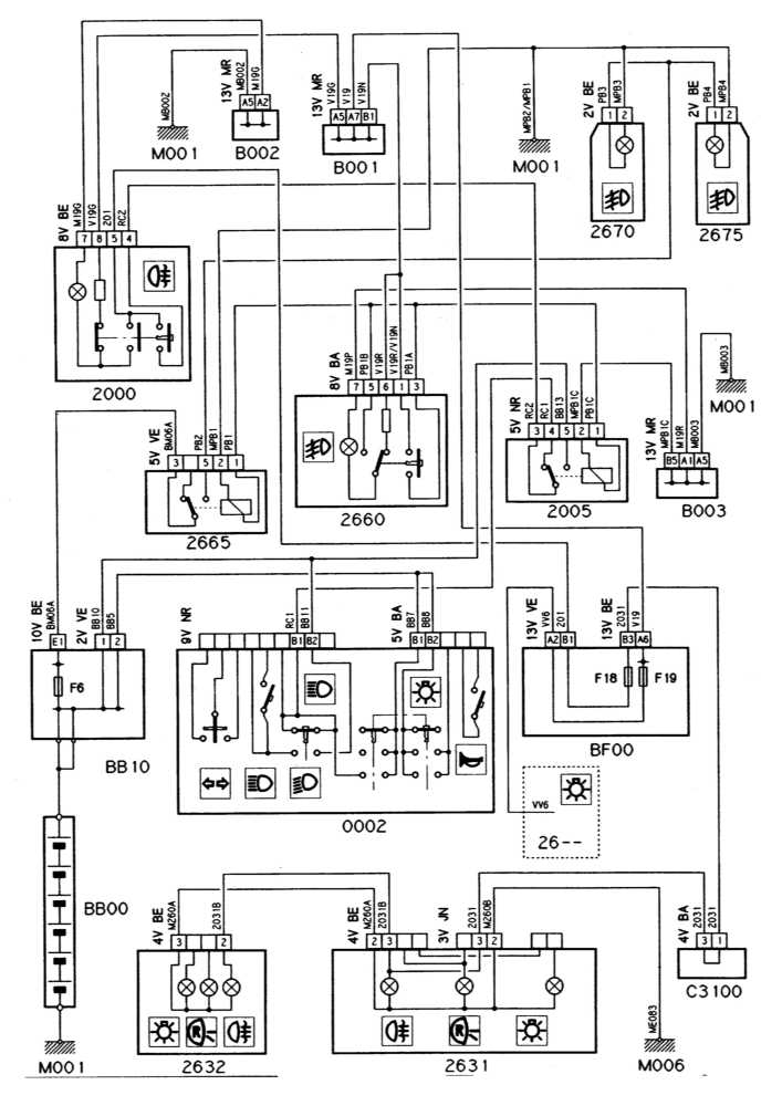
Эл.схема передних и задних габаритных огней
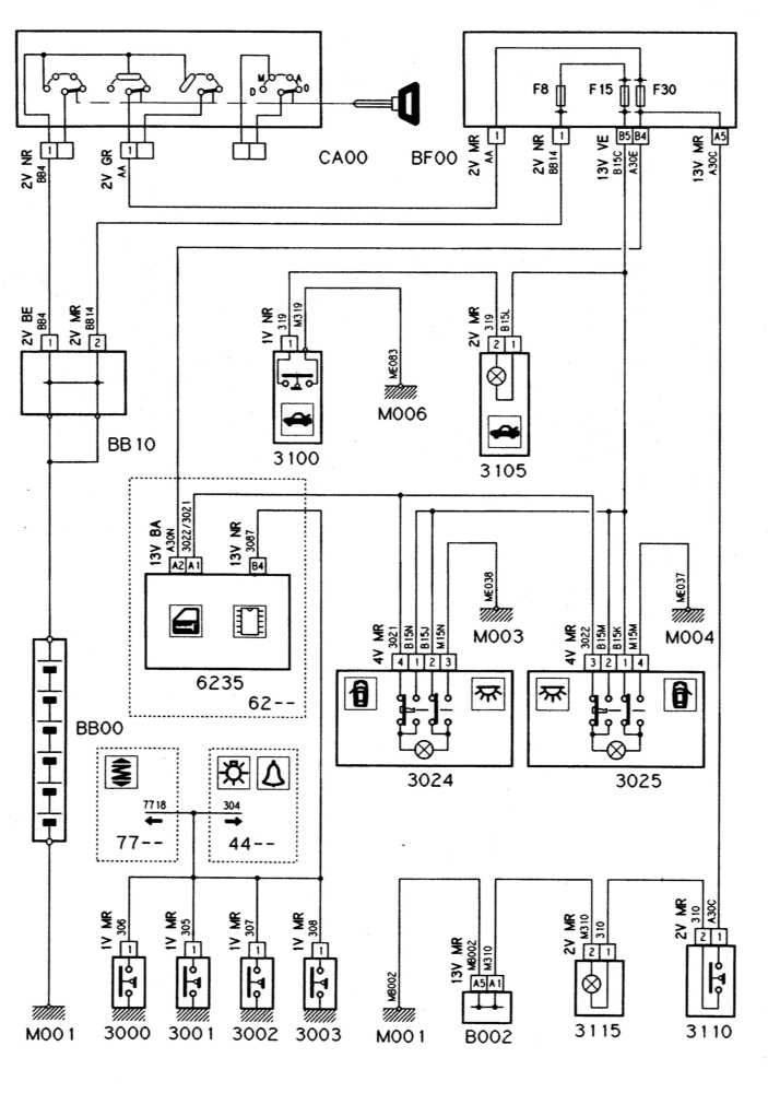
Схема освещения салона










