Принципиальные схемы электрооборудования на Subaru Legacy Outback 1999-2003 г.в. Передняя подвеска полностью независимая, стоечного типа с телескопическими амортизаторами (Мак-Ферсон) и винтовыми пружинами, организована посредством поперечной балки, поперечных рычагов и стабилизатора поперечной устойчивости. Задняя подвеска многорычажная, стоечного типа, с телескопическими амортизаторами и стабилизатором поперечной устойчивости. На некоторых моделях в качестве дополнительной комплектации применяется пневматическая подвеска, в настоящем Руководстве не рассматриваемая.
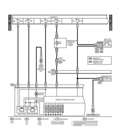
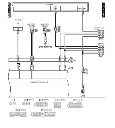
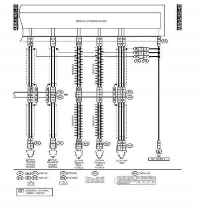
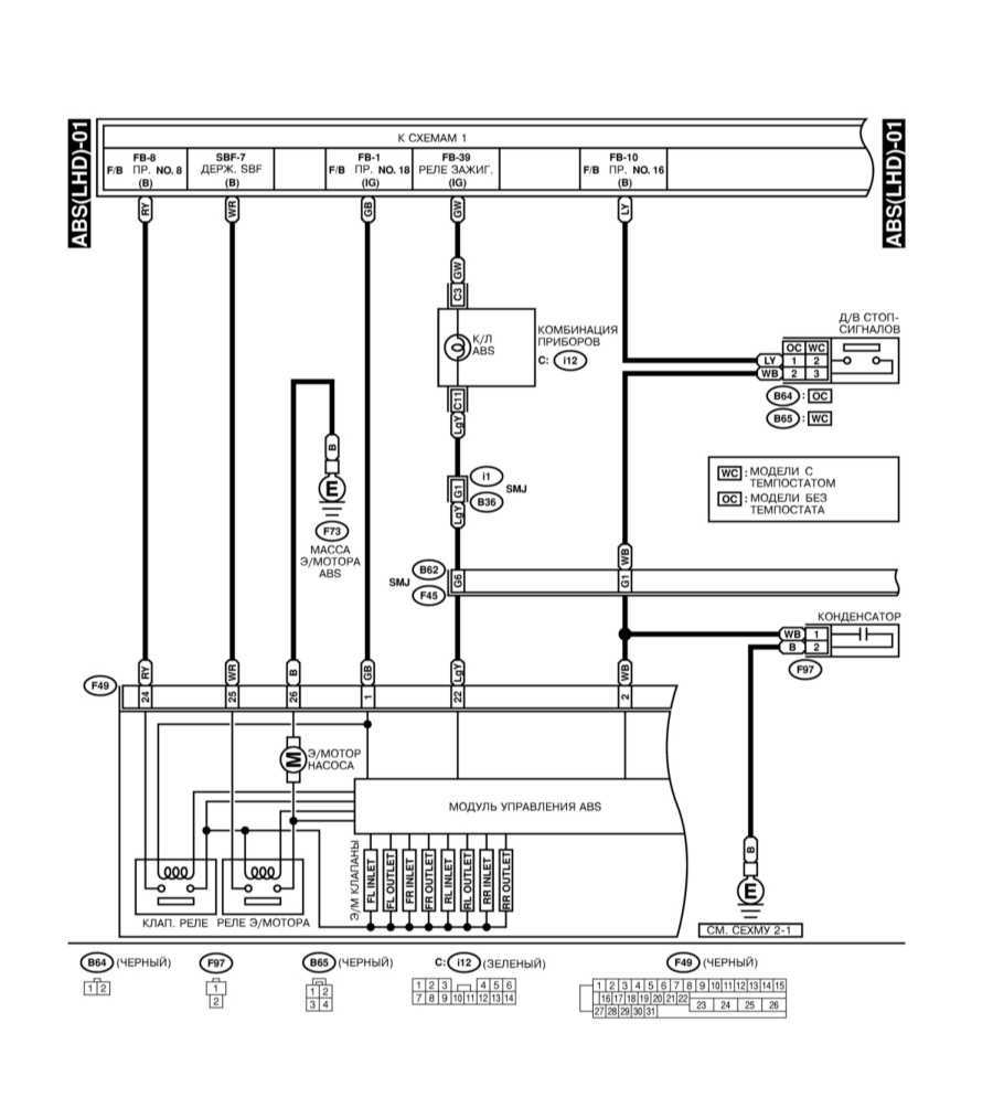
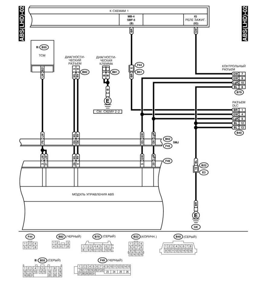
Схема ABS на Subaru Legacy Outback
Электросхема аудиосистемы на Субару Легаси
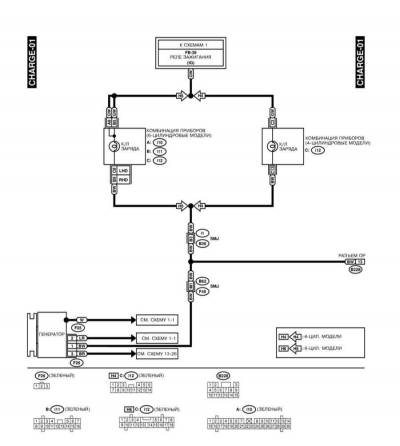
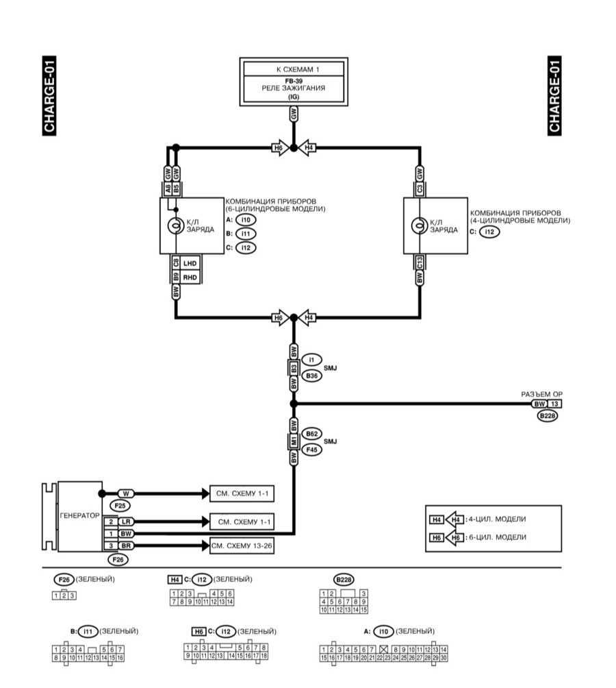
Схема системы заряда
Дверные замки — схема на Subaru Legacy Outback
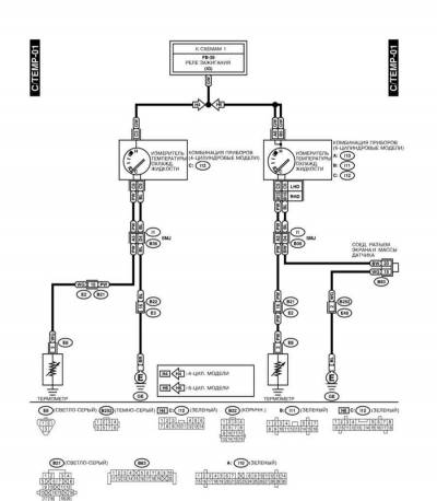
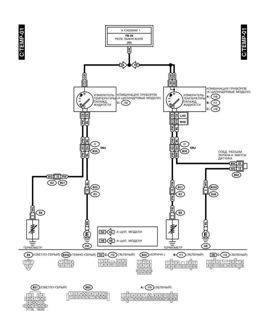
Измеритель температуры охлаждающей жидкости двигателя — электросхема
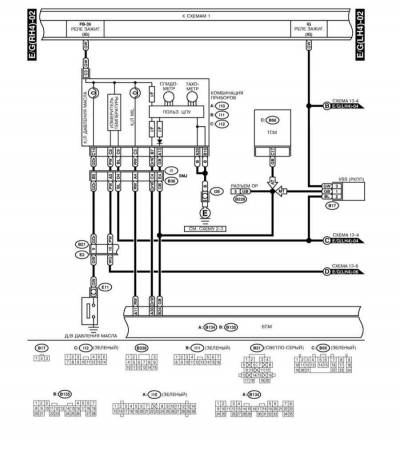
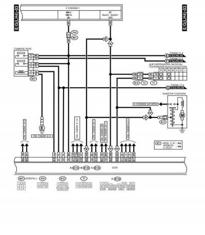
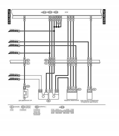
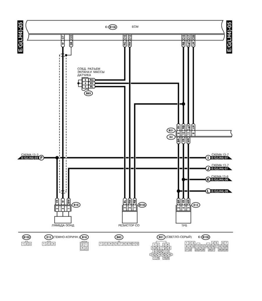
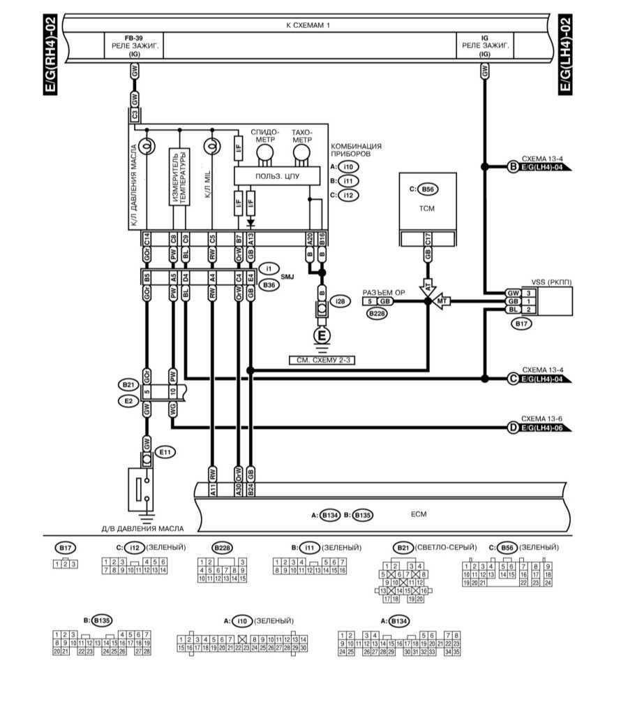
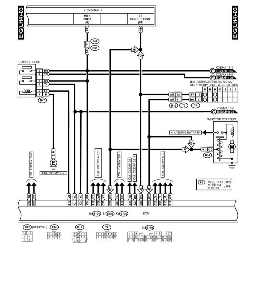
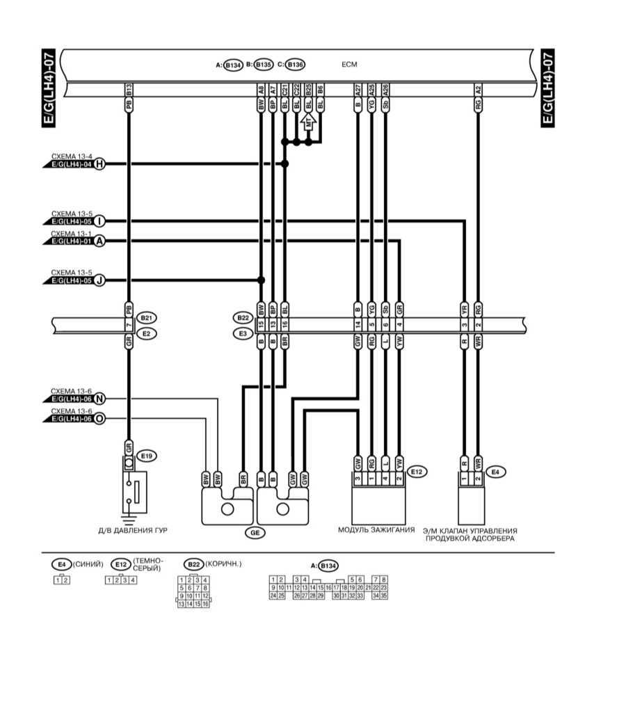
Электрооборудование двигателя, 4-цилиндровые модели с OBD Subaru
Измеритель запаса топлива — схема 4 и 6-и цилиндровые модели
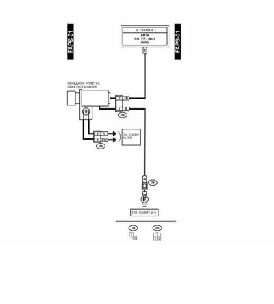
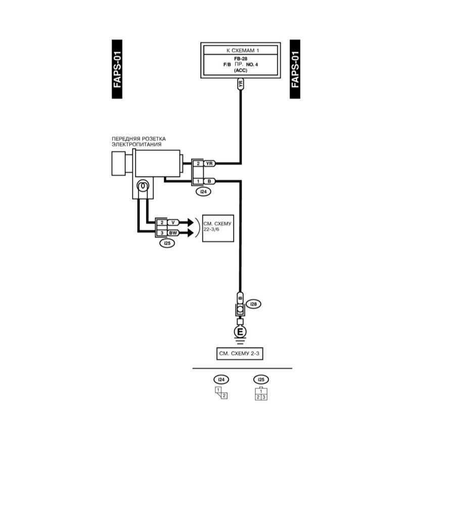
Передняя розетка электропитания — схема
Привод регулировки фар — схема на Subaru Legacy Outback




















