Оригинальные схемы электрооборудования на Subaru Legacy 1990-1998 г.в. Начало было положено в 1990 году, когда Subaru вышла на сцену с моделью Legacy. Её не слишком успешная карьера в чемпионате мира продолжалась три года, однако стараниями Колина Макрея она завершилась на победной ноте — в 1993 году молодой шотландец выиграл за рулем Legacy ралли Новая Зеландия, после которого наступила эра Subaru Impreza, дебют которой состоялся в Финляндии.
Общие сведения электросхем
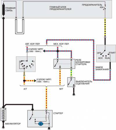
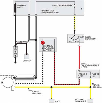
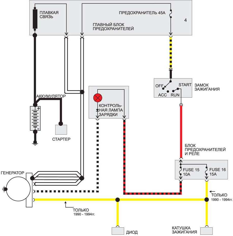
Схема системы зарядки на Субару Легаси
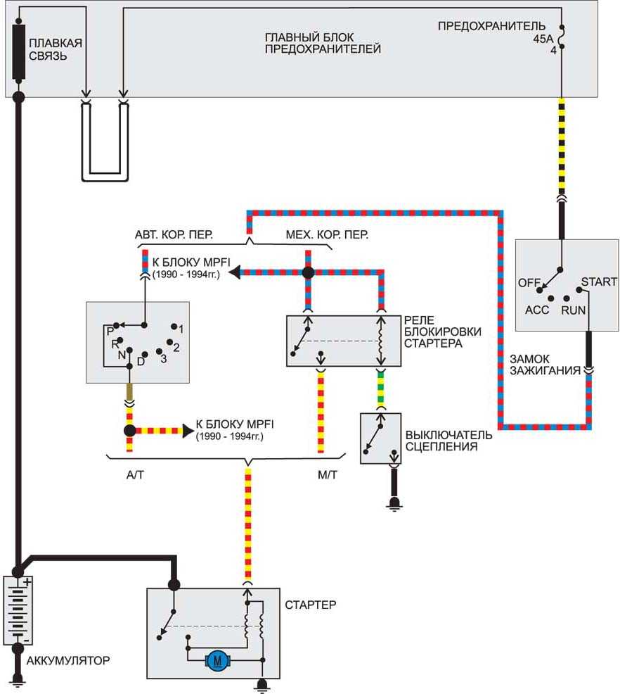
Электросхема управления двигателем 1990-1994 гг. и с 1995 г.
Схема системы охлаждения, отопления и кондиционирования 1990-1994 гг. и с 1995 г.
Эл.схема комбинации приборов 1990-1994 гг. и с 1995 г.
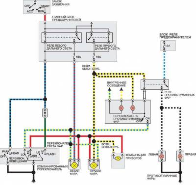
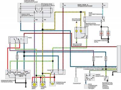
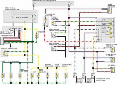
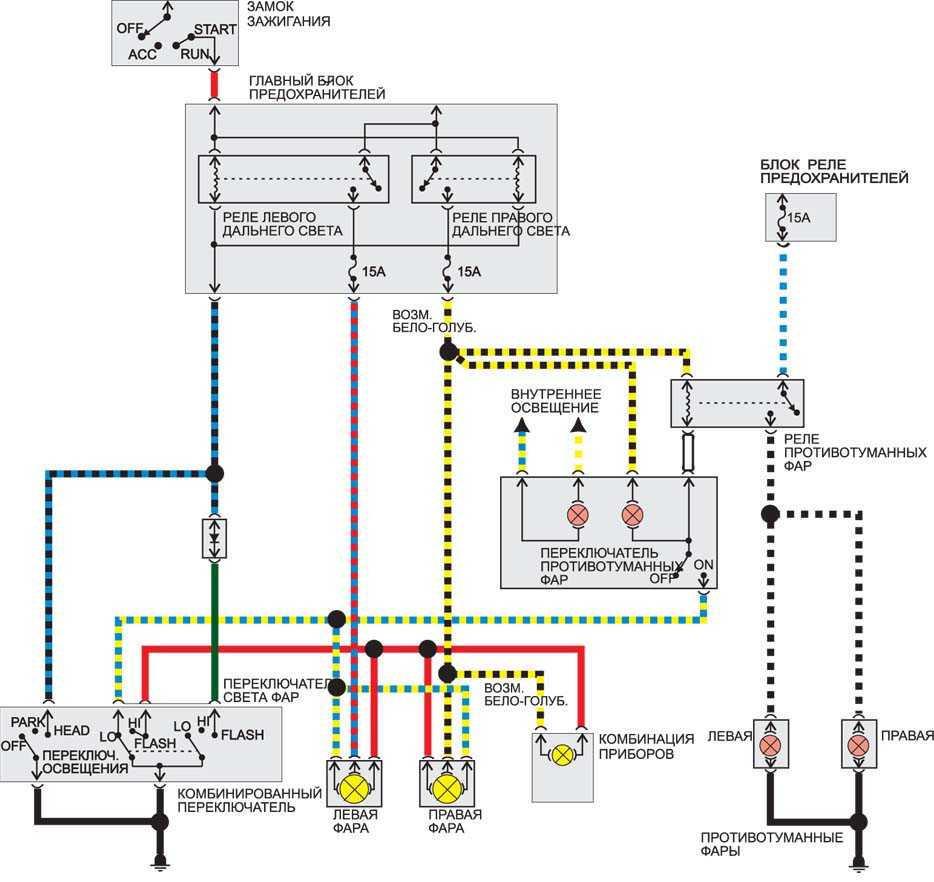
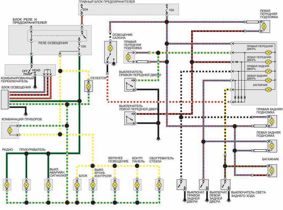
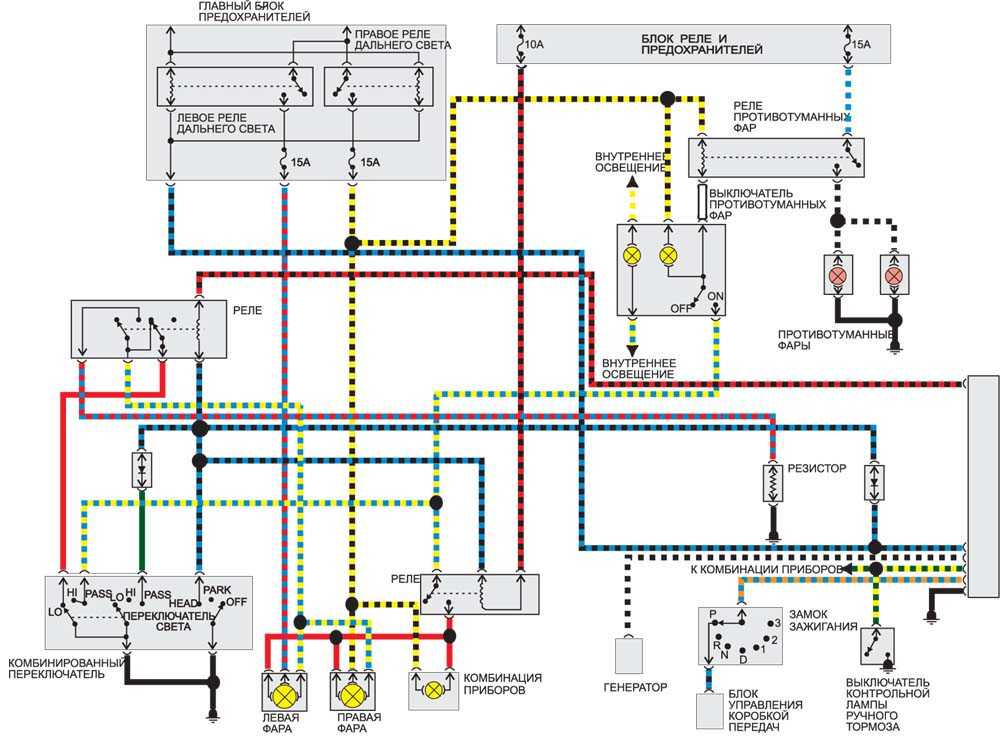
Внешнее и внутреннее освещение на Subaru Legacy
Стеклоподъемники — схема на Subaru Legacy
Подсоединение радиоприемника — электросхема
Стеклоочистители и стеклоомыватели — схема на Subaru Legacy
Очиститель и омыватель заднего стекла — эл.схема
Центральная блокировка Канада, 1990-1994 гг. и США, 1990-1994 гг.
Схема системы круиз-контроля на Subaru Legacy


















