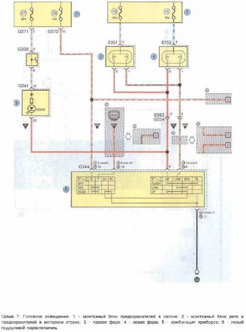
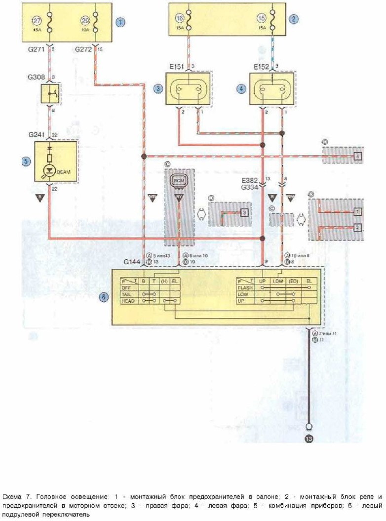
Электрическая схема Suzuki SX4 с 2006 года выпуска. На схеме показаны стеклоомыватель и стеклоочиститель, омыватель фар, корректор фар, обогрев заднего стекла и наружных зеркал заднего вида, регулировка зеркал, ближний и дальний свет фар, фонари заднего хода, передние и задние противотуманные фары, габаритные огни и огни освещения номерного знака, стоп-сигналы, указатели поворотов и аварийная сигнализация, охранная сигнализация и другие системы электронного оборудования данного автомобиля.
Электрика автомобиля Сузуки sx4
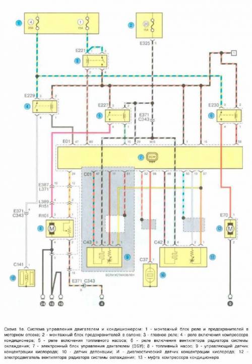
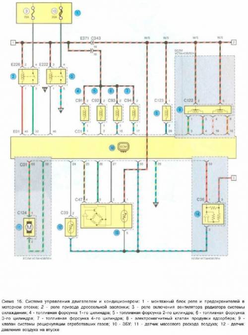
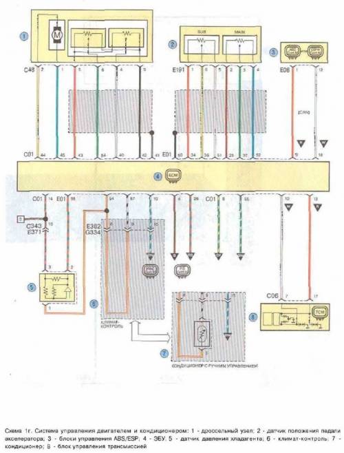
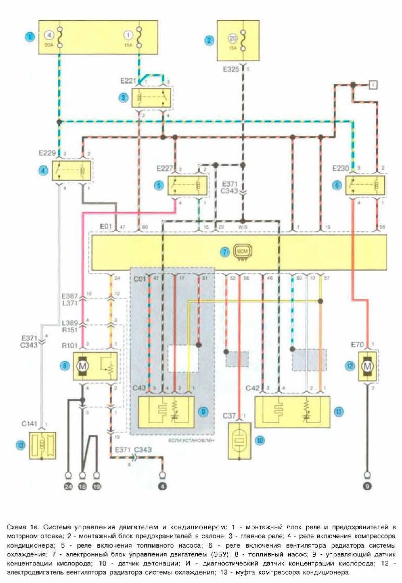
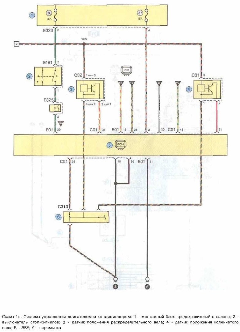
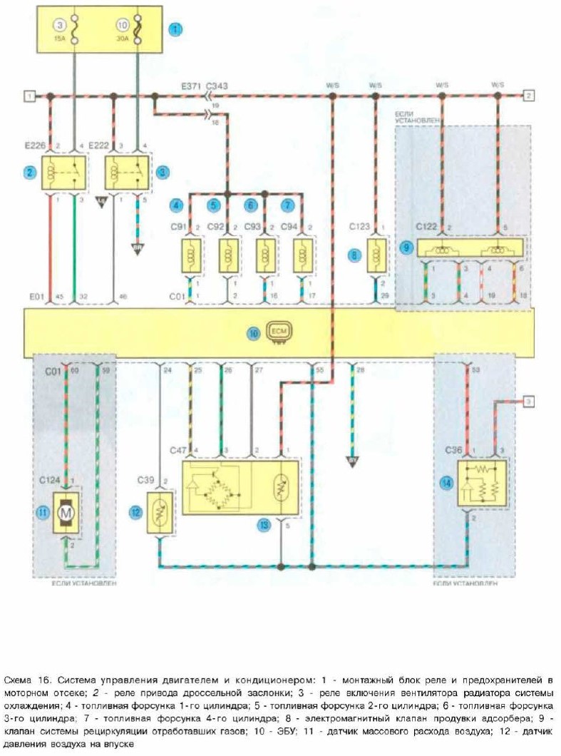
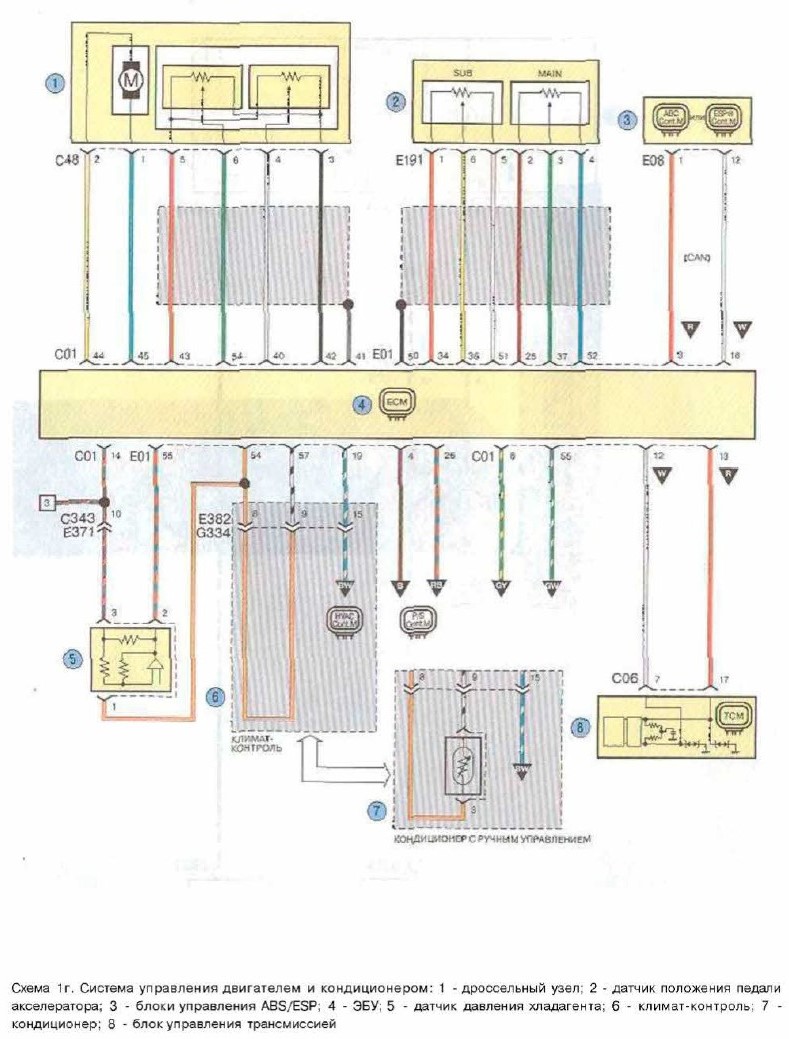
Схема управления двигателем и кондиционером авто
Электрическая схема системы пуска Suzuki SX4
Схема пуска двигателя — силовой предохранитель, монтажный блок предохранителей, генератор
Система зажигания — ЭБУ, катушка зажигания и свечи
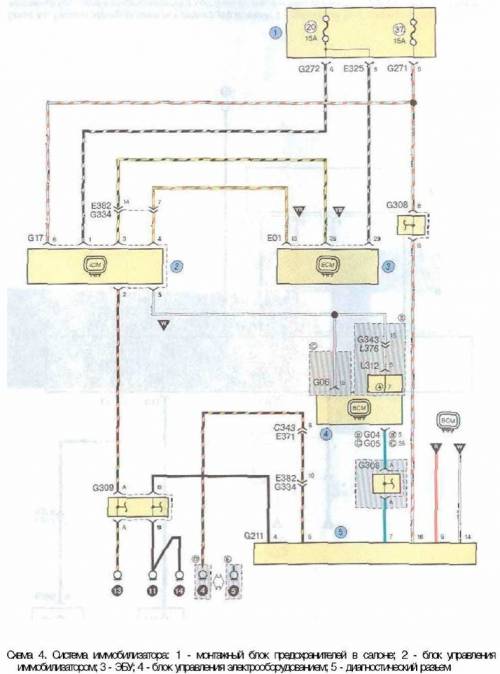
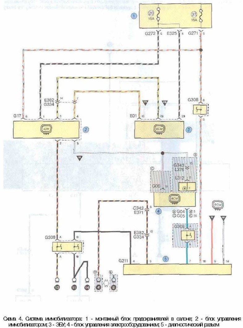
Система иммобилизатора — монтажный блок и диагностический разъём
Система охлаждения и электроусилителя рулевого управления
Остальные схемы электрооборудования Сузуки SX4
Скачать архив со всем альбомом в PDF













