Автовладельцы и работники автосервисов, для вас здесь любезно предоставленны схемы электрооборудования на Toyota Corolla с 2003 по 2008 г.в. В салоне, все что нужно для водителя находится в удобном расположении, без излишеств и наворотов. Сидения очень комфортные. На дороге скорость набирает быстро, торможение мягкое, при обгоне довольно резвая. Аккуратный руль, хорошая толщина обода, удобные кнопки, приятная обивка…. Это и многое другое говорят владельцы приобревшые эту модель Тойоты.
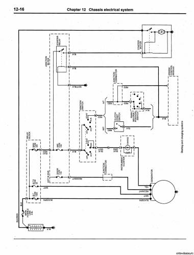
Схема системы запуска и зажигания
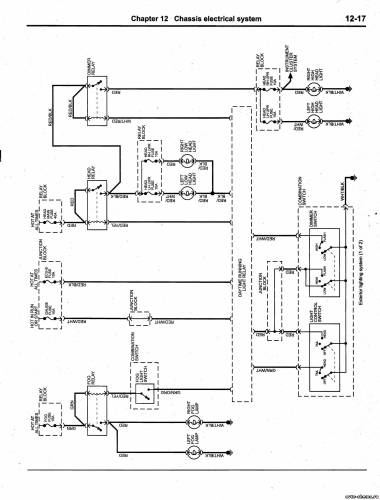
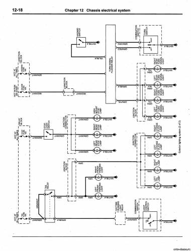
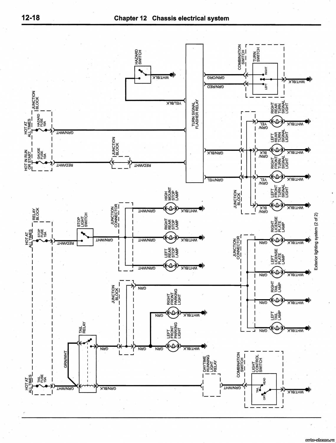
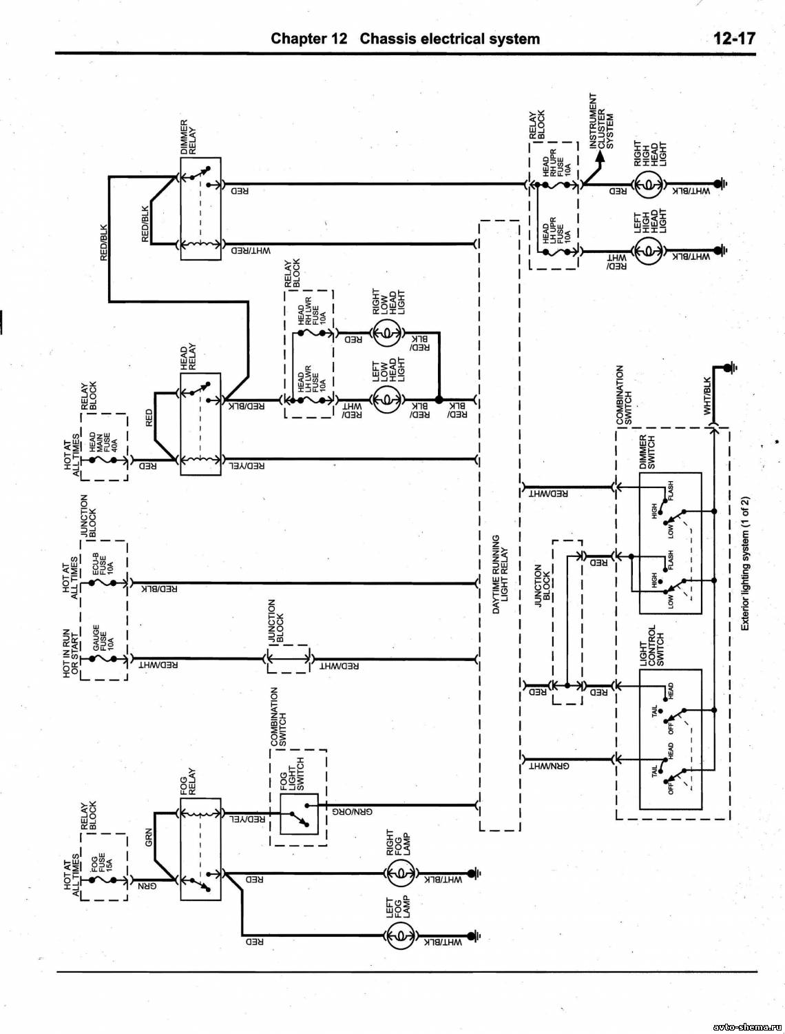
Электросхема внешнего освещения
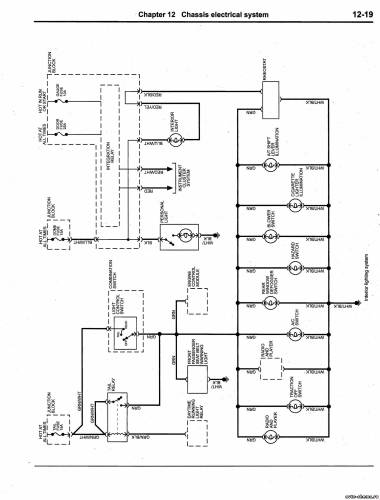
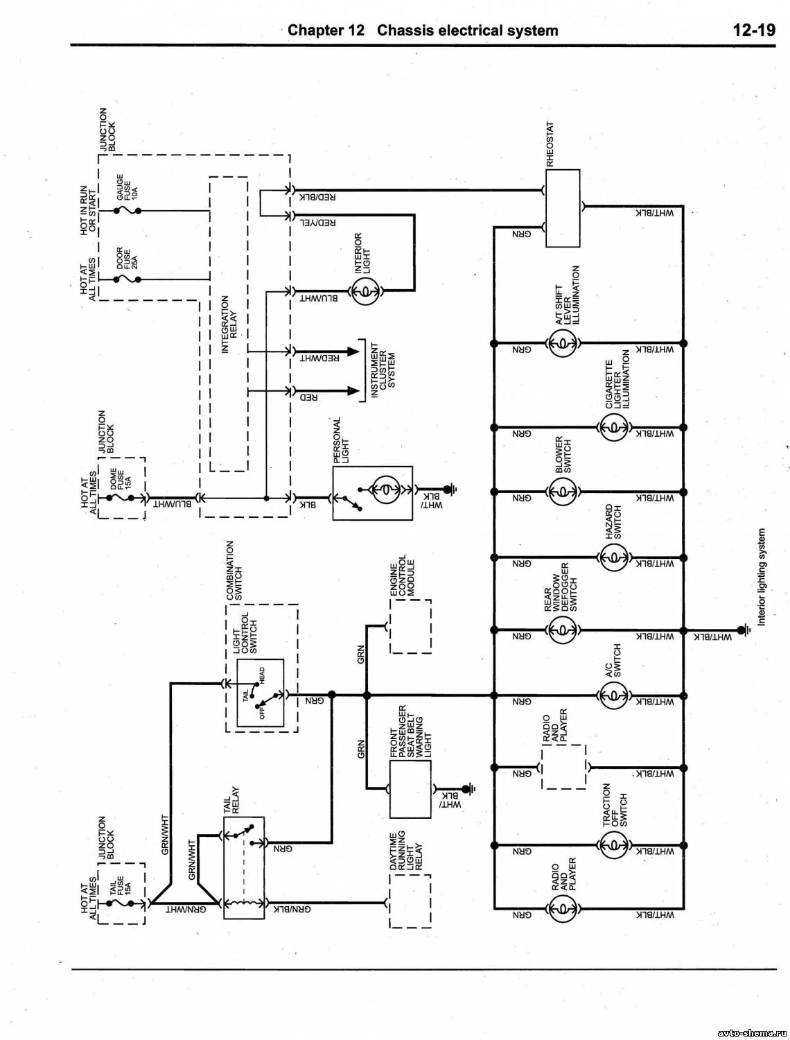
Эл.схема внутреннего освещения салона
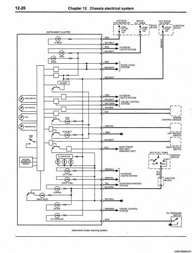
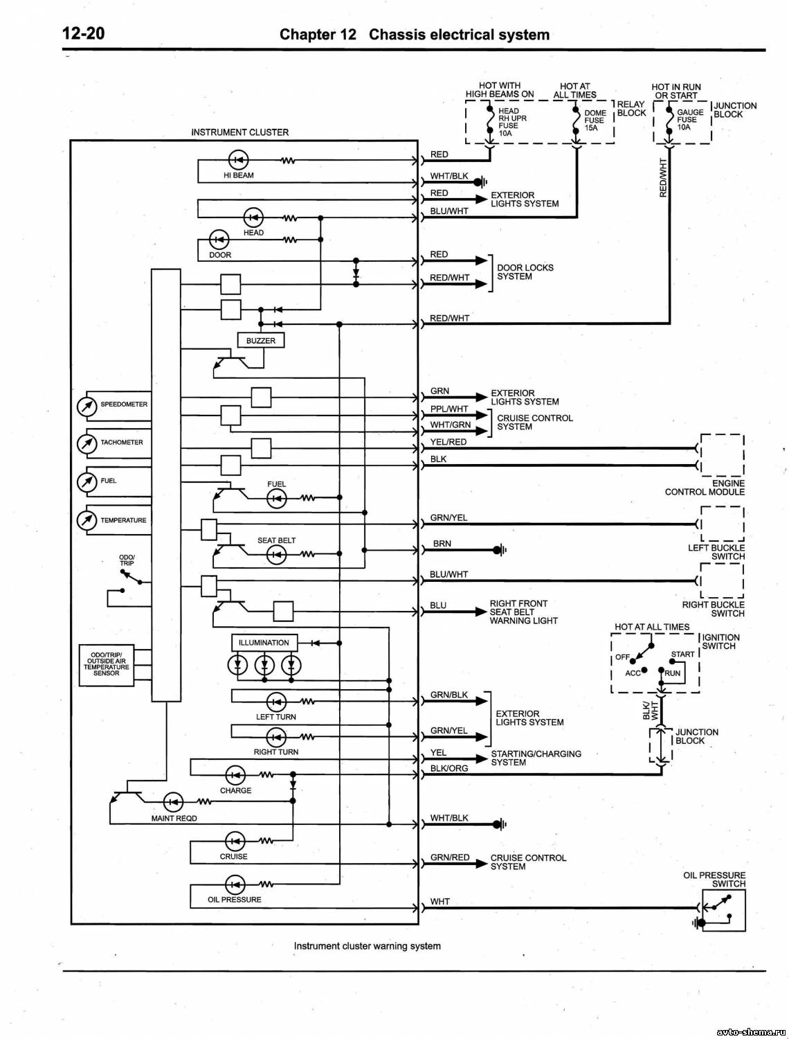
Схема приборного щитка
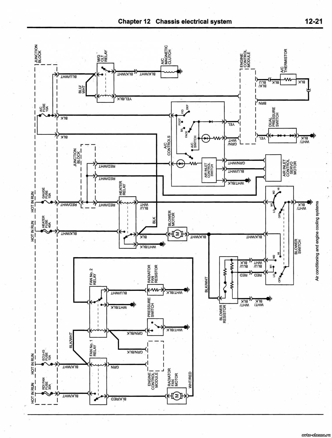
Электросхема кондиционера и системы охлаждения двигателя
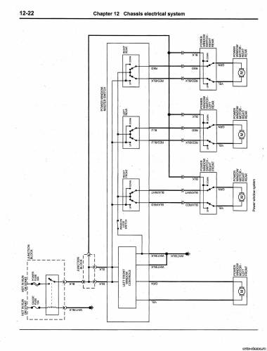
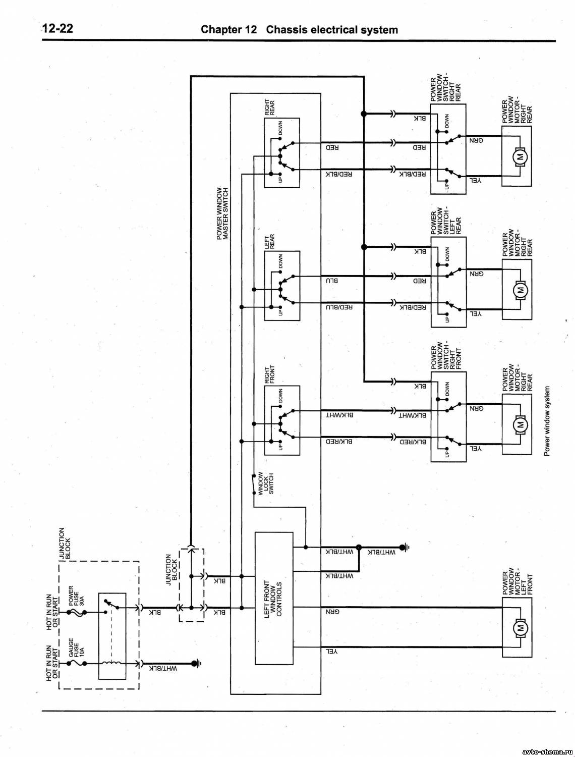
Схема электростеклоподьемников
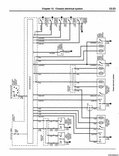
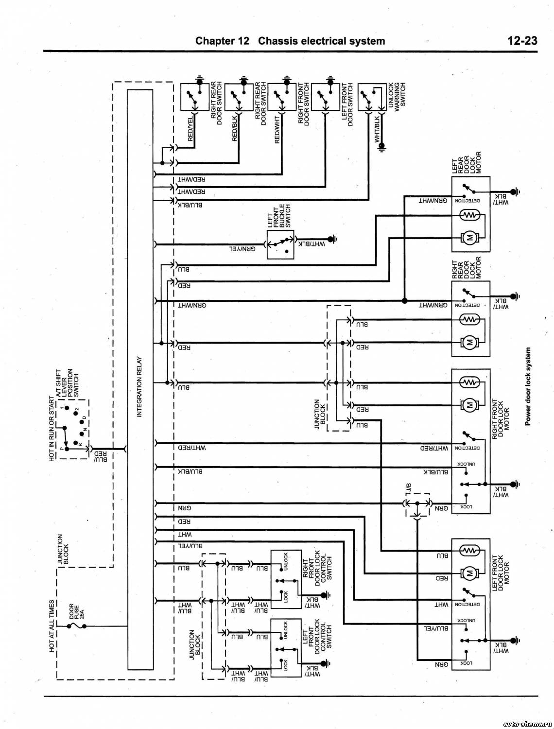
Эл.схема блокировки дверей
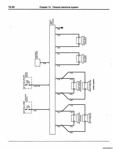
Электросхема аудиосистемы на Тойота Королла
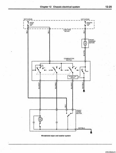
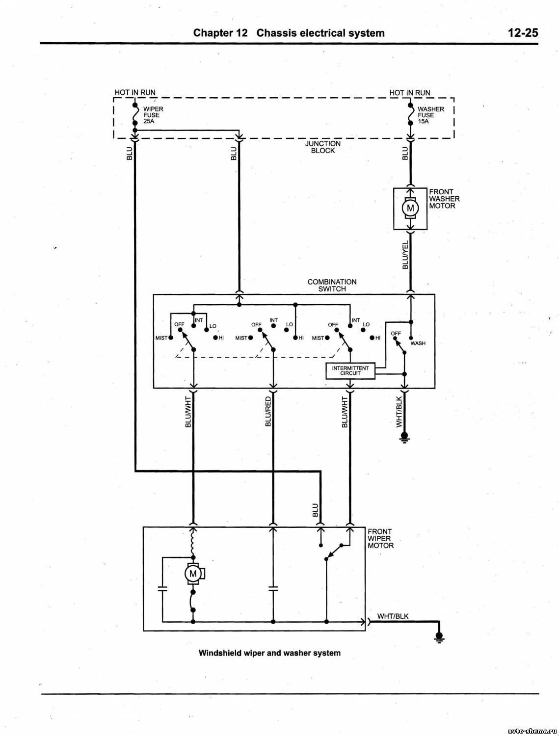
Схема лобового стеклоочистителя
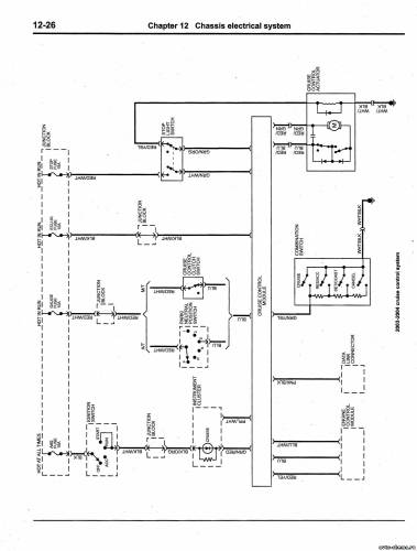
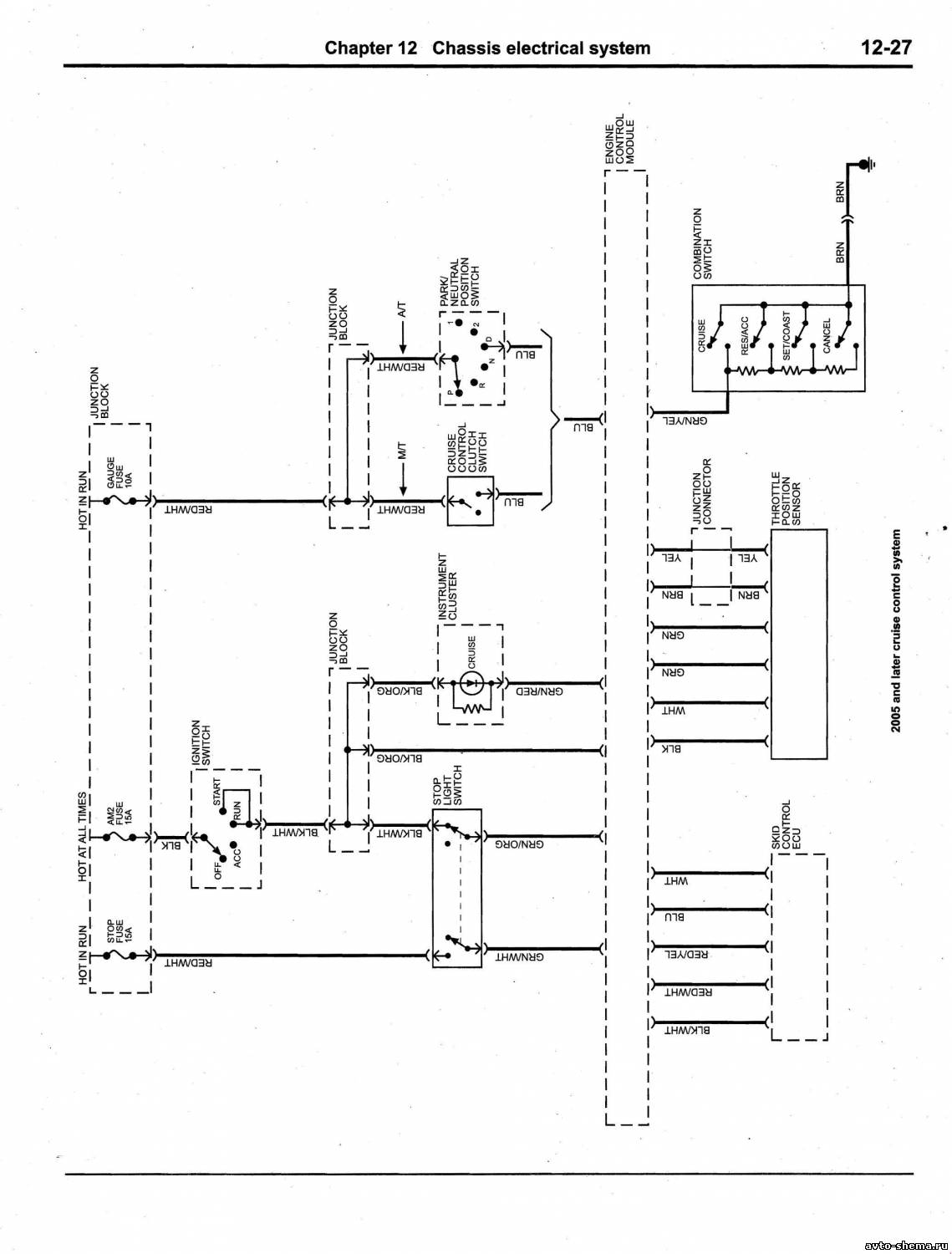
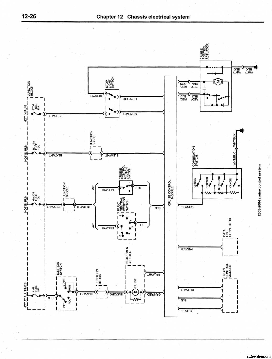
Эл.схема круиз-контроля












