Принципиальные схемы электрооборудования на такую машину как Toyota Camry 2001-2005 г.в. Салон в новой Тойоте стал просторнее. Таким образом, автомобиль начал отвечать более высоким показателям по качеству материалов, используемых в отделке салона. В салоне Camry 2,4 л VVT-i используется высококачественная тканевая отделка, а также кожаная отделка в качестве опции. А для автомобилей с двигателем 3,0 л V6 отделка салона кожей входит в стандартную комплектацию. Ощущение эксклюзивности салона создается благодаря использованию кожаной отделки рычага КПП, хромированным внутренним ручкам дверей, а также отделкой под дерево на консоли и панелях управления. Внутри автомобиля действительно комфортно и уютно. Интерьер тщательно продуман. Это и комфортабельные сиденья, и автоматическая система кондиционирования, электрические стеклоподъемники, великолепная звукоизоляция. Кстати, в стандартную комплектацию всех моделей входит климат-контроль. Одной из инноваций новой Camry является обеспечение водителю кругового обзора. Ветровое стекло и боковые зеркала покрыты водоотталкивающем материалом, боковое зеркало водителя с широким углом обзора имеет систему подогрева, внутреннее зеркало снабжено системой автоматического затемнения. Над центральной консолью установлен многофункциональный дисплей. Он отслеживает рабочие параметры автомобиля, собираю информацию с бортовой электронной аппаратуры. На дисплей выводятся все необходимые водителю данные: время, температура воздуха, показания маршрутного компьютера, в том числе средний и мгновенный расход топлива, средняя скорость и возможный километраж на оставшемся топливе.
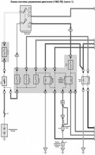
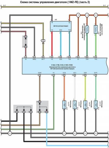
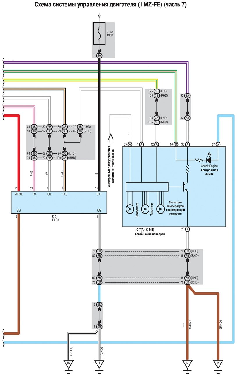
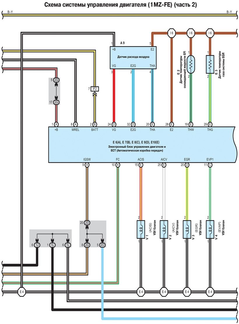
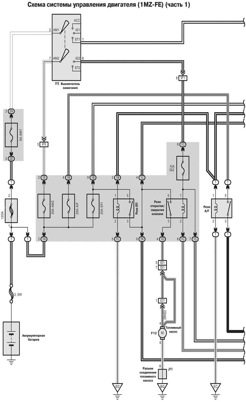
Схема системы управления двигателем — 1MZ-FE на Toyota Camry
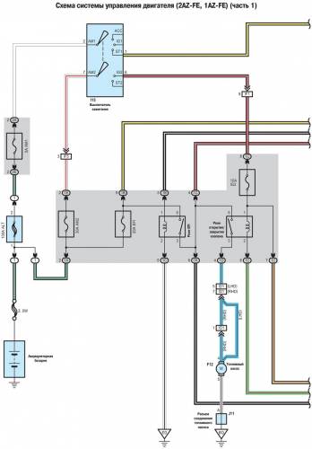
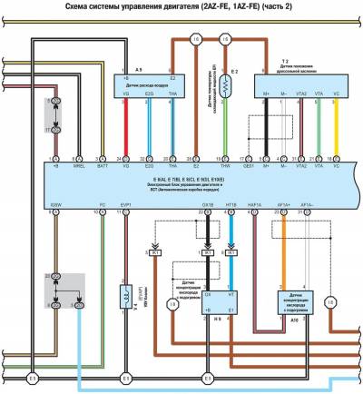
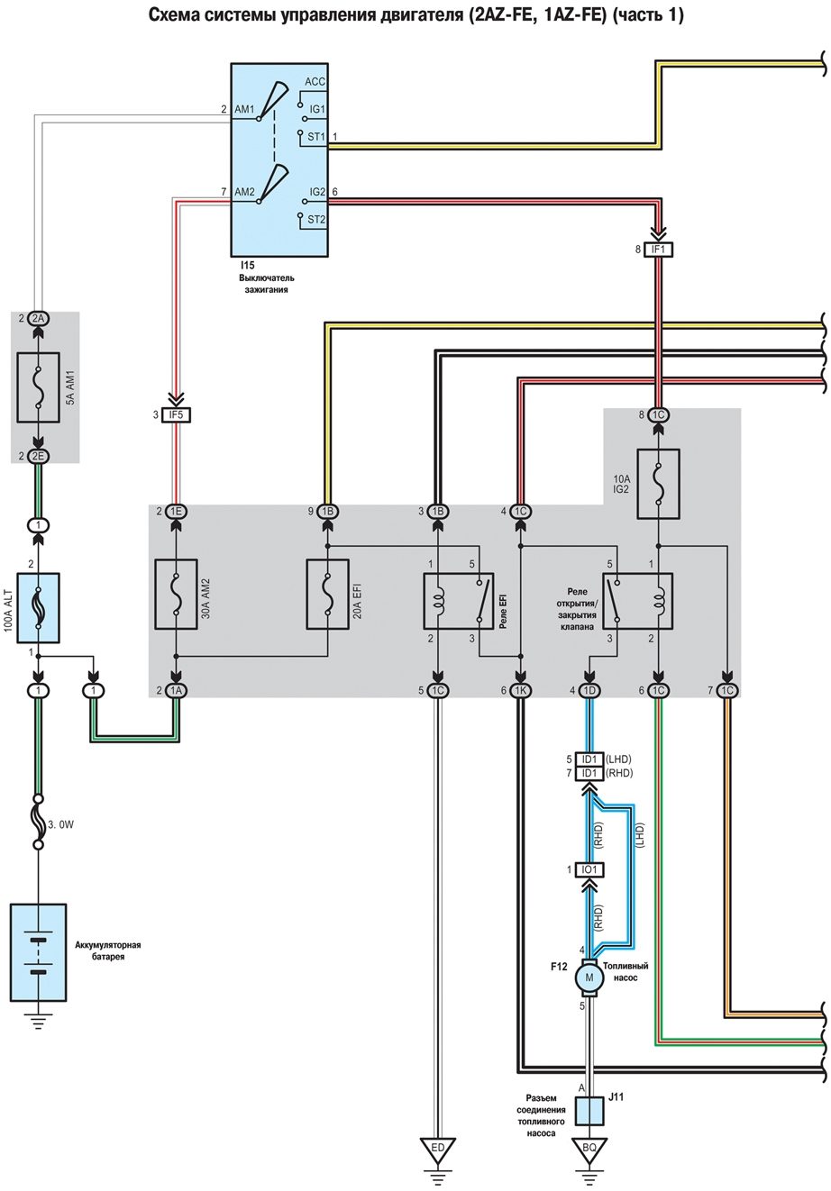
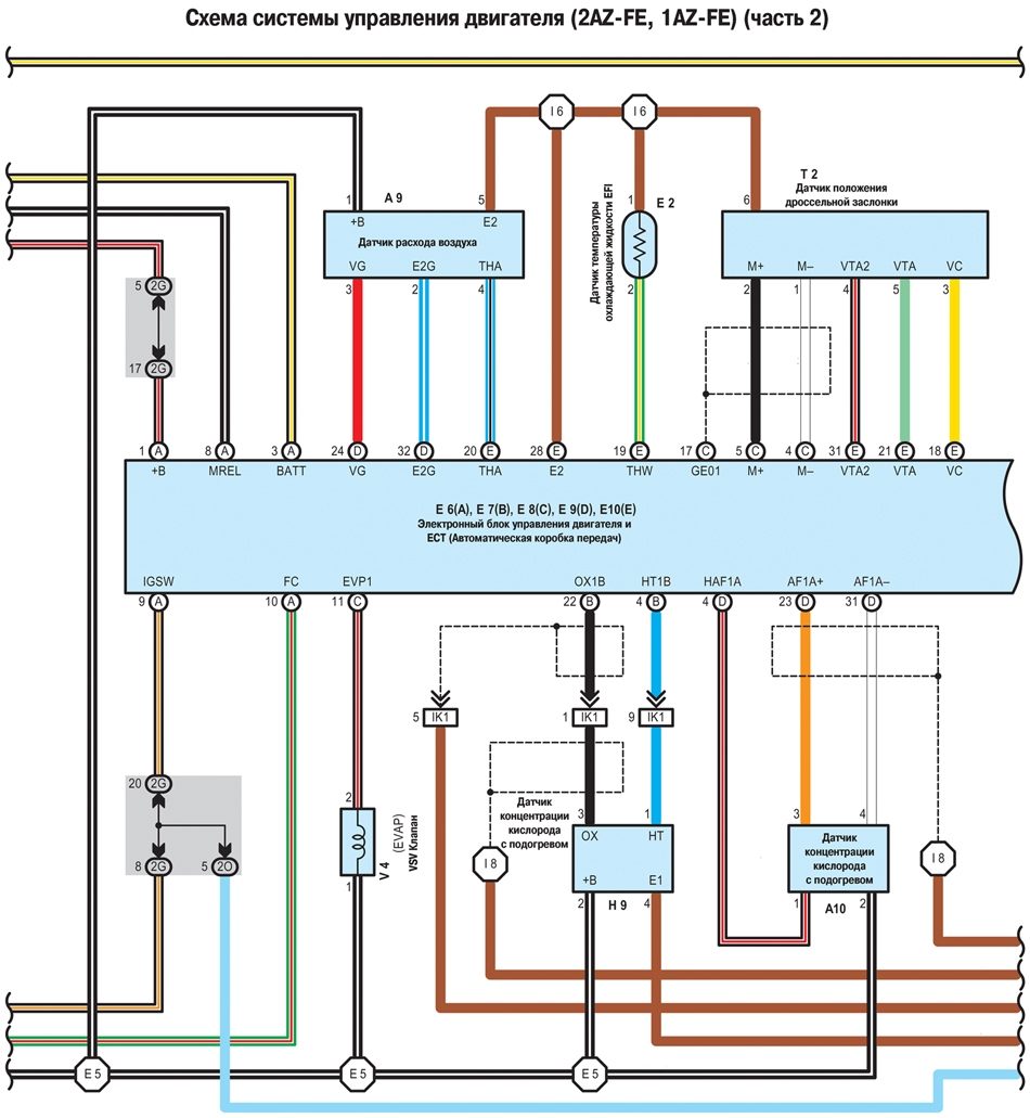
Электросхема системы управления двигателем — 2AZ-FE и 1AZ-FE на Тойота Камри









